首页
专利查询
专利购买
专利转让
专利申请
15071489439
当前位置:
专利巴士
专利查询
专利名称
查询
高级查询
当前共找到
8115
个专利记录
,当前显示页码
108/406
专利名称
申请号
申请人
发明人
专利代办机构
[实用新型]
一种自动抓取装置
申请号:
201920850952.0
状态:
有权
申请日:
2019-06-06
申请人:
武汉科技大学、孝感宏翔生物医械技术有限公司
发明人:
王景存、蔡清清、沈红安
公开日:
代理机构:
主分类号:
B25J15/10(20060101)
我要购买
摘要:
本实用新型涉及自动抓取技术领域,具体是涉及一种自动抓取装置,抓取组件,抓取组件包括抓取电机、传动轴、安装架、齿轮、两滑块、至少两个抓指和两活动轴,抓取电机固定于安装架上,传动轴受抓取电机驱动旋转,传动轴的另一端固定有齿轮,两活动轴平行设置,且可在安装架上滑动,活动轴的一端固定于一个滑块上,另一端与另一个滑块滑动连接,活动轴的中间段开设有齿槽,两传动轴上的齿槽相对设置,齿轮的两侧分别与两传动轴上的齿槽啮合,抓指两两相对设置,且抓指与滑块固定相连。本实用新型通过抓取电机带动两滑块相对远离或靠近,以带动抓指夹持或松开样本盒,再通过升降组件带动抓取组件上下横移,以实现自动抓取样本盒,提高了工作效率。
[发明]
一种基于混合仿真的供应链物流网络效能评估分析方法
申请号:
201910484932.0
状态:
审中-实审
申请日:
2019-06-05
申请人:
武汉科技大学
发明人:
王创剑、高晓芳、聂宇
公开日:
2019-09-17
代理机构:
重庆市信立达专利代理事务所(普通合伙)50230
主分类号:
G06Q10/06(2012.01)I
我要购买
摘要:
本发明属于软件应用技术领域,公开了一种基于混合仿真的供应链物流网络效能评估分析方法,基于节点间仿真模型进行节点间的仿真分析,并建立节点间仿真模型副本;其中节点间仿真分析在分析节点间物流行为过程中,不影响副本模型的相关数据,副本模型运行时获取的得到节点的订单数据信息将由数据库传递给相应的节点内仿真模型;当进行节点内物流仿真分析时,可以随时获取数据库中的数据,作为节点内仿真输入,进行独立分析;同时节点内仿真的部分效能数据也可以作为节点间仿真模型部分固定参数完善的参考。本发明可实现供应链物流系统效能提升的目标。
[实用新型]
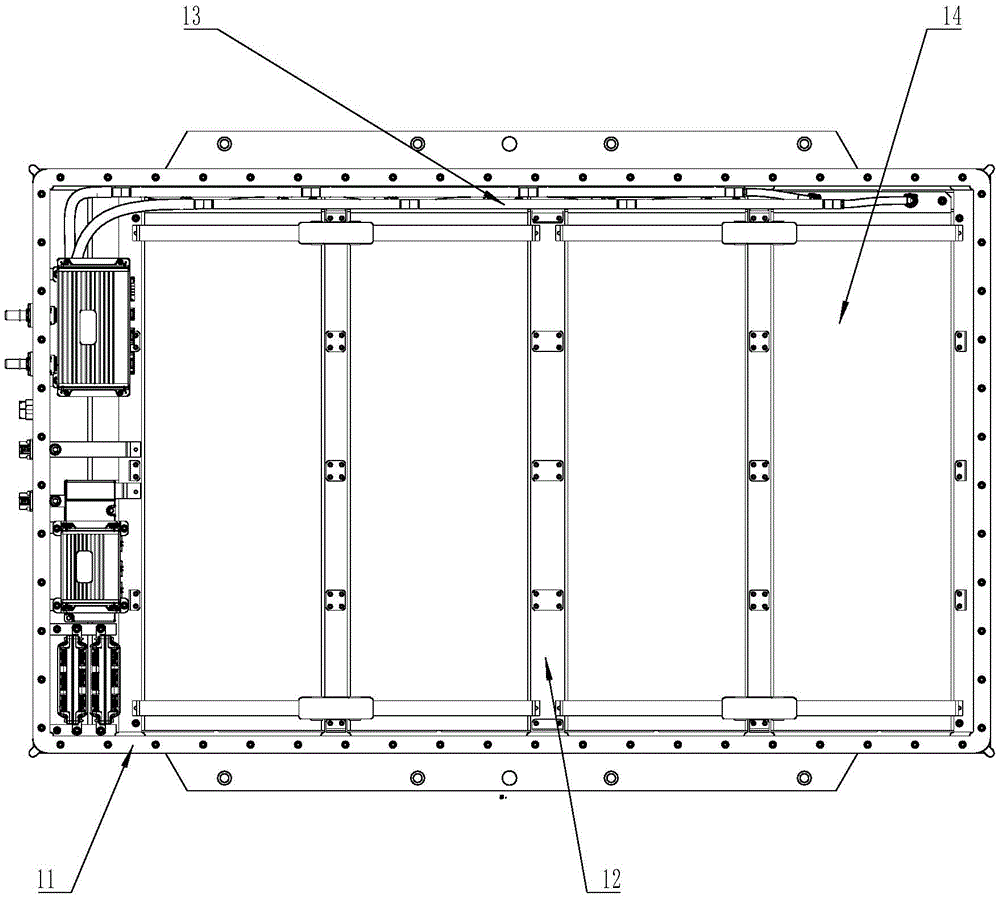
一种直流快充液冷电池系统
申请号:
201920848755.5
状态:
有权
申请日:
2019-06-05
申请人:
武汉科技大学
发明人:
肖喆、胡尔生
公开日:
代理机构:
主分类号:
H01M10/613(20140101)
我要购买
摘要:
本实用新型涉及一种直流快充液冷电池系统。电池系统包括电池以及与所述电池热导接的液冷系统,所述电池包括电池箱体、设置在所述电池箱体内的电芯模组、设置在所述电池箱体的底壁上且与所述电芯模组的位置对应的至少一个液冷板、分别与各所述液冷板连通的冷却液管道、包覆于所述冷却液管道外的保温棉以及填充设置于所述电芯模组空隙间的海绵体,所述海绵体内吸附有绝缘液体。本实用新型的技术方案可以保证电池的性能与寿命。
[发明]
一种直流快充液冷电池系统及其热管理方法
申请号:
201910488034.2
状态:
审中-实审
申请日:
2019-06-05
申请人:
武汉科技大学
发明人:
肖喆、胡尔生
公开日:
2019-09-06
代理机构:
北京轻创知识产权代理有限公司11212
主分类号:
H01M10/613(2014.01)I
我要购买
摘要:
本发明涉及一种直流快充液冷电池系统及其热管理方法。电池系统包括电池以及与所述电池热导接的液冷系统,所述电池包括电池箱体、设置在所述电池箱体内的电芯模组、设置在所述电池箱体的底壁上且与所述电芯模组的位置对应的至少一个液冷板、分别与各所述液冷板连通的冷却液管道、包覆于所述冷却液管道外的保温棉以及填充设置于所述电芯模组空隙间的海绵体,所述海绵体内吸附有绝缘液体。本发明的技术方案可以保证电池的性能与寿命。
[发明]
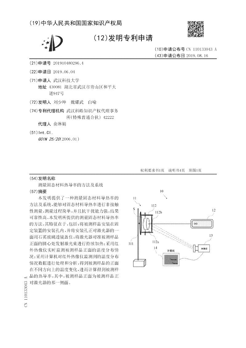
测量固态材料热导率的方法及系统
申请号:
201910480296.4
状态:
审中-实审
申请日:
2019-06-04
申请人:
武汉科技大学
发明人:
刘少坤、魏耀武、白喻
公开日:
2019-08-16
代理机构:
武汉科皓知识产权代理事务所(特殊普通合伙)42222
主分类号:
G01N25/20(2006.01)I
我要购买
摘要:
本发明提供了一种测量固态材料导热率的方法及系统,能够对固态材料导热率进行非接触性测量,测量过程简单,并且抗干扰能力强,结果可靠性高。本发明所提供的测量固态材料导热率的方法,其特征在于,包括:将被测样品安装在固定装置的安装孔内,并将安装孔正对激光器的一面用石英玻璃透镜盖住;将激光器对准被测样品正面的圆心处发射激光束进行持续加热;采用红外热像仪实时监测被测样品正面的温度分布情况;采用计算机对红外热像仪监测到的温度分布情况数据进行处理和分析,得到被测样品的正面在不同方向上的温度变化,进而计算得到被测样品的热导率,其中,被测样品正面为被测样品正对激光器的那一侧面。
[发明]
一种垃圾异味防治地埋式处理装置
申请号:
201910482236.6
状态:
审中-实审
申请日:
2019-06-04
申请人:
武汉科技大学
发明人:
陈道家、江志刚、王三平、刘驿轩、彭宏、丁周阳
公开日:
2019-08-20
代理机构:
武汉科皓知识产权代理事务所(特殊普通合伙)42222
主分类号:
B65F1/14(2006.01)I
我要购买
摘要:
本发明公开了一种垃圾异味防治地埋式处理装置,包括垃圾处理箱,垃圾处理箱为顶部和后侧开口的腔体结构,垃圾处理箱上设有开口向下的“匚”形的支撑架,支撑架上固定有推动装置和异味检测箱,推动装置内设有可竖直方向上下伸缩的推杆,推杆的底部固定有垃圾压实板,垃圾处理箱上设有为推动装置提供动力的动力装置,异味检测箱内设有异味灵敏器、控制器和内设有农药的储液箱,储液箱上安装有出液管,出液管上设有阀门,出液管的末端设有喷洒头。本发明的目的是提供一种垃圾异味防治地埋式处理装置,可在防治异味时同时对垃圾进行压实处理。
[发明]
一种雾天图像显著目标检测方法
申请号:
201910481371.9
状态:
审中-实审
申请日:
2019-06-04
申请人:
武汉科技大学
发明人:
徐新、朱昕、穆楠
公开日:
2019-09-06
代理机构:
杭州宇信知识产权代理事务所(普通合伙)33231
主分类号:
G06K9/00(2006.01)I
我要购买
摘要:
本发明公开了一种雾天图像显著目标检测方法,包括如下步骤:步骤一、在频率域对雾天图像进行颜色空间转换计算其显著性,求出频域显著图;步骤二、在空间域对雾天图像进行超像素分割并对每一个超像素块计算其显著性,求出空域显著图;步骤三、将图像在频域中的显著图与空域中的显著图通过离散平稳小波变换融合成一张显著图;步骤四、通过目标轮廓检测模型得到雾天图像的轮廓图;步骤五、将基于频域和空域融合后的显著图与轮廓图相加得到最终显著图。该方法将传统机器方法和深度学习方法相结合,提高了传统显著目标检测的鲁棒性,能够高效、准确地检测出雾天场景下的显著目标;同时对于一些背景较复杂的图像,也能够很好的提取出显著性目标。
[发明]
一种防护安全帽
申请号:
201910477963.3
状态:
审中-实审
申请日:
2019-06-03
申请人:
武汉科技大学
发明人:
陈俊伟、肖贻昊、张旭
公开日:
2019-09-17
代理机构:
北京轻创知识产权代理有限公司11212
主分类号:
A42B3/04(2006.01)I
我要购买
摘要:
本发明涉及一种防护安全帽,其由外向内依次包括外壳、缓冲层、保温层和帽兜,所述外壳的前沿转动连接防护镜,所述缓冲层固定连接所述外壳,所述保温层固定连接所述缓冲层的内表面,所述帽兜固定连接所述保温层的内表面,所述保温层和所述帽兜的下端周边可拆卸连接所述外壳。本发明提供的安全帽结构简单功能多样化,安全帽顶端设有缓冲层,能很好地起到缓冲作用。其设置的保温层通过水囊保温以及微型喷雾器降温作用,有效改善了使用者的使用环境。
[发明]
一种含锆堇青石莫来石复相材料及其制备方法
申请号:
201910475596.3
状态:
审中-实审
申请日:
2019-06-03
申请人:
武汉科技大学
发明人:
李远兵、李仕祺、向若飞、李淑静
公开日:
2019-09-06
代理机构:
武汉科皓知识产权代理事务所(特殊普通合伙)42222
主分类号:
C04B33/132(2006.01)I
我要购买
摘要:
本发明涉及一种含锆堇青石莫来石复相材料及其制备方法。其技术方案是:先以3.0~32.0wt%的粘土、19.0~30.0wt%的滑石粉和40.0~75.0wt%的蓝晶石尾矿为原料,外加所述原料150~200wt%的水、3~6wt%的聚乙烯醇、0.5~2.0wt%的氧化钛和0.5~2.0wt%的氧化钇,球磨4~10h,得到混合料;再将所述混合料机压成型,干燥,在1300~1420℃条件下保温3~7h,自然冷却,制得含锆堇青石莫来石复相材料。所述蓝晶石尾矿的化学成分是:SiO
2
含量≥35.6wt%,Al
2
O
3
含量≥50.0wt%,ZrSiO
4
≥10.4wt%。本发明具有资源化程度高、环境友好、工艺简单和生产成本低的特点;所制备的含锆堇青石莫来石复相材料线变化率小、耐压强度大和使用温度高。
[发明]
添加氮化硅镁粉体的低碳镁碳耐火材料及其制备方法
申请号:
201910470945.2
状态:
审中-实审
申请日:
2019-05-31
申请人:
武汉科技大学
发明人:
丁军、王杏、曹桂莲、邓承继、余超、祝洪喜
公开日:
2019-08-20
代理机构:
武汉科皓知识产权代理事务所(特殊普通合伙)42222
主分类号:
C04B35/043(2006.01)I
我要购买
摘要:
本发明涉及一种添加氮化硅镁粉体的低碳镁碳耐火材料及其制备方法。其技术方案是:以40~55wt%的电熔镁砂颗粒、30~45wt%的电熔镁砂细粉、5~8wt%的鳞片石墨、3.5~6wt%的酚醛树脂和2~7wt%的氮化硅镁粉体为原料;在40~50℃和磁力搅拌条件下,将氮化硅镁粉体分3~5次加入所述酚醛树脂中,每次搅拌15~20min,得到混合物。在搅拌条件下,先加入电熔镁砂颗粒,再加入部分混合物,搅拌;然后加入电熔镁砂细粉,搅拌,再加入其余混合物,搅拌;最后加入鳞片石墨,搅拌,压制成型,固化,在高温管式炉中于氩气气氛和1200~1500℃条件下保温2~3h,冷却,制得添加氮化硅镁粉体的低碳镁碳耐火材料。本发明所制制品的抗热震性好和常温力学性能高。
[发明]
一种大小鼠性别识别与分拣系统
申请号:
201910467281.4
状态:
审中-实审
申请日:
2019-05-31
申请人:
武汉科技大学
发明人:
王蕾、张泽琳、夏思涵、刘翔、夏绪辉、曹建华
公开日:
代理机构:
主分类号:
B07C5/34(20060101)
我要购买
摘要:
本发明公开了一种大小鼠性别识别与分拣系统,包括驱赶平台,用于将驱赶平台上笼具中的大小鼠赶出;实验鼠分类滑道,与所述驱赶平台连接,用于将大小鼠向下滑动并分离成独立的个体;线阵工业相机,位于所述实验鼠分类滑道的下方,用于拍摄大小鼠腹部图像,调用图像处理专用算法计算大小鼠生殖器与肛门之间的距离,据此判别大小鼠的性别与体型大小;实验鼠管道,与所述实验鼠分类滑道相连,用于将不同性别与大小的大小鼠送入到实验鼠分拣区域。本发明能够将大批量性成熟的实验大小鼠进行性别区分并将大小鼠按照不同性别分装在不同区域,高效、准确实现实验鼠按性别分类,节省大量时间,且极大减少了外界因素对大小鼠造成的污染。
[实用新型]
一种道路桥梁安全防护栏
申请号:
201920806499.3
状态:
有权
申请日:
2019-05-31
申请人:
武汉科技大学
发明人:
潘宇、王世力
公开日:
代理机构:
主分类号:
E01D19/10(20060101)
我要购买
摘要:
本实用新型公开了一种道路桥梁安全防护栏,包括主杆、安装底座、防撞杆以及缓冲组件,所述主杆的底部设有安装底座,所述主杆的两侧对称分布紧固套环,所述主杆的两侧固定连接支杆,所述支杆之间平均分布防撞杆,所述支杆的顶部设有警示组件,所述警示组件包括警示灯、太阳能电池板和插杆。该一种道路桥梁安全防护栏,通过在主杆的背面设有缓冲组件,并和支撑杆结合在一起,使得主杆、支撑杆和地面之间形成一个稳定性三角形形状,当有车辆意外的撞击到防护栏时,首先主杆背面的缓冲组件会将大部分撞击力卸掉,并且支撑杆可以很好的抵住主杆不被车辆撞变形,杜绝了车辆翻出防护栏掉落出去的情况,提升了整体的安全防护性能。
[实用新型]
一种基于单片机的智能提醒拉链及智能提醒包
申请号:
201920814274.2
状态:
有权
申请日:
2019-05-31
申请人:
武汉科技大学
发明人:
吴兵华、周玲、郝石东
公开日:
代理机构:
主分类号:
A45C13/10(20060101)
我要购买
摘要:
本实用新型公开了一种基于单片机的智能提醒拉链及智能提醒包,包括第一拉链头、第二拉链头和两条相互配对的布带,两条布带相互对应的边缘上均均匀间隔且错位的设有多个牙齿件,且第一拉链头和第二拉链头均分别通过牙齿件滑动设置在两条布带之间,两条布带的一端通过上止件固定连接在一起,两条布带的另一端通过下止件固定连接在一起,第一拉链头由磁性材料制成,第二拉链头上固定设有基于单片机设置的电子报警器,且电子报警器和第一拉链头相互配合用于检测拉链的开合状态。基于单片机,实现对拉链拉合状态的实时检测,以及时提醒使用者拉合拉链,帮助使用者在紧急匆忙的情况下仍不忘将拉链拉合,有效防止物品丢失。
[发明]
一种基于红外线模拟人工信息素的群体机器人系统
申请号:
201910470656.2
状态:
审中-实审
申请日:
2019-05-31
申请人:
武汉科技大学
发明人:
雷斌、韩晓、郑超学、郭小沛、陈家栋
公开日:
2019-09-03
代理机构:
武汉科皓知识产权代理事务所(特殊普通合伙)42222
主分类号:
G05D1/02(2006.01)I
我要购买
摘要:
本发明公开了一种基于红外线模拟人工信息素的群体机器人系统,包括透光基板、多个可以在玻璃基板运动的群体机器人和多个红外收发中继器,每个所述群体机器人均设有红外收发器,红外收发器包括两个对称的红外接收器和按照多个方位设置的多个红外发射器;所述红外收发中继器包括锥形外壳、锥形内壳、红外接收器和红外发射器,锥形内壳同轴的固定于锥形外壳内,红外发射器设于锥形外壳和锥形内壳之间,锥形外壳的内面为红外反射面,群体机器人利用红外收发器相互通信以及与红外收发中继器通信,利用基于虚拟信息素的蚁群算法在透光基板上运动。本发明群体机器人局部的通信稳定,整体的控制上简单方便,不用人工做过多干预,有较强的抗干扰能力。
[发明]
一种基于熔盐法的氮化硅镁粉体及其制备方法
申请号:
201910472618.0
状态:
审中-实审
申请日:
2019-05-31
申请人:
武汉科技大学
发明人:
丁军、曹桂莲、王杏、邓承继、余超、祝洪喜
公开日:
2019-09-17
代理机构:
武汉科皓知识产权代理事务所(特殊普通合伙)42222
主分类号:
C01B21/082(2006.01)I
我要购买
摘要:
本发明涉及一种基于熔盐法的氮化硅镁粉体及其制备方法。其技术方案是:以27~30wt%的镁粉、45~48wt%的氮化硅粉、13~16wt%的氯化钾和10~13wt%的氯化钠为原料配料,外加原料0.02~0.05wt%的添加剂。以乙醇溶液为介质,将镁粉和氮化硅粉球磨,干燥,研磨,加入氯化钾、氯化钠和添加剂,球磨。然后压制成片状,在氮气气氛下以5~10℃/min的速率升温至600~900℃,再以3~5℃/min的速率升温至1100~1400℃,保温,随炉冷却,破碎,酸溶液中浸泡,用蒸馏水洗涤,烘干,制得基于熔盐法的氮化硅镁粉体。本发明具有合成温度低、生产周期短、生产成本低和可工业化生产的特点,所制备的基于熔盐法的氮化硅镁粉体热导率和纯度高。
[实用新型]
一种加强自然水循环的蒸汽锅炉蒸发器
申请号:
201920812588.9
状态:
有权
申请日:
2019-05-31
申请人:
武汉科技大学
发明人:
王晓东、龚再宇、王晨霞、田磊、余治磊、王政
公开日:
代理机构:
主分类号:
F22B21/02(20060101)
我要购买
摘要:
本实用新型公开了一种加强自然水循环的蒸汽锅炉蒸发器,包括汽包、下联箱、上联箱、上升管管簇和下降管,所述上升管管簇下端与下联箱相连,上端与上联箱相连,所述上联箱顶部与气泡相连,所述汽包底部通过下降管与下联箱底部相连形成水循环,所述汽包顶部设有蒸汽出口管,所述蒸汽出口管与下降管中部通过涡轮增压装置相连,所述涡轮增压装置利用高压的蒸汽作为动力为下降管提供向下的抽吸力,所述上联箱通过螺旋管与汽包相连,所述螺旋管内设有螺旋形流道。本实用新型能够提高自然水循环的流速,有效防止发生停滞、倒流故障和减弱汽水分层故障。
[发明]
一种节能型堇青石锆英石复相材料及其制备方法
申请号:
201910472477.2
状态:
审中-实审
申请日:
2019-05-31
申请人:
武汉科技大学
发明人:
向若飞、李远兵、李淑静、王海路、李仕祺
公开日:
2019-09-06
代理机构:
武汉科皓知识产权代理事务所(特殊普通合伙)42222
主分类号:
C04B35/195(2006.01)I
我要购买
摘要:
本发明涉及一种节能型堇青石锆英石复相材料及其制备方法。其技术方案是:先以40~60wt%的锆英石尾矿、35~50wt%的滑石细粉和5~15wt%的氧化铝细粉为原料,外加所述原料40~50wt%的水、2~4wt%的聚乙烯醇和0.4~0.8wt%的氧化铈细粉,混合,球磨6~8h,得到料浆;再将所述料浆喷雾造粒,得到颗粒状粉体,然后将所述颗粒状粉体机压成型,在1350~1420℃条件下保温8~10h,自然冷却,即得节能型堇青石锆英石复相材料。本发明具有生产成本低、绿色环保和便于规模化生产的特点;所制备的节能型堇青石锆英石复相材料不仅强度高、节能效果显著和热震稳定性好,且使用范围广。
[发明]
一种节能型莫来石氧化锆复相耐火材料及其制备方法
申请号:
201910472476.8
状态:
审中-实审
申请日:
2019-05-31
申请人:
武汉科技大学
发明人:
向若飞、李远兵、李淑静、王海路、周子孟
公开日:
2019-09-03
代理机构:
武汉科皓知识产权代理事务所(特殊普通合伙)42222
主分类号:
C04B35/66(2006.01)I
我要购买
摘要:
本发明涉及一种节能型莫来石氧化锆复相耐火材料及其制备方法。其技术方案是:按Al
2
O
3
∶SiO
2
的质量比为(2.55~2.85)∶1,将锆英石尾矿和矾土混合,即得混合料;再外加所述混合料3~5wt%的氧化钛、0.6~0.8wt%的氧化镧、4~6wt%的聚乙烯醇和30~40wt%的水,球磨5~7h,得到球磨料;然后将所述球磨料挤出成型,干燥,在1550~1650℃条件下保温4~8小时,自然冷却,制得节能型莫来石氧化锆复相耐火材料。本发明具有生产成本低、环境污染小和易于工业化生产的特点。所制备的莫来石氧化锆复相耐火材料较低的热膨胀系数低、的节能效果好和使用范围广。
[发明]
一种自动化孕期母鼠养殖的方法
申请号:
201910467240.5
状态:
审中-实审
申请日:
2019-05-31
申请人:
武汉科技大学
发明人:
夏思涵、刘翔、张泽琳、周诚、王蕾、夏绪辉、曹建华
公开日:
代理机构:
主分类号:
A01K67/02(20060101)
我要购买
摘要:
本发明公开了一种自动化孕期母鼠养殖的方法,包括在每个笼具上设置RFID、AGV搬运机器人将对应笼具从货架上取下,运往换鼠工作台、及时处理发生母鼠死亡的笼具、对母鼠的妊娠状况进行监测、若有小鼠出生,则RFID读写器重置笼具上的RFID存储信息、通过生殖处理通道将笼具运往小鼠的性别识别和分拣的工作间。本发明的母鼠养殖方法应用于实验动物养殖单位在屏障环境下规模化、自动化养殖大小鼠的生产活动中,满足科研院所、高校、医院、制药厂等客户群体对实验大小鼠的质量要求。本发明将图像处理以及自动换笼等技术应用于孕期母鼠的自动化养殖过程中,降低了人工养殖过程中的干扰因素,减少了外界对实验鼠养殖的刺激,能够培育出品质更加优良的实验幼鼠。
[发明]
原位氮化生成氮化硅镁结合镁碳耐火材料及其制备方法
申请号:
201910473048.7
状态:
审中-实审
申请日:
2019-05-31
申请人:
武汉科技大学
发明人:
丁军、曹桂莲、邓承继、王杏、余超、祝洪喜
公开日:
2019-09-10
代理机构:
武汉科皓知识产权代理事务所(特殊普通合伙)42222
主分类号:
C04B35/043(2006.01)I
我要购买
摘要:
本发明涉及一种原位氮化生成氮化硅镁结合镁碳耐火材料及其制备方法。其技术方案是:所述氮化硅镁结合镁碳耐火材料的成分及其含量是:电熔镁砂颗粒为33~45wt%;电熔镁砂细粉为25~33wt%;鳞片石墨为5~8wt%;硅粉为15~20wt%;酚醛树脂为3.5~6wt%;氧化钇粉体为3~5wt%。其制备方法是:将氧化钇粉体加入酚醛树脂中,经磁力搅拌后与电熔镁砂颗粒、电熔镁砂细粉、鳞片石墨和硅粉置入混料机中,混合,压制成型,固化,然后置于高温管式炉中,在氮气气氛下以不同的速率先升温至800~900℃,再于1200~1400℃保温,随炉冷却至室温,制得原位氮化生成氮化硅镁结合镁碳耐火材料。本发明操作简单和烧成温度低,所制制品的耐压强度、抗折强度和抗热震性好。
首页
上一页
101
102
103
104
105
106
107
108
109
110
下一页
尾页
当前共找到
8115
个专利记录
,当前显示页码
108/406