首页
专利查询
专利购买
专利转让
专利申请
15071489439
当前位置:
专利巴士
专利查询
专利名称
查询
高级查询
当前共找到
8115
个专利记录
,当前显示页码
122/406
专利名称
申请号
申请人
发明人
专利代办机构
[发明]
一种铈改性炭基负载Fe
3
O
4
仿酶催化剂及其制备方法
申请号:
201910179993.6
状态:
审中-实审
申请日:
2019-03-11
申请人:
武汉科技大学
发明人:
李文兵、邓萌、王光华、张政、陈铁、黄慧
公开日:
2019-06-14
代理机构:
武汉科皓知识产权代理事务所(特殊普通合伙)42222
主分类号:
B01J23/83(2006.01)I
我要购买
摘要:
本发明涉及一种铈改性炭基负载Fe
3
O
4
仿酶催化剂及其制备方法。其技术方案是:将氢氧化钾和炭基材料混合,微波活化,冷却;通入水蒸气,洗涤,烘干;再于硝酸铈溶液中磁力搅拌,干燥,加入镍坩埚中于管式炉中,在氮气气氛和300~500℃煅烧,得改性炭基材料Ⅲ。向改性炭基材料Ⅲ中加入混合铁盐和去离子水,用NaOH溶液调pH值,在氮气气氛和60~80℃的条件下反应0.5~1.5h;然后将得到的黑色悬浮液静置,取下层沉淀物;用去离子水和无水乙醇交替洗涤至中性,在40~60℃和0.05~0.08MPa条件下干燥2~4h,制得铈改性炭基负载Fe
3
O
4
仿酶催化剂。本发明生产成本低,所制备的铈改性炭基负载Fe
3
O
4
仿酶催化剂对染料废水的去除效率高。
[发明]
一种非线性光学材料二氯镉二钒酸二铯及其制备方法与应用
申请号:
201910175276.6
状态:
审中-实审
申请日:
2019-03-08
申请人:
武汉科技大学
发明人:
李艳军、李轩科、董志军、丛野、张江、袁观明、崔正威
公开日:
2019-06-07
代理机构:
湖北武汉永嘉专利代理有限公司42102
主分类号:
C30B1/10(2006.01)I
我要购买
摘要:
本发明公开了一种非线性光学材料二氯镉二钒酸二铯,其分子式为Cs
2
CdV
2
O
6
Cl
2
,晶体为单斜晶系,空间群为Cm(No.8),主要晶体学参数为
α=γ=90.00°,β=90.404(2)°,Z=2和
该材料有较大的可相位匹配的二阶非线性光学系数;在紫外、可见光区和红外光区有较宽的透光窗口;具有良好的热稳定性;其合成方法:分别将含铯元素、镉元素、钒元素和氯元素的原料,加入到研钵中研磨,混合均匀,转移至坩埚中,置于程序升温的马弗炉中,保温反应,缓慢降温至室温,即可得到淡黄色透明的晶体。本发明具有操作简单、实验条件温和、产品纯度高;可利用简单的固相合成法得到化合物的晶体等优点;该晶体材料能广泛应用于光学等领域。
[发明]
一种非线性光学材料一溴镉四钒酸三铯及其制备方法与应用
申请号:
201910175263.9
状态:
审中-实审
申请日:
2019-03-08
申请人:
武汉科技大学
发明人:
李艳军、李轩科、董志军、丛野、张江、袁观明、崔正威
公开日:
2019-06-07
代理机构:
湖北武汉永嘉专利代理有限公司42102
主分类号:
C30B29/12(2006.01)I
我要购买
摘要:
本发明公开了一种非线性光学材料一溴镉四钒酸三铯,其分子式为Cs
3
CdV
4
O
12
Br,晶体为四方晶系,空间群为Cmm2(No.35),主要晶体学参数为
α=β=γ=90.00°,Z=2和
该材料的突出特点是:有较大的可相位匹配的二阶非线性光学系数;在紫外、可见光区和红外光区有较宽的透光窗口和良好热稳定性;其典型的合成方法:分别称取原料,加入到研钵中研磨,混合均匀,转移至坩埚中,盖上盖子,置于程序升温的马弗炉中反应,缓慢降温至室温,即可得到淡黄色透明的晶体。本发明具有操作简单、实验条件温和、产品纯度高;可利用简单的固相合成法得到化合物的晶体等优点;该晶体材料能广泛应用于光学等领域。
[发明]
一种河道监测管理系统、方法、装置和可读存储介质
申请号:
201910178367.5
状态:
审中-实审
申请日:
2019-03-08
申请人:
武汉科技大学
发明人:
成明、郭媛、卢小凯、李炜龙、李朝朝
公开日:
2019-08-02
代理机构:
北京轻创知识产权代理有限公司11212
主分类号:
G05B19/042(2006.01)I
我要购买
摘要:
本发明涉及一种河道监测管理系统、方法、装置和可读存储介质。其中,所述河道监测管理方法包括:接收河道监测信息;对包括所述河道监测信息在内的系统数据进行存储;根据来自用户层的用户指令调用所述系统数据进行分析,获得河道监测决策数据并向所述用户层反馈所述河道监测决策数据;接收用户指令并将用户指令发送至监测应用层,接收并向用户反馈所述河道监测决策数据。本发明的技术方案可以改善现有执法手段监管河流存在的人力资源消耗大,监控效率低的问题。
[发明]
一种检测混凝土厚度的冲击回波方法
申请号:
201910172134.4
状态:
审中-公开
申请日:
2019-03-07
申请人:
武汉科技大学
发明人:
方翔、王志刚、刘昌明、周迪
公开日:
代理机构:
主分类号:
G01B17/02(20060101)
我要购买
摘要:
本发明公开了一种检测混凝土厚度的冲击回波方法,对被测混凝土表面施加机械冲击产生瞬时应力波,利用应力波中的纵波对混凝土进行无损检测;由机械冲击产生的应力波传播到混凝土结构中,遇到介质波阻抗不连续的界面时发生反射透射或绕射;当反射回波到达结构表面会再次被反射进入结构内部,这样多次的往复反射将激发结构的局部瞬态共振,从而使波形具有周期性特征;在信号的频谱中表现为对应于结构厚度或缺陷深度的频率峰值,通过对测试得到的回波信号进行频谱分析便可辨识被测混凝土结构的厚度与内部质量状况。本发明通过冲击回波法检测混凝土厚度,比较了不同冲击源对冲击回波信号的影响,提高了冲击回波法的检测效率。
[发明]
一种可变式多旋翼植保无人机涵道装置
申请号:
201910171935.9
状态:
审中-实审
申请日:
2019-03-07
申请人:
武汉科技大学
发明人:
汪朝晖、李毅轩、樊佳荣、周琳、冯亚楠、徐文侠、甘霖
公开日:
2019-05-31
代理机构:
上海精晟知识产权代理有限公司31253
主分类号:
B64D29/00(2006.01)I
我要购买
摘要:
本发明公开了一种可变式多旋翼植保无人机涵道装置,包括无人机悬臂和曲线涵道,无人机悬臂的外侧固定连接有两个锁止机构,曲线涵道的内壁固定连接有悬臂安装位,悬臂安装位的内部固定连接有悬臂安装板,所述锁止机构的一端与悬臂安装板固定连接,所述曲线涵道的表面开设有支架安装孔,所述支架安装孔呈十字型对称分布,且曲线涵道的内部设置有涵道支架,本发明涉及植保无人机技术领域。该可变式多旋翼植保无人机涵道装置,通过无刷电机带动旋翼旋转,涵道前缘顶端唇口弧度较大,气流流速加大形成低压区,气流通过涵道过渡段经过旋翼进入涵道后缘,当旋翼旋转时候,上部低压区和下部高压区形压力差从而产生升力。
[实用新型]
抗变形抗开裂的冶金渣罐
申请号:
201920271817.0
状态:
有权
申请日:
2019-03-04
申请人:
武汉科技大学
发明人:
但斌斌、霍玉峰、常智、王文贵、代梦伟、保赪、丁进军、钟毅
公开日:
2019-11-15
代理机构:
42102湖北武汉永嘉专利代理有限公司
主分类号:
C21B3/10(20060101)
我要购买
摘要:
本实用新型公开了一种抗变形抗开裂的冶金渣罐,包括渣罐本体以及位于渣罐本体上的上圆环、中圆环以及耳轴,其中,上圆环和中圆环均环绕于渣罐本体的外侧壁设置,中圆环与渣罐本体的罐底板之间距离为渣罐本体高度的60%~70%,渣罐本体的外侧壁上还固定有V型筋板,该V型筋板的两端分别与上圆环和中圆环固定连接。本实用新型提出的抗变形抗开裂的冶金渣罐,通过采用V型筋板,可防止其产品尤其是罐体的变形或开裂,可将罐体使用寿命延长三分之一,既提高了产品质量,又降低了企业制造成本,其社会经济效益显著。
[发明]
一种含缩酮结构的热修复聚氨酯弹性体及其制备方法
申请号:
201910160761.6
状态:
审中-实审
申请日:
2019-03-04
申请人:
武汉科技大学
发明人:
代巧丽、陈红祥、赵丹、周瑜
公开日:
2019-06-18
代理机构:
武汉华旭知识产权事务所42214
主分类号:
C08G18/83(2006.01)I
我要购买
摘要:
本发明提供了一种含缩酮结构的热修复聚氨酯弹性体及其制备方法,属于弹性体生产技术领域。首先将聚合物多元醇加入反应器中,真空脱水,再加入二异氰酸酯反应后,加入缩水甘油继续反应,得到环氧封端的聚氨酯预聚体;向预聚体中加入低沸点溶剂混合均匀,添加催化剂对甲苯磺酸和蒸馏水,然后将二元酮加入至反应器中反应;反应结束后加入碱中和对甲苯磺酸,水洗至滤液呈中性;将反应混合物除水,浇注,室温放置脱模后再硫化,即得到含缩酮结构的热修复聚氨酯弹性体。本发明中聚氨酯弹性体的修复不依赖于酸性催化剂,在加热条件下即能实现自修复,所得到的聚氨酯弹性体可用于柔性电子器件和生物医用材料。
[发明]
一种基于GASVM-AUKF算法的锂电池剩余寿命预测方法
申请号:
201910160991.2
状态:
审中-实审
申请日:
2019-03-04
申请人:
武汉科技大学
发明人:
张永、薛志伟、袁烨、郑英
公开日:
2019-06-14
代理机构:
北京路浩知识产权代理有限公司11002
主分类号:
G01R31/392(2019.01)I
我要购买
摘要:
本发明实施例提供了一种基于GASVM‑AUKF算法的锂电池剩余寿命预测方法,包括:获取锂电池的容量数据,并根据所述容量数据建立状态空间方程;基于所述状态空间方程和自适应无迹卡尔曼滤波AUKF算法,获取锂电池对应的残差数据;基于支持向量机SVM算法,计算所述残差数据的预测值;基于所述AUKF算法和所述残差数据的预测值,预测所述锂电池的电池剩余寿命。本发明实施例提供的锂电池剩余寿命预测方法及系统,采用AUKF算法,可以实现过程噪声协方差与观测噪声协方差的自适应更新,降低噪声对整体滤波效果的影响,提高滤波精度,实现准确的剩余寿命预测结果。
[发明]
一种原位AlN-B
4
C增强的碳化硅蜂窝陶瓷及其制备方法
申请号:
201910160682.5
状态:
审中-实审
申请日:
2019-03-04
申请人:
武汉科技大学
发明人:
邓承继、柯露、余超、丁军、祝洪喜、吴郑敏
公开日:
2019-04-26
代理机构:
武汉科皓知识产权代理事务所(特殊普通合伙)42222
主分类号:
C04B35/565(2006.01)I
我要购买
摘要:
本发明涉及一种原位AlN‑B
4
C增强的碳化硅蜂窝陶瓷及其制备方法。其技术方案是:先向主料中加入金属氧化物和结合剂,混合均匀;再将倒入真空挤出机中,成型,干燥;然后置入真空热压炉中,在氮气气氛中升温至1800~2200℃,保温,冷却,即得原位AlN‑B
4
C增强的碳化硅蜂窝陶瓷。所述主料是由65~75wt%的粒度为5~50μm的碳化硅粉、20~25wt%的粒度为0.05~0.5μm的碳化硅粉和3~11wt%的铝硼碳粉混合而成;所述金属氧化物的加入量为主料的1~5wt%;所述结合剂是由纤维素、表面活性剂、植物油、甘油和水混合而成。本发明生产效率高和生产成本低,所制制品微观结构良好、微孔分布均匀、机械强度高和对废气的净化能力强。
[发明]
采用SLM制备碳化硅氮化铝复合材料异形零件的方法
申请号:
201910157636.X
状态:
审中-实审
申请日:
2019-03-01
申请人:
武汉科技大学
发明人:
李发亮、张家莲、张海军、张少伟
公开日:
2019-07-05
代理机构:
成都时誉知识产权代理事务所(普通合伙)51250
主分类号:
C04B35/565(2006.01)I
我要购买
摘要:
本发明公开了采用SLM制备碳化硅/氮化铝复合材料异形零件的方法,包括如下步骤:S1.将金属铝粉和硅粉混合均匀,得到混合粉体;S2.将S1中得到的混合粉体在氩气保护气氛下进行SLM成型,得到硅/铝复合材料异形零件坯体;S3.将S2中得到的坯体埋碳,之后进行微波氮化处理,冷却后即得碳化硅/氮化铝复合材料异形件。采用本发明中的SLM方法,成形零件尺寸误差在0.01mm以内,且表面光滑,基本不需后续处理可直接使用,成本低;同时,本发明中的碳化硅/氮化铝复合材料适应性强,可对各种难熔、难加工材料的加工成形。
[发明]
一种单反应电极半电解水装置
申请号:
201910155530.6
状态:
审中-实审
申请日:
2019-03-01
申请人:
武汉科技大学
发明人:
陈尧、陈政
公开日:
2019-04-26
代理机构:
武汉科皓知识产权代理事务所(特殊普通合伙)42222
主分类号:
C25B1/06(2006.01)I
我要购买
摘要:
本发明具体涉及一种单反应电极半电解水装置。其技术方案是:电解池(8)中装有电解液(9),电容电极(2)置于电解池(8)内的一侧,反应电极(5)置于电解池(8)内的另一侧;或在电解池(8)内壁和底部铺设有电容电极(2),铺设有电容电极(2)的电解池(8)内装有电解液(9),反应电极(5)位于电解液(9)中。集流体Ⅰ(3)与电源(1)的正极或负极连接,集流体Ⅱ(6)与电源(1)的对应负极或正极连接。当电容电极(2)为正极时,反应电极(5)为负极析出氢气;当电容电极(2)为负极时,反应电极(5)为正极析出氧气。本发明具有避免气体混合、显著降低装置成本、提高电解速率和降低电解能耗的特点。
[发明]
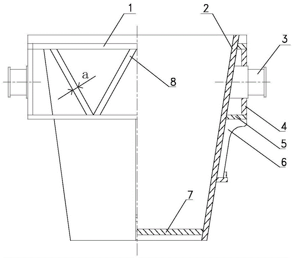
一种双反应电极半电解水装置
申请号:
201910155553.7
状态:
审中-实审
申请日:
2019-03-01
申请人:
武汉科技大学
发明人:
陈尧、陈政
公开日:
2019-06-18
代理机构:
武汉科皓知识产权代理事务所(特殊普通合伙)42222
主分类号:
C25B1/04(2006.01)I
我要购买
摘要:
本发明具体涉及一种双反应电极半电解水装置。其技术方案是:电解池(8)中的反应电极Ⅰ(5)和反应电极Ⅱ(10)位于电容电极(2)的两侧或另一侧;或在电解池(8)的内壁和底部铺设有电容电极(2),铺设有电容电极(2)的电解池(8)内装有电解液(9),反应电极Ⅰ(5)和反应电极Ⅱ(10)位于电解液(9)中。集流体Ⅰ(3)与电源(1)的正极连接,集流体Ⅱ(6)与电源(1)的负极连接,反应电极本体Ⅰ(7)上析出氢气;或集流体Ⅰ(3)与电源(1)的负极连接,集流体Ⅲ(11)与电源(1)的正极连接,反应电极本体Ⅱ(12)上析出氧气。本发明具有避免气体混合、降低装置成本、提高电解速率和能显著降低电解能耗的特点。
[实用新型]
一种智能餐厅机器人系统
申请号:
201920260709.3
状态:
有权
申请日:
2019-03-01
申请人:
武汉科技大学
发明人:
肖媛、郑秀娟、刘若云、黄静怡、高政、徐山、邓博阳
公开日:
代理机构:
主分类号:
B25J11/00(20060101)
我要购买
摘要:
本实用新型实施例提供一种智能餐厅机器人系统,该系统包括机器人本体,机器人本体包括头部、躯体和底盘。机器人本体内设置有智能点餐模块、主控模块和运动控制模块,智能点餐模块用于获取用户基本特征信息和历史消费信息进行分析,生成推荐菜单,并将推荐菜单展示在所述触摸屏。运动控制模块用于接收主控模块发送的控制指令,控制机器人将菜品运送到指定桌号。本实用新型实施例提供的智能餐厅机器人系统,通过设置智能点餐模块,获取用户基本特征信息和历史消费信息进行分析,生成推荐菜单,并将推荐菜单展示在所述触摸屏以供客户优先选择,能够提高用户的用餐体验,从而提高餐厅收益。
[发明]
基于快速多分离字典学习的风力机轴承故障诊断方法
申请号:
201910150310.4
状态:
审中-公开
申请日:
2019-02-28
申请人:
武汉科技大学
发明人:
王森林、吕勇、易灿灿、周明乐、李小彪
公开日:
代理机构:
主分类号:
G06K9/62(20060101)
我要购买
摘要:
本发明公开的基于快速多分离字典学习的风力机轴承故障诊断方法,包括以下步骤:获取风力机轴承信号,利用相空间重构将一维风力机故障信号重构到高维相空间,获得重构信号的矩阵,以此组成轴承故障诊断原始特征集Y;对上述样本矩阵进行分块,并通过K_means分类器按照不同的类别将样本矩阵分为L类;第i类矩阵信号,通过可分离字典学习进行优化和更新,并输出稀疏系数
可分字典A
i
,B
i
;重复上述步骤,获取所有稀疏系数和字典矩阵的集合,并通过2D_OMP算法进行重构;对信号Y
i
进行集成处理,得到Y',输出反映故障特征的信号Y',从而获得风力机轴承的非平稳故障信息;本发明不仅保持了高维信号中的局部空间相关性,还极大的提高了重构的效率。
[发明]
太阳直射光/行星反射光到达时间差分估测方法
申请号:
201910150558.0
状态:
审中-实审
申请日:
2019-02-28
申请人:
武汉科技大学
发明人:
刘劲、李阳阳、潘超、刘兰兰、何宇飞、康志伟
公开日:
2019-06-11
代理机构:
武汉科皓知识产权代理事务所(特殊普通合伙)42222
主分类号:
G01C21/02(2006.01)I
我要购买
摘要:
本发明公开了一种太阳直射光/行星反射光到达时间差分估测方法,其特征在于:在航天器上搭载两个光电设备,分别用于获取太阳视频和观测行星反射光强轮廓;根据行星反射光形成的机理,利用太阳视频构建行星反射光强轮廓;将构建的行星反射光强轮廓与观测的行星反射光强轮廓进行对比,得到到达时间差。本发明构建的行星反射光轮廓精度高,实时性好,对设备性能要求不高,能够支持高精度深空探测导航。
[发明]
一种用于岩土工程的岩土取样方法
申请号:
201910147413.5
状态:
审中-公开
申请日:
2019-02-27
申请人:
武汉科技大学
发明人:
熊中扬、陈斌、袁正夏、肖桂林
公开日:
2019-04-19
代理机构:
武汉泰山北斗专利代理事务所(特殊普通合伙)42250
主分类号:
G01N1/28(2006.01)I
我要购买
摘要:
本发明涉及一种用于岩土工程的岩土取样方法,包括:选址,选择具有典型完整的柱状节理分布特征的多处取样地点;混合,取出多处相同等份的处于不同取样地点的岩土,并进行搅拌混合;冻结,冻结所述取样地点处的岩土混合体;切割或钻芯,将冻结的岩土切割或钻取柱状岩芯。本发明采用冻结系统将取样范围内柱状节理岩土先行冷冻,使周围水冻结成冰并与岩土胶结成一体,从而完整且高强度的保持试样,最大限度保证能够从现场切割或取芯获取含有裂隙网络岩土的完整性;配合固定和保温材料避免了冻结岩样在运输过程中解冻和碰撞扰动导致软弱结构面张开破裂,并在岩土解冻以前加工成符合实验室标准尺寸的试样。
[发明]
工业控制网络攻防实验平台及半实物仿真方法
申请号:
201910142621.6
状态:
审中-实审
申请日:
2019-02-26
申请人:
武汉科技大学
发明人:
刘斌、陈景召、蒋峥、黄卫华
公开日:
2019-05-31
代理机构:
湖北武汉永嘉专利代理有限公司42102
主分类号:
H04L29/06(2006.01)I
我要购买
摘要:
本发明涉及一种工业控制网络攻防实验平台及半实物仿真方法,包括本地实验平台和远程实验平台;本地实验平台的仿真主机、PLC、工业触摸屏分别与工业以太网交换机连接而形成本地局域网;远程实验平台仿真主机通过互联网接入所述本地局域网;通过在各仿真主机和PLC上搭建具有网络攻击模拟模块和网络损伤模拟模块的实验系统,运行实验系统以调节各实验系统控制器参数,直至达到预期控制效果。既可以在本地网络中利用网络损伤技术模拟远程网络环境开展实验,又可以将远程网络设备部署于异地开展远程实验。能够发起远程网络攻击和本地网络攻击,提高了网络攻击的真实性。在真实性、可复用性和成本方面,能够满足绝大多数的网络攻防与控制的实验需求。
[发明]
一种航空涡扇发动机剩余使用寿命预测方法及系统
申请号:
201910140906.6
状态:
审中-实审
申请日:
2019-02-26
申请人:
武汉科技大学
发明人:
刘振兴、杨天琦、张永、袁烨
公开日:
2019-06-21
代理机构:
北京路浩知识产权代理有限公司11002
主分类号:
G01M15/14(2006.01)I
我要购买
摘要:
本发明实施例提供了一种航空涡扇发动机剩余使用寿命预测方法及系统,方法包括:获取航空涡扇发动机的检测数据,并根据所述检测数据判断所述航空涡扇发动机所处的退化阶段;基于航空涡扇发动机所处的退化阶段对应的经验模态分解方法,获取所述检测数据对应的特征向量;将所述检测数据对应的特征向量输入预先建立的航空涡扇发动机退化模型中,输出所述航空涡扇发动机的剩余使用寿命预测值。本发明实施例提供的航空涡扇发动机剩余使用寿命预测方法及系统,能够根据航空涡扇发动机的运行状态判断当前所处的退化阶段,预测剩余使用寿命,延长定期检修周期,降低运维成本。
[发明]
一种手动/自动一体的双路旋转轴制动液压系统
申请号:
201910140488.0
状态:
审中-实审
申请日:
2019-02-26
申请人:
江苏力源液压机械有限公司、武汉科技大学
发明人:
陈新元、桂晓江、杭骊
公开日:
2019-05-03
代理机构:
淮安市科文知识产权事务所32223
主分类号:
F15B1/02(2006.01)I
我要购买
摘要:
一种手动/自动一体的双路旋转轴制动液压系统,包括电动液压源单元、手动液压源单元、快充缓释蓄能单元、大扭矩轴制动单元和小扭矩轴制动。本系统在正常工况下由电动液压源单元输出高压油源,储存在快充缓释蓄能单元的蓄能器中,然后由蓄能器为大扭矩轴制动单元和小扭矩轴制动单元持续供给高压油,完成旋转轴的正常制动或释放工序。当电动液压泵或蓄能器出现故障,不能为系统提供高压油时,由维护人员手动操作液压源单元为大扭矩轴制动单元和小扭矩轴制动单元持续供给高压油,完成旋转轴的应急制动或释放工序。本发明实现手动/自动并联的冗余设计,系统可靠性高,具备设备正常时自动控制和设备故障时手动应急安全操作的功能。
首页
上一页
121
122
123
124
125
126
127
128
129
130
下一页
尾页
当前共找到
8115
个专利记录
,当前显示页码
122/406