首页
专利查询
专利购买
专利转让
专利申请
15071489439
当前位置:
专利巴士
专利查询
专利名称
查询
高级查询
当前共找到
8115
个专利记录
,当前显示页码
124/406
专利名称
申请号
申请人
发明人
专利代办机构
[实用新型]
一种图书馆防占座系统
申请号:
201920201359.3
状态:
有权
申请日:
2019-02-15
申请人:
武汉科技大学
发明人:
周家玉、汪敖、柳翀、朱轶炜、李小鹏、李雨
公开日:
代理机构:
主分类号:
A47B19/10(20060101)
我要购买
摘要:
一种图书馆防占座系统,包括桌子,桌子设置电源、检测模块、处理模块及升降装置,检测模块包括刷卡装置、人体检测模块及物品检测模块;处理模块包括第一无线通信模块及第二无线通信模块;升降装置包括第一电动升降柱;第一电动升降柱顶部设置物品检测模块,第二无线通信模块设置于图书馆管理员终端处;第二无线通信模块、刷卡装置、人体检测模块、物品检测模块、第一电动升降柱分别与第一无线通信模块连接,刷卡装置与电源连接。本实用新型能够防止学生用书本等物品占座,能够及时通知图书馆管理员清理座位,提高座位使用率。结构简单,使用方便,具有市场应用前景。
[发明]
利用转炉泥制备冷固球团的方法
申请号:
201910124606.9
状态:
审中-实审
申请日:
2019-02-14
申请人:
武汉科技大学
发明人:
薛正良、殷文强
公开日:
2019-04-16
代理机构:
北京酷爱智慧知识产权代理有限公司11514
主分类号:
C22B1/248(2006.01)I
我要购买
摘要:
本发明涉及利用转炉泥制备冷固球团的方法,包括如下步骤:首先将转炉泥烘干,然后在转炉泥中加入其重量百分比0.1%~3%的粘结剂,然后用强力压球机将所述转炉泥压块;将所述转炉泥在室温下静置,得到冷固球团。本发明的利用转炉泥制备冷固球团的方法,将废弃的转炉泥再利用,其利用率达到80%,另外,本发明的方法绿色,无污染,节约能源,具有很好的商业前景。
[发明]
一种激活潜伏HIV病毒的组合物及其应用
申请号:
201910114223.3
状态:
审中-实审
申请日:
2019-02-14
申请人:
武汉科技大学
发明人:
顾潮江、张同存、于琪英
公开日:
2019-04-16
代理机构:
上海精晟知识产权代理有限公司31253
主分类号:
A61K39/395(2006.01)I
我要购买
摘要:
本发明涉及医药领域,具体涉及一种激活HIV潜伏病毒的组合物及其应用。该组合物由单克隆抗体药物、组蛋白去乙酰化酶抑制剂和PKC激活剂组成,其中单克隆抗体药物选自抗人CD3单克隆抗体和抗人CD28单克隆抗体,组蛋白去乙酰化酶抑制剂选自伏立诺他和丙戊酸中的至少一种,PKC激活剂为12‑脱氧佛波醇‑13‑乙酸(Prostratin)。HIV难以治愈的主要障碍是HIV在感染极早期就在机体内建立起隐秘的病毒“储藏库”,本发明的组合物具有显著激活潜伏的HIV感染的CD4+T细胞的作用,能同时从细胞水平、染色质水平和HIV病毒特异性的转录因子水平激活HIV潜伏病毒,能够充分激活静息CD4+T细胞中的HIV前病毒,且不会产生明显的细胞毒副作用,是迈向HIV功能性治愈的必要途径。
[实用新型]
一种医用自动定位离心机
申请号:
201920200112.X
状态:
有权
申请日:
2019-02-14
申请人:
武汉科技大学、孝感宏翔生物医械技术有限公司
发明人:
王景存、文冬、沈红安
公开日:
代理机构:
主分类号:
B04B7/00(20060101)
我要购买
摘要:
本实用新型公开了一种医用自动定位离心机。它包括离心机托架、托架盒、槽型光电开关、光孔、圆盘、编码器码盘、编码器读头、步进电机、离心盒、转轴、皮带;离心机托架套装在转轴上,圆盘也套装在转轴上,编码器码盘也套装在转轴上,转轴通过皮带与步进电机连接;离心机托架上设有多个托架盒,离心盒(即试管盒)放置在托架盒中;圆盘上设有光孔,圆盘处设有槽型光电开关;编码器的码盘处设有编码器读头。该离心机能实现自动精确定位控制,能够使医疗检验自动处理工作平台实现真正的全自动化,达到整个平台自动运行的目的;离心机的精确定位解决了与医疗检验自动处理系统的协调工作问题,免除了人工参与,提高了系统的自动化程度和工作效率。
[实用新型]
防近视发箍
申请号:
201920192353.4
状态:
有权
申请日:
2019-02-12
申请人:
武汉科技大学
发明人:
寇明鹏、游清泉、罗晨阳、张心迪、龙荣廷、许浩
公开日:
2019-10-15
代理机构:
北京路浩知识产权代理有限公司11002
主分类号:
G08B21/24(2006.01)I
我要购买
摘要:
本实用新型实施例提供一种防近视发箍,涉及护眼设备技术领域。其包括中空的弧形箍体,箍体的顶部安装有立板和支耳,两个支耳对称设置在立板的两侧,两个支耳上均安装有补光灯,立板上安装距离传感器、光照传感器和微型控制器,在箍体内设有电线,在箍体的底部安装有计时器与振动器,计时器、振动器、距离传感器、光照传感器、补光灯分别与微型控制器电连接。本实用新型提供的防近视发箍将发箍与测量装置结合在一体,通过距离传感器测量距离,通过光照传感器检测光强,通过计时器统计用眼时间,从而在时间、距离、光强三个方面进行用眼监控,借助微型控制器的控制作用进行警示,可以帮助用户养成良好的用眼习惯,有效防止近视。
[发明]
基于机器视觉的耐火材料图像采集装置
申请号:
201910099807.8
状态:
审中-实审
申请日:
2019-01-31
申请人:
武汉科技大学
发明人:
王兴东、刘亚径、蒋宇辉、刘胜利、王郢瑞、朱青友、刘钊、郑宏雷
公开日:
2019-04-16
代理机构:
武汉科皓知识产权代理事务所(特殊普通合伙)42222
主分类号:
G01N25/00(2006.01)I
我要购买
摘要:
本发明涉及一种基于机器视觉的耐火材料图像采集装置。其技术方案是:所述图像采集装置由安装架(1)、水平移动系统(2)、垂直移动系统(3)、图像采集系统(4)、光源(5)、耐火材料固定装置(6)和耐火材料机架(7)组成。水平移动系统(2)沿安装架(1)的长度方向水平地固定在安装架(1)的上部,垂直移动系统(3)的纵向底座(20)与水平工作台(12)的上平面固定连接。图像采集系统(4)与垂直移动系统(3)固定连接,光源(5)安装在光源固定架(9)上。耐火材料固定装置(6)通过三角连接架(30)置于耐火材料机架(7)的纵向水平导轨(34)。本发明具有结构紧凑、适应性强和操作简单的特点,能实现精确运动控制,采集的图清晰,为后期的图像处理提供了可靠依据。
[发明]
基于小波变换的超分辨率重建图像的部分参考质量评价方法
申请号:
201910097228.X
状态:
审中-实审
申请日:
2019-01-31
申请人:
武汉科技大学
发明人:
杨君、胡倩、盛玉霞、柴利
公开日:
2019-06-14
代理机构:
武汉科皓知识产权代理事务所(特殊普通合伙)42222
主分类号:
G06T7/00(2017.01)I
我要购买
摘要:
本发明涉及一种基于小波变换的超分辨率重建图像的部分参考质量评价方法。其技术方案是,先对低分辨率图像I
o
和超分辨率重建图像I
s
进行分块操作,分别得到M个图像块;再分别对M个图像块进行小波变换,确定阈值T,然后将方差大于阈值T的低分辨率图像I
o
的第l个图像块的小波子带对应的小波子带系数c’
ji
拟合到广义高斯模型中,得到低分辨率图像I
o
第l个图像块的小波子带系数拟合到广义高斯模型的第一拟合参数α
ol
和第二拟合参数β
ol
;相应地,得到超分辨率重建图像I
s
的第l个图像块的第一拟合参数α
sl
和第二拟合参数β
sl
;最后得到图像质量评价值D。本发明仅利用低分辨率图像I
o
的信息便能快速和准确地评价超分辨率重建图像I
s
的质量,鲁棒性高。
[发明]
一种贝氏体钢热成形工艺窗口的确定方法
申请号:
201910101011.1
状态:
审中-实审
申请日:
2019-01-31
申请人:
武汉科技大学
发明人:
李立新、张继坤、刘升、胡盛德
公开日:
2019-05-28
代理机构:
武汉科皓知识产权代理事务所(特殊普通合伙)42222
主分类号:
C21D7/13(2006.01)I
我要购买
摘要:
本发明涉及一种贝氏体钢热成形工艺窗口的确定方法。其技术方案是:以热模拟实验得到的真应力σ和真应变ε数据为基础,确定贝氏体钢的动态再结晶条件,绘制不同应变的热加工图和激活能图,以热加工图中的安全区和动态再结晶区的重叠区域内激活能Q变化最小且波动小于等于1%的区域为对应应变的热成形工艺窗口。本发明能有效避免贝氏体钢出现粗晶、混晶和裂纹等缺陷,获得相对均匀的动态再结晶组织,从而确保产品的性能质量。
[实用新型]
一种带纱帘的双开门
申请号:
201920179286.2
状态:
有权
申请日:
2019-01-31
申请人:
武汉科技大学
发明人:
方辉、姚冬冬、侯嘉浩、向诗琪、武继锋
公开日:
2019-11-22
代理机构:
11212北京轻创知识产权代理有限公司
主分类号:
E06B9/52(20060101)
我要购买
摘要:
本实用新型公开了一种带纱帘的双开门,还包括螺纹杆、伺服电机和两块第一滑块,双开门本体的上门框的下端沿其长度方向开有一长条形的缺口,螺纹杆沿缺口的长度方向设置在缺口内,其一端与缺口的一侧内壁转动连接,其另一端与设置在缺口的另一侧内壁上的伺服电机传动连接,第一滑块上均沿左右方向开有一与螺纹子杆相匹配的螺纹孔,两块第一滑块分别通过螺纹孔螺纹安装在螺纹子杆上,两块纱帘均竖直设置,并分别与两块第一滑块对应设置,纱帘的上端的两端分别与其对应的第一滑块的下端和靠近其的双开门本体的左门框或右门框连接。本实用新型提供一种结构简单且可以实现纱帘的自动开合的带纱帘的双开门。
[实用新型]
一种多功能清洁刷
申请号:
201920179288.1
状态:
有权
申请日:
2019-01-31
申请人:
武汉科技大学
发明人:
王琛、胡吉
公开日:
2019-10-15
代理机构:
北京轻创知识产权代理有限公司11212
主分类号:
A46B5/00(2006.01)I
我要购买
摘要:
本实用新型公开了一种多功能清洁刷,包括:盒体、第一刷头、滑动板和杆体,所述盒体为水平设置的长方体形,其内部中空且右端设有开口,所述第一刷头设置在所述盒体的下端,所述滑动板沿前后方向竖直设置在所述盒体内,其右侧设有第二刷头,所述滑动板通过驱动机构与所述盒体滑动连接,所述驱动机构可驱动所述滑动板沿左右方向滑动至所述第二刷头伸出所述盒体外,或收回盒体内,并将所述滑动板固定在其滑动轨迹的任意位置,所述杆体沿左右方向设置在所述盒体的左端,并与所述盒体固定连接。本实用新型公开的清洁刷,具有结构简单,实用性强和使用方便等优点。
[实用新型]
一种辅助制动限速系统
申请号:
201920172992.4
状态:
有权
申请日:
2019-01-31
申请人:
武汉科技大学
发明人:
王晓东、谢俊、徐泽平
公开日:
2019-10-25
代理机构:
42222武汉科皓知识产权代理事务所(特殊普通合伙)
主分类号:
B60T7/12(20060101)
我要购买
摘要:
本实用新型公开了一种辅助制动限速系统,包括转向检测开关和限速装置,所述限速装置包括永磁体、发电线圈、电磁铁、衔铁滑块、液压油缸和液压刹车装置,所述永磁体安装在车轮毂上,所述发电线圈设于轮心轴上,并且置于永磁体所产生磁场内,所述衔铁滑块通过导轨结构安装在轮心轴上,衔铁滑块与液压油缸的活塞相对固定相连,液压油缸的液压油系统与液压刹车装置相连,所述发电线圈、电磁铁和转向检测开关通过导线串联,当车辆转向时,转向检测开关即导通,发电线圈所产生电流即与电磁铁导通,通过电磁铁驱动衔铁滑块动作压缩液压油缸,从而使得液压刹车装置刹车制动。本装置可以设置车辆转弯的最高速度,大大提高车辆主动安全性能。
[发明]
一种钢板防腐蚀防辐射方法
申请号:
201910095674.7
状态:
审中-实审
申请日:
2019-01-31
申请人:
武汉科技大学
发明人:
周建安、李数
公开日:
2019-06-21
代理机构:
深圳汇策知识产权代理事务所(普通合伙)44487
主分类号:
B32B37/06(2006.01)I
我要购买
摘要:
本发明公开了一种钢板防腐蚀防辐射方法,是在轧钢过程中,利用轧钢的高温将金属覆合膜软化并与热轧钢板热熔在一起,在轧钢板表面覆一层金属薄膜对钢板起到防腐保护,该方法利用轧钢板自身的高温将金属薄膜热熔粘结在一起,粘结更加均匀有力,结合强度高,金属薄膜层具有优良的附着力和封闭性能及良好的抗腐蚀、抗热辐射、抗渗性、耐候性、耐溶性等特点,且在加工过程中无需加热,同时金属覆膜厚度简单可控,有利于降低制造成本。
[发明]
一种含硼微合金钢热成形工艺参数的确定方法
申请号:
201910099800.6
状态:
审中-实审
申请日:
2019-01-31
申请人:
武汉科技大学
发明人:
李立新、魏雷阳、叶奔、胡盛德
公开日:
2019-06-07
代理机构:
武汉科皓知识产权代理事务所(特殊普通合伙)42222
主分类号:
G01N25/14(2006.01)I
我要购买
摘要:
本发明涉及一种含硼微合金钢热成形工艺参数的确定方法。其技术方案是:以热模拟实验得到的真应力σ数据和真应变ε数据为基础,确定含硼微合金钢的动态再结晶条件,绘制不同应变的热加工图和激活能图,以热加工图中的安全区和动态再结晶区的重叠区域内激活能Q变化最小且波动不超过1%的区域为对应应变的热成形工艺窗口,热成形工艺窗口内功率耗散系数η最大值所对应的温度T和变形速率
为对应应变的热成形工艺参数。本发明不仅能有效避免含硼微合金钢出现粗晶、混晶和裂纹等缺陷,获得相对均匀的动态再结晶组织,且能量利用率高,确保高效生产和产品质量。
[发明]
一种环保型含铬耐火浇注料及其制备方法
申请号:
201910099364.2
状态:
审中-实审
申请日:
2019-01-31
申请人:
武汉科技大学
发明人:
宋生强、刘航、吴映江、张文科、薛正良、米森·纳特、李亚伟
公开日:
2019-04-19
代理机构:
北京轻创知识产权代理有限公司11212
主分类号:
C04B35/66(2006.01)I
我要购买
摘要:
本发明提供了一种环保型含铬耐火浇注料的制备方法,包括以下步骤:1)以原料的总重量计,以1~14wt%环保型含铬固溶体细粉、2~8wt%纯铝酸钙水泥细粉、6~15%电熔白刚玉细粉和5~10wt%α‑Al
2
O
3
微粉为基质料,外加0.06~0.3wt%的聚羧酸类减水剂共混,预制成混合基质料;2)以原料的总重量计,以65~75wt%的板状刚玉颗粒为骨料,向步骤1)获得的所述混合基质料中加入所述骨料,充分混匀,再外加3~6wt%的水,搅拌、振动浇注成型,在110℃烘烤24h后脱模,最后升温至500~1500℃,保温6h,即得环保型含铬耐火浇注料。本发明还提供了使用上述方法制备的环保型含铬耐火浇注料,其具有无六价铬形成、抗渣性能好、高温强度高,满足含铬耐火材料安全使用的要求。
[发明]
一种活性相高度分散的钴基费托合成催化剂及其制备方法
申请号:
201910100900.6
状态:
审中-实审
申请日:
2019-01-31
申请人:
武汉科技大学
发明人:
王光辉、吕帅、王立、匡婷、李金林、张煜华
公开日:
2019-04-19
代理机构:
武汉宇晨专利事务所42001
主分类号:
B01J23/75(2006.01)I
我要购买
摘要:
本发明公开了一种活性相高度分散的钴基费托合成催化剂的制备方法,所述的催化剂以纳米碳球为载体,粒径均一的氧化亚钴纳米颗粒高度分散在碳球载体之上,经测试,催化剂中钴的分散度可高达15%以上,且还原之后颗粒仍然保持超高分散度。氧化亚钴纳米颗粒的粒径为5~60nm,钴的负载量为2~30%。其合成方法为:将一定量乙酰丙酮钴盐溶于邻二氯苯和苄胺混合溶液中,得到溶液A,再将一定质量碳球加入溶液A中,在室温剧烈搅拌下超声分散30~90min后,在170~220℃下回流1~5h。反应完成后将得到的固体离心后用无水乙醇清洗3‑5次,再于40~120℃烘箱干燥5h,费托合成性能测试结果表明,通过本发明的方法得到的催化剂活性更高,甲烷选择性更低且碳五加选择性更高。
[发明]
一种渐变三维贯通孔透气塞及其制备方法
申请号:
201910097563.X
状态:
审中-实审
申请日:
2019-01-31
申请人:
武汉科技大学
发明人:
李亚伟、潘丽萍、贺铸、梁雄、吴畏虎、王庆虎、谭方关
公开日:
2019-05-03
代理机构:
武汉科皓知识产权代理事务所(特殊普通合伙)42222
主分类号:
C04B35/101(2006.01)I
我要购买
摘要:
本发明涉及一种渐变三维贯通孔透气塞及其制备方法。其技术方案是:将构建的三维空间孔骨架几何模型导入3D打印机,用3D打印浆体打印,得到多孔模板。多孔模板固定于透气塞模具底部,再将透气塞浆料浇入所述透气塞模具中,在温度为15~35℃和湿度为75~90%的条件下养护24h,脱模干燥。在1~100Pa条件下,以0.5~3℃/min的速率升温至600~800℃,保温1~3h;再以2~6℃/min的速率升温至800~1600℃,保温3~5h,随炉冷却至室温,制得渐变三维贯通孔透气塞。本发明具有透气量大、整体强度高、搅拌效果好、吹成率高、不易夹钢和洁净钢水效率高的优点,所制备的渐变三维贯通孔透气塞气孔贯通且分布均匀、量大且尺寸小。
[实用新型]
一种脚手架连接件
申请号:
201920179341.8
状态:
有权
申请日:
2019-01-31
申请人:
武汉科技大学
发明人:
方辉、朱大琴、马安琼、胡宇杰、涂圣磊、张甜
公开日:
2019-10-29
代理机构:
北京轻创知识产权代理有限公司11212
主分类号:
E04G7/20(2006.01)I
我要购买
摘要:
本实用新型公开了一种脚手架连接件,包括两个水平设置的圆盘和多个水平连接件,两个圆盘上下间隔设置,并通过与二者均同轴的连接圆柱连接,圆盘上沿周向等间距的间隔开有多个上下贯穿其的第一通孔,两个圆盘相互远离的一端均同轴设有竖直立管,多个水平连接件间隔围绕在连接圆柱四周,其一端均连接有一圆环,多个水平连接件对应的圆环上下间隔的可转动的套设在连接圆柱上,水平连接件的上下两端分别与两个圆盘可转动的贴合,其另一端水平延伸至两个圆盘外侧,并连接有一水平立管,水平连接件上开有上下贯穿其的第二通孔。本实用新型提供一种解决钢管插接固定方便快捷、适合多种角度的钢管间的连接脚手架连接件。
[发明]
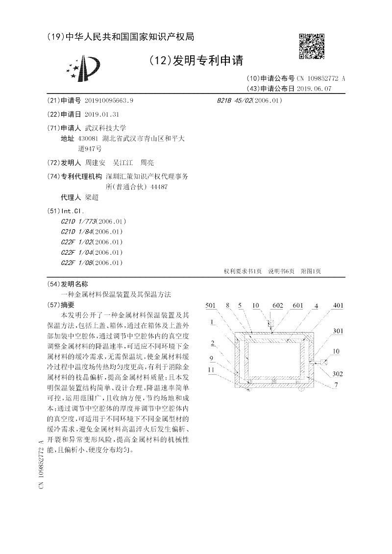
一种金属材料保温装置及其保温方法
申请号:
201910095663.9
状态:
审中-实审
申请日:
2019-01-31
申请人:
武汉科技大学
发明人:
周建安、吴江江、周亮
公开日:
2019-06-07
代理机构:
深圳汇策知识产权代理事务所(普通合伙)44487
主分类号:
C21D1/773(2006.01)I
我要购买
摘要:
本发明公开了一种金属材料保温装置及其保温方法,包括上盖、箱体,通过在箱体及上盖外部加装中空腔体,通过调节中空腔体内的真空度调整金属材料的降温速率,可适应不同环境下金属材料的缓冷需求,无需保温坑,使金属材料缓冷过程中温度场传热均匀度更高,有利于消除金属材料的枝晶偏析,提高金属材料质量;且本发明保温装置结构简单、设计合理,降温速率简单可控,运用范围广,且收纳方便,节约场地和成本;通过调节中空腔体的厚度并调节中空腔体内的真空度,可适用于不同环境下不同金属型材的缓冷需求,避免金属材料高温淬火后发生偏析、开裂和异常变形风险,提高金属材料的机械性能,且偏析小、硬度分布均匀。
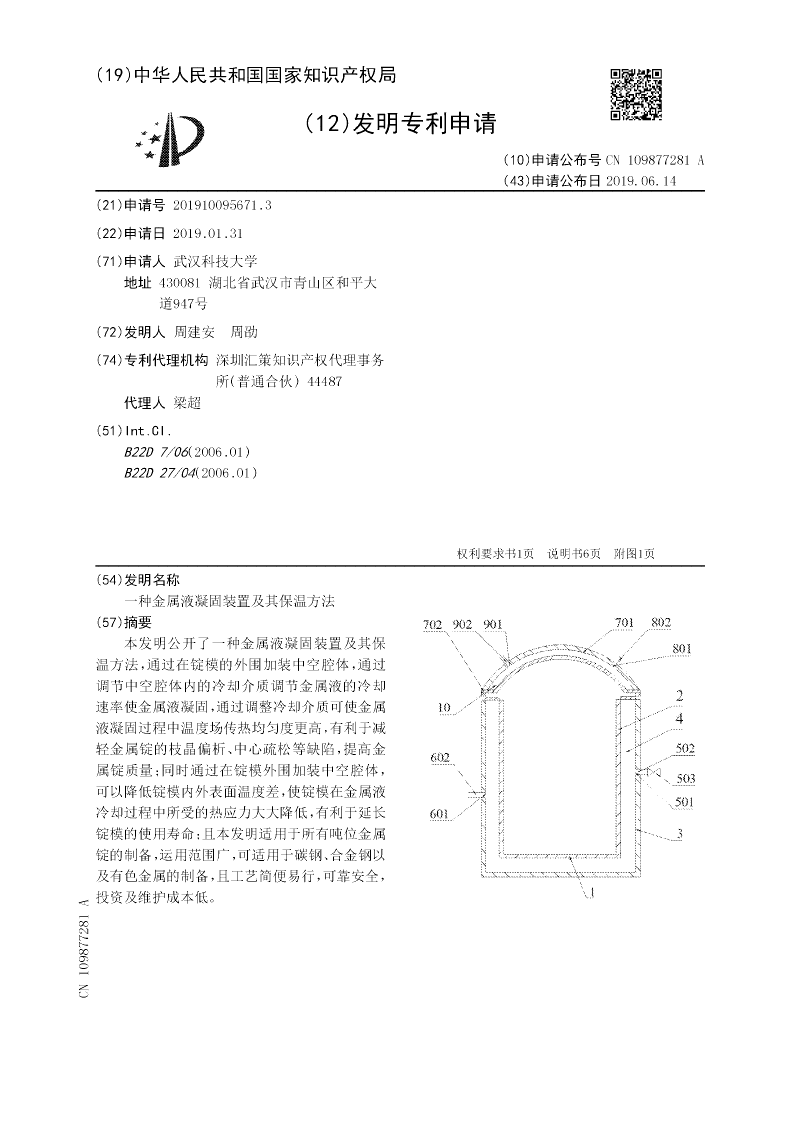
[发明]
一种金属液凝固装置及其保温方法
申请号:
201910095671.3
状态:
审中-实审
申请日:
2019-01-31
申请人:
武汉科技大学
发明人:
周建安、周劭
公开日:
2019-06-14
代理机构:
深圳汇策知识产权代理事务所(普通合伙)44487
主分类号:
B22D7/06(2006.01)I
我要购买
摘要:
本发明公开了一种金属液凝固装置及其保温方法,通过在锭模的外围加装中空腔体,通过调节中空腔体内的冷却介质调节金属液的冷却速率使金属液凝固,通过调整冷却介质可使金属液凝固过程中温度场传热均匀度更高,有利于减轻金属锭的枝晶偏析、中心疏松等缺陷,提高金属锭质量;同时通过在锭模外围加装中空腔体,可以降低锭模内外表面温度差,使锭模在金属液冷却过程中所受的热应力大大降低,有利于延长锭模的使用寿命;且本发明适用于所有吨位金属锭的制备,运用范围广,可适用于碳钢、合金钢以及有色金属的制备,且工艺简便易行,可靠安全,投资及维护成本低。
[实用新型]
一种书柜
申请号:
201920171983.3
状态:
有权
申请日:
2019-01-31
申请人:
武汉科技大学
发明人:
方辉、姚冬冬、滕增光
公开日:
代理机构:
主分类号:
A47B63/00(20060101)
我要购买
摘要:
本实用新型实施例涉及家具技术领域,提供了一种书柜,包括书柜本体以及防尘部件;书柜本体上设置有若干半封闭式的储物腔,防尘部件可拆卸地设置在储物腔的开口处;所述防尘部件包括第一防尘元件与第一导向元件;所述第一防尘元件可拆卸地安装在所述储物腔的第一内侧壁上;所述第一导向元件沿所述第一防尘元件的滑动方向、可拆卸地安装在所述储物腔的第二内侧壁上;本实用新型通过在书柜本体的储物腔的开口处设置防尘部件,有效地阻挡了灰尘落入书柜内,可以使书柜的储物腔内保持干净清洁;并且,该防尘部件可以随时拆卸,使用起来更加灵活方便。
首页
上一页
121
122
123
124
125
126
127
128
129
130
下一页
尾页
当前共找到
8115
个专利记录
,当前显示页码
124/406