首页
专利查询
专利购买
专利转让
专利申请
15071489439
当前位置:
专利巴士
专利查询
专利名称
查询
高级查询
当前共找到
8115
个专利记录
,当前显示页码
129/406
专利名称
申请号
申请人
发明人
专利代办机构
[实用新型]
集捡球和发球功能于一体的训练机器人
申请号:
201822258623.5
状态:
有权
申请日:
2018-12-29
申请人:
武汉科技大学
发明人:
严相、张桐伟、魏艳红
公开日:
代理机构:
主分类号:
A63B47/02(20060101)
我要购买
摘要:
本实用新型公开了集捡球和发球功能于一体的训练机器人,包括:底盘,其上具有开口;捡球装置,包括第一壳体和第一叶片,第一叶片被可旋转地安装在所述开口处,第一壳体包括位于第一叶片径向侧的第一面和与第一叶片轴向平行的第二面,所述第一面和所述第二面所围城的空间将从下往上旋转的第一叶片包围在内;存球装置,位于所述开口的一侧并沿着与第一叶片轴向平行的方向布置,存球装置包括至少一层存储空间,所述存储空间与第一叶片轴向平行的两个侧面开口,每层所述存储空间对应一个将球输送到上一层的输送装置;位于存球装置顶部的球框,球框具有出球口;以及位于球框正前方的发球装置,发球装置包括正对球框所述出球口的发射管。
[实用新型]
一种电动螺旋式原状土壤采样器
申请号:
201822254022.7
状态:
有权
申请日:
2018-12-29
申请人:
武汉科技大学、湖北理工学院
发明人:
胡宏元、杜宇、张家泉、龚香宜、钟萍、张喜皓、杨雪芬、占长林
公开日:
2019-10-11
代理机构:
42102湖北武汉永嘉专利代理有限公司
主分类号:
G01N1/08(20060101)
我要购买
摘要:
本实用新型公开了一种电动螺旋式原状土壤采样器,其中,手动手柄与支架相互连接且可拆卸,支架底端焊接在折叠式固定底盘上;支架为管状,其底部中空,螺旋传动杆设置在支架内部中空的位置;电机安装在折叠式固定底盘上,联轴器安装在电机上;联轴器与螺旋传动杆之间通过小齿轮和大齿轮进行传动连接;螺旋传动杆的底端连接伸缩式延长杆,伸缩式延长杆的底部与取样顶盘相连并带动取样顶盘旋转;取样架焊接在取样顶盘的下端,开合式取样筒安装在取样架上;开合式取样筒为圆柱形筒状,且开合式取样筒可实现对称式的开合。本实用新型携带方便,自动化程度高,采样深度准确,能较大程度上保证土壤的原状,能够为土壤的研究提供准确的实验样品。
[实用新型]
一种雨伞脱水装置
申请号:
201822252133.4
状态:
有权
申请日:
2018-12-29
申请人:
武汉科技大学
发明人:
蒋炘鑫、周华、田立欣、钱利军
公开日:
2019-10-15
代理机构:
北京轻创知识产权代理有限公司11212
主分类号:
F26B5/08(2006.01)I
我要购买
摘要:
本实用新型涉及一种雨伞脱水装置,该雨伞脱水装置包括装置机座、脱水系统和第一驱动机构,所述装置机座包括环形筒体和设置在所述环形筒体内的轨道,所述脱水系统包括若干个均匀分布在所述环形筒体内的脱水装置,各所述脱水装置均滑动配合在所述轨道上,各所述脱水装置的底部通过连杆与相邻的所述脱水装置的底部连接,各所述脱水装置的上端套设有组合固定板。雨伞放入脱水装置后,各脱水装置可以沿轨道进行直线或曲线移动,使得人可以从一端放入雨伞,另一端取出甩干的雨伞。本实用新型的雨伞脱水装置可以容纳的雨伞多,脱水速度快,可用于公共场所门口,靠边放置,节省空间。
[实用新型]
垂直轴风力发电机叶轮
申请号:
201822230964.1
状态:
有权
申请日:
2018-12-28
申请人:
武汉科技大学
发明人:
田长斌、朱建阳、王钊、李沛、朱名康
公开日:
2019-11-08
代理机构:
北京路浩知识产权代理有限公司11002
主分类号:
F03D3/06(2006.01)I
我要购买
摘要:
本实用新型涉及风力发电设备技术领域,提供了一种垂直轴风力发电机叶轮,包括:主轴以及,安装于所述主轴的风能捕捉机构,所述风能捕捉机构包括固定叶片单元以及可旋转叶片单元。该垂直轴风力发电机叶轮可以根据具体情况可以调整可旋转叶片单元与固定叶片单元的夹角;当风速不支持其作为升力型风电机时,可旋转叶片单元保持不变,当风速满足要求时,可旋转叶片单元偏转与固定叶片单元平行,形成升力型风力发电机更好地将风能转化为机械能。
[实用新型]
镜子
申请号:
201822234546.X
状态:
有权
申请日:
2018-12-28
申请人:
武汉科技大学
发明人:
廖鹏
公开日:
2019-11-08
代理机构:
北京路浩知识产权代理有限公司11002
主分类号:
A45D42/10(2006.01)I
我要购买
摘要:
本实用新型涉及生活用品领域,提供了一种镜子,包括:底座和镜框;所述镜框框设在镜面的边缘;且所述镜框的一侧与所述底座的一侧面可旋转连接;所述镜框的另一侧设有照明灯;所述底座上设有与所述照明灯相连的开关;所述开关包括第一亮度档、第二亮度档和第三亮度档。本实用新型提供的镜子通过将镜框的一侧与底座的一侧面可旋转连接,使得该镜子可以调整角度;通过在镜框的另一侧设置照明灯,且该照明灯与设有多个档位的开关相连,使得用户可以根据需求调节照明灯的亮度,进而使得用户在可以较清楚照镜子的同时,不会造成电能浪费,达到能源节约的目的。
[发明]
一种低对比度图像中显著性目标检测方法及装置
申请号:
201811621519.6
状态:
审中-实审
申请日:
2018-12-28
申请人:
武汉科技大学
发明人:
姜一、王子娴
公开日:
2019-06-07
代理机构:
北京路浩知识产权代理有限公司11002
主分类号:
G06K9/46(2006.01)I
我要购买
摘要:
本发明实施例提供一种低对比度图像中显著性目标检测方法及装置,该方法包括:根据超像素分割和基于图的排序,对输入图像预处理,得到预处理图像;将所述预处理图像输入到超像素级显著性模型,得到超像素显著目标。本发明实施例提供的一种低对比度图像中显著性目标检测方法及装置,提出了一种超像素级显著性模型,用于检测低对比度图像中的显著性目标。该模型利用亮度、锐度和幅值特征来反映低对比度图像的显著性信息,使用支持向量机训练显著图,在低对比度图像中的显著性目标检测中取得了较好的效果。
[发明]
一种嵌套式摆动油缸
申请号:
201811624642.3
状态:
审中-实审
申请日:
2018-12-28
申请人:
武汉科技大学
发明人:
胡腾、谢良喜、黄海祺、刘婧蓉
公开日:
2019-03-22
代理机构:
武汉科皓知识产权代理事务所(特殊普通合伙)42222
主分类号:
F15B15/12(2006.01)I
我要购买
摘要:
本发明涉及一种嵌套式摆动油缸,包括:转子,转子的内壁上设有用于与外接驱动轴键连接的转子键槽;第一定子,转子的一端由第一定子的一端伸入第一定子内,转子另一端延伸至第一定子外部;以及第二定子,第一定子的另一端由第二定子的一端伸入第二定子内,第一定子的一端延伸至第二定子外部;其中,第一定子相对延伸至第二定子外部的一端的侧壁上设有第一进油口和第一出油口,第二定子的侧壁上设有第二进油口和第二出油口。本发明提供的嵌套式摆动油缸中,通过多级嵌套式结构可有效满足启动转矩小的同时获得较大的输出转矩。
[发明]
一种人造石及其制备方法
申请号:
201811622820.9
状态:
审中-实审
申请日:
2018-12-28
申请人:
武汉科技大学
发明人:
田磊、武诗怡、张嘉雯、齐辰晖、肖华平、金俐君
公开日:
2019-06-07
代理机构:
北京路浩知识产权代理有限公司11002
主分类号:
C04B26/04(2006.01)I
我要购买
摘要:
本发明提供了一种人造石及其制备方法。该人造石由包括以下质量份数的原料制成:天然石料81~90份、丙烯酸树脂10~19份、固化剂0.5~3份,促进剂0.5~3份。本发明利用天然石料与特定质量份数的丙烯酸树脂、固化剂和促进剂制备得到的人造石具有很好的透光性。本发明提供的制备方法工艺简单,在制备过程中不会挥发有害的有机物质。
[发明]
一种易于加工的液压转角自伺服柔顺驱动器
申请号:
201811624155.7
状态:
审中-实审
申请日:
2018-12-28
申请人:
武汉科技大学
发明人:
蒋林、潘孝越、任利胜、刘纯键、马先重、聂文康
公开日:
2019-03-19
代理机构:
武汉科皓知识产权代理事务所(特殊普通合伙)42222
主分类号:
B25J17/02(2006.01)I
我要购买
摘要:
本发明公开了一种易于加工的液压转角自伺服柔顺驱动器将其叶片通过螺钉固定在阀体外壁上,所述固定挡块的与缸体接触面设置有螺纹孔,所述缸体上对应螺纹孔设置有安装通孔,所述固定挡块通过螺钉与螺纹孔配合安装在缸体内壁上;在叶片的两矩形侧面设置有矩形槽,所述叶片的下弧面两侧设置用于防止叶片与固定挡块贴死的圆弧槽,且所述矩形槽与圆弧槽相通;并将缸体和阀体进行拆分设置,使得密封性能优良,便于加工和装配,泄漏油导出简便,能够克服叶片与固定挡块贴合死区的液压转角自伺服柔顺驱动机构。该机构同时还应具有阀体阀芯受力平衡不易位移、动力特性好,关节灵活度高、响应速度快和控制精度高的特点。
[实用新型]
一种易于加工的液压转角自伺服柔顺驱动器
申请号:
201822233651.1
状态:
有权
申请日:
2018-12-28
申请人:
武汉科技大学
发明人:
潘孝越、蒋林、任利胜、刘纯键、马先重、聂文康
公开日:
2019-11-26
代理机构:
42222武汉科皓知识产权代理事务所(特殊普通合伙)
主分类号:
B25J17/02(20060101)
我要购买
摘要:
本实用新型公开了一种易于加工的液压转角自伺服柔顺驱动器将其叶片通过螺钉固定在阀体外壁上,所述固定挡块的与缸体接触面设置有螺纹孔,所述缸体上对应螺纹孔设置有安装通孔,所述固定挡块通过螺钉与螺纹孔配合安装在缸体内壁上;在叶片的两矩形侧面设置有矩形槽,所述叶片的下弧面两侧设置用于防止叶片与固定挡块贴死的圆弧槽,且所述矩形槽与圆弧槽相通;并将缸体和阀体进行拆分设置,使得密封性能优良,便于加工和装配,泄漏油导出简便,能够克服叶片与固定挡块贴合死区的液压转角自伺服柔顺驱动机构。该机构同时还应具有阀体阀芯受力平衡不易位移、动力特性好,关节灵活度高、响应速度快和控制精度高的特点。
[发明]
一种改善公交车车内空气质量的装置
申请号:
201811611775.7
状态:
审中-实审
申请日:
2018-12-27
申请人:
武汉科技大学
发明人:
姚灿、周传辉、伊凡、黄佳、陈博伟、程方圆
公开日:
2019-04-12
代理机构:
北京轻创知识产权代理有限公司11212
主分类号:
B60H3/06(2006.01)I
我要购买
摘要:
本发明涉及一种改善公交车车内空气质量的装置,包括:压缩空气装置,压缩空气装置设置于公交车的车顶上;供电装置,供电装置与压缩空气装置电连接;空气输送装置,空气输送装置设置于天窗上,空气输送装置连接压缩空气装置的供气口;空气净化装置,空气净化装置连接空气输送装置的输出口。根据本发明的装置,不仅利用公交车车顶的大面积受光面和太阳能为空气输送装置体供能,还可以自动优化公交车通风模式,提高车厢内空气品质,给人们带来舒适的出行体验。
[发明]
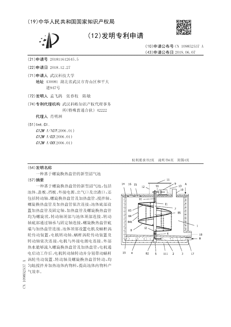
一种基于螺旋换热盘管的新型沼气池
申请号:
201811612645.5
状态:
审中-实审
申请日:
2018-12-27
申请人:
武汉科技大学
发明人:
孟飞鸽、张春枝、陈敏
公开日:
2019-06-07
代理机构:
武汉科皓知识产权代理事务所(特殊普通合伙)42222
主分类号:
C12M1/107(2006.01)I
我要购买
摘要:
一种基于螺旋换热盘管的新型沼气池,包括池体、盖板、挡板、外接电源、出气口及出渣口,还包括转动轴、螺旋换热盘管及加热盘管,搅拌轴、螺旋换热盘管及加热盘管依次连接;池体底部设置加热盘管及固定轴,加热盘管及螺旋换热盘管均为螺旋状。转动轴顶部与池体顶部连接,转动轴底部通过轴承与固定轴连接,螺旋换热盘管底端与加热盘管连接。池体顶部设置电机及蜗杆涡轮传动装置,电机转动轴、蜗杆涡轮传动装置及转动轴依次连接,电机与外接电源电连接。外部热水能够流入螺旋换热盘管及加热盘管;电机通电启动工作后,电机转动轴转动并分别带动蜗杆涡轮传动装置、转动轴及螺旋换热盘管转动,均匀地搅拌并加热池体内物料,提高池体内物料产气效率。
[实用新型]
一种简易的重塑土样制备装置
申请号:
201822216622.4
状态:
有权
申请日:
2018-12-27
申请人:
武汉科技大学
发明人:
赵涵洋、雷学文、张彬、董欢、林胜强
公开日:
2019-11-15
代理机构:
11212北京轻创知识产权代理有限公司
主分类号:
G01N1/28(20060101)
我要购买
摘要:
本实用新型涉及一种简易的重塑土样制备装置,包括:底座;施压装置,施压装置固定于底座上;承载台,施压装置的压力输出端连接承载台,用于向承载台施加压力;土样模具,土样模具设置于承载台上;压杆,压杆包括压盘和调节件,压杆底部设置有用于向土样模具内的土样进行挤压的压盘,调节件活动安装于压杆上,用于调节压盘进入土样模具的深度。根据本实用新型的简易的重塑土样制备装置,结构简单,操作方便,各零件便于拆卸组装和更换,可根据需要更换土样模具形状和大小以及与之配套压盘,从而制备出不同大小及形状试验土样,灵活性强,同时,通过多次调节调节件的位置,可以实现分层压样,制备的试样均匀性好。
[发明]
一种晶须自结合SiC耐火材料及其制备方法
申请号:
201811609498.6
状态:
审中-实审
申请日:
2018-12-27
申请人:
武汉科技大学
发明人:
张海军、王慧芳、张少伟、毕玉保、李赛赛
公开日:
2019-03-08
代理机构:
武汉科皓知识产权代理事务所(特殊普通合伙)42222
主分类号:
C04B35/80(2006.01)I
我要购买
摘要:
本发明涉及一种晶须自结合SiC耐火材料及其制备方法。其技术方案是:将催化剂和水混合,磁力搅拌,得到催化剂溶液;将保护剂和水混合,搅拌,得到保护剂溶液;将催化剂溶液和保护剂溶液混合,磁力搅拌,得到含保护剂的催化剂溶液;将膨胀石墨和硅粉混合,球磨,得到复合粉体;将复合粉体浸渍于含保护剂的催化剂溶液中,干燥后得到浸渍有催化剂的复合粉体;将浸渍有催化剂的复合粉体和碳化硅颗粒混合,混碾,困料,压制成型,制得坯体;将坯体在氩气氛和1200~1400℃条件下热处理2~4h,制得晶须自结合SiC耐火材料。本发明生产成本低、反应温度低和环境友好;所制制品的力学性能、抗渣侵蚀性能和抗氧化性能优异。
[实用新型]
一种垃圾回收处理分类装置
申请号:
201822229767.8
状态:
有权
申请日:
2018-12-27
申请人:
武汉科技大学城市学院
发明人:
卢文、吴德林、李勇杰、冯露梦、黄展荣
公开日:
2019-11-29
代理机构:
主分类号:
B65F1/00(20060101)
我要购买
摘要:
本实用新型公开了一种垃圾回收处理分类装置,包括底座、垃圾桶主体和蓄电池,所述安装板对应可回收垃圾桶和不可回收垃圾桶内部通过液压杆固定安装有压板,所述底座对应可回收垃圾桶和不可回收垃圾桶的底部固定安装有呈外弧状的喷头。该垃圾回收处理分类装置,具备便于对垃圾桶内部的垃圾压缩后放置,增加垃圾桶对垃圾存放的容量,并便于对垃圾桶内部液体承接排出,提高对垃圾桶内部清理便捷性的优点,解决了可回收垃圾占据垃圾桶内部空间较多,降低了垃圾桶对垃圾的容量,以及不可回收垃圾中的液体会随着包装盒的倾倒而流入垃圾桶内底部,不便于对垃圾桶清理的问题。
[发明]
一种汽车液晶仪表中的防解析失败的解码方法
申请号:
201811610438.6
状态:
审中-实审
申请日:
2018-12-27
申请人:
武汉科技大学
发明人:
陈典、郭健忠、毛永、汪子林、耿屹
公开日:
2019-05-17
代理机构:
北京轻创知识产权代理有限公司11212
主分类号:
H04N21/414(2011.01)I
我要购买
摘要:
一种汽车液晶仪表中的防解析失败的解码方法,通过该方法对仪表视频流进行解析解码处理时,不会出现损坏仪表视频流的情况,即使解析处理过程出现错误,也不会影响视频流数据的完整性及视频的显示,程序可进行自检,重新进行解析处理,能够在仪表设计过程中保证视频流成功解析解码,消除仪表开机及切换时出现的错误。
[实用新型]
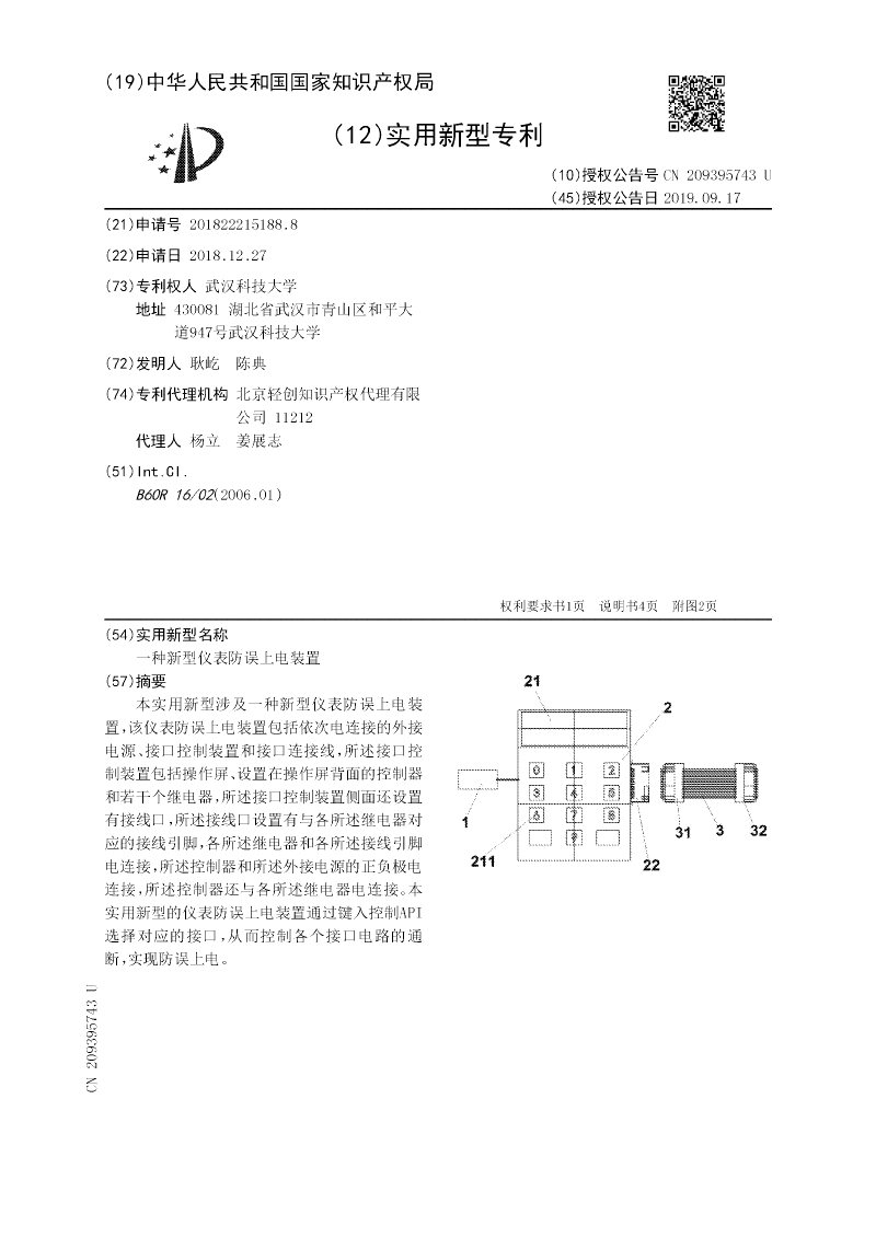
一种新型仪表防误上电装置
申请号:
201822215188.8
状态:
有权
申请日:
2018-12-27
申请人:
武汉科技大学
发明人:
耿屹、陈典
公开日:
2019-09-17
代理机构:
北京轻创知识产权代理有限公司11212
主分类号:
B60R16/02(2006.01)I
我要购买
摘要:
本实用新型涉及一种新型仪表防误上电装置,该仪表防误上电装置包括依次电连接的外接电源、接口控制装置和接口连接线,所述接口控制装置包括操作屏、设置在操作屏背面的控制器和若干个继电器,所述接口控制装置侧面还设置有接线口,所述接线口设置有与各所述继电器对应的接线引脚,各所述继电器和各所述接线引脚电连接,所述控制器和所述外接电源的正负极电连接,所述控制器还与各所述继电器电连接。本实用新型的仪表防误上电装置通过键入控制API选择对应的接口,从而控制各个接口电路的通断,实现防误上电。
[实用新型]
一种行走式坡度测量仪
申请号:
201822215197.7
状态:
有权
申请日:
2018-12-27
申请人:
武汉科技大学
发明人:
任浩博、李家琪
公开日:
2019-09-13
代理机构:
北京轻创知识产权代理有限公司11212
主分类号:
G01C9/10(2006.01)I
我要购买
摘要:
本实用新型涉及一种行走式坡度测量仪,包括车架;车轮,车轮设置于车架上;GPS高程测量系统,GPS高程测量系统包括高程测量触发装置,GPS高程测量仪、数据处理和显示装置以及控制电路,高程测量触发装置设置于车轮上,GPS高程测量仪及数据处理和显示装置均固定于车架上,控制电路分别电连接高程测量触发装置和GPS高程测量仪,用于接收所述高程测量触发装置给出的触发信号并根据所述触发信号控制所述GPS高程测量仪进行测量,所述GPS高程测量仪电连接所述数据处理和显示装置,并将测量数据传送到所述数据处理和显示装置。进行坡度测量时,只需要推动仪器沿坡面平稳移动即可测得大量数据,测量过程中不需要架设仪器,简单快捷,且测量结果经处理后可以通过显示屏展现,更加直观,便于储存和使用。
[发明]
一种用于识别混凝土结构早期损伤的骨料及其监测方法
申请号:
201811615753.8
状态:
审中-实审
申请日:
2018-12-27
申请人:
武汉科技大学
发明人:
鲁光涛、祝鑫、王涛、李友荣、余逊、周明乐
公开日:
2019-03-26
代理机构:
湖北武汉永嘉专利代理有限公司42102
主分类号:
G01N29/04(2006.01)I
我要购买
摘要:
本发明公开了一种用于识别混凝土结构早期损伤的骨料及其监测方法,其装置包括感光部和骨料部,所述感光部与骨料部接触连接;所述感光部包括设置在底部的底座,所述底座上设置有可无线操控的控制模块,所述控制模块上设有太阳能供电模块,所述太阳能供电模块与控制模块的电源输入端连接,所述太阳能供电模块上设有透明外壳;所述骨料部包括设置在外周的保护外壳,所述保护外壳内设有压电陶瓷,所述压电陶瓷上连接有导线,所述导线穿过底座与控制模块连接。本发明的优点在于:其与基于超声波能量扩散机理有机结合,可以实现混凝土结构早期损伤的定量定位识别,为混凝土早期损伤在线监测提供一个智能、绿色节能的解决方案。
[实用新型]
一种折叠式落地晾衣架
申请号:
201822223608.7
状态:
有权
申请日:
2018-12-27
申请人:
武汉科技大学
发明人:
胡腾、谢良喜、罗刚、刘婧荣、黄海祺
公开日:
2019-11-29
代理机构:
11212北京轻创知识产权代理有限公司
主分类号:
D06F57/08(20060101)
我要购买
摘要:
本实用新型公开一种折叠式落地晾衣架,包括晾晒架和支撑架,晾晒架包括两根长杆、多根第一晾杆、两根滑杆和多根第二晾杆,两根长杆沿前后方向间隔设置,多根第一晾杆沿前后方向水平安装在两根长杆上,两根滑杆均沿左右方向水平滑动安装在两根长杆远离支撑架的一端,多根第二晾杆沿前后水平安装在两根滑杆上,支撑架包括两组支架,其中一组支架的上端与晾晒架的一端可拆卸连接,另一组支架的上端与晾晒架的中部转动连接,且两组支架在晾晒架的下方呈“X”状交叉转动连接。本实用新型所述折叠式落地所述晾衣架结构简单,便于收纳,且所述晾晒架远离所述支撑架的一端可伸出窗外,提高晾晒效果,减少晾衣架在高校宿舍或出租屋内的占用空间。
首页
上一页
121
122
123
124
125
126
127
128
129
130
下一页
尾页
当前共找到
8115
个专利记录
,当前显示页码
129/406