首页
专利查询
专利购买
专利转让
专利申请
15071489439
当前位置:
专利巴士
专利查询
专利名称
查询
高级查询
当前共找到
8115
个专利记录
,当前显示页码
134/406
专利名称
申请号
申请人
发明人
专利代办机构
[实用新型]
一种可伸缩多功能活动支架
申请号:
201822050525.2
状态:
有权
申请日:
2018-12-07
申请人:
武汉科技大学
发明人:
刘选、程阳、李震东
公开日:
2019-06-07
代理机构:
武汉科皓知识产权代理事务所(特殊普通合伙)42222
主分类号:
H04M1/04(2006.01)I
我要购买
摘要:
本实用新型公开了一种可伸缩多功能活动支架,包括:支架底座;旋转底座,旋转底座可旋转的安装于支架底座上;伸缩杆,伸缩杆的一端可旋转的安装于旋转底座上;以及用于夹持手机的手机夹板,手机夹板可旋转的安装于伸缩杆的另一端。本实用新型提供的可伸缩多功能活动支架中,通过设置伸缩杆和可旋转的旋转底座及手机夹板,可方便实现活动支架的多向调节。
[实用新型]
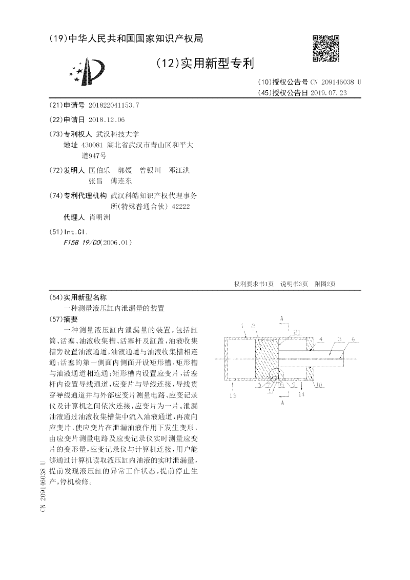
一种测量液压缸内泄漏量的装置
申请号:
201822041153.7
状态:
有权
申请日:
2018-12-06
申请人:
武汉科技大学
发明人:
匡伯乐、郭媛、曾银川、邓江洪、张昌、傅连东
公开日:
2019-07-23
代理机构:
武汉科皓知识产权代理事务所(特殊普通合伙)42222
主分类号:
F15B19/00(2006.01)I
我要购买
摘要:
一种测量液压缸内泄漏量的装置,包括缸筒、活塞、油液收集槽、活塞杆及缸盖,油液收集槽旁设置油液通道,油液通道与油液收集槽相连通;活塞的第一侧面内侧面开设矩形槽,矩形槽与油液通道相连通;矩形槽内设置应变片,活塞杆内设置导线通道,应变片与导线连接,导线贯穿导线通道并与外部应变片测量电路、应变记录仪及计算机之间依次连接,应变片为一片。泄漏油液通过油液收集槽集中流入油液通道,再流向应变片,使应变片在泄漏油液作用下发生变形,由应变片测量电路及应变记录仪实时测量应变片的变形量,应变记录仪与计算机连接,用户能够通过计算机读取液压缸内油液的实时泄漏量,提前发现液压缸的异常工作状态,提前停止生产,停机检修。
[实用新型]
一种单行道限制逆行装置
申请号:
201822040754.6
状态:
有权
申请日:
2018-12-06
申请人:
武汉科技大学
发明人:
张竞宇、郑子晴、胡润哲、叶浩然、魏盼、马宇康、姚炎炎、肖潇、柳祖鹏
公开日:
2019-08-02
代理机构:
武汉科皓知识产权代理事务所(特殊普通合伙)42222
主分类号:
E01F13/10(2006.01)I
我要购买
摘要:
一种单行道限制逆行装置,包括基座、转动体、阻止带和复位装置;所述基座设置有第一凹槽和第二凹槽;所述转动体设置在所述第一凹槽内;所述阻止带固定设置在所述转动体上;转动所述转动体,可使所述阻止带正好没入第二凹槽中;所述复位装置的一端设置在所述基座的所述第一凹槽的内壁,另一端设置在所述转动体上;所述阻止带用于阻止车辆逆向通行,所述阻止带随着所述转动体转动时具有阻挡位和通行位两种位置状态;所述复位装置使得车辆正向通行后所述阻止带恢复至阻止位。本实用新型结构简单,维护工作量较小,对车辆的损坏程度较小;复位装置的拉伸弹簧不易疲劳,整个装置使用周期长。
[发明]
一种延迟焦化干法冷焦装置及方法
申请号:
201811488618.1
状态:
审中-实审
申请日:
2018-12-06
申请人:
武汉科技大学
发明人:
雷杨、周宇航、曹琳、范中宇、吴晓琴
公开日:
2019-04-05
代理机构:
湖北武汉永嘉专利代理有限公司42102
主分类号:
C10B39/02(2006.01)I
我要购买
摘要:
本发明提出一种延迟焦化干法冷焦装置及方法,包括焦炭塔、余热锅炉、二氧化碳捕集器、冷却器和空气压缩机,余热锅炉进口连接烟气入口管线,出口连接烟气出口管线和净化管线,净化管线与二氧化碳捕集器进口相连,二氧化碳捕集器出口通过管线与冷却器进口相连,冷却器出口通过管路与空气压缩机进口相连,空气压缩机出口通过烟气进气管线与给水给汽管线相连,给水给汽管线与焦炭塔的进料管线相连通,进料管线与焦炭塔的烟气进口相连,焦炭塔的烟气出口通过烟气排气管线与烟气入口管线相连通。本发明用烟气代替冷焦水,利用了焦炭的热量,避免冷焦过程中给水阶段产生的污水,延长焦炭塔设备的使用寿命。
[实用新型]
一种用于多媒体教学的激光装置
申请号:
201822023287.6
状态:
有权
申请日:
2018-12-04
申请人:
武汉科技大学
发明人:
翟晓程、卢珂、李春盈
公开日:
代理机构:
主分类号:
G09B17/02(20060101)
我要购买
摘要:
本实用新型公开了一种用于多媒体教学的激光装置,包括激光发射器,激光发射器一侧设有笔杆,笔杆中心处套设有橡胶笔套,笔杆另一侧表面开设有粉笔槽,粉笔槽内侧面中心处设有柱形块,柱形块上套设有粉笔支架,粉笔支架侧面边缘处通过弹片支架、螺栓和V形弹簧均匀转动连接有多个V形弹片。与现有技术相比,本实用新型的有益效果是:首先,通过设有的橡胶笔套,增加了手与装置表面的摩擦力,使得该装置不那么容易从手中滑落,其次,通过设有的粉笔槽,使得该装置内部可以安装粉笔,使得教师可以在上课板书时,可以一直拿着该装置,也可以避免该装置外表面沾上讲台上的粉笔灰,而使得教师的手上沾太多的粉笔灰。
[发明]
一种用于高压低摩擦液压缸的活塞组合件
申请号:
201811471821.8
状态:
审中-实审
申请日:
2018-12-04
申请人:
武汉科技大学
发明人:
郭媛、吴凛、邓江洪、陈新元、张磊、傅连东、湛从昌
公开日:
2019-02-01
代理机构:
武汉科皓知识产权代理事务所(特殊普通合伙)42222
主分类号:
F15B15/20(2006.01)I
我要购买
摘要:
本发明涉及一种用于高压低摩擦液压缸的活塞组合件。其技术方案是:所述活塞组合件由支承环(1)、密封圈组件(2)、密封环(3)和活塞(4)组成。在活塞(4)的两个支撑环槽(5)的中心处开有密封槽(6),密封槽(6)的底部装有密封环(3),紧贴密封环(3)的外壁套装有密封圈组件(2)。密封圈组件(2)是由密封圈(7)和橡胶垫(8)构成的完整的圆环形,密封圈(7)的外壁均匀地开有大盲孔,大盲孔位于密封圈(7)的中心线上,穿过大盲孔孔心且与密封圈(7)中心线呈正45°和呈负45°方向上分别开有2个小盲孔;密封环(3)为圆环断开式。本发明具有摩擦力小、高频响、能承受高压、密封性能好、工作寿命长、能自动调整密封间隙和拆装方便的特点,适用于高压低摩擦的液压缸。
[实用新型]
一种用于液压缸的活塞组合件
申请号:
201822020809.7
状态:
有权
申请日:
2018-12-04
申请人:
武汉科技大学
发明人:
郭媛、张磊、吴凛、邓江洪、傅连东、陈新元、湛从昌
公开日:
2019-07-23
代理机构:
武汉科皓知识产权代理事务所(特殊普通合伙)42222
主分类号:
F15B15/20(2006.01)I
我要购买
摘要:
本实用新型涉及一种用于液压缸的活塞组合件。其技术方案是:所述活塞组合件由支承环(1)、密封圈组件(2)、密封环(3)和活塞(4)组成。在活塞(4)的两个支撑环槽(5)的中心处开有密封槽(6),密封槽(6)的底部装有密封环(3),紧贴密封环(3)的外壁套装有密封圈组件(2)。密封圈组件(2)是由密封圈(7)和橡胶垫(8)构成的完整的圆环形,密封圈(7)的外壁均匀地开有大盲孔,大盲孔位于密封圈(7)的中心线上,穿过大盲孔孔心且与密封圈(7)中心线呈正45°和呈负45°方向上分别开有2个小盲孔;密封环(3)为圆环断开式。本实用新型具有摩擦力小、高频响、能承受高压、密封性能好、工作寿命长、能自动调整密封间隙和拆装方便的特点,适用于高压低摩擦的液压缸。
[发明]
手动洗衣装置
申请号:
201811465255.X
状态:
审中-实审
申请日:
2018-12-03
申请人:
武汉科技大学
发明人:
边袁杰、陶波
公开日:
2019-04-12
代理机构:
北京路浩知识产权代理有限公司11002
主分类号:
D06F17/00(2006.01)I
我要购买
摘要:
本发明涉及衣物清洗装置领域,公开了一种手动洗衣装置,包括洗衣桶、盖板、压板、弹簧、活塞和冲洗筒;盖板盖合于洗衣桶桶口,压板与盖板通过弹簧连接,压板位于盖板上方;冲洗筒安装于盖板下方;活塞的一端安装于压板,另一端穿过盖板后伸入冲洗筒,且与冲洗筒筒内壁滑动连接;冲洗筒的筒壁设有冲洗孔。本发明提供的手动洗衣装置,只需按压压板进行衣物清洗,将非常累的手洗衣服形式转化为轻松的按压运动形式,减少了皮肤与洗衣液和冷水直接接触的时间,克服了手洗衣物费力、对皮肤不好、冬天冷水冻手的问题,且该装置方便拆装和组装,闲置时空间占用率低。
[实用新型]
一种荧光催化反应器
申请号:
201822013950.4
状态:
有权
申请日:
2018-12-03
申请人:
武汉科技大学
发明人:
陈燚、龚洁、秦志龙、熊柏闻、邓淼、叶群颖、张惠灵、陈润泽
公开日:
2019-08-20
代理机构:
武汉科皓知识产权代理事务所(特殊普通合伙)42222
主分类号:
B01J19/12(2006.01)I
我要购买
摘要:
本实用新型提供一种荧光催化反应器,包括反应器箱体、光源、磁力搅拌器、散热扇、实验器皿座,反应器箱体采用开门式箱体结构,磁力搅拌器埋藏于箱体下部,只留出上磁盘,箱体内侧等高处均布散热扇,光源采用荧光光源,实验器皿座包括固定圈、至少三个支架,磁力搅拌器的磁盘上设有与支架数量相适应的缺口。采用荧光光源,使反应更加平缓。磁力搅拌器和光催化箱体一体设计,避免了周围其他光源的干扰。采用箱体结构可隔绝外界光源,对控制变量性探究实验至为重要。箱体夹层便于插入避光板,既可避光也可不避光。刻度尺、牵引线:方便调整光源到待降解液面的距离。
[实用新型]
作业头快速安装装置
申请号:
201822021870.3
状态:
有权
申请日:
2018-12-03
申请人:
武汉科技大学
发明人:
易静姝
公开日:
2019-08-20
代理机构:
武汉科皓知识产权代理事务所(特殊普通合伙)42222
主分类号:
B25J15/04(2006.01)I
我要购买
摘要:
本实用新型公开一种作业头快速安装装置,将作业头以能够拆卸的方式安装于机械臂上,所述安装装置包括位于机械臂上的连接部件;和将作业头紧固在连接部件上的螺母;连接部件的内部中空以卡合作业头,侧面有与螺母配合的螺纹结构和若干延伸到底部的开口槽;螺母的两端具有旋转把手。本实用新型结构精巧,操作性强,只需将作业头插入机械臂接口,用螺母紧固即可。
[发明]
一种使用固态水墨的作画方法
申请号:
201811461272.6
状态:
审中-实审
申请日:
2018-12-02
申请人:
李艺、武汉科技大学城市学院、彭明新
发明人:
李艺
公开日:
2019-01-22
代理机构:
主分类号:
B44D2/00(2006.01)I
我要购买
摘要:
本发明涉及一种使用固态水墨的作画方法,属于艺术制作的技术领域。本发明提供一种使用固态水墨的作画方法,通过在泥板上刻画图形,然后将不同浓度的墨汁滴入泥板的图形凹槽处后放置冰箱进行冷冻,得到固态的水墨,用固态的水墨冰块在生宣纸上使其自然融化,得到一种特殊的水墨晕染效果的画面。本发明提供的一种使用固态水墨的作画方法包括:调制墨汁、制作泥板、雕刻油泥、滴入墨汁、冷冻墨汁、覆盖画纸、揭起画纸、修饰补色、晾干画纸等主要步骤,从而实现了一种使用固态水墨的作画方法。本发明通过改变水墨的物质形态——凝固状态,提供了中国水墨画的不同角度的作画方法,拓宽了中国水墨画的创作思路,具有很高的艺术制作技术的借鉴价值。
[实用新型]
电线剥皮工具
申请号:
201821997978.X
状态:
有权
申请日:
2018-11-30
申请人:
武汉科技大学
发明人:
夏海、张凯杰、冯树衡、曹磊、张青川、王祺洲
公开日:
2019-08-13
代理机构:
北京路浩知识产权代理有限公司11002
主分类号:
H02G1/12(2006.01)I
我要购买
摘要:
本实用新型涉及电线剥皮技术领域,公开了一种电线剥皮工具,包括设有贯穿通孔的本体,所述本体的一端设有电线进口,所述本体的另一端设有电线出口,所述本体上沿电线进出方向设有槽口,所述槽口内设有剥皮刀,用以划破电线外皮。通过在本体开设槽口,在槽口内安装合适的剥皮刀,电线穿过本体,剥皮刀将电线外皮划破,完成剥皮工作,结构简单,操作方便,可根据电线的粗细选取适配的剥皮刀,适用性强,同时,不会污染环境,便于携带,灵活,剥皮效率高。
[发明]
含尖晶石-铝酸钙复相材料的镁碳材料及其制备方法
申请号:
201811449816.7
状态:
无权-撤回
申请日:
2018-11-30
申请人:
武汉科技大学
发明人:
魏耀武、陈俊峰、李楠
公开日:
2019-02-22
代理机构:
武汉科皓知识产权代理事务所(特殊普通合伙)42222
主分类号:
C04B35/043(2006.01)I
我要购买
摘要:
本发明涉及一种含尖晶石‑铝酸钙复相材料的镁碳材料及其制备方法。其技术方案是:以75~90wt%的镁砂、1~10wt%的尖晶石‑铝酸钙复相材料、2~12wt%的石墨、1~6wt%的铝硅合金粉为原料,外加所述原料2~8wt%的结合剂,搅拌均匀,压制成型,在150~300℃条件下烘烤4~24小时,冷却,制得含尖晶石‑铝酸钙复相材料的镁碳材料。本发明工艺简单,所制备的含尖晶石‑铝酸钙复相材料的镁碳材料不仅具有优良的抗氧化性、热震稳定性能和高温抗折强度的特点,且使用寿命长和能降低对钢水碳含量的影响,适用于冶金炉及容器的内衬。
[发明]
基于免疫危险理论的社交网络水军检测方法
申请号:
201811460190.X
状态:
审中-实审
申请日:
2018-11-30
申请人:
武汉科技大学
发明人:
王渔樵、李涛、肖智婕、常远
公开日:
2019-07-12
代理机构:
湖北武汉永嘉专利代理有限公司42102
主分类号:
G06K9/62(2006.01)I
我要购买
摘要:
本发明公开了一种基于免疫危险理论的社交网络水军检测方法,包括以下步骤:1)采集社交用户信息;2)2)识别信号获取,根据采集的社交用户信息提取社交网络水军的识别信号,包括:事件参与度信号、关系紧密度信号、二阶关联性信号和引导工具使用率信号;3)对各个信号进行融合,得到基于免疫危险理论的社交网络水军检测概率模型。本发明通过选取四种识别信号提出一种高效的水军检测方法,在保证识别准确率的同时,大幅减少了识别所用时间开销。
[实用新型]
家用智能人体健康管理装置
申请号:
201821997979.4
状态:
有权
申请日:
2018-11-30
申请人:
武汉科技大学
发明人:
陈奔
公开日:
2019-10-15
代理机构:
北京路浩知识产权代理有限公司11002
主分类号:
G05B19/042(2006.01)I
我要购买
摘要:
本实用新型涉及人体健康管理技术领域,公开了一种家用智能人体健康管理装置,该装置包括:支撑架、称重模块、口气检测模块、体温检测模块、手持电极模块、显示模块和中央处理模块;支撑架包括:彼此依次连接构成工字型结构的支撑底座、支撑杆和安装座;称重模块设置在所述支撑底座上,口气检测模块设置在安装座上;体温检测模块、手持电极模块、显示模块和中央处理模块分别设置在支撑杆上;所述称重模块、口气检测模块、体温检测模块、手持电极、显示模块分别与中央处理模块电连接。本实用新型提供的一种家用智能人体健康管理装置,能够直观地观察人体的各项健康状况,人工健康检测功能多样,结构简单、体积小巧、使用方便,适用于家庭使用。
[实用新型]
一种具有除霜装置的空调
申请号:
201822011223.4
状态:
有权
申请日:
2018-11-30
申请人:
武汉科技大学
发明人:
程舒婷、彭昱贤、程浩、何俊宇、李冠男
公开日:
2019-07-26
代理机构:
北京轻创知识产权代理有限公司11212
主分类号:
F25D21/08(2006.01)I
我要购买
摘要:
本实用新型公开了一种具有除霜装置的空调,包括室内机、室外机和除霜装置,所述室内机中包括室内换热管盘,所述室外机中包括压缩机和室外换热管盘,所述压缩机与所述室内换热管盘之间通过制冷剂配管连通,所述除霜装置包括温差发电机构、蓄电池、电加热机构,所述温差发电机构安装在所述制冷剂配管位于室外的管体上,所述蓄电池安装在所述室外机内,所述温差发电机构与所述蓄电池电连接,以向所述蓄电池充电,所述电加热机构安装在所述室外换热管盘上,以向所述室外换热管盘供热,且所述电加热机构与所述蓄电池电连接。本实用新型结构简单,有效的对空调进行除霜,且节约能源、值得大力推广。
[发明]
一种氧化钙球粒及其制备方法
申请号:
201811450034.5
状态:
审中-实审
申请日:
2018-11-30
申请人:
武汉科技大学
发明人:
魏耀武、李炳蓉、张涛、李楠
公开日:
2019-02-26
代理机构:
武汉科皓知识产权代理事务所(特殊普通合伙)42222
主分类号:
C01F11/06(2006.01)I
我要购买
摘要:
本发明涉及一种氧化钙球粒及其制备方法。其技术方案是:将石灰石粉置于造粒设备的料桶中,启动造粒设备,按石灰石∶水的质量比为1∶(0.1~0.3)向所述料桶中加入水,当所述造粒设备中开始有球粒形成时;再按石灰石∶水的质量比为1∶(0.1~0.3)向造粒设备中继续加入石灰石粉和水,造粒结束后取出球粒。将所述球粒在100~110℃下干燥5~24小时,然后置于加热炉中,在1500~1800℃的条件下保温1~6小时,冷却,制得氧化钙球粒。所述氧化钙球粒的粒径为0.1~15mm,氧化钙球粒中CaO含量≥90wt%。所述石灰石粉体的CaCO
3
含量≥95wt%;粒径为1~300μm。本发明工艺简单和生产成本低,所制备的氧化钙球粒使用温度高、高温性能稳定和抗水化性能好。
[发明]
一种应用于粉末物料的环形固定床燃烧炉
申请号:
201811452401.5
状态:
审中-实审
申请日:
2018-11-30
申请人:
武汉科技大学
发明人:
潘妮、高标、付继江、戴方钦
公开日:
2019-04-16
代理机构:
武汉华旭知识产权事务所42214
主分类号:
F27B15/00(2006.01)I
我要购买
摘要:
本发明涉及一种应用于粉末物料的环形固定床燃烧炉,设有炉盖、炉体、炉底、内衬板、加热电热体、助燃风系统、物料托盘、水封装置、传动系统、布料机、出料机、排烟装置、检测系统及控制系统。炉底与炉体同心,内衬板将炉体内侧包覆,物料托盘固定于炉底上,炉体与炉底间用水封装置密封,炉底在传动系统作用下绕中心轴转;粉末物料在布料机作用下布料于物料托盘上,在转动炉底的带动下进入炉内,助燃风系统将空气鼓入炉内,加热电热体将粉末物料及空气加热至起燃烧反应;燃烧产生烟气由排烟装置排出,粉末物料从入口处进入在炉内运转并完全燃烧,至出口处由出料机送出。本燃烧炉结构简单、运动过程稳定,且制造成本低、施工维修简便及使用寿命长。
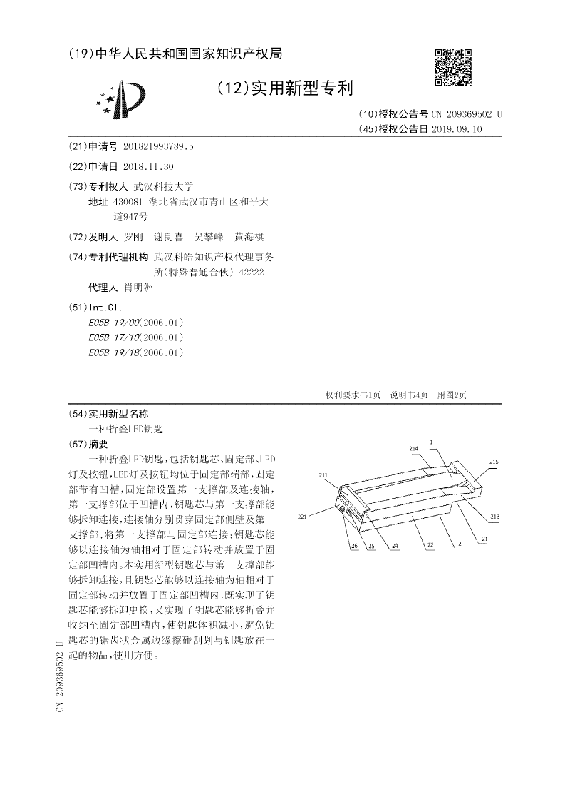
[实用新型]
一种折叠LED钥匙
申请号:
201821993789.5
状态:
有权
申请日:
2018-11-30
申请人:
武汉科技大学
发明人:
罗刚、谢良喜、吴攀峰、黄海祺
公开日:
2019-09-10
代理机构:
武汉科皓知识产权代理事务所(特殊普通合伙)42222
主分类号:
E05B19/00(2006.01)I
我要购买
摘要:
一种折叠LED钥匙,包括钥匙芯、固定部、LED灯及按钮,LED灯及按钮均位于固定部端部,固定部带有凹槽,固定部设置第一支撑部及连接轴,第一支撑部位于凹槽内,钥匙芯与第一支撑部能够拆卸连接,连接轴分别贯穿固定部侧壁及第一支撑部,将第一支撑部与固定部连接;钥匙芯能够以连接轴为轴相对于固定部转动并放置于固定部凹槽内。本实用新型钥匙芯与第一支撑部能够拆卸连接,且钥匙芯能够以连接轴为轴相对于固定部转动并放置于固定部凹槽内,既实现了钥匙芯能够拆卸更换,又实现了钥匙芯能够折叠并收纳至固定部凹槽内,使钥匙体积减小,避免钥匙芯的锯齿状金属边缘擦碰刮划与钥匙放在一起的物品,使用方便。
[实用新型]
一种自带切断功能的胶带
申请号:
201822011287.4
状态:
有权
申请日:
2018-11-30
申请人:
武汉科技大学
发明人:
石琇赟、张艳影、李雨
公开日:
2019-08-09
代理机构:
北京轻创知识产权代理有限公司11212
主分类号:
B65H35/07(2006.01)I
我要购买
摘要:
本实用新型涉及一种自带切断功能的胶带,该自带切断功能的胶带包括胶带、固定在所述胶带的胶带轴的底座和固定在所述底座上的伸缩式刀具组件,所述伸缩式刀具组件包括固定在所述底座上的刀壳、固定在所述刀壳内的刀片和带动所述刀片伸出或缩入所述刀壳的拨动键。本实用新型的自带切断功能的胶带自带刀片,可以对胶带进行切断,不用时刀片不会伸出,安全又方便。
首页
上一页
131
132
133
134
135
136
137
138
139
140
下一页
尾页
当前共找到
8115
个专利记录
,当前显示页码
134/406