首页
专利查询
专利购买
专利转让
专利申请
15071489439
当前位置:
专利巴士
专利查询
专利名称
查询
高级查询
当前共找到
8115
个专利记录
,当前显示页码
139/406
专利名称
申请号
申请人
发明人
专利代办机构
[发明]
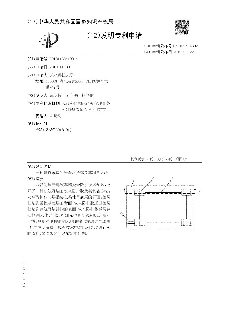
一种建筑幕墙的安全防护膜及其制备方法
申请号:
201811324100.4
状态:
审中-实审
申请日:
2018-11-08
申请人:
武汉科技大学
发明人:
谭明权、姜学鹏、柯华丽
公开日:
2019-03-22
代理机构:
武汉科皓知识产权代理事务所(特殊普通合伙)42222
主分类号:
C09J7/29(2018.01)I
我要购买
摘要:
本发明属于建筑幕墙安全防护技术领域,公开了一种建筑幕墙的安全防护膜及其制备方法,安全防护传感层贴装在柔性基底层的正面,胶层粘贴到柔性基底层的背面,安全防护膜通过胶层粘贴到建筑幕墙结构的表面,安全防护传感层包括检测元件、导线,检测元件和导线构成惠斯通电桥,惠斯通电桥的输入端和输出端通过导线引出。本发明解决了现有技术中难以对幕墙进行实时监控,幕墙破碎容易散落的问题。
[实用新型]
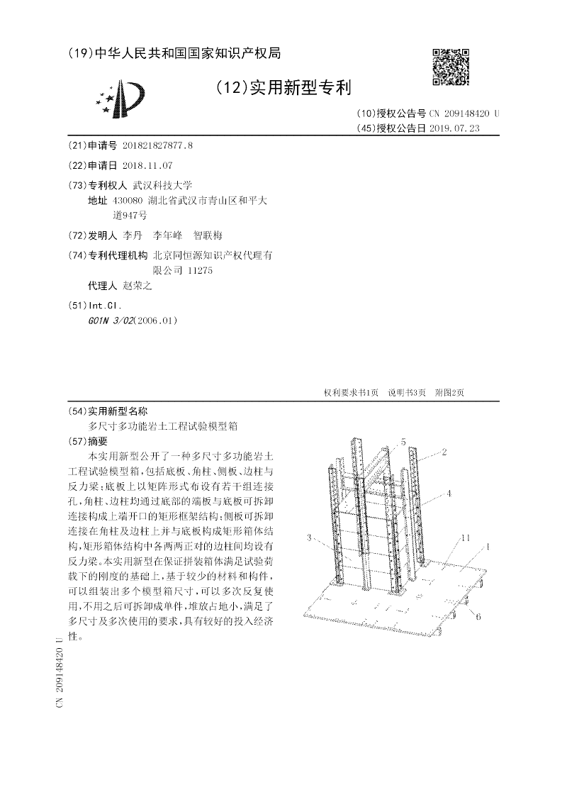
多尺寸多功能岩土工程试验模型箱
申请号:
201821827877.8
状态:
有权
申请日:
2018-11-07
申请人:
武汉科技大学
发明人:
李丹、李年峰、智联梅
公开日:
2019-07-23
代理机构:
北京同恒源知识产权代理有限公司11275
主分类号:
G01N3/02(2006.01)I
我要购买
摘要:
本实用新型公开了一种多尺寸多功能岩土工程试验模型箱,包括底板、角柱、侧板、边柱与反力梁;底板上以矩阵形式布设有若干组连接孔,角柱、边柱均通过底部的端板与底板可拆卸连接构成上端开口的矩形框架结构;侧板可拆卸连接在角柱及边柱上并与底板构成矩形箱体结构,矩形箱体结构中各两两正对的边柱间均设有反力梁。本实用新型在保证拼装箱体满足试验荷载下的刚度的基础上,基于较少的材料和构件,可以组装出多个模型箱尺寸,可以多次反复使用,不用之后可拆卸成单件,堆放占地小,满足了多尺寸及多次使用的要求,具有较好的投入经济性。
[发明]
钢管混凝土节点结构及其施工方法
申请号:
201811318439.3
状态:
审中-实审
申请日:
2018-11-07
申请人:
武汉科技大学
发明人:
张春雷、李成玉
公开日:
2019-02-15
代理机构:
北京路浩知识产权代理有限公司11002
主分类号:
E04B1/58(2006.01)I
我要购买
摘要:
本发明涉及建筑工程技术领域,提供了一种钢管混凝土节点结构及其施工方法。该钢管混凝土节点结构包括第一钢管,若干第二钢管,若干钢梁以及若干第一固定板;第一钢管竖直设置;第二钢管沿第一钢管的周向均匀布置,第二钢管的一端与第一钢管的管壁焊接,第二钢管的另一端与第一固定板焊接;第一固定板竖直设置,第一固定板的板面上设置有第一开口,且第一开口贯穿第一固定板,第二钢管靠近第一固定板的一端的管壁对应地设置有第二开口;钢梁的一端插置在第一开口及第二开口内,与第一固定板及第二钢管焊接。本发明提供的钢管混凝土节点结构,增大了各部分的接触面积,使得焊接点位增加,承重能力得到提高。
[发明]
一种气体流量调节装置及除尘器及除尘系统
申请号:
201811318460.3
状态:
审中-实审
申请日:
2018-11-07
申请人:
武汉科技大学
发明人:
居桦林、幸福堂
公开日:
2019-02-15
代理机构:
北京路浩知识产权代理有限公司11002
主分类号:
C21C5/40(2006.01)I
我要购买
摘要:
本发明涉及除尘技术领域,提供了一种气体流量调节装置及除尘器及除尘系统,该气体流量调节装置包括文氏管及重铊;文氏管包括渐扩管与渐缩管,渐缩管与渐扩管连接以形成喉口,渐缩管位于渐扩管的下方;重铊可移动地设置在喉口处,重铊的铊身呈第一弧线型,用于控制流出喉口的气体保持预设流速;渐缩管的大口端设置有进气口,渐扩管的大口端设置有出气口,渐缩管分为上半管与下半管,上半管的管壁呈第二弧线型,用于控制流入喉口的气体的流速与预设流速相等。本发明提供的文氏管及重铊,通过调节重铊的位置,来改变喉口的大小,以及改变重铊与上半管之间的环缝的大小,使得气体保持在最佳除尘效果时的流速。
[发明]
超疏水苯乙烯-丁二烯-苯乙烯三嵌段共聚物基乳液的制备方法及其应用
申请号:
201811310860.X
状态:
审中-实审
申请日:
2018-11-06
申请人:
武汉科技大学
发明人:
陈彬、黄艳芬
公开日:
2019-03-29
代理机构:
武汉科皓知识产权代理事务所(特殊普通合伙)42222
主分类号:
C09D153/02(2006.01)I
我要购买
摘要:
本发明公开了一种超疏水苯乙烯‑丁二烯‑苯乙烯三嵌段共聚物基乳液的制备方法:将苯乙烯‑丁二烯‑苯乙烯三嵌段共聚物与第一溶剂按质量比为1:19的比例加热同时高速搅拌,使之混合均匀成为单一溶液,制得苯乙烯‑丁二烯‑苯乙烯三嵌段共聚物聚合物溶液;然后在上述聚合物溶液中依次加入相应质量的第一溶剂以及碳酸钙颗粒,使得碳酸钙固含量为80%,总固含量为5%,并高速搅拌0.5h制得超疏水溶液。本制备方法通过加入碳酸钙改变苯乙烯‑丁二烯‑苯乙烯三嵌段共聚物的亲水性,然后将其用于涂料,提高其疏水性能,同时兼具良好的自清洁、机械性能和附着性能,制备条件简单,设备常见,原料价廉,适用于工业化大批量生产。
[发明]
石墨相氮化碳泡沫复合氧化亚铜量子点光催化材料及其制备方法
申请号:
201811314451.7
状态:
审中-实审
申请日:
2018-11-06
申请人:
武汉科技大学
发明人:
赵雷、孙志敏、方伟、何漩、陈辉、李薇馨、张富青
公开日:
2019-02-01
代理机构:
武汉科皓知识产权代理事务所(特殊普通合伙)42222
主分类号:
B01J27/24(2006.01)I
我要购买
摘要:
本发明涉及一种石墨相氮化碳泡沫复合氧化亚铜量子点光催化材料及其制备方法。其技术方案是:将10~15质量份无水甲醇和10~15质量份过氧化氢溶液溶于100质量份CuSO
4
溶液中,搅拌,再加入0.1~0.5质量份g‑C
3
N
4
泡沫,搅拌;然后于氮气气氛和300W汞灯照射下反应1~5h,过滤,洗涤,干燥,制得石墨相氮化碳泡沫复合氧化亚铜量子点光催化材料;所制制品的催化活性高。所述g‑C
3
N
4
泡沫的制备方法是:将5~14质量份g‑C
3
N
4
加入100质量份去离子水中,混匀后加入1.7~2.0质量份十二烷基磺酸钠、1.7~2.0质量份十二醇和1.7~2.0质量份树脂胶,经低速搅拌和高速搅拌后加入5~14质量份结合剂,继续搅拌,成型,冷冻干燥,80~100℃干燥,得到g‑C
3
N
4
泡沫。
[发明]
石墨相氮化碳泡沫复合氧化亚铜纳米颗粒光催化材料及其制备方法
申请号:
201811314435.8
状态:
审中-实审
申请日:
2018-11-06
申请人:
武汉科技大学
发明人:
方伟、赵雷、孙志敏、陈辉、何漩、李薇馨、田盼
公开日:
2019-02-01
代理机构:
武汉科皓知识产权代理事务所(特殊普通合伙)42222
主分类号:
B01J27/24(2006.01)I
我要购买
摘要:
本发明涉及一种石墨相氮化碳泡沫复合氧化亚铜纳米颗粒光催化材料及其制备方法。其方案是:将5~8质量份CuSO
4
·5H
2
O溶液加入到1质量份石墨相C
3
N
4
泡沫中,静置,匀速加入3~6质量份NaOH溶液,室温反应,再匀速加入10~30质量份葡萄糖溶液,室温反应,洗涤,干燥,得到石墨相氮化碳泡沫复合氧化亚铜纳米颗粒光催化材料。所制制品的光催化解水制氢性能良好。石墨相C
3
N
4
泡沫制备方法是:在100质量份去离子水中加入5~14质量份石墨相C
3
N
4
,搅拌,再加入1.7~2.0质量份十二烷基磺酸钠、1.7~2.0质量份十二醇和1.7~2.0质量份树脂胶,经低速搅拌和高速搅拌后加入5~14质量份结合剂,搅拌,成型,冷冻干燥,80~100℃干燥,制得石墨相C
3
N
4
泡沫。
[发明]
一种泡沫石墨烯光热材料及其制备方法
申请号:
201811313935.X
状态:
审中-实审
申请日:
2018-11-06
申请人:
武汉科技大学
发明人:
方伟、赵雷、张涛、张文豪、何漩、陈辉、李薇馨
公开日:
2019-02-22
代理机构:
武汉科皓知识产权代理事务所(特殊普通合伙)42222
主分类号:
C04B26/12(2006.01)I
我要购买
摘要:
本发明涉及一种泡沫石墨烯光热材料及其制备方法。其技术方案是:将100质量份的氧化石墨烯分散液、1~1.5质量份的十二烷基磺酸钠、1~1.5质量份的十二醇和1~1.5质量份的树脂胶在40~60℃条件下均匀混合,即得混合液;在转速为1500~2000r/min的条件下,将所述混合液搅拌10~15min,再向搅拌中的混合液中加入1~2.5质量份的结合剂,继续搅拌5~10min;然后浇注成型,冷冻干燥10~18h,在80~100℃条件下干燥18~24h,制得泡沫石墨烯光热材料。所述氧化石墨烯分散液的浓度为0.5~1.2mg/mL;所述结合剂为酚醛树脂或为环氧树脂。本发明制备工艺简单和成本低廉;所制备的泡沫石墨烯光热材料的水蒸发效率和光热转换效率高。
[发明]
一种石墨相氮化碳泡沫光催化材料及其制备方法
申请号:
201811314212.1
状态:
审中-实审
申请日:
2018-11-06
申请人:
武汉科技大学
发明人:
赵雷、孙志敏、方伟、李薇馨、陈辉、何漩、黄朝晖
公开日:
2019-01-25
代理机构:
武汉科皓知识产权代理事务所(特殊普通合伙)42222
主分类号:
B01J27/24(2006.01)I
我要购买
摘要:
本发明涉及一种石墨相氮化碳泡沫光催化材料及其制备方法。其技术方案是:将5~14质量份的石墨相氮化碳加入到100质量份的去离子水中,混合,再加入1.7~2.0质量份的十二烷基磺酸钠、1.7~2.0质量份的十二醇和1.7~2.0质量份的树脂胶,在40~60℃和100~200r/min的条件下搅拌10~20min,得到混合液;然后于1500~2000r/min条件下,将混合液搅拌15~20min,再加入5~14质量份的结合剂,继续搅拌5~10min,得到石墨相氮化碳泡沫料浆;将所述石墨相氮化碳泡沫料浆浇注成型,冷冻干燥6~12h,于80~100℃条件下干燥18~24h,得到石墨相氮化碳泡沫光催化材料。本发明工艺简单和成本低廉;制备的石墨相氮化碳泡沫光催化材料的光催化产氢效率高。
[发明]
一种炭化稻壳泡沫光热材料及其制备方法
申请号:
201811314211.7
状态:
审中-实审
申请日:
2018-11-06
申请人:
武汉科技大学
发明人:
方伟、赵雷、陈晓东、沈悦、陈辉、何漩、李薇馨
公开日:
2019-03-26
代理机构:
武汉科皓知识产权代理事务所(特殊普通合伙)42222
主分类号:
C08L63/00(2006.01)I
我要购买
摘要:
本发明涉及一种炭化稻壳泡沫光热材料及其制备方法。其技术方案是:将2~8质量份的炭化稻壳加入到100质量份的去离子水中,混合均匀,再加入2~2.5质量份的十二烷基磺酸钠、2~2.5质量份的十二醇和2~2.5质量份的树脂胶,在40~60℃和100~200r/min条件下搅拌10~20min,得到混合液;在转速为1500~2000r/min的条件下,将混合液搅拌15~20min,再向搅拌中的混合液加入3~12质量份的结合剂,继续搅拌5~10min,得到炭化稻壳泡沫料浆;将炭化稻壳泡沫料浆浇注成型,冷冻干燥6~12h,再于80~100℃条件下干燥18~24h,制得炭化稻壳泡沫光热材料。本发明工艺简单和成本低廉;所制备的炭化稻壳泡沫光热材料的水蒸发效率和光热转换效率高。
[发明]
厌氧消化-生物电解耦合反应器剩余污泥处理装置
申请号:
201811308766.0
状态:
审中-实审
申请日:
2018-11-05
申请人:
武汉科技大学
发明人:
陈小进、王黎、张鹏程、邓飞虎、吴子健、王泽
公开日:
2019-04-16
代理机构:
北京众达德权知识产权代理有限公司11570
主分类号:
C02F11/04(2006.01)I
我要购买
摘要:
本发明公开了一种厌氧消化‑生物电解耦合反应器剩余污泥处理装置,属于污泥水解碳化处理技术领域。所述厌氧消化‑生物电解耦合反应器剩余污泥处理装置包括:筒体顶部设置有电机及集气袋,筒体的底部设置有出泥口;厌氧消化区A处设置有进泥口,进泥口处设置有进泥泵,厌氧消化区内设置有搅拌器,搅拌器与电机的输出端连接,厌氧消化区的内壁上设置有臭氧发生器,厌氧消化区与出泥口连通。本发明厌氧消化‑生物电解耦合反应器剩余污泥处理装置既避免了传统处理污泥时的约束、不合理化和二次污染问题,同时又产生了新的可再生能源。
[发明]
一种传感检测模块及建筑幕墙结构安全检测系统
申请号:
201811306283.7
状态:
审中-实审
申请日:
2018-11-05
申请人:
武汉科技大学
发明人:
谭明权、姜学鹏、柯华丽
公开日:
2019-02-01
代理机构:
武汉科皓知识产权代理事务所(特殊普通合伙)42222
主分类号:
G01N29/04(2006.01)I
我要购买
摘要:
本发明属于结构健康检测技术领域,公开了一种传感检测模块及建筑幕墙结构安全检测系统,其中传感检测模块包括吸盘、固定架、引线接口、压电传感器,固定架内嵌于吸盘中,固定架设置有引线接口,压电传感器固定在固定架上,压电传感器的连接线通过引线接口引出;建筑幕墙结构安全检测系统包括多个传感检测模块,且分布式地设置在建筑幕墙结构件上,一个传感检测模块作为激励传感器,其余传感检测模块作为接收传感器,激励传感器用于产生激励信号,接收传感器用于接收激励信号,获取建筑幕墙结构件的安全检测信息。本发明能够克服现有建筑幕墙结构安全检测技术和装备的缺点和不足,用于对复杂曲面幕墙结构件进行在线监测。
[发明]
一种废旧轮胎裂解炉
申请号:
201811308783.4
状态:
审中-实审
申请日:
2018-11-05
申请人:
武汉科技大学
发明人:
邓飞虎、王黎、陈小进、张鹏程、吴子建、王泽
公开日:
2019-04-16
代理机构:
北京众达德权知识产权代理有限公司11570
主分类号:
C10B53/07(2006.01)I
我要购买
摘要:
本发明公开了一种废旧轮胎裂解炉,属于轮胎处理技术领域。所述废旧轮胎裂解炉包括:所述外壳顶端设置有进料斗,所述进料斗的第一出料口通过进料槽与所述外壳的进料口相连,所述进料槽上下两端分别设有第一插板阀和第二插板阀;所述外壳底端开设有第二出料口,所述第二出料口处设置有出料组件;所述外壳顶端设置有排烟口,所述排烟口与废气处理装置连接;所述内胆设置在所述壳体的内壁上,所述保温层设置在所述内胆与所述壳体内壁之间,所述电加热器设置在所述保温层与所述内胆之间,所述搅拌器设置在所述内胆内。本发明可以保证废旧轮胎在保证密封裂解气体的同时完成轮胎颗粒的连续进料。
[发明]
一种废水去离子处理装置
申请号:
201811309400.5
状态:
审中-实审
申请日:
2018-11-05
申请人:
武汉科技大学
发明人:
吴子健、王黎、张鹏程、陈小进、邓飞虎、王泽
公开日:
2019-05-10
代理机构:
北京众达德权知识产权代理有限公司11570
主分类号:
C02F1/469(2006.01)I
我要购买
摘要:
本发明公开了一种废水去离子处理装置,属于矿业废水去离子处理技术领域。所述废水去离子处理装置包括:离子反应池的入水口与动力机构的出水口连通,离子反应池的出水口与回流蓄水池的入水口连通,离子反应池内设置有第一吸附电极及第二吸附电极;回流管道的进水口与回流蓄水池的回流口连通,回流管道的进水口的出水口与动力机构的回流口连通;电导率检测器设置在回流蓄水池内;供电机构与动力机构及电导率检测器连接,第一吸附电极与供电机构的正极连接,第二吸附电极与供电机构的负极连接。本发明废水去离子处理装置可以将矿业废水中离子从水中吸附,无二次污染,提高了对持久性有机污染物的去除效率。
[发明]
一种高速转弯减速自动化的系统
申请号:
201811308719.6
状态:
审中-实审
申请日:
2018-11-05
申请人:
武汉科技大学
发明人:
蒋炘鑫、王晓东、代馨悦、王文沛、胡传智、龚洁
公开日:
2019-03-29
代理机构:
北京轻创知识产权代理有限公司11212
主分类号:
B62K21/00(2006.01)I
我要购买
摘要:
本发明涉及一种高速转弯减速自动化的系统,其包括:设置在至头管内的角度记录系统和设置在轮轴上的自动减速系统,自动减速系统包括液压减速系统和速度识别系统,角度记录系统通过塑性线与液压减速系统传动连接,轮轴的转速大于临界值,速度识别系统松开液压减速系统,角度记录系统随至头管偏转并通过塑性线拉动液压减速系统对轮轴进行减速,或者,轮轴转动的转速小于或等于临界值速度识别系统固定液压减速系统。本发明能够判断车辆转弯时车速是否高于安全车速,并在车速过高时进行自动减速,车速较低时不进行制动,既保证车辆行驶的安全性,也避免一定的能量损耗,实现了机械的自动化。
[实用新型]
一种基于磁力搅拌的光催化反应器
申请号:
201821810373.5
状态:
有权
申请日:
2018-11-05
申请人:
武汉科技大学
发明人:
陈燚、龚洁、秦志龙、熊柏闻、邓淼、叶群颖、张惠灵、陈润泽
公开日:
2019-09-10
代理机构:
武汉科皓知识产权代理事务所(特殊普通合伙)42222
主分类号:
C02F1/72(2006.01)I
我要购买
摘要:
本实用新型公开一种基于磁力搅拌的光催化反应器,包括磁力搅拌器本体,磁力搅拌器本体内设有搅拌器磁盘,还包括器皿固定座、灯罩、灯座、灯、光源电路、散热风扇、可控电阻、光强调节旋钮,器皿固定座底面不含磁性物质,灯罩底部固定连接在磁力搅拌器本体上,灯罩为双层空心结构,其上配有避光上盖,灯罩形状规则,内壁均布有灯座,灯座上可拆卸安装有灯。灯罩能够调整高度。散热风扇固定在灯罩内壁。光源电路中加入可控电阻,可调整光源强度。器皿固定座包括固定环和至少两个支撑脚,支撑脚的上端将圆环均分,并固定连接在圆环上,支撑脚的下端刚好可嵌套在搅拌器磁盘上。本实用新型能够固定器皿,能够避免其他光源干扰。
[发明]
一种图纸存放装置
申请号:
201811302711.9
状态:
审中-实审
申请日:
2018-11-02
申请人:
武汉科技大学
发明人:
胡贝、李林琪、伍昌友
公开日:
2019-02-19
代理机构:
北京轻创知识产权代理有限公司11212
主分类号:
A47B63/02(2006.01)I
我要购买
摘要:
本发明提供了一种图纸存放装置,包括:第一板体、第二板体和端盖,所述第一板体水平设置,所述第二板体的一端与所述第一板体的一端转动连接,所述第二板体绕所述第一板体的一端360°转动,以使其另一端转动至所述第一板体的另一端上方或下方,以将图纸夹持在所述第一板体和所述第二板体之间,所述端盖可拆卸的安装在所述第一板体的另一端,以在所述第二板体的另一端转动至所述第一板体的另一端上方或下方时,将所述第一板体和第二板体连接固定。
[发明]
一种用于沥青混凝土恒温恒湿蠕变回复实验的装置
申请号:
201811300140.5
状态:
审中-实审
申请日:
2018-11-02
申请人:
武汉科技大学
发明人:
曾国伟、刘浩轩、周鹏、司剑峰、吴亮、邵俊华、磨季云、夏世林
公开日:
2018-12-25
代理机构:
武汉泰山北斗专利代理事务所(特殊普通合伙)42250
主分类号:
G01N3/32(2006.01)I
我要购买
摘要:
本发明公开了一种用于沥青混凝土恒温恒湿蠕变回复实验的装置,其包括恒温恒湿箱、内置在恒温恒湿箱中的试验仪,所述试验仪包括底板、设置在底板上的材料试样以及测量组件、均匀分布在底板一侧的第一立柱组合以及另一侧的第二立柱组合、穿过第一立柱组合和第二立柱组合的轻质板、设置在第一立柱组合中的往复运动机构、控制往复运动机构运作的马达、设置在往复运动机构下方的重物桶;所述往复运动机构包括凸轮和连动机构,所述马达通过控制凸轮圆周运动,带动连动机构进行竖直往复运动,从而控制连动机构与重物桶的接触与分离,控制重物桶的加载与卸载。
[实用新型]
一种用于沥青混凝土恒温恒湿蠕变回复实验的装置
申请号:
201821799651.1
状态:
有权
申请日:
2018-11-02
申请人:
武汉科技大学
发明人:
曾国伟、刘浩轩、周鹏、司剑峰、吴亮、邵俊华、磨季云、夏世林
公开日:
2019-07-12
代理机构:
武汉泰山北斗专利代理事务所(特殊普通合伙)42250
主分类号:
G01N3/32(2006.01)I
我要购买
摘要:
本实用新型公开了一种用于沥青混凝土恒温恒湿蠕变回复实验的装置,其包括恒温恒湿箱、内置在恒温恒湿箱中的试验仪,所述试验仪包括底板、设置在底板上的材料试样以及测量组件、均匀分布在底板一侧的第一立柱组合以及另一侧的第二立柱组合、穿过第一立柱组合和第二立柱组合的轻质板、设置在第一立柱组合中的往复运动机构、控制往复运动机构运作的马达、设置在往复运动机构下方的重物桶;所述往复运动机构包括凸轮和连动机构,所述马达通过控制凸轮圆周运动,带动连动机构进行竖直往复运动,从而控制连动机构与重物桶的接触与分离,控制重物桶的加载与卸载。
[实用新型]
止逆阀
申请号:
201821802376.4
状态:
有权
申请日:
2018-11-02
申请人:
武汉科技大学
发明人:
王淑婷、幸福堂
公开日:
2019-07-12
代理机构:
北京路浩知识产权代理有限公司11002
主分类号:
F16K15/03(2006.01)I
我要购买
摘要:
本实用新型实施例提供一种止逆阀,涉及开关装置技术领域。其包括阀体,阀体包括第一阀体、第二阀体及第三阀体,第二阀体的一端与第一阀体可拆卸连接,第二阀体的另一端与第三阀体可拆卸连接,在第二阀体内设有通孔,在第一阀体与第三阀体内分别设有与通孔连通的通道,通孔的一端可转动地安装用于封堵通孔的阀片。本实用新型提供的止逆阀,阀片转动安装在通孔的一端,从而便于使用时烟气冲开阀片排出;第一阀体与第二阀体可拆卸连接,第二阀体与第三阀体可拆卸连接,当该止逆阀长时间使用后,阀片上容易集聚大量油污,影响排烟效果,此时,将第二阀体从第一阀体和第三阀体上拆卸下来即可清洗阀片,操作简便。
首页
上一页
131
132
133
134
135
136
137
138
139
140
下一页
尾页
当前共找到
8115
个专利记录
,当前显示页码
139/406