首页
专利查询
专利购买
专利转让
专利申请
15071489439
当前位置:
专利巴士
专利查询
专利名称
查询
高级查询
当前共找到
8115
个专利记录
,当前显示页码
142/406
专利名称
申请号
申请人
发明人
专利代办机构
[发明]
一种限速阀瞬时流量特性测试装置及其测试方法
申请号:
201811241967.3
状态:
审中-实审
申请日:
2018-10-24
申请人:
武汉科技大学
发明人:
邓江洪、蒋俊、陈新元、郭媛、傅连东、陈奎生、湛从昌、卢云丹、张昌、刘琥铖
公开日:
2019-01-25
代理机构:
武汉科皓知识产权代理事务所(特殊普通合伙)42222
主分类号:
F15B19/00(2006.01)I
我要购买
摘要:
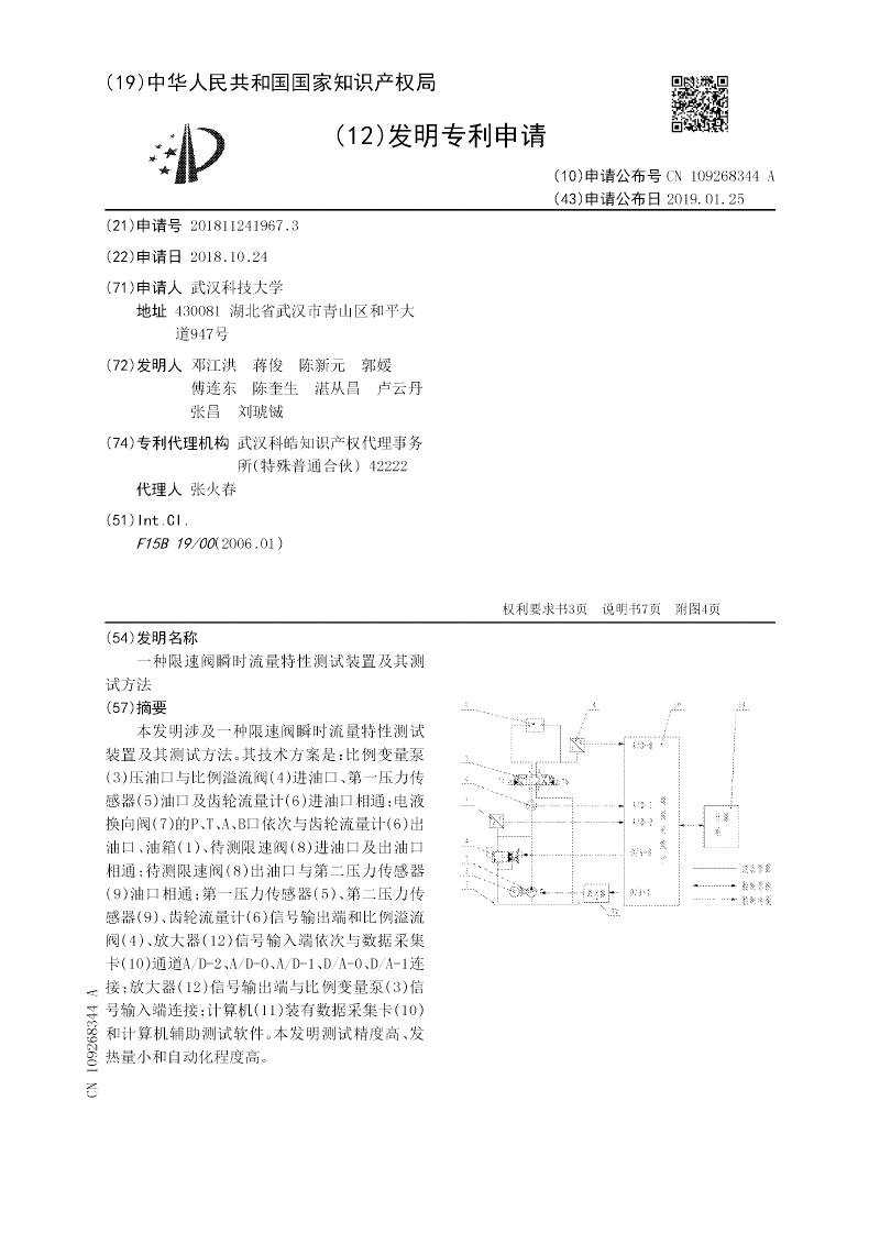
本发明涉及一种限速阀瞬时流量特性测试装置及其测试方法。其技术方案是:比例变量泵(3)压油口与比例溢流阀(4)进油口、第一压力传感器(5)油口及齿轮流量计(6)进油口相通;电液换向阀(7)的P、T、A、B口依次与齿轮流量计(6)出油口、油箱(1)、待测限速阀(8)进油口及出油口相通;待测限速阀(8)出油口与第二压力传感器(9)油口相通;第一压力传感器(5)、第二压力传感器(9)、齿轮流量计(6)信号输出端和比例溢流阀(4)、放大器(12)信号输入端依次与数据采集卡(10)通道A/D‑2、A/D‑0、A/D‑1、D/A‑0、D/A‑1连接;放大器(12)信号输出端与比例变量泵(3)信号输入端连接;计算机(11)装有数据采集卡(10)和计算机辅助测试软件。本发明测试精度高、发热量小和自动化程度高。
[实用新型]
一种用于模拟岩石二向地应力状态下的实验装置
申请号:
201821723964.9
状态:
有权
申请日:
2018-10-24
申请人:
武汉科技大学
发明人:
吴亮、向晓锐、杨德明、陈洋、杨旭风、蔡路军、曾国伟、周俊如
公开日:
2019-05-21
代理机构:
武汉泰山北斗专利代理事务所(特殊普通合伙)42250
主分类号:
G01N3/02(2006.01)I
我要购买
摘要:
本实用新型涉及一种用于模拟岩石二向地应力状态下的实验装置,包括钢架、第一加圧板和第二加圧板;第一加圧板和第二加圧板分别竖直贴靠在钢架相邻的两侧内壁上,第一加圧板与钢架对应侧内壁之间形成多个均匀分布的第一加压腔,第二加圧板与钢架一侧侧壁之间形成多个均匀分布的第二加压腔;第一加圧板靠近第二加圧板的一侧沿其边沿线自上而下等间距间隔的设有多个卡块,第二加圧板靠近第一加圧板的一侧设有多个与卡块一一对应的缺口,卡块伸入对应的缺口内;岩样夹持在第一加圧板、第二加圧板和钢架之间;第一加压腔和第二加压腔分别填充有加压介质。优点:结构设计简单、合理,能够有效的模拟岩石二向地应力状态。
[发明]
一种中间相炭微球及利用沥青热裂油制备中间相炭微球的方法
申请号:
201811242847.5
状态:
审中-实审
申请日:
2018-10-24
申请人:
武汉科技大学
发明人:
袁观明、崔正威、董志军、李轩科、丛野、张江、朱辉、李艳军、张琴
公开日:
2019-01-11
代理机构:
北京轻创知识产权代理有限公司11212
主分类号:
C01B32/05(2017.01)I
我要购买
摘要:
本发明属于中间相炭微球的制备技术领域,具体涉及一种中间相炭微球及利用沥青热裂油制备中间相炭微球的方法。该方法包括以下步骤:1)将沥青热裂油过滤除渣,然后将沥青热裂油用第一有机溶剂溶解,再蒸馏得到可溶组分;2)将步骤1)得到的可溶组分在管式密闭容器内进行热处理,得到热聚产物;3)将步骤2)得到的热聚产物用第二有机溶剂溶解后抽滤,得到滤饼,再将滤饼粉碎,经烘干处理后再进行炭化,即得中间相炭微球。本发明将炭素行业生产过程中产生的大量热解油再利用,制备具有高附加价值的中间相炭微球,有效解决废物利用及环保问题。
[实用新型]
一种冲水系统
申请号:
201821720855.1
状态:
有权
申请日:
2018-10-23
申请人:
武汉科技大学
发明人:
何良泽、冯运虎、李毅、鲁邦潮
公开日:
2019-09-06
代理机构:
北京轻创知识产权代理有限公司11212
主分类号:
E03D3/10(2006.01)I
我要购买
摘要:
本实用新型公开一种冲水系统,包括水箱、输水管道、冲水管道和增压装置,所述增压装置通过所述输水管道与所述水箱内部连通,所述增压装置与所述冲水管道的一端连通,所述冲水管道的另一端构成排水口,所述冲水管道上设有阀门,所述阀门用于启闭所述冲水管道。本实用新型所述冲水系统提高了冲洗效果,避免加大水量冲洗便器,从而避免了水资源的浪费。
[实用新型]
一种自动化高效答题册扫描装置
申请号:
201821714996.2
状态:
有权
申请日:
2018-10-23
申请人:
武汉科技大学
发明人:
饶刚、杨东恒、王威、刘志文、赵敏、胡斌、金彬、闫帅、王文军
公开日:
2019-08-16
代理机构:
武汉科皓知识产权代理事务所(特殊普通合伙)42222
主分类号:
H04N1/00(2006.01)I
我要购买
摘要:
本实用新型创造公开一种自动化高效答题册扫描装置,包括控制系统、信息采集系统、吸附移动机构、夹持移动机构、翻页抹平机构、防复吸机构,收集装置。首先吸附移动机构移到答题册上方,吸起一本答题册到夹持位置。然后夹持移动机构运动到夹持位置,夹住硬边并移动到扫描区域。信息采集系统扫描页面,吸附移动机构再次工作,掀起扫描过的页面,同时防复吸机构一工作,压板触碰掀起的那页答题册。抹平架移动到夹持位置时吸盘松开,抹平架继续向右移动。防复吸机构二压住翻过的页面,抹平架复位防复吸机构一压住答题册,再次扫描,一本答题册扫描完成后,吸附移动机构复位,夹持移动机构将答题册移送给自动收集装置。
[发明]
一种自动化高效答题册扫描装置
申请号:
201811233961.1
状态:
审中-实审
申请日:
2018-10-23
申请人:
武汉科技大学
发明人:
饶刚、杨东恒、王威、刘志文、赵敏、胡斌、金彬、闫帅、王文军
公开日:
2019-01-11
代理机构:
武汉科皓知识产权代理事务所(特殊普通合伙)42222
主分类号:
H04N1/00(2006.01)I
我要购买
摘要:
本发明创造公开一种自动化高效答题册扫描装置,包括控制系统、信息采集系统、吸附移动机构、夹持移动机构、翻页抹平机构、防复吸机构,收集装置。首先吸附移动机构移到答题册上方,吸起一本答题册到夹持位置。然后夹持移动机构运动到夹持位置,夹住硬边并移动到扫描区域。信息采集系统扫描页面,吸附移动机构再次工作,掀起扫描过的页面,同时防复吸机构一工作,压板触碰掀起的那页答题册。抹平架移动到夹持位置时吸盘松开,抹平架继续向右移动。防复吸机构二压住翻过的页面,抹平架复位防复吸机构一压住答题册,再次扫描,一本答题册扫描完成后,吸附移动机构复位,夹持移动装置将答题册移送给自动收集装置。
[发明]
城市道路规划装置
申请号:
201811284755.3
状态:
审中-公开
申请日:
2018-10-22
申请人:
武汉科技大学
发明人:
徐源、伍昌友
公开日:
2019-03-19
代理机构:
主分类号:
G09B29/00(2006.01)I
我要购买
摘要:
本发明公开了一种城市道路规划装置,涉及城市规划设备领域,该城市道路规划装置在使用时可以将城市地图贴在墙面上,然后将机动车道标识条和非机动车道标识条的两端插杆上的吸盘紧紧吸附在地图上道路的起点和终点,从而代表城市中的机动车道和非机动车道,从而直观地标识出不同宽度的路。道路转弯时可以在转弯点套上套环,然后将套环底部的吸盘吸附在地图上,然后弯曲机动车道标识条或非机动车道标识条,展示效果好。该城市道路规划装置可借助贴在墙面上的地图,简单方便和清晰地展示出道路交通规划方案直观地展示给城市规划设计人员观看,而且修改道路设计十分方便灵活。
[发明]
一种TiAl基合金过滤用Ti-MAX基开口陶瓷及其制备方法
申请号:
201811229228.2
状态:
审中-实审
申请日:
2018-10-22
申请人:
武汉科技大学
发明人:
陈俊峰、肖俊李、蔡伏玲、魏耀武、韩兵强、鄢文、李楠
公开日:
2019-02-19
代理机构:
武汉科皓知识产权代理事务所(特殊普通合伙)42222
主分类号:
C04B35/56(2006.01)I
我要购买
摘要:
本发明涉及一种TiAl基合金过滤用Ti‑MAX基开口陶瓷及其制备方法。其技术方案是:先将Ti‑MAX细粉、碳黑细粉、含碳结合剂、去离子水、聚丙二醇、聚羧酸减水剂、聚甲基纤维素钠和木质素磺酸氨混匀,得浆料Ⅰ;再将Ti‑MAX细粉、去离子水、聚羧酸减水剂和聚甲基纤维素钠混合,得浆料Ⅱ。将聚氨酯泡沫基板于浆料Ⅰ中浸渍,取出挤压,养护,再于浆料Ⅱ中浸渍,养护,然后在弱氧化保护气氛中升温至1100~1300℃,保温,再升温至1400~1600℃,保温,制得TiAl基合金过滤用Ti‑MAX基开口陶瓷。本发明所制制品不仅原位涂层与基体间结合强度高、抗热震性能优异和能够有效避免热剥落产生新夹杂的不利影响,且能有效避免相互反应从而防止污染TiAl基合金。
[发明]
一种防鱼逃脱的钓鱼钩
申请号:
201811231033.1
状态:
审中-实审
申请日:
2018-10-22
申请人:
武汉科技大学
发明人:
任利胜、成明、刘纯键、陈家栋、潘孝越、向超
公开日:
2019-01-11
代理机构:
武汉科皓知识产权代理事务所(特殊普通合伙)42222
主分类号:
A01K83/00(2006.01)I
我要购买
摘要:
本发明公开了一种防鱼逃脱的钓鱼钩,包括中空的鱼钩筒,所述鱼钩筒下端连接有第一鱼钩,所述鱼钩筒内设有活塞,所述活塞包括活塞头和活塞杆,所述活塞杆一端与所述活塞头的上端面连接,另一端穿出所述鱼钩筒的活塞杆,所述活塞下端面连接有多组第二鱼钩,所述第二鱼钩包括连接杆和钩体,所述连接杆一端与活塞下端面铰接,一端与所述钩体的中部铰接,所述钩体的一端铰接在所述鱼钩筒上,另一端设有钩子。本发明所述的一种防鱼逃脱的钓鱼钩,可以尽量避免对鱼造成惊吓,并且能减少饵料的浪费,同时还能防止咬钩不稳导致鱼儿半路逃脱,节约成本且能提高钓鱼人的乐趣。
[发明]
一种含盐炼油废水深度处理回用的方法
申请号:
201811227964.4
状态:
审中-公开
申请日:
2018-10-22
申请人:
中国石油化工股份有限公司、武汉科技大学
发明人:
颜家保、夏正海、张建文、汪坤、刘斯洋
公开日:
代理机构:
主分类号:
C02F9/14(20060101)
我要购买
摘要:
本发明公开了一种含盐炼油废水深度处理回用的方法,预处理后的含盐炼油废水先流入缺氧反应器停留8~10h,然后进入膜生物反应器停留15~20h,出水的一部分回流至缺氧反应器、另一部分流入混凝沉淀池;向混凝沉淀池中投加混凝剂进行混凝沉淀;混凝沉淀后出水经多介质过滤器过滤后进入臭氧催化氧化塔,在其内wut‑5型催化剂的催化作用下与臭氧反应12~17min,反应后流入中间水池;中间水池出水进入反渗透膜组件中,反渗透的浓水经电催化氧化后达标排放,反渗透的产水作为循环水的补充水或脱盐水回用。本发明具有工艺简单、设备紧凑、膜污染程度低、工艺运行稳定、回用水水质好等优点。
[发明]
一种基于发泡法的AlN-SiC多孔复合陶瓷及其制备方法
申请号:
201811229600.X
状态:
审中-实审
申请日:
2018-10-22
申请人:
武汉科技大学
发明人:
余超、邢广超、丁军、邓承继、祝洪喜
公开日:
2019-01-04
代理机构:
武汉科皓知识产权代理事务所(特殊普通合伙)42222
主分类号:
C04B38/10(2006.01)I
我要购买
摘要:
本发明涉及一种基于发泡法的AlN‑SiC多孔复合陶瓷及其制备方法。其技术方案是:按Al
4
SiC
4
粉∶去离子水的质量比为1∶(0.15~0.3)配料,搅拌,得到Al
4
SiC
4
浆料。再按所述Al
4
SiC
4
粉∶泡沫稳定剂∶发泡剂∶表面活性剂的质量比为1∶(0.01~0.025)∶(0.0125~0.025)∶(0.01~0.02),将泡沫稳定剂、发泡剂和表面活性剂混合,加入去离子水,搅拌,得到泡沫。将泡沫倒入Al
4
SiC
4
浆料中,搅拌,于模具中静置,干燥,脱模,在氮气气氛和1200~1500℃保温60~300min,冷却,即得基于发泡法的AlN‑SiC多孔复合陶瓷。本发明具有工艺简单和制备温度低的特点,所制备的AlN‑SiC多孔复合陶瓷局部化学成分均匀、机械强度高和生成的AlN晶须尺寸可控。
[发明]
一种基于机器人语音交互的网络销售方法及系统
申请号:
201811229855.6
状态:
审中-实审
申请日:
2018-10-22
申请人:
武汉科技大学
发明人:
黄金、夏臻康、李杰、王龙、王玉卓、蔡豪杰
公开日:
2019-01-18
代理机构:
北京轻创知识产权代理有限公司11212
主分类号:
G10L15/22(2006.01)I
我要购买
摘要:
本发明涉及一种基于机器人语音交互的网络通信销售方法及系统,方法包括机器人接收用户发出的语音需求信息,并对语音需求信息进行识别,根据识别结果进行分析,确定用户的需求信息内容与电商服务平台上的服务内容是否相符,若相符,机器人根据需求信息内容生成操作指令,并根据操作指令在电商服务平台上选择需求信息内容对应的服务内容,电商服务平台将服务内容发送至供应端,以指导供应端提供服务内容对应的服务,完成网络销售;若不符,机器人根据需求信息内容合成语音引导信息,并将语音引导信息反馈至用户,直至需求信息内容与服务内容相符。通过机器人语音交互实现网络销售,解决了不会使用电子设备的消费者的困扰,极大地便利了人们的生活。
[发明]
一种基于PTVA模型的多灾种耦合物理脆弱性评估方法
申请号:
201811299294.7
状态:
审中-公开
申请日:
2018-10-21
申请人:
武汉科技大学
发明人:
卢颖、王洁鑫、张秀玲
公开日:
2019-05-21
代理机构:
主分类号:
G06Q10/06(2012.01)I
我要购买
摘要:
本发明涉及灾害评估方法,具体涉及一种基于PTVA模型的多灾种耦合物理脆弱性评估方法。它包括物理脆弱性指数及脆弱等级的分级,建立多灾种物理脆弱性评估指标体系,单灾种物理脆弱性指数的计算,耦合效应的识别与耦合模型的建立,多灾种综合物理脆弱性的计算等步骤。本发明比传统PTVA模型指标体系更适用于多灾种脆弱性分析,同时还提高了多灾种脆弱性评估的准确性。
[发明]
一种基于定量PCR检测maspin基因甲基化状态的方法及其应用
申请号:
201811224349.8
状态:
审中-实审
申请日:
2018-10-19
申请人:
武汉科技大学
发明人:
廖兴华、李佳蓬、张慧敏、项园、李含含、黄凤、戴周彤、张子健、王君、李会、李慧、张晓宇、张同存
公开日:
2019-01-18
代理机构:
上海精晟知识产权代理有限公司31253
主分类号:
C12N15/117(2010.01)I
我要购买
摘要:
本发明涉及一种基于定量PCR检测maspin基因甲基化状态的方法及其应用,首先确定maspin基因编码序列上游调控区域的CpG岛的具体位点和序列信息,设计10对检测maspin编码序列上游调控区域中CpG岛甲基化状态的特异性引物。利用该引物特异性的扩增maspin编码序列上游调控区域中包含CpG岛的不同长度的序列,进行后续甲基化定量检测。该方法可检测乳腺癌患者乳腺癌组织或者乳腺癌转移部位maspin编码序列上游调控区域中CpG岛甲基化状态,诊断该病人是否已经发生乳腺癌转移、恶性程度等,辅助临床上对乳腺癌分期分型及治疗;也可检测正常人乳腺maspin编码序列上游调控区域中CpG岛甲基化状态,判断其发病几率、是否会发生乳腺癌转移、恶性程度等,辅助乳腺癌早期筛查,具有良好的应用前景。
[发明]
一种基于优化参数及注入阻尼的无源控制系统及方法
申请号:
201811222520.1
状态:
审中-实审
申请日:
2018-10-19
申请人:
武汉科技大学
发明人:
严运兵、高维士、马强
公开日:
2019-01-18
代理机构:
武汉科皓知识产权代理事务所(特殊普通合伙)42222
主分类号:
H02M7/217(2006.01)I
我要购买
摘要:
本发明提出了一种基于优化参数及注入阻尼的无源控制系统及方法。本发明系统包括交流电源模块、电压信号采集传感器、锁相环、电流信号采集传感器、控制器模块、整流桥功率开关管、直流电源。本发明方法通过电压信号采集传感器采集三相电压,通过电流信号采集传感器采集三相电流,根据坐标变换计算坐标轴电压以及电流;根据坐标轴电压以及电流构建具有耗散的端口受控哈密顿数学模型;控制器模块根据d轴开关函数以及q轴开关函数通过变换得到电压控制信号,根据空间矢量脉宽调制算法对所述整流桥功率开关管进行控制,将所述交流电源模块输出的交流电整流为直流电。本发明方法相应速度快,抗干扰性强且谐波分量低。
[发明]
一种用于回收不合格电解金属的重熔方法
申请号:
201811219087.6
状态:
审中-实审
申请日:
2018-10-19
申请人:
武汉科技大学
发明人:
李光强、王强、刘昱、卢汝、王肸杰、曹玉龙、乔文玮
公开日:
2019-01-01
代理机构:
武汉华旭知识产权事务所42214
主分类号:
C22B9/16(2006.01)I
我要购买
摘要:
本发明提供了一种用于回收不合格电解金属的重熔方法,首先使用化渣炉化渣;然后抬升重熔装置中的抽锭平台,使其底水箱紧贴下部导电水冷结晶器;将液态炉渣从保护气体喷吹筒上口倒入,同时加入合格的电解金属固料;接通电源,打开保护气体系统,使用传送带将不合格电解金属固料从料仓运送至保护气体喷吹筒上口,并倒入至其中,待重熔金属锭长到50mm~150mm高度后开始抽锭,待不合格电解金属固料添加完毕,关闭传送带电源,待炉渣和重熔金属锭完全冷却后,进行起吊和脱模工作。该方法操作简单,运行安全可靠,能够有效地降低不合格电解金属中有害元素的含量,最大限度地提高金属回收率以及精炼金属锭质量。
[发明]
一种用于回收不合格电解金属的重熔装置
申请号:
201811219088.0
状态:
审中-实审
申请日:
2018-10-19
申请人:
武汉科技大学
发明人:
李光强、王强、刘昱、卢汝、王肸杰、曹玉龙、乔文玮
公开日:
2019-01-04
代理机构:
武汉华旭知识产权事务所42214
主分类号:
C22B9/16(2006.01)I
我要购买
摘要:
本发明提供了一种用于回收不合格电解金属的重熔装置,所述立柱上由上至下依次安装有保护气体喷吹筒平台、结晶器平台和抽锭平台,抽锭平台沿立柱上下升降,所述的保护气体喷吹筒平台上安装有保护气体喷吹筒,结晶器平台上安装有上部导电水冷结晶器和下部导电水冷结晶器,抽锭平台上安装有底水箱固定底座,底水箱安装在底水箱固定底座上,所述保护气体喷吹筒、上部导电水冷结晶器、下部导电水冷结晶器由上至下依次设置且依次连接,所述上部导电水冷结晶器和下部导电水冷结晶器分别通过电缆与控制柜相连。该装置操作简单,运行安全可靠,能够有效地降低不合格电解金属中有害元素的含量,最大限度地提高金属回收率以及精炼金属锭质量。
[发明]
一种隧道火灾阻烟水幕装置
申请号:
201811211845.X
状态:
审中-公开
申请日:
2018-10-18
申请人:
武汉科技大学
发明人:
姜学鹏、吴锦东、郭昆
公开日:
2019-03-01
代理机构:
北京易光知识产权代理有限公司11596
主分类号:
E21F5/04(2006.01)I
我要购买
摘要:
本发明公开了一种隧道火灾阻烟水幕装置,水幕管随隧道边缘串接架设,形成拱形,在串接的水幕管一端安装有封闭端盖,另一端连接输水接管,输水接管另一端连接水源,输水接管上安装有阀门;水幕管由两根管一体式组合而成,中间形成凹槽,并且两侧各安装有一个水喷头,水幕管一端设有接头,接头内侧与相邻水幕管另一端外侧穿入固定连接,本发明的水幕由多个水幕管拼接形成,安装简单,可适用于各种隧道环境;水幕管可独立拆卸进行检查和维修,降低维修成本;每个水幕管上均设有流量传感器,可检测并及时发现管道内水流的状况;在水幕管上设有两排水喷头,可形成双层水幕,防火效果更佳;在水幕管内部设置加强板,可提高水幕管的强度。
[实用新型]
一种智能型消防疏散指示灯
申请号:
201821692612.1
状态:
有权
申请日:
2018-10-18
申请人:
武汉科技大学
发明人:
何超、姜学鹏、乔意峰、王正阳
公开日:
2019-07-23
代理机构:
武汉科皓知识产权代理事务所(特殊普通合伙)42222
主分类号:
G09F13/22(2006.01)I
我要购买
摘要:
一种智能型消防疏散指示灯,包括壳体,壳体内安装蓄电池、控制电路及显示系统。控制电路与外部传感器系统连接,显示系统包括箭头指示灯,箭头指示灯与控制电路电连接,蓄电池、控制电路及箭头指示灯之间依次电连接。控制电路与外部传感器系统连接。外部传感器系统包括烟雾传感器、温度传感器、能见度传感器、CO浓度传感器及人数统计终端。外部传感器系统检测外界环境中烟雾浓度、温度、能见度、CO浓度及人流数量,将检测结果反馈至控制电路,控制电路控制显示系统,使显示系统发出警示信息,提醒现场人员按照正确逃生方向逃生。本实用新型结构简单、使用方便,具有市场应用前景。
[发明]
一种磁棒自转式永磁过滤装置
申请号:
201811209521.2
状态:
有权
申请日:
2018-10-17
申请人:
武汉科技大学
发明人:
赵刚、吴犇、高星、陈君文、谢敏超、曹昆仑、付争伟
公开日:
2019-01-15
代理机构:
湖北武汉永嘉专利代理有限公司42102
主分类号:
B03C1/02(2006.01)I
我要购买
摘要:
本发明公开了一种磁棒自转式永磁过滤装置,磁链在电机传动机构的驱动下周期性往复进入用于存放冷轧冷却液的箱体的液面以下,由此对冷却液中的金属粉尘执行吸附;在磁链机构上方,还设置除污机构,所述除污机构以与磁链上表面所在平面垂直或呈角度设置的方式与往复运动的磁链在液面以上的去污段接触设置,在此过程中,各磁棒一边做垂直于磁棒长度方向运动,一边自转以刮掉磁棒上的金属粉尘。可有效避免磁棒运动过程中与除污装置刚性接触所造成的磁棒变形或损坏,防止除污机构卡死导致磁棒传动链条所造成的设备停机故障;此外,能够在大幅缩小设备整体尺寸的同时,显著提高磁链机构的运行速度和随动效能,适用性更广。
首页
上一页
141
142
143
144
145
146
147
148
149
150
下一页
尾页
当前共找到
8115
个专利记录
,当前显示页码
142/406