首页
专利查询
专利购买
专利转让
专利申请
15071489439
当前位置:
专利巴士
专利查询
专利名称
查询
高级查询
当前共找到
8115
个专利记录
,当前显示页码
146/406
专利名称
申请号
申请人
发明人
专利代办机构
[发明]
一种高效、节能的连铸二次冷却方法
申请号:
201811050941.0
状态:
审中-实审
申请日:
2018-09-10
申请人:
武汉科技大学
发明人:
周建安、王宝、周亮、倪红卫、张翔、宋伟明
公开日:
2019-01-11
代理机构:
湖北武汉永嘉专利代理有限公司42102
主分类号:
B22D11/124(2006.01)I
我要购买
摘要:
本发明涉及一种高效、节能的连铸二次冷却方法,该方法利用冶金厂回收的高温蒸汽对铸坯进行二次冷却,吸热后的高温蒸汽温度进一步上升可输送至透平膨胀机中用于发电。本发明既实现了铸坯的高效冷却又实现了能源的综合利用,杜绝了二冷蒸汽直接排空,具有成本低、操作简单、容易实现、运行稳定、综合效益显著等优点,可广泛适用于冶金连铸,具有良好的工业应用前景。
[发明]
一种高延伸凸缘钢板及其制备方法
申请号:
201811050227.1
状态:
审中-实审
申请日:
2018-09-10
申请人:
武汉科技大学
发明人:
吴润、梁文、吴腾、吴志方、刘斌
公开日:
2019-01-15
代理机构:
武汉科皓知识产权代理事务所(特殊普通合伙)42222
主分类号:
B22D11/115(2006.01)I
我要购买
摘要:
本发明涉及一种高延伸凸缘钢板及其制备方法。其技术方案是,所述高延伸凸缘钢板的化学成分及其质量百分含量是:C为0.02~0.04%,Si为0.05~0.15%,Mn为1.30~1.60%,P≤0.013%,S≤0.003%,Nb为0.05~0.07%,Ti≤0.002%,N≤0.004%,Als为0.010~0.030%,O为0.001~0.002%,其余为铁和不可避免的杂质。所述制备方法的步骤是:冶炼;精炼;连铸;加热;粗轧和精轧;层流冷却;卷取。本发明工艺简单,所制备的高延伸凸缘钢板强度与延伸凸缘性能稳定、抗疲劳性能良好和抗拉强度高。所制制品为单一的准多边形铁素体组织,抗拉强度R
m
≥600MPa,延伸率A≥20%,扩孔率80%的成型合格率为100%;疲劳性能≥95万次;钢卷整卷的强度波动≤30MPa。
[发明]
一种基于模拟退火的核酸结构预测方法
申请号:
201811051983.6
状态:
审中-实审
申请日:
2018-09-10
申请人:
武汉科技大学
发明人:
张凯、吕育林、张晓龙、符海东、胡威、贺娟娟、徐新、刘小明、刘俊、朱子奇
公开日:
2019-01-25
代理机构:
北京华夏正合知识产权代理事务所(普通合伙)11017
主分类号:
G16B15/10(2019.01)I
我要购买
摘要:
本发明涉及一种基于模拟退火的核酸结构预测方法,通过最小茎区数和环中最小碱基数来确定随机点匹配列表和每组随机点对应的连续匹配数,生成茎区候选区域,再利用了模拟退火的思想,使得更快的产生有效匹配,最后引入能量评价函数,来提高RNA分子假结预测的准确率,从而达到降低了时间复杂度和空间复杂度,以及提高了RNA分子假结预测的准确率。本发明创造得到国家自然科学基金资助(61472293)。
[发明]
履带式消防机器人
申请号:
201811043622.7
状态:
审中-实审
申请日:
2018-09-07
申请人:
武汉科技大学
发明人:
黄田、许益民
公开日:
2019-02-05
代理机构:
武汉科皓知识产权代理事务所(特殊普通合伙)42222
主分类号:
A62C27/00(2006.01)I
我要购买
摘要:
本发明涉及一种履带式消防机器人,包括左行走总成、右行走总成、车体和悬挂系统,左行走总成和右行走总成均包括导向轮和多个负重轮,导向轮通过预张紧机构固定在车体上,预张紧机构包括导向轮支撑件、液压缓冲器和扭杆,导向轮安装在导向轮支撑件上,并使得导向轮与负重轮之间形成29°~32°的夹角,导向轮支撑件通过扭杆固定在车体上,液压缓冲器连接所述悬挂系统和导向轮支撑件;车体上安装有灭火装置。本发明的机器人可以在复杂的环境中越障行走,现场勘查灾情,将消防水炮等救援设备拖曳到现场进行抢险作业。
[发明]
一种风机基础防水系统的布置方法
申请号:
201811045278.5
状态:
审中-实审
申请日:
2018-09-07
申请人:
武汉科技大学
发明人:
龚建伍、石晗、欧添雁
公开日:
2018-12-11
代理机构:
北京华智则铭知识产权代理有限公司11573
主分类号:
E02D27/44(2006.01)I
我要购买
摘要:
本发明公开了一种风机基础防水系统的布置方法,包括:首先布置防排水系统;根据所述防排水系统的结构特点,布置监测系统;其中,所述防排水系统包括排水沟、镀锌薄钢带、耐老化橡胶圈、导流小孔;所述监测系统包括渗漏感应器。本发明可避免地表水和雨水沿风机塔筒与基础的交界面渗入风机基础内部并增强防水处理材料的使用寿命,确保风机基础结构安全,从而减少风机运营维护成本,同时,防水处理失效后能够及时预警,起到监护的作用;风机基础防水系统的布置方法简单,容易实现。
[发明]
基于压缩感知和克拉美劳界的快速脉冲星周期估计方法
申请号:
201811036881.7
状态:
审中-实审
申请日:
2018-09-06
申请人:
武汉科技大学
发明人:
刘劲、刘兰兰、李阳阳、何宇飞、康志伟
公开日:
2019-01-11
代理机构:
武汉科皓知识产权代理事务所(特殊普通合伙)42222
主分类号:
G01C21/24(2006.01)I
我要购买
摘要:
一种基于压缩感知和克拉美劳界的快速脉冲星周期估计方法,包括计算脉冲星周期估计误差的克拉美劳界,进行冗余字典的构建,利用傅立叶变换的低频部分设置观测矩阵,获取量测矢量;实现平滑匹配,包括基于感知矢量和量测矢量得到匹配矢量,构成匹配度矩阵,利用平滑模板对匹配度矩阵进行均值滤波,基于平滑后的匹配度矩阵求取畸变展宽度粗估计,利用超解析度估计求出更精确的畸变展宽度估计,计算得到相应的频偏和脉冲星周期误差。该方法精度高,接近于克拉美劳界。由于避免了脉冲星辐射光子信号的反复折叠,本发明计算速度快。
[发明]
一种含污泥小分子化挥发性有机气体的处理装置
申请号:
201811012839.1
状态:
审中-实审
申请日:
2018-08-31
申请人:
中国石油化工股份有限公司、武汉科技大学
发明人:
王黎、李钰琪、王伟、夏正海、汪坤、鲁逸飞、柳焜
公开日:
2019-02-12
代理机构:
北京众达德权知识产权代理有限公司11570
主分类号:
B01D53/84(2006.01)I
我要购买
摘要:
本发明属于含污泥小分子化技术领域,公开了一种含污泥小分子化挥发性有机气体的处理装置,包括:反应塔体、填料吸附结构、曝气结构、生物悬菌液仓、循环泵、喷淋结构以及旋流子分离器;填料吸附结构设置在反应塔体内,填料吸附结构内设置有生物吸附材料;曝气结构设置在填料吸附结构的下方,与进气管路相连;生物悬菌液仓设置在反应塔体的底端;循环泵的进液口设置在生物悬菌液仓内,循环泵的输出端分别通过喷淋管路连通设置在反应塔体上部的喷淋结构,将生物悬菌液泵送到喷淋结构,并自填料吸附结构上方向下喷淋;旋流子分离器设置在反应塔体的下部,位于曝气结构下方,生物悬菌液仓上部,将下落的混合液体进行固液分离。
[发明]
一种基于原位发泡AlON-AlN多孔材料及其制备方法
申请号:
201811013894.2
状态:
审中-实审
申请日:
2018-08-31
申请人:
武汉科技大学
发明人:
余超、郑永翔、丁军、邓承继、祝洪喜
公开日:
2018-12-11
代理机构:
武汉科皓知识产权代理事务所(特殊普通合伙)42222
主分类号:
C04B38/10(2006.01)I
我要购买
摘要:
本发明涉及一种基于原位发泡AlON‑AlN多孔材料及其制备方法。其技术方案是:将100质量份的Al
4
O
4
C粉末和20~30质量份的去离子水混匀,得到Al
4
O
4
C料浆。将2~5质量份的发泡剂与所述发泡剂10~12倍的去离子水混合,搅拌,制得泡沫。向所述Al
4
O
4
C浆料中加入所述泡沫,边加入边搅拌,搅拌均匀,倒入模具中,自然状态条件下静置,于60~80℃条件下干燥,脱模,得到Al
4
O
4
C胚体。将所述Al
4
O
4
C坯体置于气氛炉内,在氮气气氛和1500~2000℃条件下保温1~5h,自然冷却,得到基于原位发泡AlON‑AlN多孔材料。本发明制备温度低、工艺简单和成本低,所制备的基于原位发泡AlON‑AlN多孔材料结合力强、热稳定性好和质量轻。
[实用新型]
一种生物脱除器
申请号:
201821423357.0
状态:
有权
申请日:
2018-08-31
申请人:
中国石油化工股份有限公司、武汉科技大学
发明人:
王黎、邓飞虎、夏正海、鲁逸飞、覃刘平、王伟、张彦春
公开日:
2019-08-16
代理机构:
北京众达德权知识产权代理有限公司11570
主分类号:
B01D53/84(2006.01)I
我要购买
摘要:
本实用新型属于含污泥小分子化技术领域,公开了一种生物脱除器,包括:反应塔体、填料吸附结构、曝气结构、生物悬菌液仓、循环泵、喷淋结构以及旋流子分离器;填料吸附结构设置在反应塔体内,填料吸附结构内设置有生物吸附材料;曝气结构设置在填料吸附结构的下方,与进气管路相连;生物悬菌液仓设置在反应塔体的底端;循环泵的进液口设置在生物悬菌液仓内,循环泵的输出端分别通过喷淋管路连通设置在反应塔体上部的喷淋结构,将生物悬菌液泵送到喷淋结构,并自填料吸附结构上方向下喷淋;旋流子分离器设置在反应塔体的下部,位于曝气结构下方,生物悬菌液仓上部,将下落的混合液体进行固液分离。
[发明]
一种石油化工废水处理过程的剩余污泥小分子化反应器
申请号:
201811012809.0
状态:
审中-实审
申请日:
2018-08-31
申请人:
中国石油化工股份有限公司、武汉科技大学
发明人:
王黎、吴少奇、夏正海、汪坤、王伟、张春雨、胡雨莎、覃刘平
公开日:
2019-02-12
代理机构:
北京众达德权知识产权代理有限公司11570
主分类号:
C02F11/00(2006.01)I
我要购买
摘要:
本发明属于污泥小分子化处理技术领域,公开了一种石油化工废水处理过程的剩余污泥小分子化反应器,包括:破碎机构、超声‑电化学处理机构以及固体回流机构;所述破碎机构包括:搅拌电机、破碎反应筒体以及自上而下设置在其内的第一推进螺旋杆、破碎铰刀以及第二推进螺旋杆;所述超声‑电化学处理机构包括:超声‑电化学反应筒体以及自上而下设置在其内的第三推进螺旋杆、第四推进螺旋杆、第五推进螺旋杆、电解电极片以及超声波震子。本发明提供的石油化工废水处理过程的剩余污泥小分子化反应器能够高效实现剩余污泥减量化和废水反硝化过程的碳源补充。
[实用新型]
一种污泥处理装置
申请号:
201821424621.2
状态:
有权
申请日:
2018-08-31
申请人:
中国石油化工股份有限公司、武汉科技大学
发明人:
王黎、刘旭东、夏正海、陈小进、覃刘平、王伟、唐新亮
公开日:
2019-08-16
代理机构:
北京众达德权知识产权代理有限公司11570
主分类号:
C02F11/00(2006.01)I
我要购买
摘要:
本实用新型属于污泥小分子化处理技术领域,公开了一种污泥处理装置,包括:破碎机构、超声‑电化学处理机构以及固体回流机构;所述破碎机构包括:搅拌电机、破碎反应筒体以及自上而下设置在其内的第一推进螺旋杆、破碎铰刀以及第二推进螺旋杆;所述超声‑电化学处理机构包括:超声‑电化学反应筒体以及自上而下设置在其内的第三推进螺旋杆、第四推进螺旋杆、第五推进螺旋杆、电解电极片以及超声波震子。本实用新型提供的污泥处理装置能够高效实现剩余污泥减量化和废水反硝化过程的碳源补充。
[发明]
一种直接发泡Al
2
O
3
-AlN多孔复合材料及其制备方法
申请号:
201811013603.X
状态:
审中-实审
申请日:
2018-08-31
申请人:
武汉科技大学
发明人:
余超、郑永翔、丁军、邓承继、祝洪喜
公开日:
2018-12-21
代理机构:
武汉科皓知识产权代理事务所(特殊普通合伙)42222
主分类号:
C04B35/10(2006.01)I
我要购买
摘要:
本发明涉及一种直接发泡Al
2
O
3
‑AlN多孔复合材料及其制备方法。其技术方案是:将100质量份的Al
4
O
4
C粉末和20~30质量份的去离子水混匀,得到Al
4
O
4
C料浆。将0.5~3质量份的发泡剂与所述发泡剂10~15倍的去离子水混合,搅拌,制得泡沫。向所述Al
4
O
4
C浆料中加入所述泡沫,边加入边搅拌,泡沫全部加入后继续搅拌1~3min,倒入模具中,静置,干燥,脱模,得到Al
4
O
4
C胚体。将所述Al
4
O
4
C坯体置于气氛炉内,在氮气气氛和1200~1600℃条件下保温1~2h,自然冷却,得到直接发泡Al
2
O
3
‑AlN多孔复合材料。本发明制备温度低、烧结时间短、工艺简单和成本低廉,所制备的直接发泡Al
2
O
3
‑AlN多孔复合材料材料抗氧化性优异、机械性能高和热稳定性好。
[发明]
一种锂硫电池正极材料及其制备方法与锂硫电池
申请号:
201810996798.8
状态:
审中-实审
申请日:
2018-08-29
申请人:
武汉科技大学
发明人:
付继江、秦萍、高标、张旭明、霍开富、黄超
公开日:
2018-12-11
代理机构:
湖北武汉永嘉专利代理有限公司42102
主分类号:
H01M4/36(2006.01)I
我要购买
摘要:
本发明公开了一种锂硫电池正极材料及其制备方法与锂硫电池。所述锂硫电池正极材料包括若干氧化钒纳米片、分散在每个氧化钒纳米片上的若干钴颗粒、在若干钴颗粒表面生长的碳纳米管、及分散在碳纳米管里以及同时分散在碳纳米管形成的网络中的硫单质。本发明提供的锂硫电池正极材料以金属钴单质和过渡金属氧化物为模板生长碳纳米管进行载硫,有效的缓解了充放电过程中的体积膨胀问题,并且金属钴单质及碳纳米管都是良好的导电材料,弥补了硫绝缘性的缺点,使得到的锂硫电池的倍率性能和循环稳定性能得到大大提高。并且该制备方法过程简单、操作方便,环境友好,有利于大规模生产,具有实用性。
[发明]
一种废FCC催化剂资源化利用的方法
申请号:
201810989289.2
状态:
审中-实审
申请日:
2018-08-28
申请人:
武汉科技大学
发明人:
颜家保、李超、胡杰、吴玲、俞丹青、陈美玲、刘斯洋、赵振悦、贾彪
公开日:
2018-12-14
代理机构:
武汉科皓知识产权代理事务所(特殊普通合伙)42222
主分类号:
B01J23/889(2006.01)I
我要购买
摘要:
本发明公开了一种废FCC催化剂资源化利用的方法。其技术方案是:以50~70wt%的废FCC催化剂、25~45wt%的黏土和2~5wt%的TiO
2
为催化剂原料,混合,烘干,研磨;置入圆盘造粒机,边转动边喷洒占催化剂原料10~15wt%的过渡金属盐水溶液,转动圆盘造粒机至形成粒径为3~5mm的球状催化剂颗粒;烘干,于1080~1200℃条件下烧结15~30min,制得臭氧催化剂。按照臭氧催化剂的填充体积为氧化塔或反应池有效容积的45~60%,将臭氧催化剂填充于催化氧化塔或反应池,臭氧投加量为50~75mg/L,反应15~30min,深度处理后的难降解工业废水COD达标排放。本发明工艺简单、成本低廉和资源化程度高,所制备的臭氧催化剂的催化性能稳定和催化活性高。
[发明]
一种融合学习机制的目标跟踪方法
申请号:
201810986336.8
状态:
审中-实审
申请日:
2018-08-28
申请人:
武汉科技大学
发明人:
吴怀宇、蔡丽仪、陈镜宇、陈洋
公开日:
2019-01-25
代理机构:
湖北武汉永嘉专利代理有限公司42102
主分类号:
G06K9/00(2006.01)I
我要购买
摘要:
本发明公开了一种融合学习机制的目标跟踪方法,其特征在于结合在线学习与识别算法以及改进的KCF跟踪算法;通过提取稠密光照不变特征的方式提取人脸的IIF光照不变特征,使得人脸识别的结果不受光照变化的影响;同时利用改进的KCF跟踪算法,检测三个尺度大小不同的窗口对目标的响应,选取响应最强烈的尺度窗口作为下一时刻的跟踪窗口,实现尺度自适应的目标跟踪;当目标短暂离开摄像头视域范围时,重新识别目标人脸,重新初始化KCF跟踪器,实现对目标人脸的长期跟踪。
[发明]
一种用于增材制造的缺陷指纹精确在线监测方法和反馈策略
申请号:
201810990676.8
状态:
审中-实审
申请日:
2018-08-28
申请人:
武汉科技大学
发明人:
林昕、朱锟鹏、段现银
公开日:
2018-12-25
代理机构:
武汉泰山北斗专利代理事务所(特殊普通合伙)42250
主分类号:
G01N21/88(2006.01)I
我要购买
摘要:
本发明涉及一种用于增材制造的缺陷指纹精确在线监测方法和反馈策略,包括建立缺陷指纹数据库、匹配缺陷信息和自动修正过程。利用多尺度图谱分析算法获取缺陷,建立包含每种缺陷的尺寸、缺陷产生的加工条件和消除缺陷策略等信息的数据,进而建立缺陷指纹数据库。多尺度图谱分析算法具体包括:图像预处理、图像采样、图像特征点检测、边缘线提取,算法将多尺度分析方法和图谱理论结合,并提出采样、降维和在线识别的迭代算法加速计算。利用本发明的缺陷指纹数据库,在增材制造加工过程中出现微小缺陷时就可查询到解决方案,自动调整在下一层铺粉和扫描的工艺参数,以便在成形过程中消除缺陷,从而提高成形零件的质量。
[发明]
适用于高强度超厚钢板的双丝气电立焊的焊接方法
申请号:
201810974731.4
状态:
审中-实审
申请日:
2018-08-24
申请人:
南京钢铁股份有限公司、武汉科技大学
发明人:
田浩、陈亚魁、李丽、吴君明、汪晶洁、王红鸿、李东晖
公开日:
2018-11-23
代理机构:
武汉科皓知识产权代理事务所(特殊普通合伙)42222
主分类号:
B23K9/025(2006.01)I
我要购买
摘要:
一种适用于高强度超厚钢板的双丝气电立焊的焊接方法。其技术方案是:将待焊接的高强度超厚钢板加工为非对称双面V型坡口,上坡口角度为25~30°,上坡口厚度δ1为80~90mm,下坡口厚度δ2为40~70mm,根部间隙为5~5.95mm。对双面坡口分别采用双丝气电立焊的焊接方法,所述双丝的摆动距离分别是:前丝与焊缝上表面或与焊缝下表面的距离为3.5~4.4mm,后丝与焊缝根部的距离为5.3~6.2mm,前丝与后丝间距离为20~25mm。所述待焊接的高强度超厚钢板:厚度δ为120~160mm,屈服强度为355MPa,抗拉强度为530~580MPa,-20℃冲击韧性值为≥34J。本发明焊接效率高和工艺简单;所形成的焊接接头的综合力学性能好和焊缝金属的冲击韧性优良。
[发明]
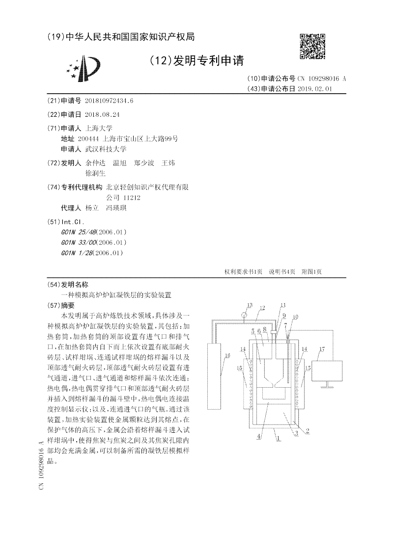
一种模拟高炉炉缸凝铁层的实验装置
申请号:
201810972434.6
状态:
审中-实审
申请日:
2018-08-24
申请人:
上海大学、武汉科技大学
发明人:
余仲达、温旭、郑少波、王炜、徐润生
公开日:
2019-02-01
代理机构:
北京轻创知识产权代理有限公司11212
主分类号:
G01N25/48(2006.01)I
我要购买
摘要:
本发明属于高炉炼铁技术领域,具体涉及一种模拟高炉炉缸凝铁层的实验装置,其包括:加热套筒,加热套筒的顶部设置有进气口和排气口,在加热套筒内自下而上依次设置有底部耐火砖层、试样坩埚、连通试样坩埚的熔样漏斗以及顶部透气耐火砖层,顶部透气耐火砖层设置有进气通道,进气口、进气通道和熔样漏斗依次连通;热电偶,热电偶贯穿排气口和顶部透气耐火砖层并插入到熔样漏斗的漏斗壁中,热电偶电连接温度控制显示仪;以及,连通进气口的气瓶。通过该装置,加热实验装置使金属颗粒达到其熔点,在保护气体的高压下,金属会沿着熔样漏斗进入试样坩埚中,使得焦炭与焦炭之间及其焦炭孔隙内部均会充满金属,可以制备所需的凝铁层模拟样品。
[发明]
一种氧化钙颗粒及其制备方法
申请号:
201810972760.7
状态:
审中-实审
申请日:
2018-08-24
申请人:
武汉科技大学
发明人:
魏耀武、李炳蓉、张涛
公开日:
2018-11-30
代理机构:
武汉科皓知识产权代理事务所(特殊普通合伙)42222
主分类号:
C04B35/057(2006.01)I
我要购买
摘要:
本发明涉及一种氧化钙颗粒及其制备方法。其技术方案是:先将20~95wt%的石灰石粉体和5~80wt%的氢氧化钙粉体混合,即得混合粉体;再将所述混合粉体和占所述混合粉体10~30wt%的水置于造粒设备的料桶中,启动造粒设备,在转子转速为每分钟500~2000转的条件下开始造粒,待料桶中的所述混合粉体全部转化成颗粒后,将颗粒取出;然后将所述颗粒置于加热炉中,在1500~1800℃条件下保温1~5小时,冷却,制得氧化钙颗粒。所述氧化钙颗粒的粒径为0.1~8mm,氧化钙颗粒中CaO含量≥95wt%。本发明工艺简单和制备成本低,所制备的氧化钙颗粒具有使用温度高、高温性能稳定和抗水化性能好的特点,是制备氧化钙陶瓷和耐火材料等高级材料的优选原料。
[实用新型]
一种圆筒造球机的刮料装置
申请号:
201821372278.1
状态:
有权
申请日:
2018-08-24
申请人:
武汉科技大学
发明人:
张力、明廷流、陶黎明、鲁永胜、董良民
公开日:
2019-06-25
代理机构:
武汉科皓知识产权代理事务所(特殊普通合伙)42222
主分类号:
C22B1/24(2006.01)I
我要购买
摘要:
本实用新型涉及一种圆筒造球机的刮料装置,包括由固定部件连接的支撑装置和刮刀组,所述支撑装置包括沿轴向贯穿整个圆筒造球机的横梁,所述横梁两端设置有支撑架,所述刮刀组包括多个沿横梁均匀布置的刀片,所述刀片通过固定部件连接在横梁上,所述刀片与筒体内壁之间保持有一定间隙,其特征在于,所述相邻刀片在横梁正面上的垂直投影有重叠,所述刀片与水平面形成夹角,所述刀片的前端为与筒体内壁适配的弧形。采用本实用新型的装置可以解决圆筒造球机的多余物料粘附在筒壁上影响造球效率和质量的问题,提高圆筒造球机的生产效率,降低能耗。
首页
上一页
141
142
143
144
145
146
147
148
149
150
下一页
尾页
当前共找到
8115
个专利记录
,当前显示页码
146/406