专利巴士 Logo
首页 专利查询 专利购买 专利转让 专利申请
15071489439
当前位置:专利巴士 专利查询
专利名称
当前共找到8115个专利记录,当前显示页码151/406
[发明]一种高性能水泥结合浇注料及其制备方法 申请号:201810775580.X 状态:审中-实审
申请日:2018-07-16 申请人:武汉科技大学 发明人:李享成、祝慧、陈平安、朱伯铨
公开日:2018-10-02 代理机构:武汉科皓知识产权代理事务所(特殊普通合伙)42222 主分类号:C04B35/101(2006.01)I
我要购买
摘要:本发明涉及一种高性能水泥结合浇注料及其制备方法。其技术方案是:以8~16wt%的粒径≥5mm且<8mm的刚玉、10~25wt%的粒径≥3mm且<5mm的刚玉、15~25wt%的粒径≥1mm且<3mm的刚玉、15~30wt%的粒径≥0.08mm且<1mm的刚玉、5~15wt%的粒径<160μm的刚玉、5~15wt%的尖晶石微粉、2~10wt%的α‑Al2O3微粉、2~10wt%的ρ‑Al2O3微粉、0.1~5wt%的纳米氧化铝粉和0.1~5wt%的铝酸盐为原料,混合,加入原料0.1~0.4wt%的减水剂和4~8wt%的水,混合,成型,养护;在1000~1600℃条件下热处理2~8小时,制得高性能水泥结合浇注料。本发明工艺简单,所制备的高性能水泥结合浇注料冷态强度高、高温力学性能好和热震性能优异。

[发明]一种含钒页岩酸浸液的钒铝分离方法 申请号:201810775630.4 状态:审中-实审
申请日:2018-07-16 申请人:武汉科技大学 发明人:张一敏、刘子帅、刘涛、黄晶
公开日:2018-12-07 代理机构:武汉科皓知识产权代理事务所(特殊普通合伙)42222 主分类号:C22B34/22(2006.01)I
我要购买
摘要:本发明涉及一种含钒页岩酸浸液的钒铝分离方法。其技术方案是:按体积百分含量,将30~50%的萃取剂、15~25%的相调节剂和余量为磺化煤油混匀,得到有机相;按所述有机相∶含钒页岩酸浸液体积比为1∶(1~5),将所述有机相和含钒页岩酸浸液混合,逆流萃取3~8级,得到负载有机相和萃余液;按所述负载有机相:反萃剂体积比为(1~5)∶1,将所述负载有机相和所述反萃剂混合,逆流反萃3~8级,得到富钒液和贫有机相;富钒液用于制备钒产品,贫有机相作为再生有机相直接返回步骤二循环萃取。本发明具有操作简单、工艺流程短、萃取速度快、钒损失率低和钒铝分离效果好的特点。

[发明]一种含钒页岩酸浸液选择性提钒的方法 申请号:201810776174.5 状态:审中-实审
申请日:2018-07-16 申请人:武汉科技大学 发明人:张一敏、刘子帅、刘涛、黄晶
公开日:2018-12-07 代理机构:武汉科皓知识产权代理事务所(特殊普通合伙)42222 主分类号:C22B3/00(2006.01)I
我要购买
摘要:本发明涉及一种含钒页岩酸浸液选择性提钒的方法。其技术方案是:按三烷基叔胺∶改性剂的体积比为1∶(1~5)配料,搅拌,静置,分相,得到中间三烷基叔胺。按中间三烷基叔胺∶水的体积比为1∶(1~5)配料,搅拌,静置,分相至液相pH为6~7,得到改性三烷基叔胺。按体积百分含量,将30~50%的改性三烷基叔胺、15~25%的磷酸三丁酯和余量为磺化煤油混合,搅拌,得到混合有机相。按混合有机相∶含钒页岩酸浸液的体积比为1∶(1~5)配料,混合,在温度为15~40℃和萃取时间为0.5~1.5min的条件下萃取,得到负载有机相。所述负载有机相用于后续钒的进一步富集。本发明操作简单、工艺流程短、萃取时间少、钒损失率低和选择性提钒效果好。

[发明]一种基于透明聚氨酯的个性化角膜内植入物 申请号:201810774655.2 状态:审中-实审
申请日:2018-07-16 申请人:武汉科技大学 发明人:张旭刚、王玉玲、姚军平、唐远洁、敖秀奕
公开日:2019-01-04 代理机构:重庆市信立达专利代理事务所(普通合伙)50230 主分类号:A61F2/14(2006.01)I
我要购买
摘要:本发明专利属于角膜内植入物技术领域,公开了一种基于透明聚氨酯的个性化角膜内植入物,所述基于透明聚氨酯的个性化角膜内植入物用于矫正屈光不正和圆锥角膜。具有良好的光学特性,具有与人角膜相似的高透光性和高屈光力,可用于矫正屈光不正和圆锥角膜的治疗。

[发明]一种扑动-折叠-主动扭转混合驱动的仿生扑翼飞行器 申请号:201810777317.4 状态:审中-实审
申请日:2018-07-16 申请人:武汉科技大学 发明人:高颖、侯宇、石维、屠凯、华兆敏、雷娇
公开日:2018-12-07 代理机构:武汉科皓知识产权代理事务所(特殊普通合伙)42222 主分类号:B64C33/02(2006.01)I
我要购买
摘要:本发明公开了一种扑动‑折叠‑主动扭转混合驱动的仿生扑翼飞行器,仿生扑翼飞行器包括机身本体、扑动机构、扭转机构、两侧机翼和尾翼机构,机身包括通过固定轴连接的前固定框和后固定框,前固定框上装有扑动传动齿轮,后固定框上装有扭转传动齿轮,传动齿轮通过传动装置与扑翼骨架相连。扑动电机启动时,扑动电机输出轴上的同步带轮转动,带动扑翼传动齿轮转动,实现机翼的扑动折叠运动。同理,扭转电机启动,实现机翼的扭转运动;尾翼传动机构固定在机身尾部,通过调节尾翼舵机实现飞行器的转向。整体飞行器包含两个电机,增加了飞行器的灵活性,提高了飞行效率,真实的模仿鸟类翅膀运动方式,能够实现多种飞行功能。

[实用新型]一种小型绿色混凝土搅拌机 申请号:201821128129.0 状态:有权
申请日:2018-07-16 申请人:武汉科技大学城市学院 发明人:王晓琴、孙兵、王小健
公开日:2019-08-16 代理机构:苏州创策知识产权代理有限公司32322 主分类号:B28C5/22(2006.01)I
我要购买
摘要:本实用新型涉及建筑机械领域,具体涉及一种小型绿色混凝土搅拌机,包括下支架、液压缸、上支架、减速器、驱动电机、混料桶,所述下支架包括下左支架、下右支架、上连轴、下连轴,其底部设有连接孔,所述下左支架和下右支架之间通过上连轴与下连轴连接,所述上支架底部设有两个连接块,所述连接块中心设有连接通孔,并通过所述连接通孔与上连轴铰链连接;所述小型绿色混凝土搅拌机结构简单,工作稳定,能够很好地实现绿色混凝土的搅拌,同时其体型较小,机动性强,适合各种绿色混凝土用量不大的场合。

[发明]一种岩心钻机钻杆自动排放机械手 申请号:201810777915.1 状态:审中-实审
申请日:2018-07-16 申请人:武汉科技大学 发明人:蔡志宏、赵慧、王安新、胡江山
公开日:2018-12-07 代理机构:武汉科皓知识产权代理事务所(特殊普通合伙)42222 主分类号:B25J9/12(2006.01)I
我要购买
摘要:本发明公开了一种岩心钻机钻杆自动排放机械手,包括立柱、第一臂部、第二臂部、第三臂部、终端执行臂、第一液压缸和第二液压缸,立柱的顶部和第一臂部的底部通过第一关节连接,第一臂部的顶部和第二臂部的底部通过第二关节连接,第二臂部的顶部和第三臂部的底部过第三关节连接,终端执行臂可旋转的连接在第三臂部的顶部,第一液压缸的两端分别铰接在第一臂部和第二臂部的中部,第二液压缸的两端分别与述第二臂部和终端执行臂的中部铰接,终端执行臂的末端设有机械爪。本发明提供的一种岩心钻机钻杆自动排放机械手,可以代替传统的人工排放钻杆,实现对任意摆放的钻杆进行排放,省时省力,安全高效。

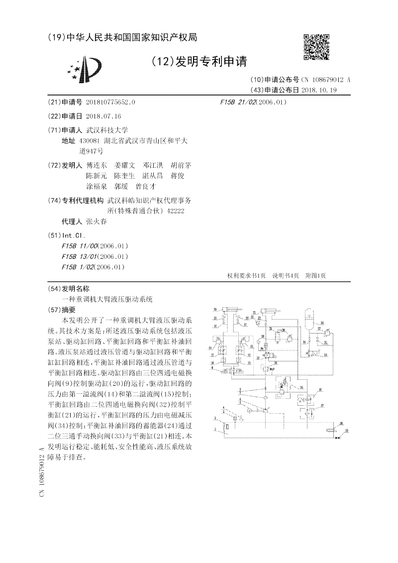
[发明]一种重调机大臂液压驱动系统 申请号:201810775652.0 状态:审中-实审
申请日:2018-07-16 申请人:武汉科技大学 发明人:傅连东、姜耀文、邓江洪、胡前茅、陈新元、陈奎生、湛从昌、蒋俊、涂福泉、郭缓、曾良才
公开日:2018-10-19 代理机构:武汉科皓知识产权代理事务所(特殊普通合伙)42222 主分类号:F15B11/00(2006.01)I
我要购买
摘要:本发明公开了一种重调机大臂液压驱动系统。其技术方案是:所述液压驱动系统包括液压泵站、驱动缸回路、平衡缸回路和平衡缸补油回路。液压泵站通过液压管道与驱动缸回路和平衡缸缸回路相连,平衡缸补油回路通过液压管道与平衡缸回路相连。驱动缸回路由三位四通电磁换向阀(9)控制驱动缸(20)的运行,驱动缸回路的压力由第一溢流阀(14)和第二溢流阀(15)控制;平衡缸回路由二位四通电磁换向阀(32)控制平衡缸(21)的运行,平衡缸回路的压力由电磁减压阀(34)控制;平衡缸补油回路的蓄能器(24)通过二位三通手动换向阀(33)与平衡缸(21)相连。本发明运行稳定、能耗低、安全性能高、液压系统故障易于排查。

[发明]一种检测肝细胞癌的试剂盒 申请号:201810772932.6 状态:审中-实审
申请日:2018-07-14 申请人:武汉科技大学 发明人:廖兴华、戴周彤、项园、张慧敏、黄凤、张子健、李含含、姚奥、范丽娟、李佳蓬、杜庆、李慧、张同存
公开日:2018-12-07 代理机构:武汉蓝宝石专利代理事务所(特殊普通合伙)42242 主分类号:C12Q1/6886(2018.01)I
我要购买
摘要:本发明公开了一种检测肝细胞癌的试剂盒,属于医学检验技术领域。本发明检测肝细胞癌的试剂盒包含用于检测基因组中5个甲基化特异性位点的序列如SEQ ID NO.1‑10所示5对引物。提取待检测者血液的基因组DNA,使用重亚硫酸盐处理后这5对引物分别进行PCR扩增,扩增产物连接到克隆载体中克隆并测序,根据测序结果分析甲基化位点的个数;再提取待检测者血液的ctDNA检测其长度。若甲基化位点的个数为3个以上,则可判断待检测者患HCC;若甲基化位点的个数为1个或2个,且ctDNA长度小于245bp,则可判断待检测者患HCC。本发明用血量少、操作简便、成本低,准确率高,可用于HCC的早期诊断,适用于普查应用。

[发明]一种多功能挡土墙模型试验装置 申请号:201810768352.X 状态:审中-实审
申请日:2018-07-13 申请人:武汉科技大学 发明人:彭凯遥、杨泰华、陈源、左庆祥、艾子奇
公开日:2018-12-25 代理机构:北京轻创知识产权代理有限公司11212 主分类号:G01N33/24(2006.01)I
我要购买
摘要:本发明公开了一种多功能挡土墙模型试验装置,包括模型箱、挡土墙和加载系统,模型箱为上端开口的长方形箱体结构,挡土墙沿模型箱的宽度方向竖向安装在模型箱内,其两侧和下端均与模型箱的两侧内壁和底壁密封接触,并将模型箱分隔为加载室和装土室,且挡土墙可沿模型箱的长度方向滑动;加载系统安装包括至少两个加载装置,加载装置分别上下间隔的安装在加载室远离挡土墙的一侧内壁上,其加载端朝向挡土墙水平延伸,并可分别水平收缩远离挡土墙,或水平伸长至与挡土墙相抵,并推动挡土墙向装土室远离挡土墙的一端移动。加载装置可分别对挡土墙加载顶力,使挡土墙的加载顶力可在高度上呈阶梯变化,并可模拟挡土墙不同位移模式对土压力的影响的研究。

[发明]一种利用废弃镁碳砖生产含MgO烧结矿的方法 申请号:201810776773.7 状态:审中-实审
申请日:2018-07-13 申请人:武汉科技大学 发明人:薛正良、严浩、华福波、张伟
公开日:2018-12-07 代理机构:武汉智盛唯佳知识产权代理事务所(普通合伙)42236 主分类号:C22B1/16(2006.01)I
我要购买
摘要:本发明涉及一种利用废弃镁碳砖生产含MgO烧结矿的方法,所用废弃镁碳砖来自于服役以后的钢包内衬和转炉内衬,将已经被侵蚀的工作端镁碳砖破碎,作为烧结矿镁质添加剂,再与含铁物料、钙质熔剂和固体燃料进行配料和混料,得到烧结混合料。完成制粒后的烧结料经烧结机布料、点火烧结、破碎、筛分,得到成品烧结矿。废弃镁碳砖中含有MgO 65~90wt%,C5~18%,本发明利用废弃镁碳砖全部代替或大部分代替白云石来生产烧结矿,在提高烧结矿最佳MgO含量的同时,降低烧结矿燃料单耗,实现固废资源化利用,保护环境,降低成本。

[发明]一种绿色生态透水混凝土及其制作方法和施工方法 申请号:201810768445.2 状态:审中-实审
申请日:2018-07-13 申请人:武汉科技大学 发明人:高威、雷学文、桂雨、张彬、董欢、林胜强
公开日:2018-11-06 代理机构:北京轻创知识产权代理有限公司11212 主分类号:C04B28/04(2006.01)I
我要购买
摘要:本发明公开了一种绿色生态透水混凝土及其制作方法和施工方法,所述绿色生态透水混凝土由以下重量份的原料制成:碎石1260‑1400份、水泥300‑350份、水91‑119份和玄武岩纤维2‑8份。本发明所述绿色生态透水混凝土的制作方法包括以下步骤:1)在搅拌机中装入配方量的玄武岩纤维和水泥并充分搅拌;2)在步骤1)中完成搅拌的原料中加入配方量的碎石和水,搅拌5‑6min后得到绿色生态透水混凝土。本发明所述透水混凝土利用所述玄武岩纤维保证透水系数的同时,增加了提高透水混凝土的劈裂抗拉强度和抗折强度;玄武岩纤维是一种无环境污染的健康纤维,节约成本,降低了绿色生态透水混凝土的造价。

[实用新型]一种轮椅监测设备及其使用的轮椅 申请号:201821107641.7 状态:有权
申请日:2018-07-13 申请人:武汉科技大学 发明人:胡斯念、肖涵、刘琥铖、李小彪、肖昌明、赵心阳
公开日:2019-04-09 代理机构:武汉科皓知识产权代理事务所(特殊普通合伙)42222 主分类号:G01C21/08(2006.01)I
我要购买
摘要:本实用新型公开了一种轮椅监测设备及其使用的轮椅,上述监测设备包括:通信模块;用于获取轮椅所在位置实地磁场矢量信息的地磁感应传感器;以及处理器,处理器分别与通信模块和地磁感应传感器电连接。本实用新型提供的轮椅中,通过监测设备中的地磁感应传感器实时获取轮椅所在位置实地磁场矢量信息,并经比对并判断后提取获得轮椅实时坐标。

[发明]一种新型机械自锁液压执行器 申请号:201810769073.5 状态:审中-实审
申请日:2018-07-13 申请人:武汉科技大学 发明人:加闯、谢良喜、谢天、吴攀峰
公开日:2018-10-19 代理机构:武汉科皓知识产权代理事务所(特殊普通合伙)42222 主分类号:F15B15/14(2006.01)I
我要购买
摘要:一种新型机械自锁液压执行器,包括缸筒、活塞杆、油口一和油口二,其特征在于还包括,螺杆、离合片以及液压马达;所述活塞杆右端安装在所述缸筒中,左端从所述缸筒左侧伸出,所述活塞杆内部为中空结构并攻有内螺纹,其左端封闭,右端开放;所述缸筒右侧筒壁开有螺杆孔,所述螺杆长度大于所述缸筒长度,所述螺杆左端一段长度上攻有与所述活塞杆内螺纹相配的外螺纹,所述螺杆左端从所述螺杆孔中伸入所述缸筒内并通过所述内螺纹与外螺纹配合伸入所述活塞杆的中空结构中,所述螺杆上所述外螺纹的螺旋升角小于自锁角;所述螺杆右端伸出所述缸筒外,并通过两片所述离合片与所述液压马达相连;所述油口一和油口二分别设置在所述缸筒侧壁的左右两端。

[发明]基于混合核支持张量机的MMC子模块开路故障检测方法 申请号:201810765510.6 状态:审中-实审
申请日:2018-07-12 申请人:武汉科技大学 发明人:刘振兴、李翠、张永、赵敏、李晓卉、张雄希
公开日:2018-11-23 代理机构:上海精晟知识产权代理有限公司31253 主分类号:G01R31/02(2006.01)I
我要购买
摘要:本发明提供一种基于混合核支持张量机的模块化模块化多电平换流器子模块开路故障检测方法,将径向基核函数与多项式核函数的凸组合形式作为混合核函数,利用支持张量机对模块化模块化多电平换流器进行子模块开路故障诊断,结合模块化模块化多电平换流器在正常运行和故障运行时得到的交流侧电流及环流数据特点,对采集的数据进行训练及测试,以交流电流、电流包络均值以及三相间环流的变化特点作为故障判断依据,并将故障诊断结果以简单的形式表现出来,及时地将故障检测出来,避免因延时检测给系统造成重大的事故隐患。

[发明]基于快速傅里叶变换和滑动平均值算法的MMC故障检测方法 申请号:201810765508.9 状态:审中-实审
申请日:2018-07-12 申请人:武汉科技大学 发明人:刘振兴、李翠、张永、王琦、蔡斌、苏茜
公开日:2018-12-18 代理机构:上海精晟知识产权代理有限公司31253 主分类号:G01R31/26(2014.01)I
我要购买
摘要:本发明提供一种基于快速傅里叶变换和滑动平均值算法的MMC故障检测方法,包括以下步骤:采集待检测模块化多平换流器的运行状态下交流侧的每一相电流,通过快速傅里叶变换对电流进行处理,获得每一个电流周期中直流分量,根据直流分量与预设直流分量阈值的大小判定待检测模块化多平换流器是否出现子模块开路故障,并通过比较三相电流直流分量定位到故障桥臂,再通过滑动平均值滤波算法对故障桥臂的所有子模块电容电压进行处理分析以定位出故障子模块。本发明在不需要建立精确数据模型的条件下利用简单的算法,且在不需要额外增加传感器的情况下快速精准地监测出故障,简单易行。

[发明]一种基于多源状态监测信息和可靠性特征融合的液压设备早期故障预测方法 申请号:201810762624.5 状态:审中-实审
申请日:2018-07-12 申请人:中石化石油机械股份有限公司、武汉科技大学 发明人:钱新博、黄剑、黄家文、赵慧、徐军、彭太峰
公开日:2018-12-25 代理机构:武汉科皓知识产权代理事务所(特殊普通合伙)42222 主分类号:G06K9/62(2006.01)I
我要购买
摘要:本发明公开了一种基于多源状态监测信息和可靠性特征融合的液压设备早期故障预测方法,旨在提供一种能够识别早期故障信号,降低预警的误报和漏报,提高故障预测的准确率。其技术方案的要点是,挖掘液压设备的监测信息与状态评价之间的关联规则;构建基于多源传感器监测数据融合方法,实现监测数据降维;融合监测信息与可靠性寿命数据,构建参数化的失效率函数(proportional covariate model,简称PCM),预测设备的早期故障演变过程,为液压设备运行维护提供有力的预警信息。相对于传统的液压故障预测方法,该方法通过在液压设备状态监测信息中融合可靠性特征,能够有效提高预测精度和拓宽预测区间等优点。

[发明]一种网银盾自动对码流水线 申请号:201810762483.7 状态:审中-实审
申请日:2018-07-12 申请人:武汉科技大学 发明人:饶刚、姜燕、胡斌、陈锋、周俊杰、丰帆、王威、杨东恒
公开日:2018-11-13 代理机构:武汉科皓知识产权代理事务所(特殊普通合伙)42222 主分类号:G06K17/00(2006.01)I
我要购买
摘要:本发明提供一种网银盾自动对码流水线,包括机架、主机、挡板带、检测仪、步进电机、减速器,所述检测仪包括外壳、LED灯带、相机、均光板、固定板、支撑板、托板;外壳的下挡板上开有检测孔,LED灯带固定在固定板的凹槽内,外壳内中上部固定有均光板,均光板上开有镜头孔,能容镜头通过,相机固定于托板上,托板和支撑板粘接,支撑板螺钉固定于内中间铝型材上。检测仪内部采用均光板、LED灯带,使光线分布均匀,步进电机保证网银盾每次移动到位,相机拍照完成后将照片信息传给主机,主机采集序列号和条码信息,并对比网银盾序列号和条码是否一致。本发明采用现代化技术,提高对码效率、准确度、降低工人的劳动强度,降低生产成本。

[实用新型]一种网银盾自动对码流水线 申请号:201821100902.2 状态:有权
申请日:2018-07-12 申请人:武汉科技大学 发明人:饶刚、姜燕、胡斌、陈锋、周俊杰、丰帆、王威、杨东恒
公开日:2019-01-08 代理机构:武汉科皓知识产权代理事务所(特殊普通合伙)42222 主分类号:G06K17/00(2006.01)I
我要购买
摘要:本实用新型创造提供一种网银盾自动对码流水线,包括机架、主机、挡板带、检测仪、步进电机、减速器,所述检测仪包括外壳、LED灯带、相机、均光板、固定板、支撑板、托板;外壳的下挡板上开有检测孔,LED灯带固定在固定板的凹槽内,外壳内中上部固定有均光板,均光板上开有镜头孔,能容镜头通过,相机固定于托板上,托板和支撑板粘接,支撑板螺钉固定于内中间铝型材上。检测仪内部采用均光板、LED灯带,使光线分布均匀,步进电机保证网银盾每次移动到位,相机拍照完成后将照片信息传给主机,主机采集序列号和条码信息,并对比网银盾序列号和条码是否一致。本实用新型创造采用现代化技术,提高对码效率、准确度、降低工人劳动强度和生产成本。

[发明]基于层厚统计信息模型的相干光断层扫描图像的层分割方法 申请号:201810758417.2 状态:审中-实审
申请日:2018-07-11 申请人:武汉科技大学 发明人:刘小明、喻爱辉、王佳、胡威、刘俊、张凯
公开日:2018-12-14 代理机构:杭州宇信知识产权代理事务所(普通合伙)33231 主分类号:G06T7/12(2017.01)I
我要购买
摘要:本发明公开了一种基于层厚统计信息模型的相干光断层扫描图像的层分割方法,包括步骤:S1、预处理:对图像进行降噪、对比度增强和扁平处理;S2、血管检测:将图像中的血管阴影检测出来;S3、构建邻接矩阵:生成垂直方向的梯度图像,对梯度图像进行归一化处理,并计算邻接矩阵对应的图中各节点间的权重;S4、利用层厚统计信息设置搜索区域:根据层厚统计信息在垂直方向上依次为各层限定搜索的区域;S5、边界检测:先将对比度最高的边界检测出来,根据已检测出的边界迭代地限定每次搜索的区域,再检测剩余边界并进行层分割。本方法具有较好的鲁棒性、更高的分割效率和灵活性。
当前共找到8115个专利记录,当前显示页码151/406