首页
专利查询
专利购买
专利转让
专利申请
15071489439
当前位置:
专利巴士
专利查询
专利名称
查询
高级查询
当前共找到
8115
个专利记录
,当前显示页码
154/406
专利名称
申请号
申请人
发明人
专利代办机构
[发明]
一种智能开关系统
申请号:
201810743848.1
状态:
审中-实审
申请日:
2018-07-09
申请人:
武汉科技大学
发明人:
饶刚、王威、杨东恒、刘志文、赵敏
公开日:
2018-11-27
代理机构:
北京路浩知识产权代理有限公司11002
主分类号:
H04L12/28(2006.01)I
我要购买
摘要:
本发明实施例提供的一种智能开关系统,包括开关获能遥控器和多个无线接收控制器,通过开关获能按键为开关供电并产生开关信息,通过编码器确定被控制电器的具体地址和档位信息,将开关信息、地址信息及档位信息通过无线发送至被控制范围内的所有被控制电器,实现了一个开关获能遥控器控制多个被控制电器的功能,且该智能开关系统能够实现自供能,结构简单无需布线,调节方式灵活,能够很好的适应现今智能家居的要求。
[发明]
一种废旧轮胎粉的高效综合利用方法
申请号:
201810741156.3
状态:
审中-实审
申请日:
2018-07-08
申请人:
武汉科技大学
发明人:
周建安、陶迅、王宝、张华、倪红卫、宋伟明、张翔
公开日:
2018-11-20
代理机构:
湖北武汉永嘉专利代理有限公司42102
主分类号:
C21C5/30(2006.01)I
我要购买
摘要:
本发明公开了一种废旧轮胎粉的高效综合利用方法,通过在转炉煤气中吹入废旧轮胎粉,使废旧轮胎粉高温裂解为热解气体和热解炭黑。热解气体主要为H
2
、CO,热解的炭黑与转炉煤气中的氧发生反应生成一氧化碳,降低转炉煤气中的氧气含量,通过控制碳素材料的喷吹量能够有效控制转炉煤气中的氧气体积含量在1%以下。如废旧轮胎粉喷吹量较大时,其含有的硫会造成环境污染,可通过将脱硫剂石灰、消石灰等掺入废旧轮胎粉进行混合喷吹。本发明的方法实用性强,安全可靠,控制稳定,使废旧轮胎粉得到高效综合利用,回收转炉煤气的产量和质量有了明显提高,吨钢煤气回收量增加10~18%,单位发热值提高10~20%,氧含量降低30~60%,市场前景广阔。
[发明]
一种利用冶炼厂石灰窑尾气制取转炉煤气的方法
申请号:
201810741157.8
状态:
审中-实审
申请日:
2018-07-08
申请人:
武汉科技大学
发明人:
王宝、周建安、张华、倪红卫、宋伟明、张翔
公开日:
2018-12-04
代理机构:
湖北武汉永嘉专利代理有限公司42102
主分类号:
C10J3/00(2006.01)I
我要购买
摘要:
本发明公开了一种利用冶炼厂石灰窑尾气制取转炉煤气的方法,将冶炼厂经除尘、降温、加压后的石灰窑尾气通过管道输送到转炉车间的调压阀组站内,调节压力至0.8‑1.2MPa,经脱油、脱水处理,获得喷吹用调压尾气;将喷吹用调压尾气输送到转炉碳素材料喷吹系统,在转炉煤气回收时,以调压尾气作为输送气体将碳素材料通过喷枪喷吹到转炉汽化冷却烟道,或喷吹到转炉与汽化冷却烟道之间。本发明的方法能够直接有效利用石灰窑尾气代替氮气作为喷吹气体向转炉高温烟气中喷吹碳素材料制取转炉煤气,使转炉煤气品质和产量均有较大提高;并且石灰窑尾气不需净化和吸附提纯,减排效益显著;该方法实施成本低,安全可靠,且运行稳定。
[发明]
一种生物质粉的高效综合利用方法
申请号:
201810741145.5
状态:
审中-实审
申请日:
2018-07-08
申请人:
武汉科技大学
发明人:
周建安、陶迅、王宝、张华、倪红卫、宋伟明、张翔
公开日:
2018-12-11
代理机构:
湖北武汉永嘉专利代理有限公司42102
主分类号:
C21C5/38(2006.01)I
我要购买
摘要:
本发明公开了一种生物质粉的高效综合利用方法,通过在转炉煤气中吹入生物质粉,使生物质粉高温裂解为热解气体和热解炭黑。热解气体主要为H
2
、CO,热解的炭黑与转炉煤气中的氧发生反应生成一氧化碳,降低转炉煤气中的氧气含量,通过控制生物质粉的喷吹量能够有效控制转炉煤气中的氧气体积含量在1%以下,在保证煤气回收的安全同时,提高了煤气的单位发热值,减少了环境污染,降低了事故发生率。本发明的方法实用性强,安全可靠,控制稳定,使生物质粉得到高效综合利用,回收转炉煤气的产量和质量有了明显提高,吨钢煤气回收量增加10~18%,单位发热值提高10~20%,氧含量降低30~60%,市场前景广阔。
[发明]
一种超深井机器人探测电缆铠装钢丝用石墨烯/环氧富锌复合涂料及其制备方法和应用
申请号:
201810738405.3
状态:
审中-实审
申请日:
2018-07-06
申请人:
武汉科技大学
发明人:
黄峰、曹祥康、卢献忠、乔文玮、刘静
公开日:
2018-12-28
代理机构:
北京高沃律师事务所11569
主分类号:
C09D163/00(2006.01)I
我要购买
摘要:
本发明属于涂料技术领域,具体涉及一种超深井机器人探测电缆铠装钢丝用石墨烯/环氧富锌复合涂料及其制备方法和应用。本发明先在润滑剂中对石墨烯纳米片进行液相剥离,得到少层石墨烯,同时提高石墨烯的分散性;然后将少层石墨烯与稀释剂和固化剂混合,形成石墨烯胶体,避免少层石墨烯沉降,为少层石墨烯在复合涂料中的均匀分散进一步提供有利条件;还将少层石墨烯和锌粉配合使用,使石墨烯作为相邻锌粉之间的电子转移通道,促进锌粉的阳极溶解,延长了涂料对钢基体的阴极保护作用时间;而且石墨烯能够填补涂料的孔洞,改善涂料的物理屏蔽作用,阻碍腐蚀介质向基体材料的扩散渗透,进而达到提高复合涂料防腐性能的效果。
[发明]
一种功能型超滤膜的制备及其应用
申请号:
201810733795.5
状态:
审中-公开
申请日:
2018-07-06
申请人:
武汉科技大学
发明人:
欧阳曙光、冯驰、刘兆越、刘佳成
公开日:
2018-11-13
代理机构:
主分类号:
B01D67/00(2006.01)I
我要购买
摘要:
本发明提供一种既有过滤性能又有降解功能的新型功能型超滤膜,该超滤膜的制备需首先制备出一种具有亲水降解功能的纳米复合物改性剂TiO
2
‑Fe
3
O
4
,将该改性剂同铸膜液共混进行平板制膜,然后将带有膜片的玻璃板浸入凝固浴中以达到相分离,从而制得具有过滤性和降解性的功能型超滤膜。本发明的方法制备时间短,工艺简单,并且所制备的超滤膜对焦化废水COD的降低具有明显的效果,因此,本发明将会在高浓度有机废水的处理方面有很好的应用前景。
[发明]
一种机械手焊接自动运输线
申请号:
201810734279.4
状态:
审中-实审
申请日:
2018-07-06
申请人:
武汉科技大学
发明人:
赵昊坤、余震、丰帆
公开日:
2018-12-07
代理机构:
武汉科皓知识产权代理事务所(特殊普通合伙)42222
主分类号:
B23K37/00(2006.01)I
我要购买
摘要:
本发明公开了一种机械手焊接自动运输线,包括:储存箱、第一传输装置、焊接平台、第二传输装置、产品箱、第一抓取装置、第二抓取装置以及第三抓取装置。本发明提供的机械手焊接自动运输线中,通过设置相应抓取装置可实现对机械手物料的抓取和释放,从而实现机械手焊接流程中的自动化运输。
[发明]
基于可靠性分析的发动机叶片主动再制造时域选择方法
申请号:
201810731764.6
状态:
审中-实审
申请日:
2018-07-05
申请人:
武汉科技大学
发明人:
陈乐、王贤琳、苏梅月、李卫飞、王恺、刘凯乐
公开日:
2018-11-30
代理机构:
武汉科皓知识产权代理事务所(特殊普通合伙)42222
主分类号:
G06F17/50(2006.01)I
我要购买
摘要:
本发明公开了一种基于可靠性分析的发动机叶片主动再制造时域选择方法,利用收集到发动机叶片的故障数据,预估其可靠度在服役周期变化的趋势,从而为主动再制造时域选择提供参考。为获得叶片可靠度趋势线,采用联合最小二乘法及平均秩次法来拟合叶片可靠度的变化趋势。通过计算叶片在服役生命末期可靠度下降的极值点,选择发动机主动再制造的时机点。本发明的显著效果:通过预设再制造时间点,可使废旧零部件失效形式以及程度尽可能相似,减少再制造技术难度,从而对环境保护和能源可持续发展具有重大意义。
[发明]
一种便携式搬运装置
申请号:
201810741472.0
状态:
审中-实审
申请日:
2018-07-05
申请人:
武汉科技大学
发明人:
孙欢、谢良喜、谢天、吴攀峰
公开日:
2018-11-13
代理机构:
武汉科皓知识产权代理事务所(特殊普通合伙)42222
主分类号:
B65G7/12(2006.01)I
我要购买
摘要:
本发明公开一种便携式搬运装置,包括两个圆盘夹、装置架、搬运手柄、偏心轴,圆盘夹上偏离圆心的位置开有偏心孔,偏心孔内开有内螺纹装置架包括圆盘杆、固定头、紧定螺丝,两个圆盘杆呈倒“V”字型,圆盘杆的底端固定有偏心轴,偏心轴上开有外螺纹,两个圆盘夹通过偏心孔螺纹连接在偏心轴上,偏心轴和其上的螺纹长度大于圆盘夹的厚度,偏心轴未与圆盘杆连接的一端设有端帽,避免圆盘夹从偏心轴上脱落。本发明将圆盘夹设计成偏心结构,然后把需要搬运的面积大,厚度较薄的规则物体夹在圆盘中间,圆盘夹相对物体做相对运动,当圆盘夹运动到和搬运物相交的时候,圆盘夹被卡住停止运动,物体被夹紧。本发明结构简单,便于携带。
[发明]
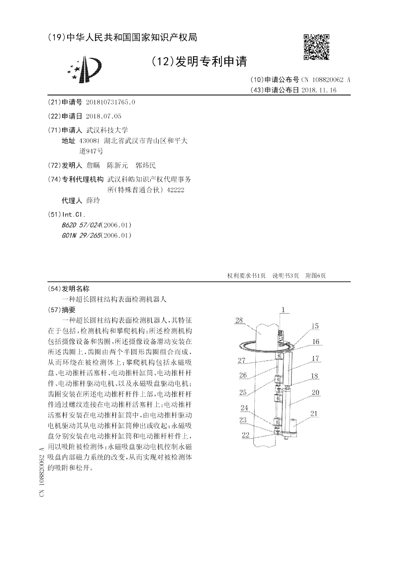
一种超长圆柱结构表面检测机器人
申请号:
201810731765.0
状态:
有权
申请日:
2018-07-05
申请人:
武汉科技大学
发明人:
詹瞩、陈新元、郭炜民
公开日:
2018-11-16
代理机构:
武汉科皓知识产权代理事务所(特殊普通合伙)42222
主分类号:
B62D57/024(2006.01)I
我要购买
摘要:
一种超长圆柱结构表面检测机器人,其特征在于包括,检测机构和攀爬机构;所述检测机构包括摄像设备和齿圈,所述摄像设备滑动安装在所述齿圈上,齿圈由两个半圆形齿圈组合而成,从而环绕在被检测体上;攀爬机构包括永磁吸盘、电动推杆活塞杆、电动推杆缸筒、电动推杆杆件、电动推杆驱动电机、以及永磁吸盘驱动电机;齿圈安装在所述电动推杆杆件上部,电动推杆杆件通过螺纹连接在电动推杆活塞杆上;电动推杆活塞杆安装在电动推杆缸筒中,由电动推杆驱动电机驱动其从电动推杆缸筒伸出或收起;永磁吸盘分别安装在电动推杆缸筒和电动推杆杆件上,用以吸附被检测体;永磁吸盘驱动电机控制永磁吸盘内部磁力系统的改变,从而实现对被检测体的吸附和松开。
[发明]
一种带有消防设备的立体车库
申请号:
201810729531.2
状态:
审中-实审
申请日:
2018-07-05
申请人:
武汉科技大学
发明人:
梅文浩、姜燕、刘宏达
公开日:
2018-11-20
代理机构:
武汉科皓知识产权代理事务所(特殊普通合伙)42222
主分类号:
E04H6/22(2006.01)I
我要购买
摘要:
本发明公开了一种带有消防设备的立体车库,包括车库支架、消防设备以及多个用于停车的一层平台和二层平台,多个一层平台成一排设置在车库支架底部,多个二层平台通过升降装置安装在一层平台上方的车库支架上,车库支架底部设有轨道,一层平台通过滚轮安装轨道上,每个一层平台均设有独立的牵引装置,使得该一层平台能在轨道上移动,为其上方的二层平台升降留出空间;所述消防设备包括灭火机器人和与设于车库支架外侧且与一排一层平台平行设置的消防导轨,所述灭火机器人通过消防牵引器驱动在消防导轨上移动,来对车库支架上所需灭火部位进行灭火。本发明既提供了多层停车平台同时还自带消防灭火装置,可有效解决车库防火问题。
[发明]
一种基于自抗扰技术的欠驱动桥式吊车双摆防摆控制方法
申请号:
201810727581.7
状态:
审中-实审
申请日:
2018-07-05
申请人:
武汉科技大学
发明人:
刘惠康、唐超、曹宇轩、柴琳、杨永立
公开日:
2018-09-18
代理机构:
杭州千克知识产权代理有限公司33246
主分类号:
B66C13/06(2006.01)I
我要购买
摘要:
本发明提供一种基于自抗扰技术的欠驱动桥式吊车双摆防摆控制方法,属于桥式吊车防摆控制技术领域。该基于自抗扰技术的欠驱动桥式吊车双摆防摆控制方法包括如下步骤:S1:建立动力学模型;S2:建立微分跟踪器并根据微分跟踪器得到小车位移微分;S3:设计扩张观测器;S4:得到控制律。本发明中协调摆角和位移之间的矛盾,在系统模型不精确、存在外在扰动及非线性时,仍能保证双摆桥式吊车的控制性能,尽快减小摆角并完成运输任务,提高了系统的可靠性和效率。
[实用新型]
一种立体车库应急消防机器人
申请号:
201821058777.3
状态:
有权
申请日:
2018-07-05
申请人:
武汉科技大学
发明人:
梅文浩、姜燕、刘宏达
公开日:
2019-04-09
代理机构:
武汉科皓知识产权代理事务所(特殊普通合伙)42222
主分类号:
E04H6/18(2006.01)I
我要购买
摘要:
本实用新型公开了一种立体车库应急消防机器人,包括灭火机器人和与设于立体车库外侧的消防导轨,所述灭火机器人通过消防牵引器驱动在消防导轨上移动,来对车库支架上所需灭火部位进行灭火;所述灭火机器人包括灭火机器人支架、喷头和电动推杆,所述喷头通过电动推杆安装在灭火机器人支架,通过电动推杆可调节喷头的高度,喷头进口与软质的水管相连。所述灭火机器人通过消防牵引器驱动在消防导轨上移动,来对立体车库上所需灭火部位进行灭火。本实用新型解决了现有技术中立体车库灭火问题,其运行成本低廉,可有效解决车库防火问题。
[发明]
一种企业信息化项目实施管理系统
申请号:
201810729887.6
状态:
审中-实审
申请日:
2018-07-05
申请人:
武汉科技大学
发明人:
苏梅月、周敏、高强、雷成名、王丹妮
公开日:
2018-12-04
代理机构:
武汉科皓知识产权代理事务所(特殊普通合伙)42222
主分类号:
G06Q10/06(2012.01)I
我要购买
摘要:
本发明公开了一种企业信息化项目实施管理系统,包括项目编码模块、项目培训模块、可行性分析模块、需求分析模块、项目组织模块、会议记录模块、实施计划模块、业务调研模块、方案设计模块、系统研发模块、数据管理模块、系统切换模块、系统评价模块、持续改善模块、合同管理模块、采购管理模块、知识管理模块、文档管理模块、项目管控模块、项目经验模块;本发明提供的信息化项目实施管理系统,能够实现项目管控、全面统筹、智能决策,且能够提高服务水平。
[实用新型]
一种太阳能聚光制盐取水装置
申请号:
201821063696.2
状态:
有权
申请日:
2018-07-05
申请人:
武汉科技大学
发明人:
胡航、焦良珍、周传辉、许鸿翔、杨明飞、胡汀
公开日:
2019-04-09
代理机构:
武汉科皓知识产权代理事务所(特殊普通合伙)42222
主分类号:
F24S60/30(2018.01)I
我要购买
摘要:
本实用新型提供一种太阳能聚光制盐取水装置,包括聚光透镜、高温热管、加热釜、冷凝管和储水箱,其特征在于,还包括空气放大器和空压机;所述聚光透镜聚焦于高温热管的吸热端,高温热管的放热端连接在所述加热釜的底部;所述加热釜上部开设进气口和出气口,出气口经空气放大器后管道连接至所述冷凝管的进口端;冷凝管的出口端管道连接至所述储水箱;所述空气放大器的压缩空气入口与空压机管道连接。本装置利用空气放大器和空压机,将加热釜中蒸出的水蒸汽抽送至冷凝管中冷凝,在加热釜中形成负压,利于水蒸发成水蒸汽;同时,空压机不接触蒸出的水蒸汽,降低了被腐蚀的速率。本实用新型结构简单、使用方便、实用性强。
[发明]
一种铁尾矿\偏高岭土基地质聚合物及其制备方法
申请号:
201810729916.9
状态:
审中-实审
申请日:
2018-07-05
申请人:
武汉科技大学
发明人:
王梦婵、张惠灵、陈永亮、武诗怡、齐辰晖、肖华平
公开日:
2018-10-12
代理机构:
武汉科皓知识产权代理事务所(特殊普通合伙)42222
主分类号:
C04B12/00(2006.01)I
我要购买
摘要:
本发明具体涉及一种以铁尾矿、偏高岭土和碱渣为原料制备地质聚合物的方法。其技术方案是按下述各组分制备:铁尾矿:40.8~52.5wt%,偏高岭土:29.2~37.5wt%,碱渣:10~30wt%,碱激发剂溶液质量为固体粉料总质量的25~35wt%。其制备步骤是:先将铁尾矿、偏高岭土和碱渣按比例混匀,然后再将用氢氧化钠、水和液态水玻璃配制成的碱激发剂溶液加入混匀好的原料中,搅拌,然后压制成型,脱模后将试样先放置于养护箱中在80℃的条件下养护一定时间,再在标准恒温恒湿养护箱中养护至规定龄期得铁尾矿、偏高岭土和碱渣地质聚合物。本发明以固体废弃物铁尾矿和碱渣为主要原料,制备工艺简单环保,成本低,变废为宝,对节约资源、节省能源和保护环境具有重大意义。
[实用新型]
一种消防设备与立体车库融合装置
申请号:
201821057613.9
状态:
有权
申请日:
2018-07-05
申请人:
武汉科技大学
发明人:
梅文浩、但斌斌、姜燕、刘宏达
公开日:
2019-04-09
代理机构:
武汉科皓知识产权代理事务所(特殊普通合伙)42222
主分类号:
E04H6/18(2006.01)I
我要购买
摘要:
本实用新型公开了一种消防设备与立体车库融合装置,包括车库支架、消防设备以及多个用于停车的一层平台和二层平台,多个一层平台成一排设置在车库支架底部,多个二层平台通过升降装置安装在一层平台上方的车库支架上,车库支架底部设有轨道,一层平台通过滚轮安装轨道上,每个一层平台均设有独立的牵引装置,使得该一层平台能在轨道上移动,为其上方的二层平台升降留出空间;消防设备为每间隔一个或两个车位距离设于车库支架外侧的灭火装置,灭火装置包括推杆底板、喷头和电动推杆,电动推杆安装在车库支架外侧底部,喷头安装在电动推杆顶部,本实用新型既提供了多层停车平台同时还自带消防灭火装置,可有效解决车库防火问题。
[实用新型]
一种用于钢渣处理的喷雾装置
申请号:
201821060434.0
状态:
有权
申请日:
2018-07-05
申请人:
武汉江力新建材设计咨询有限公司、武汉科技大学、武汉理工大学
发明人:
陈平、潘晓娟、胡曙光、胡成、汪光风、董航、王伟
公开日:
2019-08-16
代理机构:
武汉智嘉联合知识产权代理事务所(普通合伙)42231
主分类号:
B05B9/04(2006.01)I
我要购买
摘要:
本实用新型公开一种用于钢渣处理的喷雾装置,包括两个搅拌组件、两个出液组件、主管、至少一个喷雾组件;每一搅拌组件包括一筒体、电机、搅拌轴、至少一个搅拌桨,电机设置于筒体上,搅拌轴一端与电机输出轴相连接、另一端穿过筒体内壁,搅拌桨设置于搅拌轴另一端;出液组件与搅拌组件一一对应设置,每一出液组件包括出液管、水泵、第一阀门,出液管一端与筒体相连通,出液管另一端与水泵进液端相连通;第一阀门设置于出液管上;主管一端与两个水泵的出液端均相连通;喷雾组件包括支管、喷头,支管的一端与主管的另一端均相连通,喷头设置于支管另一端。本实用新型无需人工进行搅拌且总有一个搅拌组件处于工作状态。
[发明]
一种电磁-碰撞复合阻尼器
申请号:
201810723754.8
状态:
审中-实审
申请日:
2018-07-04
申请人:
武汉科技大学
发明人:
胡溧、黄显锋、杨啟梁、崔玉定、王博
公开日:
2018-11-06
代理机构:
武汉科皓知识产权代理事务所(特殊普通合伙)42222
主分类号:
E04B1/98(2006.01)I
我要购买
摘要:
本发明涉及一种电磁‑碰撞复合阻尼器。其技术方案是:在盖板和底板间水平地设有隔板(4),隔板(4)的左端和右端与箱体(2)的左侧板和右侧板对应联接,在隔板(4)和盖板间的左侧板和右侧板分别固定有挡板(3)。阻尼器腔体(6)内放置有碰撞体(1),所述碰撞体(1)为球体或为圆柱体,阻尼器腔体(6)高度与碰撞体(1)直径的名义尺寸相同。阻尼器腔体(6)宽度与球体直径或与圆柱体长度的名义尺寸相同,阻尼器腔体(6)的长度为碰撞体(1)直径的2~4倍。隔板(4)和底板间的中间位置处固定有磁性体(5),磁性体(5)为永磁铁或为电磁铁。本发明具有结构简单、造价低、易于维护、运行可靠、使用寿命长和耗能效率高的特点。
[实用新型]
一种电涡流碰撞阻尼器
申请号:
201821052457.7
状态:
有权
申请日:
2018-07-04
申请人:
武汉科技大学
发明人:
胡溧、黄显锋、杨啟梁、崔玉定、王博
公开日:
2019-02-15
代理机构:
武汉科皓知识产权代理事务所(特殊普通合伙)42222
主分类号:
E04B1/98(2006.01)I
我要购买
摘要:
本实用新型涉及一种电涡流碰撞阻尼器。其技术方案是:在盖板和底板间水平地设有隔板(4),隔板(4)的左端和右端与箱体(2)的左侧板和右侧板对应联接,在隔板(4)和盖板间的左侧板和右侧板分别固定有挡板(3)。阻尼器腔体(6)内放置有碰撞体(1),所述碰撞体(1)为球体或为圆柱体,阻尼器腔体(6)高度与碰撞体(1)直径的名义尺寸相同。阻尼器腔体(6)宽度与球体直径或与圆柱体长度的名义尺寸相同,阻尼器腔体(6)的长度为碰撞体(1)直径的2~4倍。隔板(4)和底板间的中间位置处固定有磁性体(5),磁性体(5)为永磁体铁或为电磁铁。本实用新型具有结构简单、造价低、易于维护、运行可靠、使用寿命长和耗能效率高的特点。
首页
上一页
151
152
153
154
155
156
157
158
159
160
下一页
尾页
当前共找到
8115
个专利记录
,当前显示页码
154/406