首页
专利查询
专利购买
专利转让
专利申请
15071489439
当前位置:
专利巴士
专利查询
专利名称
查询
高级查询
当前共找到
8115
个专利记录
,当前显示页码
155/406
专利名称
申请号
申请人
发明人
专利代办机构
[实用新型]
一种清洁刷
申请号:
201821058926.6
状态:
有权
申请日:
2018-07-04
申请人:
武汉科技大学
发明人:
谢运来、曹秋鸿、刘涛、刘佳佳
公开日:
2019-07-05
代理机构:
北京路浩知识产权代理有限公司11002
主分类号:
A46B11/02(2006.01)I
我要购买
摘要:
本实用新型涉及生活用品领域,公开了一种清洁刷,包括清洗液室和刷具;所述清洗液室包括侧壁设有出液口的储液管和出液部件;所述出液部件包括透水瓣,所述透水瓣用于封闭所述出液口;所述刷具包括刷柄以及安装有清洁件的刷头,所述刷柄的一端与所述储液管连接,所述刷柄的另一端与所述刷头连接。本实用新型通过新增清洗液室,简单方便地实现清洗液的储存以及释放,解决了现有眼镜刷清洗过程复杂的问题,同时还设置了透水瓣,既保证清洗液顺利地释放,又防止非使用状态下清洗液的泄漏,其结构简单、合理,使用便捷。
[发明]
一种再制造发动机设计平台
申请号:
201810723254.4
状态:
审中-实审
申请日:
2018-07-04
申请人:
武汉科技大学
发明人:
苏梅月、周敏、王丹妮、陈乐、吴冲、王腾
公开日:
2018-11-30
代理机构:
武汉科皓知识产权代理事务所(特殊普通合伙)42222
主分类号:
G06Q50/04(2012.01)I
我要购买
摘要:
本发明公开了一种再制造发动机设计平台。包含回收系统、库存系统、检测系统、设计系统、加工系统、核算系统、销售系统、服务系统。本发明提供的一种围绕发动机再制造全生命周期的设计平台,以再制造中最具代表性的产品发动机为对象,开发了再制造发动机设计平台,该平台可以实现再制造产品全生命周期的数据化、智能化、责任化、服务化,从而解决现有技术存在的问题,不仅可以提升产品设计生产效率、快速反应市场,还可以提高服务水平。
[发明]
车载网中面向车流覆盖需求的RSUs部署方法
申请号:
201810714623.3
状态:
审中-实审
申请日:
2018-07-03
申请人:
武汉科技大学
发明人:
李鹏、蒋鹏、张涛、钟恩芳、金瑜、何亨、刘芹
公开日:
2018-11-20
代理机构:
武汉科皓知识产权代理事务所(特殊普通合伙)42222
主分类号:
H04W16/18(2009.01)I
我要购买
摘要:
本发明提供一种车载网中面向车流覆盖需求的RSUs部署方法,所述RSUs为路边单元,其特征在于:通过将车流分割为多条首尾相连的子车流,将RSUs部署转换为集合覆盖问题,采用一次性部署或增量部署方式实现;所述一次性部署,是直接在给定的街道上部署所有的路边单元;所述增量部署,是根据用户需求在已经存在的路边单元基础上部署新的路边单元。本发明用路边单元(RSUs)为车辆提供低廉的数据下载服务,从而降低用户下载数据所需要的成本。
[发明]
电动汽车动力电池智能可靠电流限幅控制方法
申请号:
201810718760.4
状态:
审中-实审
申请日:
2018-07-03
申请人:
武汉科技大学
发明人:
赵云涛、李维刚
公开日:
2018-12-07
代理机构:
上海精晟知识产权代理有限公司31253
主分类号:
B60L11/18(2006.01)I
我要购买
摘要:
本发明提供一种电动汽车动力电池智能可靠电流限幅控制方法,对动力电池实际总电流的控制,采用多扫描周期转矩闭环智能可靠限幅方法,将控制目标确定为使动力电池实际总电流处于允许的最大充电电流和最大放电电流之间;通过调节驱动轮转矩输出系数factor
Tout
来对电动汽车输出总转矩进行限制,以达到通过factor
Tout
对实际输出转矩进行限制的目的,通过对电动汽车输出总转矩进行限制的方式来达到对电动汽车动力电池实际输出总电流进行控制。
[发明]
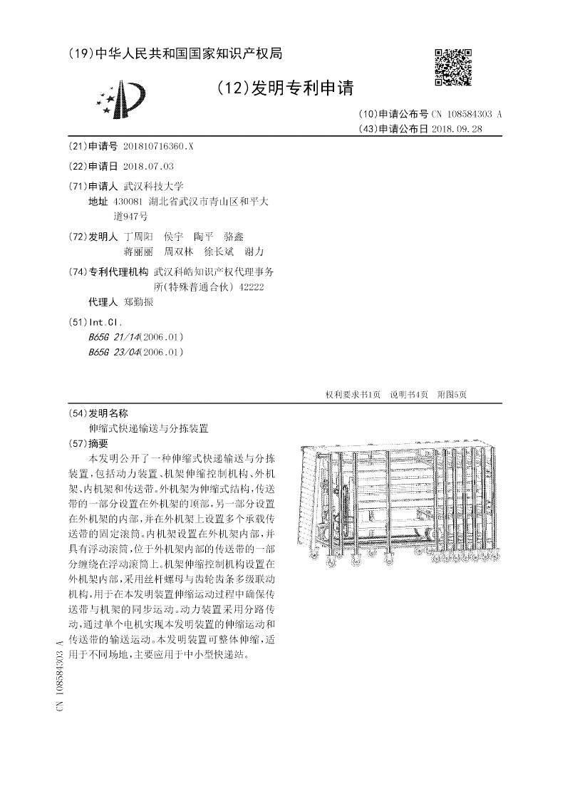
伸缩式快递输送与分拣装置
申请号:
201810716360.X
状态:
审中-实审
申请日:
2018-07-03
申请人:
武汉科技大学
发明人:
丁周阳、侯宇、陶平、骆鑫、蒋丽丽、周双林、徐长斌、谢力
公开日:
2018-09-28
代理机构:
武汉科皓知识产权代理事务所(特殊普通合伙)42222
主分类号:
B65G21/14(2006.01)I
我要购买
摘要:
本发明公开了一种伸缩式快递输送与分拣装置,包括动力装置、机架伸缩控制机构、外机架、内机架和传送带。外机架为伸缩式结构,传送带的一部分设置在外机架的顶部,另一部分设置在外机架的内部,并在外机架上设置多个承载传送带的固定滚筒。内机架设置在外机架内部,并具有浮动滚筒,位于外机架内部的传送带的一部分缠绕在浮动滚筒上。机架伸缩控制机构设置在外机架内部,采用丝杆螺母与齿轮齿条多级联动机构,用于在本发明装置伸缩运动过程中确保传送带与机架的同步运动。动力装置采用分路传动,通过单个电机实现本发明装置的伸缩运动和传送带的输送运动。本发明装置可整体伸缩,适用于不同场地,主要应用于中小型快递站。
[实用新型]
一种翻转型刷子
申请号:
201821044036.X
状态:
有权
申请日:
2018-07-03
申请人:
武汉科技大学
发明人:
谢运来、马丽、杨震、彭金岩
公开日:
2019-02-01
代理机构:
北京路浩知识产权代理有限公司11002
主分类号:
A46B5/00(2006.01)I
我要购买
摘要:
本实用新型涉及生活用品技术领域,公开了一种翻转型刷子,包括:刷杆;所述刷杆包括:刷头和刷把;所述刷把上沿所述刷把的中轴线对称设置有多个卡槽,所述刷头上设有至少一个与所述卡槽对应的卡扣,每个所述卡扣可随所述刷把与所述刷头发生相对转动后与对应的所述卡槽配合卡接。本实用新型通过刷把上的卡槽和刷头上的卡扣,使刷头和刷把之间可相对转动,以调整刷头的方向达到全方位清洗物品以及清洗不同物品的效果,避免了卫生死角,同时又节省了清洗的时间,方便了人们的生活。
[发明]
一种基于顶点冲突关系的最大公共子图的顶点匹配方法
申请号:
201810712272.2
状态:
审中-实审
申请日:
2018-07-03
申请人:
武汉科技大学
发明人:
刘燕丽、朱思霖、陈贵词
公开日:
2018-11-27
代理机构:
北京力量专利代理事务所(特殊普通合伙)11504
主分类号:
G06K9/00(2006.01)I
我要购买
摘要:
本发明提供一种基于顶点冲突关系的最大公共子图的顶点匹配方法,通过判断顶点之间的冲突关系对最大公共子图顶点匹配上界的影响,设计了依据顶点之间的冲突关系对顶点的评分函数,以指导子图同构搜索匹配顶点时,产生较小的子图。本发明实现了基于对历史搜索信息的学习,根据动态搜索信息,发现顶点之间的冲突关系,利用评分函数记录顶点冲突关系,并指导后续搜索的方向。本方法适用生物化学分子结构识别、2D、3D、4D图、稀疏大图、地势图以及网络等问题的识别,相比已有技术,更快地完成最大公共子图的匹配。
[发明]
可收放式液压摆缸直接驱动减摇鳍装置
申请号:
201810708447.2
状态:
审中-实审
申请日:
2018-07-02
申请人:
武汉科技大学
发明人:
吴攀峰、谢良喜、罗刚、孙欢、谢天
公开日:
2018-12-18
代理机构:
武汉科皓知识产权代理事务所(特殊普通合伙)42222
主分类号:
B63B39/06(2006.01)I
我要购买
摘要:
本发明提供一种可收放式液压摆缸直接驱动减摇鳍装置,其特征在于,包括:安装座,安装在舷舭部中;第一液压摆缸,固定安装在安装座上,包含:第一缸体,收放用转轴,第一缸体叶片,转轴叶片,以及两个油口;连接件,下端与收放用转轴固定相连;第二液压摆缸,与连接件的上端固定相连,并且轴向与第一液压摆缸轴向相垂直,包含:第二缸体,鳍轴,相对向地设置在第二缸体内壁上、朝向鳍轴凸起、并沿着轴向延伸的两个第二缸体叶片,相背向地设置在鳍轴上、朝向第二缸体内壁凸起、并沿着轴向延伸的两个鳍轴叶片,以及开设在第二缸体上、与两个第二缸体叶片相对应的两组油口;以及鳍翼,与鳍轴的伸出端固定相连。
[发明]
一种多绝缘层铁硅基软磁粉芯及其制备方法
申请号:
201810708484.3
状态:
审中-实审
申请日:
2018-07-02
申请人:
武汉科技大学
发明人:
樊希安、罗自贵、李光强、李亚伟
公开日:
2018-11-27
代理机构:
武汉科皓知识产权代理事务所(特殊普通合伙)42222
主分类号:
H01F1/147(2006.01)I
我要购买
摘要:
本发明公开了一种多绝缘层铁硅基软磁粉芯及其制备方法。其技术方案是:将铁硅合金粉末置于100~260℃的水蒸汽环境下搅拌0.5~3h,得到复合粉末。将复合粉末进行真空干燥,装入模具,于300~1200MPa条件下冷压成型,得到坯体。将坯体置于高温烧结炉内,在真空条件下或保护性气氛条件下,升温至800~1300℃,烧结0.5~5h,得到烧结坯体。将烧结坯体置于热处理炉中,在真空条件下或保护性气氛条件下,升温至500~1200℃,热处理0.5~5h,随炉冷却,制得多绝缘层铁硅基软磁粉芯。本发明工艺简单和生产周期短,所制备的多绝缘层铁硅基软磁粉芯的绝缘包覆层均匀且薄,涡流损耗低、饱和磁感应强度高和矫顽力低。
[发明]
一种高浓度废水的处理方法
申请号:
201810708898.6
状态:
审中-实审
申请日:
2018-07-02
申请人:
武汉科技大学
发明人:
任大军、李胜、叶俊、张淑琴、张晓晴
公开日:
2018-11-09
代理机构:
武汉科皓知识产权代理事务所(特殊普通合伙)42222
主分类号:
C02F9/14(2006.01)I
我要购买
摘要:
本发明涉及一种高浓度废水的处理方法。其方案是:稀释后的高浓度废水进入水解酸化组合池,投加已驯化的厌氧污泥,沉淀后的上清液进入组合气浮池;向组合气浮池投加混合物Ⅰ,气浮后的上清液依次进入第一pH调整池、第一中间池、微电解装置和第二pH调整罐,处理后的出水进入高效沉淀池后投加混合物Ⅲ,沉淀后的上清液依次进入第二中间池、第一UASB厌氧反应器和第二UASB厌氧反应器,反应后的上清液进入好氧生化池;向好氧生化池中投加好氧活性污泥,好氧生化后的上清液进入MBR膜反应器;MBR膜反应器的出水经碳滤器过滤后达到排放标准。本发明具有环境友好、安全稳定、运行高效和投入较低的特点,能同时高效降解有机污染物和收集沼气。
[发明]
一种高致密度软磁复合铁芯及其制备方法
申请号:
201810709812.1
状态:
审中-实审
申请日:
2018-07-02
申请人:
武汉科技大学
发明人:
樊希安、罗自贵、李光强、李亚伟
公开日:
2018-11-23
代理机构:
武汉科皓知识产权代理事务所(特殊普通合伙)42222
主分类号:
H01F41/02(2006.01)I
我要购买
摘要:
本发明涉及一种高致密度软磁复合铁芯及其制备方法。其技术方案是:按照铁硅合金粉末∶水的质量比为1∶(5~100),将铁硅合金粉末置于水中,在30~80℃搅拌,固液分离,得到复合粉末。将复合粉末在40~70℃和10
‑2
~10
2
Pa的条件下干燥,装入模具,置于加压烧结炉内,真空条件下或保护性气氛条件下同时加压和升温,再同时加压至25~80MPa和升温至800~1300℃,烧结0.5~5h,得到烧结坯体。将烧结坯体置于热处理炉中,在真空条件下或保护性气氛条件下升温至500~1200℃,热处理0.5~5h,冷却,制得高致密度软磁复合铁芯。本发明工艺简单和生产成本低,所制备制品不仅绝缘包覆层均匀致密和能有效限制涡流,且致密度高,饱和磁感应强度和磁导率高。
[发明]
一种共振式选矿层压破碎机
申请号:
201810708474.X
状态:
审中-实审
申请日:
2018-07-02
申请人:
武汉科技大学
发明人:
谢俊、杨大兵、李安明、张力、李胜、孔令迪
公开日:
2018-12-14
代理机构:
武汉科皓知识产权代理事务所(特殊普通合伙)42222
主分类号:
B02C19/16(2006.01)I
我要购买
摘要:
本发明公开了一种共振式选矿层压破碎机,包括:共振工作腔,共振工作腔的顶部设有进料口,其底部设有出料口,进料口和出料口连通并形成工作腔体;用于支撑共振工作腔的底座,底座设置于共振工作腔的下方;以及至少两个用于对共振工作腔内矿石原料进行共振破碎的共振装置,共振装置设置于底座上并均匀间隔分布于共振工作腔的四周。本发明提供的共振式选矿层压破碎机,将共振破碎的方式引入破碎机中,且由于层压式给矿处理,使得本发明提供的破碎机可适用于粗碎、中碎、细碎等多种破碎处理效果的需要。
[发明]
一种基于核主元分析与支持向量机的MMC故障诊断方法
申请号:
201810707513.4
状态:
审中-实审
申请日:
2018-07-02
申请人:
武汉科技大学
发明人:
刘振兴、焦文豪、张永、王琦、赵敏、苏茜
公开日:
2018-11-27
代理机构:
上海精晟知识产权代理有限公司31253
主分类号:
G06K9/62(2006.01)I
我要购买
摘要:
本发明公开了一种基于核主元分析与支持向量机的MMC故障诊断方法,涉及柔性直流输电故障诊断技术,包括以下步骤:(Ⅰ)采集MMC三相各相电压信号U
i
,其中,i=a、b、c,代表abc三相,得到离散输出电压信号X(n);(Ⅱ)进行快速傅里叶变换(Fast Fourier Transform,FFT),计算FFT中前半部分和后半部分的频谱能量;并选取前若干次明显的谐波,得到谐波数据矩阵;(Ⅲ)利用核主元分析对谐波数据进行特征降维和故障的特征提取,得到核主元分析降维后的谐波矩阵;(Ⅳ)建立一对一SVM多分类故障诊断模型,并定位得到具体的故障桥臂;本发明MMC故障诊断方法运行速度快,分类精度高,不需要构建数学模型,而且所需传感器的数量少,灵活性强,提高了MMC故障诊断的效率和准确性。
[发明]
一种三壳层铁硅基软磁复合材料及其制备方法
申请号:
201810707221.0
状态:
审中-实审
申请日:
2018-07-02
申请人:
武汉科技大学
发明人:
樊希安、罗自贵、李光强、李亚伟
公开日:
2018-11-13
代理机构:
武汉科皓知识产权代理事务所(特殊普通合伙)42222
主分类号:
B22F1/02(2006.01)I
我要购买
摘要:
本发明涉及一种三壳层铁硅基软磁复合材料及其制备方法。其技术方案是:按铁硅合金粉末∶水的质量比为1∶(5~100),将铁硅合金粉末置于水中,在30~80℃条件下搅拌5~30h,固液分离,得到复合粉末。将复合粉末进行真空干燥,装入模具,于300~1200MPa条件下冷压成型,得到坯体。将坯体置于高温烧结炉内,在真空条件下或保护性气氛条件下,升温至800~1300℃,烧结0.5~5h,得到烧结坯体。将烧结坯体置于热处理炉中,在真空条件下或保护性气氛条件下,升温至500~1200℃,热处理0.5~5h,随炉冷却,制得三壳层铁硅基软磁复合材料。本发明工艺简单和生产成本低,所制制品不仅绝缘层均匀,磁损耗极低,且饱和磁感应强度高和恒导磁性好。
[发明]
无人早餐售卖系统
申请号:
201810695827.7
状态:
审中-实审
申请日:
2018-06-29
申请人:
武汉科技大学
发明人:
苏梅月、周敏、陈乐、王丹妮、吴冲、王腾
公开日:
2018-11-27
代理机构:
武汉科皓知识产权代理事务所(特殊普通合伙)42222
主分类号:
G06Q10/06(2012.01)I
我要购买
摘要:
本发明公开了一种无人早餐售卖系统,属于自助点餐系统技术领域。所述无人早餐售卖系统包括系统配置、无人早餐机,基于微信平台的早餐预订程序,早餐物流系统,生产系统,销售运营系统,采购系统,质检卫生系统,财务分析系统,数据分析系统,产品研发维护系统,人力资源管理系统,仓储和保鲜系统,一体化服务系统。本发明提供的无人早餐售卖系统,致力于解决上班族上学族吃早餐难的问题,不仅能够保证早餐的新鲜卫生、节省人力资源、提升购买效率、减少环境污染、提升企业形象,同时考虑到原料采购、生产过程、早餐派送、售后服务等各个流程的一体化、数据化、智能化,给消费者以良好的客户体验。
[发明]
一种高频感应辅助自蔓延碳化钛基复合涂层的制备方法
申请号:
201810715473.8
状态:
审中-实审
申请日:
2018-06-29
申请人:
武汉科技大学
发明人:
潘成刚、曾汉荣、史记、贺晓龙、吴竹、白炎、魏靖、刘笃笃、何鹏
公开日:
2018-12-07
代理机构:
湖北武汉永嘉专利代理有限公司42102
主分类号:
C23C24/08(2006.01)I
我要购买
摘要:
本发明公开了一种高频感应辅助自蔓延碳化钛基复合涂层的制备方法,它涉及材料表面工程领域。该方法的特点是:首先,对钛粉、碳黑、粘结金属按比例压制预制坯;接着,用砂纸打磨基体表面;最后,用高频感应辅助自蔓延方法将基体和涂层预热并点燃自蔓延反应获得碳化钛基复合涂层。本发明工艺简单、加热效率高、成本低,获得涂层光滑、致密、气孔率低、结合强度高。可以广泛应用在工模具及结构零部件等表面处理和再制造,提高它们的寿命。
[发明]
一种镍包碳化钛感应熔覆层的制备方法
申请号:
201810718794.3
状态:
审中-实审
申请日:
2018-06-29
申请人:
武汉科技大学
发明人:
潘成刚、魏靖、吴竹、白炎、史记、曾汉荣、贺晓龙、冯斯琦、何鹏
公开日:
2018-12-07
代理机构:
湖北武汉永嘉专利代理有限公司42102
主分类号:
C23C24/10(2006.01)I
我要购买
摘要:
本发明公开了一种镍包碳化钛感应熔覆层的制备方法,首先,对TiC粉末进行化学镀镍处理,形成具有核‑壳结构的镍Ni包TiC粉末;接着,将Ni包TiC粉末与低硬度的镍自熔合金粉末球磨;然后,对基体进行预处理并用砂纸打磨基体表面;再接着,将混合粉末与水玻璃粘结剂调制成膏状物涂覆在基体钢表面并干燥;最后,采用氩气保护感应熔覆的方法在基体表面制备含有未分解TiC颗粒的镍基碳化钛感应熔覆层。本发明解决了常用镍基增强碳化钛感应熔覆层中碳化钛与镍的浸润性差、碳化钛电阻率大导致的熔覆层熔化不完全、组织不致密的问题,在提高工具、模具及结构零部件磨损性能方面具有广阔的应用前景。
[发明]
一种全长倒楔式预应力锚杆及其使用方法
申请号:
201810697129.0
状态:
审中-实审
申请日:
2018-06-29
申请人:
武汉科技大学
发明人:
姚囝、王为琪、王其虎、叶义成、刘艳章、王文杰、柯丽华、张红军
公开日:
2018-11-06
代理机构:
武汉科皓知识产权代理事务所(特殊普通合伙)42222
主分类号:
E21D21/00(2006.01)I
我要购买
摘要:
本发明具体涉及一种全长倒楔式预应力锚杆及其使用方法。其技术方案是:杆体(1)一端设有一段外螺纹(4),外螺纹(4)段由里向外设有托盘(5)和螺母(6)。杆体(1)的外壁均匀地焊接有5~15个伞状倒楔(2),相邻伞状倒楔(2)间的杆体(1)布置有1~2圈注浆孔(3),每圈注浆孔(3)为4~6个。伞状倒楔(2)由圆环(7)和倒楔体(8)组成,倒楔体(8)均匀地焊接在圆环(7)的同侧;倒楔体(8)由12~16个相同的楔片组成,楔片为等腰梯形;倒楔体(8)的楔片中心线与圆环(7)环面的素线夹角为6~10°,等腰梯形楔片的上底朝向杆体(1)的外螺纹(4)段。本发明具有结构简单、成本低、施工简便、能同时提供轴向和径向预应力的特点;本发明锚固效果好,适用于岩土工程的锚杆支护领域。
[实用新型]
一种旋转伸缩式抓取剪切同步运转水果采摘杆
申请号:
201821019030.7
状态:
有权
申请日:
2018-06-29
申请人:
武汉科技大学
发明人:
郭强、詹昊、张炯、邹岳、郭永兴、陶波
公开日:
2019-04-09
代理机构:
武汉科皓知识产权代理事务所(特殊普通合伙)42222
主分类号:
A01D46/247(2006.01)I
我要购买
摘要:
本实用新型公开了一种旋转伸缩式抓取剪切同步运转水果采摘杆,包括套筒、直方筒、推杆、抓取机构和剪切机构;所述套筒一端连接直方筒;推杆一端固定有抓取机构,另一端嵌套在套筒中。抓取机构用于抓取水果;剪切机构用于剪切果梗,以完成摘取水果的作业。本实用新型的有益效果如下:抓取机构使用拉锁控制终端进行控制,握合即可实现抓取,操作方便省力;剪切机构采用了类似飞剪的机构,可快速完成剪切作业;抓取机构和剪切机构的控制集中在把手上,一体化操作,简单方便;本实用新型将抓取动作与剪切动作耦合到一个运动周期,使作业连贯流畅;本实用新型采用纯机械结构,绿色环保、低耗能。
[发明]
轮胎-路面三向力测量传感器
申请号:
201810687655.9
状态:
审中-实审
申请日:
2018-06-28
申请人:
武汉科技大学
发明人:
刘畅、赵显新、周兴林
公开日:
2018-12-11
代理机构:
武汉科皓知识产权代理事务所(特殊普通合伙)42222
主分类号:
G01L1/22(2006.01)I
我要购买
摘要:
本发明公开了一种胎路三向力测量传感器,包括一体成型的弹性体,所述弹性体包括受力部件、棱柱梁、四个Γ形梁和基板,四个Γ形梁构成固定于基板的十字梁结构,正方形棱柱梁一端固定于十字梁结构的中心位置、另一端连接顶端受力圆柱;正方形棱柱梁和Γ形梁上粘贴有应变片,应变片连接构成测量X、Y和Z方向分力的三个惠斯通电桥,三个电桥的输出信号通过信号调理电路后传输到处理器,处理器将每一路的电压输出值都减去其他方向的力耦合所引入的电压,以消除维间耦合。本发明结构简单体积小,加工方便,弹性体一体成型,具有刚度高,重复性好,线性度高,稳定性强的优点。
首页
上一页
151
152
153
154
155
156
157
158
159
160
下一页
尾页
当前共找到
8115
个专利记录
,当前显示页码
155/406