首页
专利查询
专利购买
专利转让
专利申请
15071489439
当前位置:
专利巴士
专利查询
专利名称
查询
高级查询
当前共找到
8115
个专利记录
,当前显示页码
161/406
专利名称
申请号
申请人
发明人
专利代办机构
[发明]
一种智能导盲杖
申请号:
201810573585.4
状态:
审中-实审
申请日:
2018-06-06
申请人:
武汉科技大学
发明人:
刘博、王晶、陈思摇
公开日:
2018-12-18
代理机构:
武汉科皓知识产权代理事务所(特殊普通合伙)42222
主分类号:
A61H3/06(2006.01)I
我要购买
摘要:
本发明属于手杖技术领域,公开了一种智能导盲杖,包括中央控制器、避障子系统、语音交互子系统、娱乐子系统;中央控制器分别与避障子系统、语音交互子系统、娱乐子系统电连接;避障子系统包括双目视觉传感器、红外测距传感器、超声波传感器;语音交互子系统包括语音识别模块、语音播报模块;娱乐子系统包括ARM控制模块、存储器。本发明解决了现有技术中导盲杖的安全性较差、不具备娱乐性的问题,达到了提高安全性,满足娱乐需求的技术效果。
[实用新型]
一种可拼接旋转式充电器收纳装置
申请号:
201820871614.0
状态:
有权
申请日:
2018-06-05
申请人:
武汉科技大学
发明人:
高小淇、姚新远
公开日:
2018-12-25
代理机构:
武汉科皓知识产权代理事务所(特殊普通合伙)42222
主分类号:
B65H75/06(2006.01)I
我要购买
摘要:
本实用新型提供了一种可拼接旋转式充电器收纳装置,包括相互连接的柱形结构体和体形结构体,所述柱形结构体外侧壁上设有用于充电线缠绕的凹槽,以及用于固定充电线的卡扣,上端或下端设有充电器插口;所述体形结构体的每一个侧面设有一空腔和旋转圆盘,空腔内设有与旋转圆盘相连接的发条装置,所述旋转圆盘上设有两座插口或三座插口,旋转圆盘外围设有一圆形容槽,圆形容槽上设有开口,内壁设有用于固定充电线的卡槽。本实用新型结构更加简单、多功能且占地面积较小,可以将市面普遍的两座、三座充电器分类存放,以及不规则充电头分类存放,且方便拿取并且外观可直接判断充电器类型。
[发明]
一种基于太阳能的空调室外机清洗装置
申请号:
201810565861.2
状态:
审中-实审
申请日:
2018-06-04
申请人:
武汉科技大学
发明人:
郎倩珺、朱傲、刘秋新
公开日:
2018-11-23
代理机构:
北京轻创知识产权代理有限公司11212
主分类号:
B08B3/02(2006.01)I
我要购买
摘要:
本发明提供了一种基于太阳能的空调室外机清洗装置,包括套设在室外机本体外周的n型壳体,所述n型壳体内壁上设有输水管,所述输水管朝向室外机本体的一侧设有若干喷头,所述n型壳体外部顶端设有水箱,所述水箱内设有水泵,所述水泵通过出水管与所述输水管连通,所述水箱上方设有进水管,所述进水管上设有进水阀门,所述n型壳体外部设有电池和PLC控制器,所述n型壳体两侧固定有太阳能板,所述太阳能板与电池电连接,所述电池分别与进水阀门和水泵电连接,所述进水阀门和水泵分别通过PLC控制器控制。本发明提供的设备能够快速便捷的达到清洁效果。
[发明]
一种氧化铝-莫来石多孔隔热陶瓷及其制备方法
申请号:
201810571912.2
状态:
审中-实审
申请日:
2018-06-04
申请人:
武汉科技大学、浙江自立高温科技有限公司
发明人:
李享成、石宇恒、陈平安、朱柏铨、方斌祥
公开日:
2018-10-02
代理机构:
武汉科皓知识产权代理事务所(特殊普通合伙)42222
主分类号:
C04B38/06(2006.01)I
我要购买
摘要:
本发明涉及一种氧化铝‑莫来石多孔隔热陶瓷及其制备方法。其技术方案是:以30~55wt%的莫来石细粉、30~55wt%的板状刚玉细粉、3~8wt%的α‑Al2O3微粉、3~8wt%的ρ‑Al2O3微粉、1~7wt%的硅微粉和0.1~0.3wt%的分散剂为原料,混合;再按所述原料∶聚苯乙烯泡沫球的体积比为100∶(30~50)和所述原料∶硅溶胶的质量比为100∶(10~25),向所述原料中加入所述聚苯乙烯泡沫球和所述硅溶胶,湿混均匀,浇注成型,在20~40℃条件下养护24~48h,脱模;然后于40~110℃条件下干燥24~48h,在1300~1600℃条件下热处理1~5h,制得氧化铝‑莫来石多孔隔热陶瓷。本发明具有成本低廉和工艺简单的特点,所制制品高温性能优异和隔热性能良好。
[实用新型]
窗户
申请号:
201820842129.0
状态:
有权
申请日:
2018-06-01
申请人:
武汉科技大学
发明人:
施佳、朱大琴、张文琪、王易琳、胡佳文
公开日:
2019-06-07
代理机构:
北京路浩知识产权代理有限公司11002
主分类号:
E06B9/28(2006.01)I
我要购买
摘要:
本实用新型涉及日常生活领域,公开了一种窗户,包括窗框、双层中空玻璃、若干百叶窗叶片、感光控制系统和执行调节系统。双层中空玻璃固定于窗框内,包括平行设置的内层玻璃和外层玻璃;百叶窗叶片安装在内层玻璃和外层玻璃之间;感光控制系统包括光传感器和与光传感器电连接的微控制单元,光传感器安装于窗框上,用于检测室外的光照强度信号,微控制单元根据光照强度信号控制执行调节系统调节百叶窗叶片的转动角度,百叶窗叶片的一面为镜面材料,另一面为磨砂镜面材料。本实用新型提供的窗户具有保温隔热、自动控制进光量、改善室内采光质量的复合功能。
[实用新型]
一种废品自助回收箱
申请号:
201820845191.5
状态:
有权
申请日:
2018-06-01
申请人:
武汉科技大学
发明人:
吕嘉辉、张志豪、张旭刚、杨旋、丁周阳、王海均
公开日:
2018-12-18
代理机构:
北京轻创知识产权代理有限公司11212
主分类号:
B65F1/16(2006.01)I
我要购买
摘要:
本实用新型公开了一种废品自助回收箱,包括箱体、操作屏、电源系统和自动称重系统,所述电源系统包括太阳能光伏板,所述操作屏固定在所述箱体外壁上,所述箱体上方设置有所述太阳能光伏板,所述箱体内嵌有自动称重系统,所述操作屏与所述自动称重系统电连接,所述自动称重系统可称重并控制所述箱体废品入口处的开闭。优点:本实用新型有入口开闭设置,能够将废品同外界隔离,一定程度上减少设备表面的脏乱差及异味,其次,将废品放在设备上就可自动回收到箱体内,简单方便,并且,给予人们一定的金额奖励,能够很大程度的提高人们的积极性。
[发明]
一种基于手机App的智能家居控制系统及其控制方法
申请号:
201810555230.2
状态:
审中-实审
申请日:
2018-06-01
申请人:
武汉科技大学
发明人:
杨君、向顺凯、王强、韩美、张芯瑜
公开日:
2018-08-21
代理机构:
湖北武汉永嘉专利代理有限公司42102
主分类号:
G05B15/02(2006.01)I
我要购买
摘要:
本发明公开了一种基于手机App的智能家居控制系统及其控制方法,该系统包括:硬件控制模块,以及与硬件控制模块之间通过无线连接的手机App;硬件控制模块包括:单片机、GSM模块、激光红外接收模块、光敏传感器模块、液化气传感器模块、烟雾传感器模块、第一继电器、第二继电器、智能开关以及智能插座;单片机,作为主控制器,用于接收各个传感器采集到的数据,并实现与手机App之间的数据通信,以及控制指令的传递;控制信号由手机端App控制发出,App中可引导用户连接设备,还可显示家居环境中各设备状态,实现对各种设备的智能控制。本发明可通过弱电控制强电来实现手机对家居设备的远程控制,具有方便安全,成本低,结构简单,响应迅速的特点。
[实用新型]
一种可滑动屏风
申请号:
201820841636.2
状态:
有权
申请日:
2018-06-01
申请人:
武汉科技大学
发明人:
张文琪、施佳、胡佳文、王易琳
公开日:
2019-07-05
代理机构:
北京路浩知识产权代理有限公司11002
主分类号:
A47G5/00(2006.01)I
我要购买
摘要:
本实用新型涉及装修装饰用品技术领域,提供了一种可滑动屏风,包括若干个屏风单元、底座与顶盖,相邻的两个所述屏风单元之间铰链接,每一个所述屏风单元包括主体、转轴和两个轴承,所述主体安装在所述转轴上并能沿所述转轴转动,两个所述轴承分别套接在所述转轴的两端,所述转轴的底部与所述底座滑动连接,所述转轴的顶端与所述顶盖滑动连接。本实用新型中的可滑动屏风,屏风单元之间铰接,其顶部和底部分别滑动安装在顶盖与底座上,在外力作用下可以左右移动,实现展开和折叠;屏风单元的主体沿转轴可以转动,从而可以调整每一个屏风单元的打开角度,相比于现有的屏风,调整更加灵活多样。
[发明]
HAGC缸带载动摩擦力特性测试系统及测试方法
申请号:
201810550007.9
状态:
审中-实审
申请日:
2018-05-31
申请人:
武汉科技大学
发明人:
杨哲
公开日:
2018-08-10
代理机构:
武汉科皓知识产权代理事务所(特殊普通合伙)42222
主分类号:
F15B19/00(2006.01)I
我要购买
摘要:
本发明公开了HAGC缸带载动摩擦力测试系统及测试方法。电液伺服阀的T口通过单向阀与油泵的出油口连接,P口与油箱连接,A口与HAGC缸的无杆腔连接;油泵的进油口和HAGC缸的有杆腔分别连接油箱;电液伺服阀的T口与单向阀之间的连接管道通过溢流阀与油箱连接;HAGC缸固定在机架内,HAGC缸的活塞杆与机架的横梁下表面接触;第一载荷测量单元检测机架横梁的载荷,第二载荷测量单元检测机架侧壁的载荷,压力传感器测量无杆腔压力;逐步增大电液伺服阀的控制电压,增大其流量输出,从而增加无杆腔压力,使机架承受载荷逐步增加。
[实用新型]
一种多功能可旋转衣柜
申请号:
201820831724.4
状态:
有权
申请日:
2018-05-31
申请人:
武汉科技大学
发明人:
黄进康、林中康、黄律文
公开日:
2019-06-25
代理机构:
武汉科皓知识产权代理事务所(特殊普通合伙)42222
主分类号:
A47B61/00(2006.01)I
我要购买
摘要:
本实用新型属于家具领域,具体技术方案为一种多功能可旋转衣柜,包括圆筒形衣柜主体、中心转轴、支撑杆、支撑底座,其特征在于,所述衣柜还包括通风除潮装置和消毒杀菌装置;所述通风除潮装置包括湿度感应器和空气干燥器,所述消毒装置包括紫外线灯;所述衣柜主体中间固定安装有所述中心转轴并可进行转动;所述衣柜主体内每个隔层均安装有一扇透明衣柜门。本实用新型可很好地解决现有衣柜无法及时消毒、除湿的问题,同时能让使用者快速挑选衣物节约使用时间。
[发明]
一种基于基站模型的导盲方法、导盲杖及导盲系统
申请号:
201810552409.2
状态:
审中-实审
申请日:
2018-05-31
申请人:
武汉科技大学
发明人:
白日、尤明星、王逸奔、胡梦婷、李瑞洁
公开日:
2018-12-18
代理机构:
北京轻创知识产权代理有限公司11212
主分类号:
H04W4/024(2018.01)I
我要购买
摘要:
本发明涉及一种基于基站模型的导盲方法、导盲杖及导盲系统。其中,导盲杖包括:手柄、导杆、语音输入设备、互联网连接设备、警示设备、RFID读写器以及电源;所述互联网连接设备分别与所述语音输入设备、所述警示设备和所述RFID读写器电连接,所述电源分别与所述语音输入设备、所述互联网连接设备、所述警示设备和所述RFID读写器电连接,且所述电源设置在导杆内;所述互联网连接设备与外部基站无线连接,所述RFID读写器与盲道所在区域的RFID标签无线连接。本发明提供的导盲杖,通过获取地面下RFID标签的标签信息和接收语音请求信息,发送给基站处理后进行路线规划,获取导航信息,实现智能导盲,无需手持终端,成本较低,可行性更高。
[实用新型]
一种家庭废水处理及循环利用系统
申请号:
201820833814.7
状态:
有权
申请日:
2018-05-31
申请人:
武汉科技大学
发明人:
齐辰晖、肖华平、武诗怡、谢婉、陈一路、崔雨枫
公开日:
2019-04-23
代理机构:
武汉科皓知识产权代理事务所(特殊普通合伙)42222
主分类号:
E03C1/122(2006.01)I
我要购买
摘要:
本实用新型公开了一种家庭废水处理及循环利用系统,包括通过管道连接的面盆池、洗衣机、收集处理池、蓄水池、坐便器、拖把池、油水分离装置和厨房水池;所述的收集处理池包括粗滤层、混凝层、细滤层;油水分离装置沿水流去向依次设有除渣筐、隔油板、集油孔、挡油板;面盆池、洗衣机和厨房水池各自设有排水管,各排水管均设有轻度污水出水口和重度污水出水口,排水管通过三通阀分别与轻度污水出水口和重度污水出水口连通,油水分离装置、收集处理池和蓄水池之间的输水管道上设有微型泵;除手动控制外,还设有信号自动控制系统在收集处理池底部设置重力传感器、在油水分离装置侧壁上部设置水位感应器控制微型泵的启停。
[实用新型]
一种除霜器及具有该除霜器的冷凝器和热泵
申请号:
201820822025.3
状态:
有权
申请日:
2018-05-30
申请人:
武汉科技大学
发明人:
胡航、周传辉、焦良珍、查竣仁、吴睿
公开日:
2018-12-14
代理机构:
北京路浩知识产权代理有限公司11002
主分类号:
F25B30/06(2006.01)I
我要购买
摘要:
本实用新型涉及除霜技术领域,公开了一种除霜器及具有该除霜器的冷凝器和热泵。该除霜器包括供气单元和至少一个除霜单元,所述除霜单元包括进风口、出风口和文丘里管;所述进风口连接所述文丘里管的入口段,所述文丘里管喉部引出吸霜口,所述吸霜口朝向室外冷凝器的制冷剂输送管,所述出风口连接所述文丘里管的扩散段;所述供气单元用于向所述除霜单元供气。本实用新型利用文丘里管特性来实现除霜,结构简单,经久耐用,性能优良,而且流量特性变化波动小,适合于室外冷凝器除霜。
[实用新型]
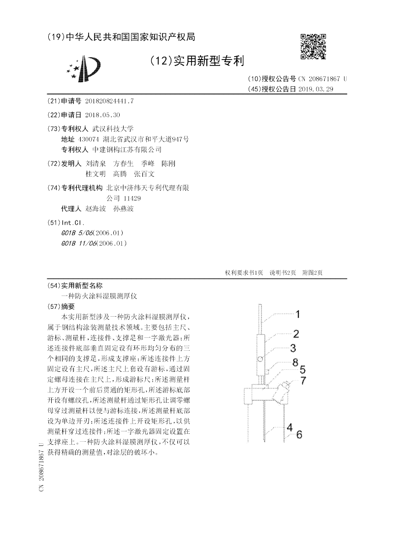
一种防火涂料湿膜测厚仪
申请号:
201820824441.7
状态:
有权
申请日:
2018-05-30
申请人:
武汉科技大学、中建钢构江苏有限公司
发明人:
刘清泉、方春生、季峰、陈刚、桂文明、高腾、张百文
公开日:
2019-03-29
代理机构:
北京中济纬天专利代理有限公司11429
主分类号:
G01B5/06(2006.01)I
我要购买
摘要:
本实用新型涉及一种防火涂料湿膜测厚仪,属于钢结构涂装测量技术领域。主要包括主尺、游标、测量杆,连接件、支撑足和一字激光器;所述连接件底部垂直固定设有环形均匀分布的三个相同的支撑足,形成支撑座;所述连接件上方固定设有主尺,所述主尺上套设有游标,通过固定螺母连接在主尺上,形成游标尺;所述测量杆上方开设一个前后贯通的矩形孔,所述游标底部开设有螺纹孔,所述测量杆通过矩形孔让调零螺母穿过测量杆以便与游标连接,所述测量杆底部设为单边开刃;所述连接件上开设矩形孔,以供测量杆穿过连接件;所述一字激光器固定设置在支撑座上。一种防火涂料湿膜测厚仪,不仅可以获得精确的测量值,对涂层的破坏小。
[发明]
一种含蜂胶醇提液的酒及其生产方法
申请号:
201810535142.6
状态:
审中-实审
申请日:
2018-05-30
申请人:
武汉科技大学
发明人:
杨忠华、钟武坤、田淑芳、霍娇、侯亚利、左振宇、李凌凌
公开日:
2018-09-07
代理机构:
主分类号:
A61K35/644(2015.01)I
我要购买
摘要:
本发明涉及保健滋补酒领域,特别涉及一种含蜂胶醇提液的酒及其生产方法,提供一种对多种疾病都有防治效果的保健酒。本发明提供的含蜂胶醇提液的蜂胶酒制法包括以下步骤:S1:将蜂胶在‑80ºC下预冷3h,通过粉碎机粉碎,并过40目筛;S2:在食用酒精中加入粉碎后的蜂胶,搅拌,常温下浸提,经冷却过滤,浓缩,得蜂胶醇提液;S3:再加入烷基糖苷搅拌混匀形成混合物,之后将混合物加入到白酒基酒中,经陈化处理后即得含蜂胶醇提液的蜂胶酒。该酒气味芳香、口感醇厚,同时可以延年益寿,对心血管疾病、糖尿病都有一定的防治作用,能抗衰老、增强人体免疫力。
[实用新型]
一种清洁刷
申请号:
201820821189.4
状态:
有权
申请日:
2018-05-30
申请人:
武汉科技大学
发明人:
谢运来、陈雪琪、黄鹤柱、刘欢、王琛、胡俊
公开日:
2018-12-18
代理机构:
北京路浩知识产权代理有限公司11002
主分类号:
A46B7/02(2006.01)I
我要购买
摘要:
本实用新型涉及生活用品技术领域,公开了一种清洁刷,包括第一刷臂和第二刷臂,所述第一刷臂和所述第二刷臂转动连接;所述第一刷臂和所述第二刷臂均包括支臂和清洁件,所述支臂的一侧间隔设置有第一凸块和第二凸块,所述清洁件卡合于所述第一凸块与所述第二凸块之间。本实用新型利用凸块卡合清洁件,使得清洁件可以拆卸更换,实现刷臂的循环利用,节约资源,同时安装简单,更具灵活性。
[实用新型]
一种用于直立锁边屋面的安全防护装置
申请号:
201820823088.0
状态:
有权
申请日:
2018-05-30
申请人:
武汉科技大学、中建钢构江苏有限公司
发明人:
刘清泉、方春生、常永强、吕军强、王超、王帅、颜冬、姜成昆
公开日:
2019-04-02
代理机构:
北京中济纬天专利代理有限公司11429
主分类号:
E04G21/32(2006.01)I
我要购买
摘要:
本实用新型涉及一种用于直立锁边屋面的安全防护装置,属于建筑施工领域。主要包括锁夹、立柱、角钢底座和钢丝绳;所述立柱底部固定设有角钢底座,所述角钢底座与锁夹连接,形成带有立柱锁夹,所述立柱开设两个通孔,所述锁夹固定在金属屋面板上,所述锁夹均匀布置在金属屋面板上,所述锁夹中穿插钢丝绳,形成第一道安全防护绳;所述两锁夹中设有带有立柱的锁夹,所述带有立柱锁夹固定在金属房屋面板上,所述钢丝绳穿过在立柱上开设的一个通孔中,形成第二道安全防护绳,所述钢丝绳穿过在立柱上开设的另一个通孔中,形成第三道安全防护绳。一种用于直立锁边屋面的安全防护装置,在无依附点的情况下搭设临边防护,保证高空作业的安全可靠性。
[实用新型]
一种自粘胶厚度可调组合式快速装订报告封皮
申请号:
201820828845.3
状态:
有权
申请日:
2018-05-30
申请人:
武汉科技大学
发明人:
苗笑冬、苗锡庆
公开日:
2019-01-22
代理机构:
武汉科皓知识产权代理事务所(特殊普通合伙)42222
主分类号:
B42D3/00(2006.01)I
我要购买
摘要:
本实用新型提供一种自粘胶厚度可调组合式快速装订报告封皮,包括封面、封底和脊背三个部分,所述封面内表面的一侧与背脊之间设有连接部件一,封底内表面的一侧与背脊之间设有连接部件二,所述背脊的内表面设有用于粘合待装封报告文件的离型纸双面胶,外表面设有多道压痕线。本实用新型采用一种可自粘胶、可调节厚度的组合式快速装订方式,装订更易于操作,既方便、快捷、牢固、美观,又经济、实用,可填补该领域的一项空白,为日常办公提供快捷、美观、实用的报告文件封装封皮,可大大提高办公效率和质量。
[实用新型]
道路积水净化装置
申请号:
201820816490.6
状态:
有权
申请日:
2018-05-29
申请人:
武汉科技大学
发明人:
王璨、李皓炜、李泽文、陈泳娟、张静
公开日:
2019-06-07
代理机构:
北京路浩知识产权代理有限公司11002
主分类号:
C02F1/30(2006.01)I
我要购买
摘要:
本实用新型涉及城市道路环境治理领域,公开了一种道路积水净化装置,所述道路积水净化装置用于设置在道路旁,包括存储道路积水的盛水器和盛放在所述盛水器内的光催化剂,在所述盛水器上设有进水口,所述盛水器顶部设有透光玻璃,用于使太阳光透过所述透光玻璃照射所述光催化剂。本实用新型提供的道路积水装置,太阳光透过透光玻璃照射盛放在所述盛水器内的光催化剂,使从进水口流入盛水器内的道路积水与光催化剂发生光催化反应实现污水净化,整个净化过程简单易行,绿色环保。
[发明]
基于从高温裂解炭中分离纯化石墨烯的方法
申请号:
201810531850.2
状态:
审中-实审
申请日:
2018-05-29
申请人:
武汉科技大学
发明人:
伍林、张军锋、胡雅、刘盈、舒沙沙、许锦辉、柳家明、宋权桂、黄珍欣
公开日:
2018-08-24
代理机构:
武汉开元知识产权代理有限公司42104
主分类号:
C01B32/196(2017.01)I
我要购买
摘要:
本发明公开了一种基于从高温裂解炭中分离纯化石墨烯的方法,属于石墨烯技术领域。包括将包含树脂及沥青或生物质中至少一种的高温炭化产物用粉碎机粉碎成粉末,然后加入溶剂,将混合溶液用高速分散机分散;将分散后的溶液在离心分离,去除沉淀,收集石墨稀悬浮液;将石墨稀悬浮液再次置于高速分散机中分散,然后再离心分离;取悬浮液过滤,滤液循环使用,滤上物干燥得到石墨烯产品,本发明设计的提纯石墨烯方法的回收率可达到30.0%~80.0%。该方法和其它分离纯化方法相比具有工艺简单、适用范围广、成本低、绿色环保、操作条件易控、产物纯度高等优点。
首页
上一页
161
162
163
164
165
166
167
168
169
170
下一页
尾页
当前共找到
8115
个专利记录
,当前显示页码
161/406