首页
专利查询
专利购买
专利转让
专利申请
15071489439
当前位置:
专利巴士
专利查询
专利名称
查询
高级查询
当前共找到
8115
个专利记录
,当前显示页码
173/406
专利名称
申请号
申请人
发明人
专利代办机构
[发明]
一种精确获得机器人折弯角度的方法
申请号:
201810220700.X
状态:
审中-实审
申请日:
2018-03-16
申请人:
武汉科技大学
发明人:
赵云涛、曹念、李维刚
公开日:
2018-11-20
代理机构:
上海精晟知识产权代理有限公司31253
主分类号:
B21D5/00(2006.01)I
我要购买
摘要:
本发明提供了一种精确获得机器人折弯角度的方法,下模的V型槽两侧与上表面圆弧过渡,圆弧半径均为R;建立折弯机上模压下量h、下模V型槽宽W、钣金件折弯目标角度2α三者的关系;获得下模的V型槽宽度W数值;获得折弯机上模压下量h和钣金件折弯目标角度2α两者之间的关系;考虑钣金材料特性下,精确获得机器人折弯角度;在折弯机坐标下计算机器人第六轴末端坐标值,实现准确同步。其优点在于解决折弯机下模V槽边缘对于折弯件易产生磨损和钣金材料特性即外层受到拉应力而拉长,以及通过机器人示教折弯轨迹方式易产生误差影响折弯精度的问题。
[实用新型]
一种温度和气氛可控的微区扫描电化学工作站用测量池
申请号:
201820354628.5
状态:
有权
申请日:
2018-03-15
申请人:
武汉科技大学
发明人:
戴明杰、刘静、黄峰、胡骞
公开日:
2018-12-11
代理机构:
武汉科皓知识产权代理事务所(特殊普通合伙)42222
主分类号:
G01N27/26(2006.01)I
我要购买
摘要:
本实用新型涉及一种温度和气氛可控的微区扫描电化学工作站用测量池。其技术方案是:底板(4)中心设有的试样固定螺孔与试样固定装置(5)的下端螺纹连接,在试样固定装置(5)外围的底板(4)上同中心地固定有容器(2),紧贴容器(2)外壁的底板(4)上同中心地设有水浴加热环(3),水浴加热环(3)的环状侧板设有入水口(6)和出水口(8);容器盖(1)的中心位置处设有的通孔(12)孔口用橡胶膜密封,橡胶膜的中心设有微孔,微区扫描探针由微孔伸入;容器盖(1)还设有进气孔(10)、出气孔(11)和两个电极放置孔(13)。本实用新型结构简单和操作方便,能够有效控制金属腐蚀过程中的反应温度和气体种类,以便研究特定环境下金属局部腐蚀初期的腐蚀行为或微区腐蚀发展的过程。
[发明]
变电站宽刻度指针式仪表自动识别方法
申请号:
201810207331.0
状态:
审中-实审
申请日:
2018-03-14
申请人:
武汉科技大学
发明人:
吴怀宇、蔡丽仪、陈镜宇、童雨聪、肖洒、喻汉
公开日:
2018-10-09
代理机构:
湖北武汉永嘉专利代理有限公司42102
主分类号:
G06K9/46(2006.01)I
我要购买
摘要:
本发明涉及一种变电站宽刻度指针式仪表自动识别方法,所述宽刻度指针式仪表中数字刻度形态为矩形,数字刻度间隔为1;其特征在于:包括如下主要步骤:首先读入仪表图像,对图像进行预处理;然后识别仪表刻度,包括对图像中各矩形仪表刻度进行自动定位,并进行刻度径向角度排序,实现仪表刻度坐标系的建立;然后,用基于LSD直线检测算法及刻度分布椭圆圆周约束进行指针识别定位;最后实现仪表地自动判读,进行读取示数。减去识别过程中对人的依赖性,识别过程不需要额外仪表刻度参数输入,在保证识别精度的前提下,实现宽刻度指针式仪表地快速读数,可用于变电站巡检机器人执行巡检任务,具有较好的智能性。
[发明]
一种酞嗪酮衍生物及其制备方法和医药用途
申请号:
201810208748.9
状态:
审中-公开
申请日:
2018-03-13
申请人:
武汉科技大学
发明人:
闵真立、董伟、胡霞敏
公开日:
2019-09-24
代理机构:
主分类号:
C07D405/12(2006.01)I
我要购买
摘要:
本发明提供一种酞嗪酮衍生物及其制备方法和医药用途。以邻醛基苯甲酸为原料,通过与亚磷酸二甲酯反应得到(3‑氧代‑1,3‑二氢异苯并呋喃‑1‑基)膦酸二甲酯,该化合物与3‑氰基‑4‑氟苯甲醛在三乙胺存在的条件下生成(Z,E)‑2‑氟‑5‑[(3‑氧代异苯并呋喃‑1(3H)‑亚基)甲基]苯甲腈,其被水合肼的还原为2‑氟‑5‑[(4‑氧代‑3,4‑二氢酞嗪‑1‑基)甲基]苯甲酸;以苯甲醛或取代芳甲醛或糠醛为原料,与丙二酸发生Knoevenagel反应,得到本丙烯酸或取代本丙烯酸或呋喃‑2‑丙烯酸,与1‑叔丁氧羰基哌嗪发生酰胺反应,产物在三氟乙酸存在条件下脱去叔丁氧羰基,得到的产物与2‑氟‑5‑[(4‑氧代‑3,4‑二氢酞嗪‑1‑基)甲基]苯甲酸发生酰胺反应,得到一系列(E)‑4‑{3‑[4‑[(3‑取代芳香基)丙烯酰基]哌嗪‑1‑羰基]‑4‑氟苄基}‑2H‑酞嗪‑1‑酮衍生物。初步药理活性筛选的结果表明,本发明通式所述化合物均具有一定的体外PARP‑1抑制能力和体外抗肿瘤细胞增殖活性。所述的化合物结构通式如下:
通式中:Ar选自
或
R
1
、R
2
、R
3
、R
3
、R
4
、R
5
可为氢原子、氟原子、氯原子、溴原子、甲基、甲氧基、三氟甲基、硝基。
[发明]
干熄焦炉斜道立柱用氮化铝增强浇注料及其制备方法
申请号:
201810201723.6
状态:
审中-实审
申请日:
2018-03-12
申请人:
武汉科技大学
发明人:
张美杰、韩藏娟、顾华志、黄奥、白晨、谭亚倩
公开日:
2018-06-22
代理机构:
武汉科皓知识产权代理事务所(特殊普通合伙)42222
主分类号:
C04B35/66(2006.01)I
我要购买
摘要:
本发明涉及一种干熄焦炉斜道立柱用氮化铝增强浇注料及其制备方法。其技术方案是:以45~65wt%的莫来石、15~35wt%的碳化硅、2~8wt%的无机‑金属复合微胶囊、4~6wt%的α‑氧化铝粉、2~4wt%的硅微粉和4~6wt%的铝酸钙水泥为原料,以原料0.1~0.3wt%的催化剂和0.1~0.3wt%的减水剂为添加剂。先将无机‑金属复合微胶囊和催化剂混合,得到预混料;然后将预混料、减水剂和其余原料混合,搅拌均匀,即得氮化铝增强干熄焦炉斜道立柱用浇注料。本发明制备的干熄焦炉斜道立柱用氮化铝增强浇注料抗水化性能好、生产稳定性高、流动性好;使用结果表明:中温和高温力学性能优异,耐磨性能和热震稳定性能好,寿命长和节能环保。
[发明]
基于铝硅合金的高温相变蓄热微胶囊及其制备方法
申请号:
201810202186.7
状态:
审中-实审
申请日:
2018-03-12
申请人:
武汉科技大学
发明人:
张美杰、韩藏娟、顾华志、黄奥、白晨、付绿平
公开日:
2018-07-20
代理机构:
武汉科皓知识产权代理事务所(特殊普通合伙)42222
主分类号:
C09K5/06(2006.01)I
我要购买
摘要:
本发明涉及一种基于铝硅合金的高温相变蓄热微胶囊及其制备方法。其技术方案是,在水浴和搅拌条件下:按铝硅合金粉∶三氯化铝∶乙酸乙酯的质量比为1∶(0.01~0.05)∶(200~800)混合,得混合液;按铝硅合金粉∶乙醇的质量比为1∶(100~500),向混合液中加入无水乙醇,再按铝硅合金粉∶乙酸的质量比为1∶(400~800),加入乙酸。静置,过滤,洗涤,干燥;然后置于马弗炉中,在氧化气氛下升温至900~1300℃,保温2~8h,冷却至室温,制得基于铝硅合金的高温相变蓄热微胶囊。本发明具有成本低、工艺简单和易于工业化生产的特点。所制备的基于铝硅合金的高温相变蓄热微胶囊分散性好、热循环次数高、耐压强度大、使用温度高和热量利用率高。
[发明]
三相四开关永磁同步电机调速系统的直接转矩控制方法
申请号:
201810201999.4
状态:
审中-实审
申请日:
2018-03-12
申请人:
武汉科技大学
发明人:
宁博文、周凤星、卢少武、严保康、马娅婕、但峰、胡轶
公开日:
2018-09-07
代理机构:
上海精晟知识产权代理有限公司31253
主分类号:
H02P21/00(2016.01)I
我要购买
摘要:
本发明一种三相四开关永磁同步电机调速系统的直接转矩控制方法,包括:步骤一、利用三相四开关逆变器产生的四个不平衡电压矢量,重构出六个基本电压矢量,步骤二、获取永磁同步电机位置,并计算得到电机转速,得到参考转矩给定值
步骤三、计算得到电机定子磁链和反馈转矩,以电机转矩和定子磁链作为控制对象,求取输出电压分量usq和usd,步骤四、根据电压分量usq和usd得到参考电压矢量
判断电压矢量
所在扇区,以位于该扇区中的重构得到的有效电压矢量以及零矢量作为备选电压矢量。选取评价函数,将备选电压矢量带入评价函数G,通过使得评价函数G最小,得到输出电压矢量ui。本发明能达到对转矩精确控制的效果。
[发明]
一种顾及邻近度关系的地质图动态综合方法及系统
申请号:
201810200721.5
状态:
审中-实审
申请日:
2018-03-12
申请人:
武汉科技大学
发明人:
李雯静、石勇龙、杨晨曦、胡丹、刘怡、李思怡
公开日:
2018-09-04
代理机构:
北京金智普华知识产权代理有限公司11401
主分类号:
G06F17/30(2006.01)I
我要购买
摘要:
本发明属于地质检测数据处理技术领域,公开了一种顾及邻近度关系的地质图动态综合方法及系统,针对目前地质图综合中存在的过分依赖人工的情况,提出了一种动态的地质图综合的方法,采用该方法对夹关镇幅进行综合处理。本发明采用动态的地质图综合方法,克服了传统地质图综合过程中十分依靠人工参与的过程,更加高效;分析到了地质体空间信息和属性信息的权重性,实验结果更加准确;运用了聚类分析及粗糙集计算,取得了较好的效果,该方法可以进行推广到其他制图领域如矿产资源图、规划利用图等其他专题地图中去。
[发明]
一种具有核壳结构的相变蓄热材料及其制备方法
申请号:
201810201722.1
状态:
审中-实审
申请日:
2018-03-12
申请人:
武汉科技大学
发明人:
张美杰、韩藏娟、顾华志、白晨、黄奥、付绿平
公开日:
2018-07-06
代理机构:
武汉科皓知识产权代理事务所(特殊普通合伙)42222
主分类号:
C09K5/06(2006.01)I
我要购买
摘要:
本发明涉及一种具有核壳结构的相变蓄热材料及其制备方法。其技术方案是:按铝硅合金粉︰预处理液的质量比为1︰(10~100),将所述铝硅合金粉置于预处理液中,搅拌10~30min,过滤,烘干,即得表面改性的铝硅合金粉。按所述表面改性的铝硅合金粉︰催化剂的质量比为1︰(0.001~0.005),将所述表面改性的铝硅合金粉和所述催化剂混合均匀,即得吸附有催化剂的铝硅合金粉。将所述吸附有催化剂的铝硅合金粉置于马弗炉中,于富氧气氛和600~850℃条件下焙烧2~8h,冷却至室温,即得具有核壳结构的相变蓄热材料。本发明具有成本低、工艺简单和易于工业化生产的特点;所制备的具有核壳结构的相变蓄热材料分散性好、热循环次数多和热量利用率高。
[发明]
一种钛基底表面纳米管负载贵金属纳米颗粒复合材料及其制备方法
申请号:
201810200421.7
状态:
审中-实审
申请日:
2018-03-12
申请人:
武汉科技大学
发明人:
陈荣生、万玲玲、杨俊、曾艳、梁峰
公开日:
2018-08-28
代理机构:
湖北武汉永嘉专利代理有限公司42102
主分类号:
C25D11/26(2006.01)I
我要购买
摘要:
本发明公开了一种钛基底表面纳米管负载贵金属纳米颗粒复合材料及其制备方法。其技术方案是:1)将钛基底进行阳极氧化,然后将阳极氧化后的样品进行超声清洗;2)将样品浸泡在0.01~0.7mg/mL的多巴胺溶液中搅拌浸泡1~30h;3)取出洗净后放置于硝酸银、氯金酸、氯铂酸或氯钯酸溶液中搅拌反应1~9h;4)反应结束后取出样品冲洗干燥后置于管式炉中在N2气氛下200~800℃处理0.5~4h,即得到钛基底表面纳米管负载贵金属纳米颗粒复合材料。本发明操作简单快捷,碳层厚度和纳米颗粒的负载量易于控制。所制备的碳包裹在二氧化钛纳米管表面且贵金属纳米颗粒成功进入管内。
[发明]
致密氧化铝壳层高温相变蓄热微胶囊及其制备方法
申请号:
201810202184.8
状态:
审中-实审
申请日:
2018-03-12
申请人:
武汉科技大学
发明人:
张美杰、韩藏娟、顾华志、白晨、黄奥、付绿平
公开日:
2018-08-10
代理机构:
武汉科皓知识产权代理事务所(特殊普通合伙)42222
主分类号:
C09K5/06(2006.01)I
我要购买
摘要:
本发明涉及一种致密氧化铝壳层高温相变蓄热微胶囊及其制备方法。其技术方案是:按碘∶无水乙醇∶催化剂的质量比为1∶(3000~8000)∶(0.1~1)混合,即得溶液。在水浴和搅拌条件下,按碘∶铝硅合金粉的质量比为1∶(100~500),向溶液中加入铝硅合金粉,再按碘∶乙酸的质量比为1∶(400~800),加入乙酸。静置,过滤,洗涤,干燥;然后置于马弗炉中,在氧化气氛和900~1300℃条件下保温2~8h,冷却至室温,制得致密氧化铝壳层高温相变蓄热微胶囊。本发明成本低、工艺简单和易于工业化生产的特点,用该方法制备的致密氧化铝壳层的高温相变蓄热微胶囊分散性好、热循环次数多、壳层强度大和热量利用率高。
[发明]
一种分数阶忆阻器的等效电路
申请号:
201810193950.9
状态:
有权
申请日:
2018-03-09
申请人:
武汉科技大学
发明人:
甘朝晖、马延军、蒋旻
公开日:
2018-07-24
代理机构:
武汉科皓知识产权代理事务所(特殊普通合伙)42222
主分类号:
G06F17/50(2006.01)I
我要购买
摘要:
本发明具体涉及一种分数阶忆阻器的等效电路。其技术方案是:分数阶忆阻器的等效电路的输入电流i(t)通过第二电阻(1)、电流传输器(2)、第一电阻(3)的作用后得到电流传输器(2)的输出电压Vo1,再经过压控移相器(6)移相和经过频率/电压转换器(21)检测输入信号的频率。第三加法器(11)的输出电压VD2经过模拟反相器(12)的作用后得到电流传输器(2)的输入电压VI2;引入的分数阶忆阻器阶次的控制信号α'用来改变分数阶忆阻器的阶次,引入的分数阶忆阻器状态变量初始值的控制信号x0'用来改变分数阶忆阻器状态变量的初始值。本发明不仅能够精确模拟分数阶忆阻器的电气特性且精度高,此外分数阶阶次和分数阶忆阻器状态变量初始值调整方便并易于控制。
[发明]
基于深度置信网络的烧结矿化学成分预测方法
申请号:
201810188530.1
状态:
审中-实审
申请日:
2018-03-07
申请人:
武汉科技大学
发明人:
王斌、袁致强、张良力、梁开
公开日:
2018-08-10
代理机构:
上海精晟知识产权代理有限公司31253
主分类号:
G06F19/00(2018.01)I
我要购买
摘要:
本发明公开了一种基于深度置信网络的烧结矿化学成分预测方法。该方法根据烧结混合料化学成分,采用基于DBN算法的预测方法来预测烧结矿化学成分;具体包括以下步骤:首先获取烧结厂实际生产的历史数据,剔除异常数据并归一化处理;然后确定影响烧结矿质量的输入输出参数,使用灰色关联分析法来检验输入参数的合理性;再建立基于DBN的烧结矿化学成分预测模型,并使用历史数据数据训练、优化预测模型;最后以此预测模型来预测烧结矿化学成分,并对结果反归一化处理,得到烧结矿化学成分预测值。与现有技术相比,本发明基于DBN的预测模型能更精确实现复杂非线性函数的逼近,提高烧结矿化学成分预测精度,在实际生产中具有应用推广价值。
[发明]
一种无钴黑色颜料及其制备方法
申请号:
201810187565.3
状态:
审中-实审
申请日:
2018-03-07
申请人:
武汉科技大学
发明人:
马国军、刘俊杰、李志、张翔、刘孟珂、闵梁
公开日:
2018-08-10
代理机构:
武汉科皓知识产权代理事务所(特殊普通合伙)42222
主分类号:
C09C1/00(2006.01)I
我要购买
摘要:
本发明涉及一种无钴黑色颜料及其制备方法。其技术方案是:按铜冶炼废渣∶电炉钢渣的质量比为1︰(1.8~2.2),将所述铜冶炼废渣和所述电炉钢渣混合均匀,即得混合料;再向所述混合料中加入占所述混合料4~8wt%的水,混合均匀,压制成型,在1125~1225℃条件下保温30~60min,制得无钴黑色颜料。本发明具有能利用铜冶炼废渣、能利用电炉钢渣和能减少环境污染的特点,所制备的无钴黑色颜料呈色效果好。
[实用新型]
一种变间隙密封双柱塞同步液压缸
申请号:
201820301533.7
状态:
有权
申请日:
2018-03-05
申请人:
武汉科技大学
发明人:
郭媛、吴凛、邓江洪、傅连东、湛从昌
公开日:
2018-09-25
代理机构:
武汉科皓知识产权代理事务所(特殊普通合伙)42222
主分类号:
F15B15/14(2006.01)I
我要购买
摘要:
本实用新型涉及一种变间隙密封双柱塞同步液压缸。其技术方案是:第一柱塞(4)和第二柱塞(9)对应地安装在缸筒(3)的第一柱塞腔(15)和第二柱塞腔(14)内。缸筒(3)封闭端的外端面的形心位置处设有的第一主油口(7)通过油道与第一油口(6)和第二油口(8)相通;靠近缸筒(3)开口端的侧面设有的第二主油口(13)通过油道与第三油口(12)和第四油口(11)相通。第一柱塞(4)和第二柱塞(9)为圆柱体和圆柱体端部的唇边组成的整体;唇边呈圆环状,在唇边内壁的中间位置处设有环形槽。圆柱体的圆柱面均匀地设有3~7条均压槽(5),均压槽(5)截面呈“V”字形。本实用新型具有体积小、重量轻、能自动调整间隙密封量、能有效防止偏载和高压条件下仍能保持较高容积效率的特点。
[发明]
一种低阻高效流化除雾器装置及其除雾方法
申请号:
201810180699.2
状态:
审中-实审
申请日:
2018-03-05
申请人:
武汉科技大学
发明人:
陈旺生、张成刚、涂阳哲、秦林波、韩军、幸福堂、赵波、梅丹
公开日:
2018-08-28
代理机构:
武汉宇晨专利事务所42001
主分类号:
B01D45/02(2006.01)I
我要购买
摘要:
本发明公开了一种低阻高效流化除雾器装置及除雾方法。流化除雾器采用上大下小的变径管道,变径管道内设置除雾腔;气流由变径管道底部进入,在上升气流的作用下除雾腔内除雾介质呈流化状态,与此同时上升的气流遇到流化状态的除雾介质,在惯性和折流等作用下,气流方向发生偏移,气流中携带的液滴和固体颗粒不断被球状除雾介质表面吸附、凝聚、拦截,经过除雾介质去除液滴之后的气流由除雾器顶部排出。除雾介质根据不同风速和系统参数选择不同的比重和孔隙率,这种球状的设计具有不易堵塞、易清洗、工况适应性强、流化效果好的特点,能够有效提高除雾效率,且投资少、阻力小、不易堵塞、运行维护成本低,能够满足各类除雾场合的除雾要求。
[实用新型]
一种高效流化除雾器装置
申请号:
201820301771.8
状态:
有权
申请日:
2018-03-05
申请人:
武汉科技大学
发明人:
陈旺生、张成刚、涂阳哲、秦林波、韩军、幸福堂、赵波、梅丹
公开日:
2018-12-04
代理机构:
武汉宇晨专利事务所42001
主分类号:
B01D45/02(2006.01)I
我要购买
摘要:
本实用新型公开了一种高效流化除雾器装置。流化除雾器采用上大下小的变径管道,变径管道内设置多层除雾腔;气流由变径管道底部进入,在上升气流的作用下除雾腔内除雾介质呈流化状态,与此同时上升的气流遇到流化状态的除雾介质,在惯性和折流的作用下,气流方向发生偏移,气流中携带的液滴和固体颗粒不断被球状除雾介质表面吸附、凝聚、拦截,经过除雾介质去除液滴之后的气流由除雾器顶部排出。除雾介质可根据不同风速和系统参数选择不同的比重和孔隙率,这种球状的设计具有不易堵塞、易清洗、工况适应性强、流化效果好的特点,加之除雾介质的特性能够有效提高除雾效率,且投资少、运行维护成本低,能够满足各类除雾场合的除雾要求。
[发明]
一种高压自适应间隙密封双柱塞同步液压缸
申请号:
201810180372.5
状态:
审中-实审
申请日:
2018-03-05
申请人:
武汉科技大学
发明人:
郭媛、吴凛、傅连东、陈新元、湛从昌
公开日:
2018-06-29
代理机构:
武汉科皓知识产权代理事务所(特殊普通合伙)42222
主分类号:
F15B15/14(2006.01)I
我要购买
摘要:
本发明涉及一种高压自适应间隙密封双柱塞同步液压缸。其技术方案是:第一柱塞(4)和第二柱塞(9)对应地安装在缸筒(3)的第一柱塞腔(15)和第二柱塞腔(14)内。缸筒(3)封闭端的外端面的形心位置处设有的第一主油口(7)通过油道与第一油口(6)和第二油口(8)相通;靠近缸筒(3)开口端的侧面设有的第二主油口(13)通过油道与第三油口(12)和第四油口(11)相通。第一柱塞(4)和第二柱塞(9)为圆柱体和圆柱体端部的唇边组成的整体;唇边呈圆环状,在唇边内壁的中间位置处设有环形槽。圆柱体的圆柱面均匀地设有3~7条均压槽(5),均压槽(5)截面呈“V”字形。本发明具有体积小、重量轻、能自动调整间隙密封量、能有效防止偏载和高压条件下仍能保持较高容积效率的特点。
[实用新型]
一种流化除雾器实验装置
申请号:
201820301374.0
状态:
有权
申请日:
2018-03-05
申请人:
武汉科技大学
发明人:
陈旺生、张成刚、涂阳哲、秦林波、韩军、幸福堂、赵波、梅丹
公开日:
2018-09-11
代理机构:
武汉宇晨专利事务所42001
主分类号:
G01M99/00(2011.01)I
我要购买
摘要:
本实用新型提供了一种流化除雾器实验装置。所述除雾器实验装置包括流化除雾器、风机、水泵、除雾介质、水箱、喷嘴、转子流量计、变频器、进风管道。流化除雾器壳体采用上端开口大于下端开口的设计,流化除雾器壳体内设置多层筛板;风机的气流夹带喷嘴中的液滴经过筛板进入除雾介质,在上升气流的作用下除雾介质呈稳定的流化状态,与此同时上升的气流遇到流化状态的除雾介质,在惯性和折流的作用下,气流方向发生偏移,气流中携带的液滴不断被除雾介质表面吸附、凝聚、拦截,经过除雾介质除雾器去除液滴和固体颗粒之后的气流由除雾器顶部气流通道排出,从而完成流化除雾。
[发明]
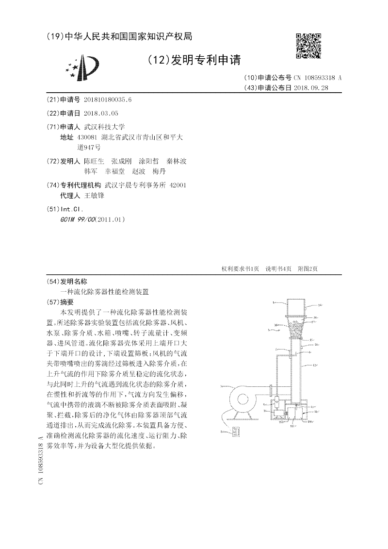
一种流化除雾器性能检测装置
申请号:
201810180035.6
状态:
审中-实审
申请日:
2018-03-05
申请人:
武汉科技大学
发明人:
陈旺生、张成刚、涂阳哲、秦林波、韩军、幸福堂、赵波、梅丹
公开日:
2018-09-28
代理机构:
武汉宇晨专利事务所42001
主分类号:
G01M99/00(2011.01)I
我要购买
摘要:
本发明提供了一种流化除雾器性能检测装置。所述除雾器实验装置包括流化除雾器、风机、水泵、除雾介质、水箱、喷嘴、转子流量计、变频器、进风管道。流化除雾器壳体采用上端开口大于下端开口的设计,下端设置筛板;风机的气流夹带喷嘴喷出的雾滴经过筛板进入除雾介质,在上升气流的作用下除雾介质呈稳定的流化状态,与此同时上升的气流遇到流化状态的除雾介质,在惯性和折流等的作用下,气流方向发生偏移,气流中携带的液滴不断被除雾介质表面吸附、凝聚、拦截,除雾后的净化气体由除雾器顶部气流通道排出,从而完成流化除雾。本装置具备方便、准确检测流化除雾器的流化速度、运行阻力、除雾效率等,并为设备大型化提供依据。
首页
上一页
171
172
173
174
175
176
177
178
179
180
下一页
尾页
当前共找到
8115
个专利记录
,当前显示页码
173/406