首页
专利查询
专利购买
专利转让
专利申请
15071489439
当前位置:
专利巴士
专利查询
专利名称
查询
高级查询
当前共找到
8115
个专利记录
,当前显示页码
176/406
专利名称
申请号
申请人
发明人
专利代办机构
[发明]
一种废旧锂离子电池正极材料回收的方法
申请号:
201810092312.8
状态:
审中-实审
申请日:
2018-01-30
申请人:
武汉科技大学
发明人:
邱江华、薛峰、余敏、张泽辉
公开日:
2018-07-17
代理机构:
武汉科皓知识产权代理事务所(特殊普通合伙)42222
主分类号:
C22B7/00(2006.01)I
我要购买
摘要:
本发明涉及一种废旧锂离子电池正极材料回收的方法。其技术方案是:将废旧锂离子电池放电,拆解,破碎,得到正极片。将浓度为0.1~3.0mol/L有机酸溶液和浓度为30wt%的过氧化氢溶液混合,即得混合液;其中,过氧化氢在所述混合液中的质量浓度为0.5~10%。按正极片和所述混合液的固液比为10~80g/L,将所述正极片加入所述混合液中,在30~90℃的水浴条件下搅拌10~120min,得到混合物。将所述混合物过滤,得到含有有价金属离子的滤液。将所述滤液在50~200℃条件下烘烤8~24h,得到制备锂离子电池正极材料的前驱体。本发明具有工艺简单、能耗低、流程短、试剂消耗少、回收成本低和无二次污染的特点。
[发明]
一种钢渣透水型泡沫混凝土及其制备方法
申请号:
201810153160.8
状态:
审中-公开
申请日:
2018-01-30
申请人:
武汉科技大学
发明人:
向晓东、庞华果、江新卫
公开日:
2019-08-06
代理机构:
主分类号:
C04B28/04(2006.01)I
我要购买
摘要:
本发明公开了一种钢渣透水泡沫混凝土,由下列质量份的物质组成:水泥30‑60份;钢渣水洗尘泥30‑70份;钢渣复合粉10‑40份;减水剂0.05‑1.0份;增稠剂0.02‑0.2份;烧结脱硫灰1‑10份;抗裂剂0.06‑0.2份;发泡剂0.1‑0.4份;水0.30‑0.60份。本发明的优点如下:(1)本发明泡沫混凝土强度高、收缩低、憎水性好;(2)透水性能优异,能满足海绵城市的透水要求;(3)制备工艺简单;(4)充分利用了钢渣水洗尘泥、钢渣复合粉和烧结脱硫灰等工业废料,具有利废、节能等优异的环保效应以及较好的经济效益。
[发明]
一种以树叶为模板制备多级孔活性炭的方法
申请号:
201810087052.5
状态:
审中-实审
申请日:
2018-01-30
申请人:
武汉科技大学
发明人:
张春桃、梅姝婷、童仕唐
公开日:
2018-06-22
代理机构:
主分类号:
C01B32/318(2017.01)I
我要购买
摘要:
本发明涉及一种以树叶为模板制备多级孔活性炭的方法。其技术方案是以树叶为模板,以重交沥青为碳源,耦合模板法与控制热分解‑部分水蒸气活化法制备多级孔活性炭,使得树叶在炭化分解过程中能保留其原有结构,而处于熔融流动态的沥青能印刻进入树叶的微观结构,形成具有树叶微观结构的反式结构。本发明所制备的活性炭多级孔特征明显,孔径分布曲线呈现明显的双峰,其中微孔百分率14.9~34.9%,中孔百分率65.0~85.0%。本发明所述的树叶模板耦合工艺制备多级孔活性炭能克服传统活性炭制备工艺中活化剂成本高、腐蚀设备、污染环境、产品残留化学药品等缺点。
[发明]
基于微晶石墨的氧化铝-碳质复合材料及其制备方法
申请号:
201810085584.5
状态:
审中-实审
申请日:
2018-01-29
申请人:
武汉科技大学
发明人:
韩兵强、何思梦、何新元、魏耀武、谢家振、李楠
公开日:
2018-05-29
代理机构:
武汉科皓知识产权代理事务所(特殊普通合伙)42222
主分类号:
C04B35/101(2006.01)I
我要购买
摘要:
本发明涉及一种基于微晶石墨的氧化铝‑碳质复合材料及其制备方法。其技术方案是:以20~29wt%的粒度为1~3mm、26~35wt%的粒度大于等于0.5mm且小于1mm和10~22wt%的粒度小于0.5mm且大于等于0.088mm的板状刚玉颗粒为骨料,以10~22wt%的板状刚玉细粉、2~8wt%的α‑Al
2
O
3
微粉、2~8wt%的单质硅粉、0.5~1.5wt%的氧化硅细粉和2~6wt%的微纳米级微晶石墨为基质,外加占骨料与基质之和3~5wt%的酚醛树脂和3~5wt%的催化剂。先将基质和催化剂混合,再将骨料与酚醛树脂混磨,再进行共混,成型,在还原性气氛和1400~1550℃条件下烧成,制得基于微晶石墨的氧化铝‐碳质复合材料。本发明所制制品满足低碳净钢要求、高温力学性能好、保护环境和节约资源。
[实用新型]
一种光纤光栅传感器
申请号:
201820148478.2
状态:
有权
申请日:
2018-01-29
申请人:
武汉科技大学
发明人:
郭永兴、匡毅、熊丽、刘文龙、吴恒
公开日:
2018-08-17
代理机构:
深圳市朝闻专利代理事务所(普通合伙)44454
主分类号:
G01D5/26(2006.01)I
我要购买
摘要:
本实用新型公开一种光纤光栅传感器,该传感器包括:后端盖,具有光纤出孔;光纤,经由所述光纤出孔配置于所述传感器内;壳体,后端与所述后端盖相连接,以形成一安装空间;振动感知组件和压力感知组件,配置在所述安装空间内,分别用于向所述光纤光栅输入振动信号和压力信号。本实用新型的光纤光栅传感器能够同时检测振动信息和压力信息,使用场景广泛。
[实用新型]
一种具有温度环境可控的光纤光栅传感器力标定台
申请号:
201820148467.4
状态:
有权
申请日:
2018-01-29
申请人:
武汉科技大学
发明人:
郭永兴、刘文龙、熊丽、匡毅、吴恒
公开日:
2018-08-17
代理机构:
深圳市朝闻专利代理事务所(普通合伙)44454
主分类号:
G01D18/00(2006.01)I
我要购买
摘要:
本实用新型涉及一种具有温度环境可控的光纤光栅传感器力标定台,包括:热源;拉力源;传感器,靠近所述热源设置,且受所述拉力源施加的拉力作用;数据处理装置,与所述传感器通过解调装置相连接,用于接收所述传感器输入的信号;通过使用热源、拉力源使传感器在温度和受力环境分别可控的条件下对传感器进行力的标定;而且适用于各种形状尺寸的传感器标定,其结构简单,操作方便,可以随时拆卸,安装调试方便;同时数据处理装置与所述传感器通过调制解调装置相连接,用于接收所述传感器输入的信号,对标定的结果予以展示,或进行标定的结果进行分析。
[实用新型]
一种埋入式光纤光栅应变传感器
申请号:
201820146757.5
状态:
有权
申请日:
2018-01-29
申请人:
武汉科技大学
发明人:
郭永兴、吴恒、熊丽、刘文龙、匡毅
公开日:
2018-08-17
代理机构:
深圳市朝闻专利代理事务所(普通合伙)44454
主分类号:
G01B11/16(2006.01)I
我要购买
摘要:
本实用新型公开一种埋入式光纤光栅应变传感器,包括:应变标距体,具有标距长度的光纤通道;密封组件,密封连接所述光纤通道的端口,使所述端口处形成密封,所述密封组件还具有允许光纤通过的延伸通道;光纤,预拉伸后穿过所述端口设置在所述光纤通道内;光纤光栅,粘贴固定在所述光纤通道内的所述光纤上。该传感器光纤得到双重保护,更能适应恶劣环境,同时,结构简单,安装方便快捷。
[发明]
一种柔性物料提升机的位置鲁棒控制器及其设计方法
申请号:
201810084262.9
状态:
审中-实审
申请日:
2018-01-29
申请人:
武汉科技大学
发明人:
朱畅、王志刚、郭宇飞
公开日:
2018-08-03
代理机构:
北京众达德权知识产权代理有限公司11570
主分类号:
G05B13/04(2006.01)I
我要购买
摘要:
本发明属于机械控制技术领域,公开了一种具有链传动和谐波齿轮传动的柔性物料提升机的位置鲁棒控制器的设计方法,包括:建立柔性物料提升机的惯性坐标系;基于所述惯性坐标系,将柔性物料提升机简化为具有链传动和谐波齿轮传动的两自由度柔性关节机械臂模型;建立所述柔性关节机械臂模型的动力学模型;采用奇异摄动法将所述动力学模型降阶为快变子系统和慢变子系统;基于所述快变子系统和所述慢变子系统形成混合控制器实现柔性传动关节物料提升机的控制。本发明提供的控制器及其设计方法,针对柔性物料提升机能够降低柔性振动,提升控制精度。
[发明]
一种使用水拓烟熏方法的作画技法
申请号:
201810077137.5
状态:
审中-实审
申请日:
2018-01-28
申请人:
李艺、武汉科技大学城市学院、彭德智
发明人:
李艺、彭德智
公开日:
2018-07-13
代理机构:
主分类号:
B44D2/00(2006.01)I
我要购买
摘要:
本发明涉及一种使用水拓烟熏方法的作画技法,属于艺术制作的技术领域。本发明是一种使用水拓法和烟熏法相结合的作画方法,利用水油分离的原理制造水面墨料的分层肌理效果,然后在肌理表层熏烤出烟雾朦胧的画面效果,制造出中国写意画的意象氛围,拓宽了中国写意画的作画技法的思路。本发明使用水拓烟熏方法的制作技法的具体步骤包括:调和墨料、滴洒墨料、搅动图纹、铺纸粘附、揭纸晾干、烟熏画纸、补色修饰、题款装裱等步骤,在保留中国传统写意画的水拓法所追求的酣畅淋漓的意象效果的基础上,增加了烟雾弥漫的意境氛围。该方法是对现有的中国写意画的作画方法的一种创新和创造,运用本发明制作的中国写意画,具有很高的艺术价值和商业价值。
[发明]
一种XRF分析用挂壁坩埚的制备方法
申请号:
201810077429.9
状态:
审中-实审
申请日:
2018-01-26
申请人:
武汉科技大学、湖南华菱涟源钢铁有限公司、广东韶钢松山股份有限公司
发明人:
徐建平、李新家、李光辉、吴超超、王岩、邢文青
公开日:
2018-08-10
代理机构:
武汉科皓知识产权代理事务所(特殊普通合伙)42222
主分类号:
G01N1/34(2006.01)I
我要购买
摘要:
本发明具体涉及一种XRF分析用挂壁坩埚的制备方法。其技术方案是:按四硼酸锂∶硼酸∶草酸的质量比为2∶(1~5)∶0.1,将所述四硼酸锂、硼酸和草酸混合均匀,即得挂壁熔剂。将6.00~8.00g的所述挂壁熔剂放入铂金坩埚内,再将所述铂金坩埚和挂壁熔剂移入高温炉中,在700~930℃条件下保温10~20分钟,制得XRF分析用挂壁坩埚。所述铂金坩埚的容积为25~40mL,所述铂金坩埚的材质为Pt、或为Pt与Au的合金;其中:所述Pt与Au合金的Pt︰Au的质量比为95︰5,所述Pt的纯度≥99.99wt%。本发明具有能耗低、工作强度小、成品率高、制备效率高和析晶开裂少的特点。
[发明]
一种XRF钴内标分析用包衣熔剂片的制备方法
申请号:
201810077108.9
状态:
审中-实审
申请日:
2018-01-26
申请人:
武汉科技大学、广东韶钢松山股份有限公司、湖南华菱涟源钢铁有限公司
发明人:
徐建平、江业泰、李新家、邢文青、吴超超
公开日:
2018-08-17
代理机构:
武汉科皓知识产权代理事务所(特殊普通合伙)42222
主分类号:
G01N23/223(2006.01)I
我要购买
摘要:
本发明涉及一种XRF钴内标分析用包衣熔剂片的制备方法。其技术方案是:按四硼酸锂∶聚乙烯醇的质量比为100∶(2~3)配料,混合均匀,用水调制为可塑料;称取1.10g可塑料,压制为凹弧面片,制得坩埚。再按Co2O3∶Li2B4O7的质量比为0.11∶1配料,混合均匀,得到混合粉Ⅱ;然后将0.9997~1.0003g的混合粉Ⅱ置于所述坩埚内,取1.00g可塑料均匀覆盖在所述坩埚内的混合粉Ⅱ上,压制成坯,烘干,包衣,制得含钴包衣熔剂片。在所制含钴包衣熔剂N片中抽取10~N1/3片所述含钴包衣熔剂片,测定Co2O3量,评定制备误差,得到XRF钴内标分析用包衣熔剂片。本发明的内标物加入量精密度高、内标物加入量误差可评定、分析效率高、无内标物转移损失和同时加入氧化剂。
[发明]
一种含亚氨基的高分子量的聚酯、制备方法及用途
申请号:
201810078746.2
状态:
审中-实审
申请日:
2018-01-26
申请人:
武汉科技大学
发明人:
程正载、胡海、刘盼盼、曾胜、李光要、唐然、王云、王涵鼎、丁玲、马里奥·高斯尔
公开日:
2018-06-08
代理机构:
主分类号:
C08G63/685(2006.01)I
我要购买
摘要:
本发明采用N‑(羧甲基)甘氨酸、带有环状刚性基团的二元醇为单体,以金属有机催化剂或磺酸类催化剂为酯化及缩聚催化剂,通过熔融聚合,得到熔点或软化点160~190℃、数均分子量在31000~46000的含亚氨基的高分子量的聚酯。所制备的含亚氨基的高分子量的聚酯具有较高强度的特点,拉伸强度在100~150MPa。本发明公开的含亚氨基的高分子量的聚酯,可用作瓶级聚酯使用,制得的瓶级材料用于有效期长达4年的饮料和食品行业作为包装材料。在其完成使用功能后,被丢弃到自然土壤环境下,从第二年开始,该包装材料在自然土壤环境下开始明显降解,第2~4年内该包装材料每年分子量下降20~30%。
[发明]
一种含氧硅氧桥连结构的高分子量的增塑剂、制备方法及其应用
申请号:
201810077593.X
状态:
审中-实审
申请日:
2018-01-26
申请人:
武汉科技大学
发明人:
程正载、刘盼盼、曾胜、胡海、李光要、唐然、王云、王涵鼎、丁玲、马里奥·高斯尔
公开日:
2018-05-15
代理机构:
主分类号:
C08G77/04(2006.01)I
我要购买
摘要:
本发明公开了一种含氧硅氧桥连结构的高分子量的增塑剂、制备方法及其应用,属于合成材料助剂技术领域。该制备方法包括以间苯二酚二羟乙基醚或对苯二酚二羟乙基醚与二氯二甲基硅烷或二乙氧基二甲基硅烷为原料,在缩合催化剂的催化作用、氮气气氛以及真空条件下进行反应得到粗产品,后经过提纯、过滤、干燥得到高分子量的增塑剂成品。本发明制备的含氧硅氧桥连结构的高分子量的增塑剂主要应用于聚氯乙烯(PVC)中,本发明制备的含氧硅氧桥连结构的高分子量的增塑剂有效的提高了增塑剂与聚氯乙烯树脂的塑化效率和耐迁移性。本发明的制备方法成本低、绿色环保,收率较高。
[发明]
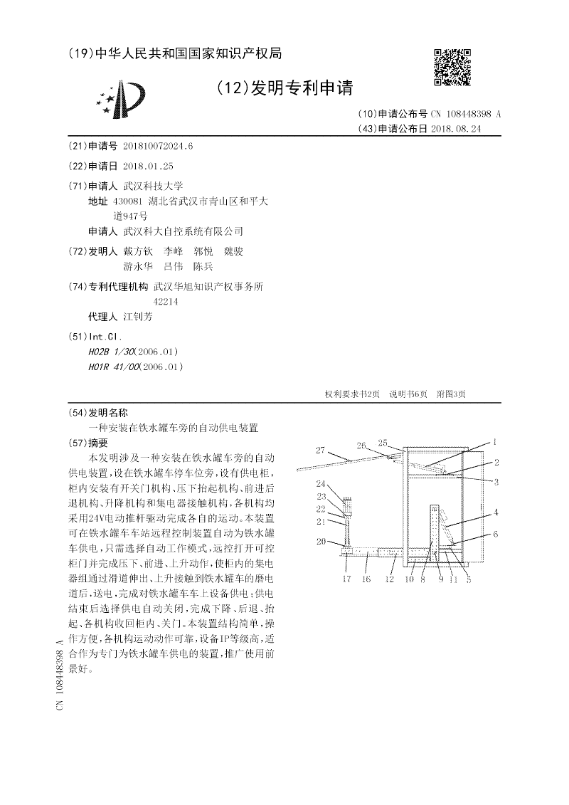
一种安装在铁水罐车旁的自动供电装置
申请号:
201810072024.6
状态:
有权
申请日:
2018-01-25
申请人:
武汉科技大学、武汉科大自控系统有限公司
发明人:
戴方钦、李峰、郭悦、魏骏、游永华、吕伟、陈兵
公开日:
2018-08-24
代理机构:
武汉华旭知识产权事务所42214
主分类号:
H02B1/30(2006.01)I
我要购买
摘要:
本发明涉及一种安装在铁水罐车旁的自动供电装置,设在铁水罐车停车位旁,设有供电柜,柜内安装有开关门机构、压下抬起机构、前进后退机构、升降机构和集电器接触机构,各机构均采用24V电动推杆驱动完成各自的运动。本装置可在铁水罐车车站远程控制装置自动为铁水罐车供电,只需选择自动工作模式,远控打开可控柜门并完成压下、前进、上升动作,使柜内的集电器组通过滑道伸出、上升接触到铁水罐车的磨电道后,送电,完成对铁水罐车车上设备供电;供电结束后选择供电自动关闭,完成下降、后退、抬起、各机构收回柜内、关门。本装置结构简单,操作方便,各机构运动动作可靠,设备IP等级高,适合作为专门为铁水罐车供电的装置,推广使用前景好。
[发明]
一种安装在铁水罐车上的铁水包加揭盖装置
申请号:
201810072036.9
状态:
有权
申请日:
2018-01-25
申请人:
武汉科技大学
发明人:
戴方钦、郭悦、游永华、吕伟、陈兵
公开日:
2018-08-24
代理机构:
武汉华旭知识产权事务所42214
主分类号:
B22D41/12(2006.01)I
我要购买
摘要:
本发明涉及一种安装在铁水罐车上的加揭盖装置,装置以铁水包轴线为中心对称安装在铁水罐车上。装置中传动轴转臂机构、支撑轴转臂机构均为平行的矩形边框结构,装置中电液推杆机构包括电动机、液压油缸和活塞杆,活塞杆头部与传动轴转臂机构中的力臂铰接;铁水包半盖铰接在传动轴转臂和支撑轴转臂上,由电液推杆机构带动传动轴转臂机构、支撑轴转臂机构摆动,在加揭盖过程中铁水包半盖与铁水罐车保持平行的状态,加盖时两铁水包半盖从两侧向铁水包中间靠拢拼成完整的包盖盖在铁水包顶部;装置还设有油缸顶升机构用于在控制失灵时打开铁水包半盖,避免出现事故。本装置结构简单,设计合理,操作方便,实现铁水包在运输全程中的保温和安全性。
[发明]
一种氮化硅多孔陶瓷及其制备方法
申请号:
201810074713.0
状态:
审中-实审
申请日:
2018-01-25
申请人:
武汉科技大学
发明人:
张海军、韩磊、董龙浩、张少伟
公开日:
2018-07-13
代理机构:
武汉科皓知识产权代理事务所(特殊普通合伙)42222
主分类号:
C04B35/584(2006.01)I
我要购买
摘要:
本发明涉及一种氮化硅多孔陶瓷及其制备方法。其技术方案是:按稳泡剂∶去离子水的质量比为(0.001~0.01)∶1配料,磁力搅拌12~24h,制得稳泡剂溶液。按异丁烯‑马来酸酐共聚物∶硅粉∶稳泡剂溶液的质量比为(0.002~0.01)∶(1~1.56)∶1配料,混合,机械搅拌,制得氮化硅多孔陶瓷浆料。按发泡剂∶所述氮化硅多孔陶瓷浆料的体积比为(0.001~0.02)∶1,混合,机械搅拌,然后将制得的氮化硅多孔陶瓷浆料注入模具中,固化,脱模,干燥,在900~1200℃条件下保温0~2h,制得氮化硅多孔陶瓷。本发明具有工艺简单、对设备要求不高、易于控制、污染小、低温快速合成、生产成本低和节能环保的特点;所制备的氮化硅多孔陶瓷孔隙率高和强度大。
[发明]
一种氮化硅结合碳化硅多孔陶瓷及其制备方法
申请号:
201810074729.1
状态:
审中-实审
申请日:
2018-01-25
申请人:
武汉科技大学
发明人:
张海军、韩磊、董龙浩、张少伟
公开日:
2018-09-21
代理机构:
武汉科皓知识产权代理事务所(特殊普通合伙)42222
主分类号:
C04B38/10(2006.01)I
我要购买
摘要:
本发明涉及一种氮化硅结合碳化硅多孔陶瓷及其制备方法。其技术方案是:按稳泡剂∶去离子水的质量比为(0.001~0.01)∶1配料,磁力搅拌,制得稳泡剂溶液。按异丁烯‑马来酸酐共聚物∶陶瓷粉体∶稳泡剂溶液的质量比为(0.004~0.015)∶(1.80~3.10)∶1配料,混合,机械搅拌,制得氮化硅结合碳化硅陶瓷浆料。按发泡剂∶氮化硅结合碳化硅陶瓷浆料的体积比为(0.001~0.02)∶1配料,混合,机械搅拌,注入模具中,固化,脱模,干燥,在900~1200℃条件下保温,制得氮化硅结合碳化硅多孔陶瓷。本发明具有工艺简单、对设备要求不高、易于控制、污染小、低温快速合成、生产成本低和节能环保的特点;所制备的氮化硅结合碳化硅多孔陶瓷孔隙率高和强度大。
[发明]
一种含植物本征结构的高铝质隔热砖及其制备方法
申请号:
201810074756.9
状态:
审中-实审
申请日:
2018-01-25
申请人:
武汉科技大学
发明人:
李淑静、魏志鹏、李远兵、徐娜娜、李雪松、罗瀚
公开日:
2018-09-21
代理机构:
武汉科皓知识产权代理事务所(特殊普通合伙)42222
主分类号:
C04B38/06(2006.01)I
我要购买
摘要:
本发明涉及一种含植物本征结构的高铝质隔热砖及其制备方法。其技术方案是:以27~45wt%粒度为0.044~0.074mm的刚玉细粉、20~32wt%的粒度为≤0.044mm的刚玉细粉和33~45wt%的α‑Al2O3微粉为原料,外加所述原料15~40wt%的经无机溶胶浸渍处理的造孔剂,预混1~3h,得到预混料;再将预混料和所述原料10~25wt%的结合剂混合均匀,困料,成型;然后在110~135℃条件下烘烤12~24h,于1300~1600℃条件下保温3~6h,即得含植物本征结构的高铝质隔热砖。本发明具有成本低、成品率高和工艺简单的特点,所制得的含植物本征结构的高铝质隔热砖层裂小、掉粉现象少、强度高、热震性能好、导热系数低和高温隔热效果显著。
[发明]
一种基于无线通讯的铁水罐盖加揭盖装置控制方法
申请号:
201810071906.0
状态:
有权
申请日:
2018-01-25
申请人:
武汉科技大学、武汉科大自控系统有限公司
发明人:
戴方钦、李峰、郭悦、魏骏、游永华、吕伟、陈兵
公开日:
2018-08-31
代理机构:
武汉华旭知识产权事务所42214
主分类号:
G05B19/05(2006.01)I
我要购买
摘要:
本发明涉及一种基于无线通讯的铁水罐盖加揭盖装置控制方法,首先建立基于无线以太网通讯的铁水包加揭盖控制系统,该系统包括装在铁水罐车上的车上控制箱,车上操作箱A、B,供电桩,车站控制柜和控制室HMI计算机,还有铁水罐车上安装的铁水包加揭盖装置。本方法操作步骤是:由车站控制柜或HMI操作供电桩为铁水罐车上设备供电;在铁水罐车上通过车上控制箱选择远程/就地开关,选择远程开关则由控制室HMI远控铁水包加揭盖的操作,选择就地开关则由车上控制箱完成对铁水包加揭盖。本发明为铁水罐包加揭盖的控制提供了能在安全位置远程操作手段,当铁水罐车到站后可以马上集中监控及实现快速加揭盖的操作。本方法操作简单高效,安全性高。
[实用新型]
一种电脑支架
申请号:
201820124902.X
状态:
有权
申请日:
2018-01-24
申请人:
武汉科技大学
发明人:
方辉、姚冬冬
公开日:
2018-09-07
代理机构:
北京众达德权知识产权代理有限公司11570
主分类号:
F16M11/38(2006.01)I
我要购买
摘要:
本实用新型属于一种日常用品,尤其涉及一种电脑支架。该支架的平台的一端可转动地安装在底板上,支撑轴固定设置在平台的另一端,支撑板的一端可转动地安装在底板的中部,支撑板的另一端可选择地支撑在平台的底部,底板上还设置有两列支撑区,两列支撑区相对设置在支撑板的两侧,每列支撑区均设置有多个卡槽,支撑杆和支撑区一一对应设置,两个支撑杆的一端分别可转动地设置在支撑轴的两端上,两个支撑杆的另一端分别可选择性地支撑在对应的支撑区上的卡槽中。本实用新型的一种电脑支架,不仅可以对平台的角度进行调整,以满足不同姿态下的电脑使用需求,还可以对平台进一步支撑,保证平台使用时的稳定性。
首页
上一页
171
172
173
174
175
176
177
178
179
180
下一页
尾页
当前共找到
8115
个专利记录
,当前显示页码
176/406