首页
专利查询
专利购买
专利转让
专利申请
15071489439
当前位置:
专利巴士
专利查询
专利名称
查询
高级查询
当前共找到
8115
个专利记录
,当前显示页码
185/406
专利名称
申请号
申请人
发明人
专利代办机构
[发明]
一种碳化硅结合钛铝酸钙复相耐火材料及其制备方法
申请号:
201711231508.2
状态:
审中-实审
申请日:
2017-11-29
申请人:
武汉科技大学、锦州国泰实业有限公司
发明人:
赵惠忠、陈建威、张寒、余俊、刘艳丽、冯立
公开日:
2018-04-24
代理机构:
武汉科皓知识产权代理事务所(特殊普通合伙)42222
主分类号:
C04B35/44(2006.01)I
我要购买
摘要:
本发明涉及一种碳化硅结合钛铝酸钙复相耐火材料及其制备方法。其技术方案是:将50~55wt%的钛铝酸钙颗粒、15~20wt%的钛铝酸钙细粉、10~15wt%的单质硅粉、1~3wt%的氧化硼细粉和10~20wt%的热固性酚醛树脂混合,混辗8~10min,于130~150MPa条件下机压成型,在90~110℃条件下干燥20~30小时,得到干燥后的坯体。将干燥后的坯体置于底部铺有焦炭的氧化铝匣钵中,然后在所述氧化铝匣钵中铺满焦炭,再于1400~1450℃条件下保温2~3小时,随炉冷却,制得碳化硅结合钛铝酸钙复相耐火材料。本发明具有成本低廉、工艺简单和成品率高的特点;所制制品体积密度较大、抗折耐压强度大、导热系数小、常温耐磨性好和抗热震性能优良。
[发明]
一种通过气相反应制备富含分级孔结构的高性能催化材料的方法及催化材料
申请号:
201711226122.2
状态:
审中-实审
申请日:
2017-11-29
申请人:
武汉科技大学
发明人:
张旭明、黄超、高标、霍开富、皮超然、付继江
公开日:
2018-04-20
代理机构:
湖北武汉永嘉专利代理有限公司42102
主分类号:
B01J27/24(2006.01)I
我要购买
摘要:
本发明提供一种利用气相还原法制备富含分级孔通道的高性能催化材料的方法及催化材料,该方法包括以下步骤:1)提供双元过渡金属氧化物材料M
x
N
y
O
z
,其中M和N为不同的金属元素,M和N选自Mo、V、Nb和W中的任意一种;2)将M
x
N
y
O
z
粉末在CO气氛下,于温度600‑900℃下保温1‑5小时;3)将步骤2)所得的产物在NH
3
气氛中,于温度500‑900℃保温1‑3小时,即得到富含分级孔结构的金属M的氮化物和金属N的碳化物复合的纳米催化材料。本发明得到的催化材料具有优异的电化学催化性能。同时此方法简单,成本低廉,得到产物明确,为电催化领域提高催化剂活性提供了一条全新的路径。
[发明]
一种与舵杆集成的转叶式液压舵机
申请号:
201711229211.2
状态:
有权
申请日:
2017-11-29
申请人:
武汉科技大学
发明人:
李昭、谢良喜、谢天、孙欢、吴攀峰
公开日:
2018-05-04
代理机构:
武汉科皓知识产权代理事务所(特殊普通合伙)42222
主分类号:
B63H25/30(2006.01)I
我要购买
摘要:
本发明提供一种与舵杆集成的转叶式液压舵机,涉及船用转叶式液压舵机领域,包括缸体、上下盖板、定子叶片、舵杆、进出油口,定子叶片设在缸体内,还包括舵杆叶片,舵杆叶片设在舵杆的一端,在安装状态下,舵杆一端穿过端面密封圈,穿过下盖板的舵杆孔,缸体套在舵杆设舵杆叶片的一端,用盖板螺钉将下盖板固定在缸体上,套上端面密封圈,再套上上盖板,用盖板螺钉将上盖板固定在缸体上,使舵杆恰能转动。本发明取消转子零件,直接将转子叶片安装到舵杆上,使舵杆承担转子功能,在节省材料和加工时间的同时去除了把舵杆安装在转子上的步骤,解决了舵杆与转子之间难以安装的问题,还消除了转子内孔与舵杆的同轴度误差。
[发明]
一种多层叠压铸件水洗浸渗工艺程序
申请号:
201711219253.8
状态:
审中-实审
申请日:
2017-11-28
申请人:
武汉科技大学
发明人:
宋硕、陈少白、吴广川
公开日:
2018-04-27
代理机构:
北京力量专利代理事务所(特殊普通合伙)11504
主分类号:
B22D31/00(2006.01)I
我要购买
摘要:
本发明提供一种多层叠压铸件水洗浸渗工艺程序,装件工序:将多层叠压铸件放入铁笼依次按照层数放置完毕,盖上盖子,在铁笼底部跟上部分别通过底部T字形锁紧螺栓、上部T字形锁紧螺栓锁紧;浸渗工序:将完成装件工序的铁笼放置在盛满浸渗液的浸渗池中直至压铸产品充分的吸收浸渗液;回收工序:将浸渗工序中的浸渗液回收抽离干净,将装有压铸件的铁笼取出;水洗工序:将装有压铸件的铁笼放置水洗装置里面冲洗五到十次;固化工序:加热水洗装置里面的水至95摄氏度对铁笼里面的压铸件进行水煮。
[实用新型]
一种空调冷凝水的回收装置
申请号:
201721614937.3
状态:
有权
申请日:
2017-11-28
申请人:
武汉科技大学
发明人:
赵正山、谭昭、余恩、林腾辉、刁珺杰、彭宇、凌嘉伟、柯熊钢
公开日:
2018-09-28
代理机构:
北京众达德权知识产权代理有限公司11570
主分类号:
F24F13/22(2006.01)I
我要购买
摘要:
本实用新型公开了一种空调冷凝水的回收装置,属于资源回收技术领域。所述空调冷凝水的回收装置包括:室内冷凝水收集机构第一端与空调的冷凝盘连通;蓄水器设置在空调内,蓄水器第一端与室内冷凝水收集机构第二端连通;动力机构第一端与蓄水器第二端连通,动力机构设置在空调内;冷凝水输送机构第一端与动力机构第二端连通,冷凝水输送机构设置在空调内;若干喷雾机构设置在空调出风口处,若干喷雾机构与冷凝水输送机构第二端连通;湿度感应器设置在空调上;控制器与湿度感应器及动力机构连接。本实用新型空调冷凝水的回收装置可以回收空调内冷凝水利用空调的送风效果进行加湿,充分回收利用了内冷凝水,提高了水资源的利用率,节约了电能。
[实用新型]
一种用于脆性材料轴向加卸载模拟试验装置
申请号:
201721616034.9
状态:
有权
申请日:
2017-11-28
申请人:
武汉科技大学
发明人:
吴亮、陈洋、刘令、杨德明、向晓锐、鲁帅、赵超、李健、万端莹
公开日:
2018-07-24
代理机构:
北京轻创知识产权代理有限公司11212
主分类号:
G01N3/00(2006.01)I
我要购买
摘要:
本实用新型涉及一种用于脆性材料轴向加卸载模拟试验装置,包括架框、静力加载系统、动力加载系统、界板和测试系统;静力加载系统设置在架框内部一端,动力加载系统设置在静力加载系统的驱动端;界板设置在架框内靠近另一端的位置,并与架框另一端形成无反射边界腔;待测试杆件一端与动力加载系统抵接,另一端穿过界板并与架框另一端抵接;无反射边界腔内填充扩散介质;架框上设有对待测试杆件定位的支撑机构;测试系统包括贴覆在待测试杆件表面的若干应变片和后台应力检测仪,若干应变片分别电连接后台应力检测仪。优点:能正确实现高地应力条件下爆破破岩过程中新生成自由面上的瞬态卸荷情况,且整个受力结构强度较高,安全性能较好。
[实用新型]
一种用于浸涉工艺的浸渗铁笼
申请号:
201721638113.X
状态:
有权
申请日:
2017-11-28
申请人:
武汉科技大学
发明人:
王辉、吴广川
公开日:
2018-06-05
代理机构:
北京力量专利代理事务所(特殊普通合伙)11504
主分类号:
B22D17/20(2006.01)I
我要购买
摘要:
本实用新型提供一种用于浸涉工艺的浸渗铁笼,包括第一矩形框架、第二矩形框架、设置在第一矩形框架和二矩形框架之间的第三矩形框架和第四矩形框架、设置在上述部件下方的底部矩形框架、设置在第一矩形框架上的第一可活动矩形框架、设置在第二矩形框架上的第二可活动矩形框架;所述第三矩形框架上设置有第三可活动矩形框架,所述第四矩形框架上设置有第四可活动矩形框架。本实用新型提供的一种用于浸涉工艺的浸渗铁笼,解决了传统浸渗承装铁笼合页门很难被打开,而且打开时被固化的浸渗液固体被螺纹磨成了粉末,掉落到产品上形成污染,影响产品质量的问题。
[发明]
基于机器视觉的轴类零件尺寸图像采集装置
申请号:
201711208643.5
状态:
审中-实审
申请日:
2017-11-27
申请人:
武汉科技大学
发明人:
王兴东、王静仪、黄志久、孔建益、刘钊、刘源泂、刘怀广
公开日:
2018-05-11
代理机构:
武汉科皓知识产权代理事务所(特殊普通合伙)42222
主分类号:
G01B11/00(2006.01)I
我要购买
摘要:
本发明涉及一种基于机器视觉的轴类零件尺寸图像采集装置。其技术方案是:所述装置由安装架(1)、图像采集系统(2)、移动系统(3)和面光源(4)组成。所述图像采集系统(2)的远心镜头(13)与面阵CCD相机(12)连接,面阵CCD相机(12)通过固紧架(11)和升降架(10)固定在移动横梁(6)上。移动系统(3)的长夹具(17)和短夹具(20)通过各自的滑块活动地置于安装架(1)的第一导轨(7)和第二导轨(8)上;滚珠丝杠(16)与长夹具(17)的丝杠螺母(28)螺纹连接,滚珠丝杠(16)的另一端与伺服电机(14)轴连接。面光源(4)位于移动系统(3)的下方。本发明具有结构紧凑、图像质量高和适应性强的特点,为后续的图像处理提供可靠依据。
[发明]
一种弥散型透气耐火材料及其制备方法
申请号:
201711207669.8
状态:
审中-实审
申请日:
2017-11-27
申请人:
武汉科技大学
发明人:
张美杰、黎俊、顾华志、程常桂、黄奥、付绿平
公开日:
2018-04-06
代理机构:
武汉科皓知识产权代理事务所(特殊普通合伙)42222
主分类号:
C04B35/101(2006.01)I
我要购买
摘要:
本发明涉及一种弥散型透气耐火材料及其制备方法。其技术方案是:所述透气耐火材料的原料由骨料和基质组成;以60~75wt%的板状刚玉颗粒和2~10wt%的混合颗粒为骨料,以10~25wt%的白刚玉细粉、5~10wt%的煅烧氧化铝微粉、3~10wt%的结合剂和1~3wt%的硅微粉为基质。按上述混含量:先将占原料0.1~0.3wt%的减水剂与硅微粉混合,再与其余基质混合,搅拌,然后与骨料混合,搅拌,最后加入占原料5~10wt%的水,搅拌,浇注成型,养护,干燥;在1400~1600℃条件下保温3~4h,制得弥散型透气耐火材料。本发明工艺简单、成本低、生产效率高和对环境无污染,所制制品透气性良好、气孔孔径小、气孔分布均匀、烧成线变化率低、强度高和除杂效果显著。
[发明]
一种液压直驱式减摇鳍转鳍装置
申请号:
201711220092.4
状态:
审中-实审
申请日:
2017-11-27
申请人:
武汉科技大学
发明人:
谢良喜、罗刚、吴攀峰
公开日:
2018-10-23
代理机构:
重庆市信立达专利代理事务所(普通合伙)50230
主分类号:
B63B39/06(2006.01)I
我要购买
摘要:
一种液压直驱式减摇鳍转鳍装置,结构包括:挡块(4)、带叶片的定子(5)、鳍轴叶片(6)、端面密封(7)、端盖(8)。所述鳍轴叶片数量通常为2‑4只,沿圆周方向均匀分布安装在鳍轴(2)上,用以承受油压并向鳍轴及与之固定连接的鳍翼(1)输出转矩;所述带叶片的定子上也沿圆周方向均匀分布数量相等的叶片,和所述端面密封一起,将油腔隔离成高压腔和低压腔;所述挡块安装在鳍座(3)上,用以平衡带叶片的定子所受到的转矩。液压力作用在鳍轴叶片上即可直接驱动鳍轴转动,解决了将转叶式液压装置的轴孔套接在鳍轴上导致的同轴度误差的问题。在液压力的作用下,可自动保证带叶片的定子与鳍轴之间的同轴度,避免加工及安装误差、重力、磨损、振动等因素造成带叶片的定子与鳍轴之间出现同轴度误差,提高了转鳍装置的传动及伺服控制精度。
[实用新型]
一种用于轴类零件尺寸的图像采集装置
申请号:
201721626187.1
状态:
有权
申请日:
2017-11-27
申请人:
武汉科技大学
发明人:
王兴东、王静仪、黄志久、孔建益、刘钊、刘源泂、刘怀广
公开日:
2018-08-07
代理机构:
武汉科皓知识产权代理事务所(特殊普通合伙)42222
主分类号:
G01B11/00(2006.01)I
我要购买
摘要:
一种用于轴类零件尺寸的图像采集装置。其技术方案是:所述装置由安装架(1)、图像采集系统(2)、移动系统(3)和面光源(4)组成。所述图像采集系统(2)的远心镜头(13)与面阵CCD相机(12)连接,面阵CCD相机(12)通过固紧架(11)和升降架(10)固定在移动横梁(6)上。移动系统(3)的长夹具(17)和短夹具(20)通过各自的滑块活动地置于安装架(1)的第一导轨(7)和第二导轨(8)上;滚珠丝杠(16)与长夹具(17)的丝杠螺母(28)螺纹连接,滚珠丝杠(16)的另一端与伺服电机(14)轴连接。面光源(4)位于移动系统(3)的下方。本实用新型具有结构紧凑、图像质量高和适应性强的特点,为后续的图像处理提供可靠依据。
[发明]
一种基于大数据的android应用权限聚类与群体特征分析方法
申请号:
201711188454.6
状态:
审中-实审
申请日:
2017-11-24
申请人:
武汉科技大学
发明人:
李涛、肖智婕
公开日:
2018-05-04
代理机构:
湖北武汉永嘉专利代理有限公司42102
主分类号:
G06K9/62(2006.01)I
我要购买
摘要:
本发明公开了一种基于大数据的android应用权限聚类与群体特征分析方法,包括以下步骤:1)构建APP样本库;2)利用权限提取和分离工具,对所有采集到的APP进行权限的提取与分离;3)获取权限特征集合;4)静态统计分析;5)每一个类型的APP聚类;6)隐私特征挖掘。本发明的结果可以用于验证当前应用市场中存在的多种类型应用软件,通过分类器对同种类的Android应用进行动态的评分排名,为用户进行应用软件下载提供参考和推荐。
[发明]
光纤光栅三维力觉探针及制造方法
申请号:
201711179323.1
状态:
审中-实审
申请日:
2017-11-23
申请人:
武汉科技大学
发明人:
熊丽、郭永兴、蒋国璋、孔建益
公开日:
2018-03-30
代理机构:
深圳市创富知识产权代理有限公司44367
主分类号:
G01L1/24(2006.01)I
我要购买
摘要:
本发明属于光纤光栅探针设计领域,提供了一种光纤光栅三维力觉探针及制造方法,该光纤光栅三维力觉探针的光纤光栅位置设置合理,探针对力觉的测量的灵敏度和精度均极大提高。其中,多个光纤光栅融入分布在探针主体和手柄中,与探针主体和手柄成一体结构,可有效避免探针消毒过程中,因材料性能发生变化造成的粘接失效、力传递率降低等问题。另外,多个光纤光栅分布形成不同的测量单元对探针的三个维面的力觉进行测量,各个测量单元中的光纤光栅的波长漂移量形成差值输出,有效提高探针对力觉的测量的灵敏度和精度。
[实用新型]
一种多功能组合式计算机机箱
申请号:
201721581552.1
状态:
有权
申请日:
2017-11-23
申请人:
武汉科技大学
发明人:
郭宏、何泽鹏、廖庆涵
公开日:
2018-02-16
代理机构:
武汉维创品智专利代理事务所(特殊普通合伙)42239
主分类号:
G06F1/18(2006.01)I
我要购买
摘要:
本实用新型公开了一种多功能组合式计算机机箱,包括机箱主体,所述机箱主体相对的两侧上分别安装有机箱前面板和机箱后背板,所述机箱后背板上固定安装有散热风机,所述机箱主体的两侧设置有多个散热通槽,所述机箱主体的底部安装有底座,所述机箱主体由上部组合抽屉、中部组合抽屉和下部组合抽屉组合而成。本实用新型结构简单,使用方便,可对计算机机箱内置电子元件设备分隔设置,降低机箱内设备之间的相互影响,且便于对机箱内故障设备针对性维修,避免维修时机箱整体拆卸,有效提高了计算机机箱对内置设备的保护性能和实用性能;以及通过分隔、部分针对性散热,有效提高了机箱的散热性能。
[实用新型]
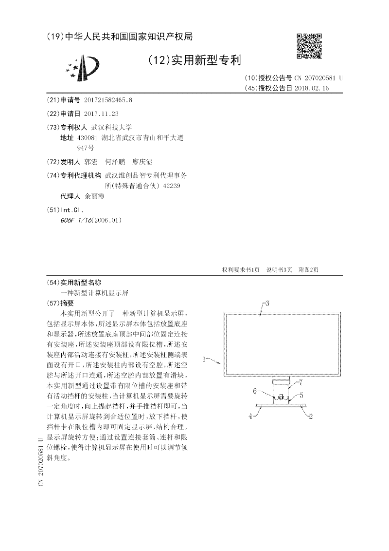
一种新型计算机显示屏
申请号:
201721582465.8
状态:
有权
申请日:
2017-11-23
申请人:
武汉科技大学
发明人:
郭宏、何泽鹏、廖庆涵
公开日:
2018-02-16
代理机构:
武汉维创品智专利代理事务所(特殊普通合伙)42239
主分类号:
G06F1/16(2006.01)I
我要购买
摘要:
本实用新型公开了一种新型计算机显示屏,包括显示屏本体,所述显示屏本体包括放置底座和显示器,所述放置底座顶部中间部位固定连接有安装座,所述安装座顶部设有限位槽,所述安装座内部活动连接有安装柱,所述安装柱侧端表面设有开口,所述安装柱内部设有空腔,所述空腔与所述开口连通,所述空腔内部放置有滑块,本实用新型通过设置带有限位槽的安装座和带有活动挡杆的安装柱,当计算机显示屏需要旋转一定角度时,向上提起挡杆,并手推挡杆即可,当计算机显示屏旋转到合适位置时,放下挡杆,使挡杆卡在限位槽内即可固定显示屏,结构合理,显示屏旋转方便;通过设置连接套筒、连杆和限位螺栓,使得计算机显示屏在使用时可以调节倾斜角度。
[实用新型]
具有排除路基路面内部积水功能的混凝土排水管结构
申请号:
201721574399.X
状态:
有权
申请日:
2017-11-22
申请人:
武汉科技大学
发明人:
徐文康、朱红兵、徐佩
公开日:
2018-07-10
代理机构:
武汉科皓知识产权代理事务所(特殊普通合伙)42222
主分类号:
E01F5/00(2006.01)I
我要购买
摘要:
本实用新型提供一种具有排除路基路面内部积水功能的混凝土排水管结构。该结构包括反滤层、排水管、浮力控制阀;路基下面铺反滤层,反滤层下面铺排水管,排水管为普通混凝土排水管,反滤层为由下至上分别填入由粗到细的砂石材料,排水管靠近反滤层的管壁处预埋浮力控制阀,浮力控制阀调控积水是否能进入排水管。该排水管结构在具有普通排水管的疏水功能时,通过反滤层与浮力控制阀的渗水作用能有效排除路基路路面内部积水,同时在管道满流的情况下通过浮力控制阀能有效避免排水管内雨水反渗入路基中。
[发明]
一种焦炭在铁水中溶解能力的测定与评价方法
申请号:
201711175743.2
状态:
审中-实审
申请日:
2017-11-22
申请人:
武汉科技大学
发明人:
徐润生、王炜、薛正良
公开日:
2018-06-01
代理机构:
北京轻创知识产权代理有限公司11212
主分类号:
G01N33/00(2006.01)I
我要购买
摘要:
本发明属于高炉炼铁技术领域,具体涉及一种焦炭在铁水中溶解能力的测定与评价方法。该方法包括以下步骤:1)获取若干空心柱状焦炭;2)空心柱状焦炭进行高温炭化,获取炭化后的焦炭样品;3)以熔融铁水溶解焦炭样品,并测定不同溶解时间下熔融铁水中的碳含量,获取不同测定时间的熔融铁水碳含量;4)根据步骤3)得到的不同测定时间的熔融铁水碳含量绘制熔融铁水碳含量‑溶解时间的散点图,获得焦炭溶解曲线,对焦炭溶解曲线进行分析,确定焦炭溶解转化率为80%时对应的时间,即得焦炭溶解能力指数t
80
。该方法能够真实模拟高炉内部的焦炭的工作环境和溶解行为,操作简单,评价结果直观。
[发明]
一种大型数据中心的服务器机架
申请号:
201711156023.1
状态:
有权
申请日:
2017-11-20
申请人:
武汉科技大学
发明人:
柯鹏
公开日:
2018-02-23
代理机构:
芜湖思诚知识产权代理有限公司34138
主分类号:
H05K7/14(2006.01)I
我要购买
摘要:
本发明公开了一种大型数据中心的服务器机架,涉及大数据技术领域,包括机柜和若干个托架,托架左右两侧的内壁上设有滑道,滑道的前端设有延伸段,延伸段处设有钩状凹槽,机柜上还设有一横向导杆并位于托架的后方,横向导杆上滑动连接有一拉环,拉环上连接有引线环,引线环上连接有束线结构,束线结构上连接有一拉绳,所述拉环和机柜上还设置了由接触头、动触片、静触片、移动电源及无线信号发射器组成的报警机构,本发明可以实现服务器单元的90度旋转,便于接线和维护,本发明的横向导杆、拉环、引线环以及复位弹簧等装置,能够将每个服务器单元的通信线束进行规范化地整理,同时还具有报警功能。
[发明]
一种混合云中基于属性加密的连接关键词检索方法
申请号:
201711157180.4
状态:
审中-实审
申请日:
2017-11-20
申请人:
武汉科技大学
发明人:
何亨、张继、郑良汉、李鹏、陈享
公开日:
2018-04-20
代理机构:
武汉宇晨专利事务所42001
主分类号:
H04L29/06(2006.01)I
我要购买
摘要:
本发明公开了一种混合云中基于属性加密的连接关键词检索方法,包括以下步骤:注册步骤;初始化步骤;生成关键词索引步骤;授权文件检索方步骤;生成搜索陷门步骤;检索并返回结果步骤;本发明实现了混合云中密文环境下的连接关键词检索,保障了用户隐私信息,并且将大量计算任务转移到私有云,使得本系统适用于资源受限的移动设备。
[发明]
一种具有自密封功能的直线油缸
申请号:
201711160877.7
状态:
审中-实审
申请日:
2017-11-20
申请人:
武汉科技大学
发明人:
加闯、谢良喜、罗刚、李昭、罗中正
公开日:
2018-04-20
代理机构:
武汉科皓知识产权代理事务所(特殊普通合伙)42222
主分类号:
F15B15/14(2006.01)I
我要购买
摘要:
本发明公开了一种具有自密封功能的直线油缸,包括缸体以及设于缸体内的活塞和活塞杆,所述活塞上设有两道环形凹槽,两个环形凹槽内设有两个环形密封圈,通过环形密封圈将活塞两侧的缸体分为高压区和低压区,所述环形密封圈为内侧环形开口的中空结构,环形密封圈的内侧环形开口与环形凹槽底面之间形成一个密闭空间,活塞两端分别设有一个与其相应端密闭空间相通的连通孔。本发明特有的环形密封圈结构,通过活塞上的两个连通孔将腔体内的液压油导入环形密封圈内,形成和缸体内的油压相互平衡的状态,通过这种结构,可以让缸体内部承受更高的油压而不至于发生内泄。对于提升缸体的密封性能起着重要的作用。
首页
上一页
181
182
183
184
185
186
187
188
189
190
下一页
尾页
当前共找到
8115
个专利记录
,当前显示页码
185/406