首页
专利查询
专利购买
专利转让
专利申请
15071489439
当前位置:
专利巴士
专利查询
专利名称
查询
高级查询
当前共找到
8115
个专利记录
,当前显示页码
191/406
专利名称
申请号
申请人
发明人
专利代办机构
[实用新型]
一种矿井水仓自动排水装置
申请号:
201721333883.3
状态:
有权
申请日:
2017-10-17
申请人:
武汉科技大学
发明人:
夏哲远、罗文博、刘思恩、熊康弘
公开日:
2018-07-10
代理机构:
武汉科皓知识产权代理事务所(特殊普通合伙)42222
主分类号:
F04B49/06(2006.01)I
我要购买
摘要:
本实用新型为一种矿井水仓自动排水装置,解决现有矿井水仓排水由人工操作的弊端。该装置包括电源单元、控制单元、水泵和检测单元,且电源单元、控制单元和水泵依次连接构成电回路,其中,控制单元固定于水房仓的墙壁上,经由上、下接线柱、一端涂有绝缘物质的金属杆组成一个类似开关结构;检测单元由绳子和浮球构成,检测水仓水位。根据绳子上是否有拉力,闭合或者断开电路,控制水泵的工作。该装置安装方便,易拆卸,经久耐用;实现了无人操作,省去了安排专职排水人员的麻烦,减少了采矿场的开支;实现了间歇性排水,大大减轻了水泵的使用量,提高设备的使用寿命,起到了很好的节能降耗的效果。
[发明]
一种能显示筛余量的振筛机及度量颗粒破碎的方法
申请号:
201710967325.0
状态:
审中-实审
申请日:
2017-10-17
申请人:
武汉科技大学
发明人:
毛炎炎、陈彦瑞、雷学文、张浪、李勇
公开日:
2018-02-27
代理机构:
武汉开元知识产权代理有限公司42104
主分类号:
B07B1/42(2006.01)I
我要购买
摘要:
本发明公开了一种能显示筛余量的振筛机及度量颗粒破碎的方法。它包括筛具和振动装置,所述筛具包括多个振动筛和固定架,所述固定架将多个振动筛固定于振动装置顶部,多个振动筛根据筛孔孔径依次递减的方式从上到下叠层布置,所述振动筛包括筛网、筛壁和卡箍,还包括称量系统,所述称量系统包括测量电路和显示屏,所述筛壁为双层结构,所述测量电路设置在筛壁的夹层内,所述显示屏安装在筛壁表面,所述测量电路输出端与输入端显示屏电连接。本发明提供一种自带称量功能的振筛机,筛分完后可以直接得出筛余量,大大缩减了试验工作量,并减小试验误差;同时本发明采用面积法来衡量颗粒破碎的大小更准确,求解方法更简单实用。
[发明]
一种伸缩液压缸
申请号:
201710965961.X
状态:
有权
申请日:
2017-10-17
申请人:
武汉科技大学
发明人:
郑华生、朱学彪、崔刚、李扬
公开日:
2018-04-20
代理机构:
北京众达德权知识产权代理有限公司11570
主分类号:
F15B15/16(2006.01)I
我要购买
摘要:
本发明公开了一种伸缩液压缸,属于液压缸技术领域。所述伸缩液压缸包括:至少三个相互套接的缸体;固定活塞杆依次穿过至少三个相互套接的缸体;至少三个活塞设置在固定活塞杆上,至少三个活塞设置在至少三个相互套接的缸体内;其中,固定活塞杆上开设有至少六个输油通道,至少六个输油通道的第一输送通道与至少三个活塞中的第一活塞的第一侧连通,至少六个输油通道的第二输送通道与至少三个活塞中的第一活塞的第二侧连通。本发明伸缩液压缸可以实现五档以上位置的控制。
[发明]
一种液压千斤顶
申请号:
201710962470.X
状态:
审中-实审
申请日:
2017-10-17
申请人:
武汉科技大学
发明人:
郑华生、朱学彪、崔刚、李扬
公开日:
2018-04-27
代理机构:
北京众达德权知识产权代理有限公司11570
主分类号:
B66F3/26(2006.01)I
我要购买
摘要:
本发明公开了一种液压千斤顶,属于起重设备技术领域。所述液压千斤顶包括:油箱;第一输送装置第一端与油箱连通,第二端与副液压缸的无杆腔连通;下压装置活动设置在副液压缸内;回复装置设置在副液压缸内,回复装置设置在下压装置与副液压缸第一端之间;第二输送装置第一端与副液压缸的无杆腔连通,第二端与主液压缸的无杆腔连通;第三输送装置第一端与主液压缸的无杆腔连通,第二端与油箱连通;活塞杆第一端设置在油箱内,第二端活动设置在主液压缸内;活塞设置在活塞杆的第二端。本发明液压千斤顶可以使液压缸缸筒实现伸缩,提高千斤顶的输出力,而且还能节省空间,使千斤顶的起重高度增加。
[发明]
基于局部不相关约束的带钢表面缺陷图像分类方法
申请号:
201710956407.5
状态:
有权
申请日:
2017-10-16
申请人:
武汉科技大学
发明人:
李波、王翔宇、彭永康、张晓龙
公开日:
2018-03-09
代理机构:
武汉科皓知识产权代理事务所(特殊普通合伙)42222
主分类号:
G06K9/62(2006.01)I
我要购买
摘要:
本发明涉及一种基于局部不相关约束的带钢表面缺陷图像分类方法。其技术方案是:对于一幅带钢表面缺陷图像预处理后的向量数据点X
i
分别从所有幅带钢表面缺陷图像预处理后的向量数据点构成矩阵数据X中寻找与一幅带钢表面缺陷图像预处理后的向量数据点X
i
类别相同的2个近邻点建立同类局部近邻特征线L
W
(X
i
)和类别不同的2个近邻点建立异类局部近邻特征线L
B
(X
i
),然后计算局部同类散度矩阵S
LW
和局部异类散度矩阵S
LB
,构建局部边距S
M
,建立与局部同类散度矩阵S
LW
不相关约束,寻找正交和局部不相关的特征子空间,实现局部边距S
M
的最大化。本发明通过抽取带钢表面缺陷图像的判别特征并分类,具有带钢表面缺陷图像分类效果好的特点。
[发明]
铝电解槽侧壁用熔铸镍镁铁复合尖晶石砖及其制备方法
申请号:
201710960601.0
状态:
审中-实审
申请日:
2017-10-16
申请人:
武汉科技大学
发明人:
徐义彪、李亚伟、桑绍柏、王庆虎
公开日:
2018-01-23
代理机构:
武汉科皓知识产权代理事务所(特殊普通合伙)42222
主分类号:
C04B35/26(2006.01)I
我要购买
摘要:
本发明涉及一种铝电解槽侧壁用熔铸镍镁铁复合尖晶石砖及其制备方法。其技术方案是:以75~87wt%的氧化铁粉、7~16wt%的氧化镁粉和6~12wt%的氧化镍粉为原料,外加所述原料1.0~3.0wt%的氧化铜粉和0.5~2.0wt%的氧化钴粉,搅拌均匀,置入电弧炉内,在1830~1870℃保温60~80分钟,在2130~2170℃保温25~35分钟;再吹氧两次,两次吹氧的时间间隔为20~30分钟,所述吹氧是在4.0~6.0个大气压下保持2.0~4.0分钟;待炉温降至1850~1890℃时浇注,补浇,浇铸与补浇的时间间隔为6~14分钟;然后在隧道窑内退火7~12天,于35~75℃出窑,即得铝电解槽侧壁用熔铸镍镁铁复合尖晶石砖。本发明所制制品显气孔率低、抗氧化性能好、抗电解质渗透优异和抗侵蚀性能优良。
[发明]
狭缝式钢包透气砖
申请号:
201710951968.6
状态:
审中-实审
申请日:
2017-10-13
申请人:
武汉科技大学
发明人:
贺铸、谭方关、潘丽萍、李亚伟、金胜利
公开日:
2018-03-02
代理机构:
武汉华旭知识产权事务所42214
主分类号:
B22D41/02(2006.01)I
我要购买
摘要:
本发明提供了一种狭缝式钢包透气砖,包括圆台形本体,所述本体内部设有狭缝群,所述狭缝群由以本体轴线为中心成环形阵列分布的狭缝组成,所述狭缝群的环数为2~3圈,所述狭缝群每圈的狭缝数目为6~20条,各狭缝为贯穿本体上下底面的通孔,其横切面为椭圆形或者倒角矩形。本发明提供的一种狭缝式钢包透气砖能够均匀透气砖的热应力分布、减少狭缝处的热应力集中现象,从而减少裂纹的产生和扩展甚至是断裂,增强透气砖的热机械性能,延长透气砖的使用寿命。
[发明]
一种N‑乙酰‑D‑葡糖胺综合利用的方法
申请号:
201710953786.2
状态:
审中-实审
申请日:
2017-10-13
申请人:
武汉科技大学
发明人:
龚志伟、唐谋、赵觅、刘义
公开日:
2018-04-20
代理机构:
北京科家知识产权代理事务所(普通合伙)11427
主分类号:
C12P7/64(2006.01)I
我要购买
摘要:
本发明适用于甲壳素资源转化利用技术领域,提供一种N‑乙酰‑D‑葡糖胺综合利用的方法,具体的,配制含40~160g/L N‑乙酰‑D‑葡糖胺的水溶液,加入一定量的产油酵母种子液,酵母能够将原料中的乙酰基团和糖骨架主要导向微生物油脂生产,发酵液固液分离后,沉淀物用于提取油脂,上清液中继续加入磷酸镁盐与铵根离子反应,合成磷酸镁铵。本方法可以有效避免N‑乙酰‑D‑葡糖胺常规油脂发酵过程中,由于氮源丰富导致的油脂产量低、油脂得率低、高含氮废水排放的突出问题,显著提高油脂产量和得率,充分利用甲壳素资源,从产油微生物菌体提取的微生物油脂可作为制备生物柴油和油脂化工产品的原料,合成的磷酸镁铵可作为高品质缓释肥。
[发明]
一种大压下高扩孔率热轧贝氏体双相钢及其制备方法
申请号:
201710954092.0
状态:
有权
申请日:
2017-10-13
申请人:
武汉科技大学
发明人:
吴腾、吴润、柯德庆、宋新莉
公开日:
2018-02-23
代理机构:
武汉科皓知识产权代理事务所(特殊普通合伙)42222
主分类号:
C22C38/04(2006.01)I
我要购买
摘要:
本发明涉及一种大压下高扩孔率热轧贝氏体双相钢及其制备方法。其技术方案是,所述大压下高扩孔率热轧贝氏体双相钢的化学组分是:C为0.05~0.09wt%,Si为0.10~0.50wt%,Mn为1.40~1.80wt%,Al为0.03~0.06wt%,Nb为0.03~0.05wt%,P≤0.020wt%,S≤0.005wt%,N≤0.006wt%,余量为Fe及不可避免的杂质。按所述化学组分冶炼,精炼,铸造或连铸成坯,再置入加热炉,入炉温度为800~1000℃,加热至1180~1250℃,保温40~80min。前三个道次进行大压下,压下率为40~60%,终轧温度为840~900℃。分段连续层流冷却和卷取,自然冷却至室温。本发明工艺简单和生产成本低;所制备的热轧贝氏体双相钢强塑性匹配良好、焊接性能优异和延伸凸缘性能优良。
[发明]
一种微观交通半物理仿真工具
申请号:
201710954325.7
状态:
审中-实审
申请日:
2017-10-13
申请人:
武汉科技大学
发明人:
卢颖、张秀玲、王洁鑫、闪顺章
公开日:
2018-03-20
代理机构:
北京轻创知识产权代理有限公司11212
主分类号:
G05B17/02(2006.01)I
我要购买
摘要:
本发明公开了一种微观交通半物理仿真工具,包括:信号机通信模块、信息处理模块和仿真软件通信模块,信号机通信模块用于与交通信号机进行第一通信;信息处理模块包括:信号机状态线程,用于将信号机通信模块获取的信号状态信息发送给仿真软件通信模块;探测器线程,用于将仿真软件通信模块获取的车辆探测器状态信息发送给信号机通信模块;其中,信号机状态线程与探测器线程同步运行;仿真软件通信模块用于与交通流仿真软件进行第二通信。本发明的有益效果是:本技术方案可以为信号机的生产厂家、交管部门、以及科研单位提供一个很好的测试、实验平台。
[实用新型]
一种狭缝式钢包透气砖
申请号:
201721319037.6
状态:
有权
申请日:
2017-10-13
申请人:
武汉科技大学
发明人:
贺铸、谭方关、潘丽萍、李亚伟、金胜利
公开日:
2018-09-21
代理机构:
武汉华旭知识产权事务所42214
主分类号:
B22D41/02(2006.01)I
我要购买
摘要:
本实用新型提供了一种狭缝式钢包透气砖,包括圆台形本体,所述本体内部设有狭缝群,所述狭缝群由以本体轴线为中心成环形阵列分布的狭缝组成,各狭缝为贯穿本体上下底面的通孔,其横切面为椭圆形或者倒角矩形。本实用新型提供的一种狭缝式钢包透气砖能够均匀透气砖的热应力分布、减少狭缝处的热应力集中现象,从而减少裂纹的产生和扩展甚至是断裂,增强透气砖的热机械性能,延长透气砖的使用寿命。
[实用新型]
一种直通圆孔式钢包透气砖
申请号:
201721319036.1
状态:
有权
申请日:
2017-10-13
申请人:
武汉科技大学
发明人:
李亚伟、吴畏虎、贺铸、谭方关、潘丽萍
公开日:
2018-06-19
代理机构:
武汉华旭知识产权事务所42214
主分类号:
B22D41/02(2006.01)I
我要购买
摘要:
本实用新型提供了一种直通圆孔式钢包透气砖,包括圆台形本体,所述本体内部设有贯穿本体工作面和底面的直通圆孔,所述本体的工作面和底面均设有无直通圆孔区域,工作面的无直通圆孔区域为以工作面中心为圆心、不大于工作面直径的7/30为直径的圆形区域,底面的无直通圆孔区域为以底面中心为圆心、不大于底面直径的7/30为直径的圆形区域。本实用新型提供的直通圆孔式钢包透气砖能够减少透气砖批量生产的工艺流程,提高透气砖的浇注效率,均匀透气砖热应力分布、减少热应力集中现象,从而减少裂纹的产生,对裂纹的扩展增加阻力,增强透气砖的热机械性能,延长透气砖的使用寿命。
[实用新型]
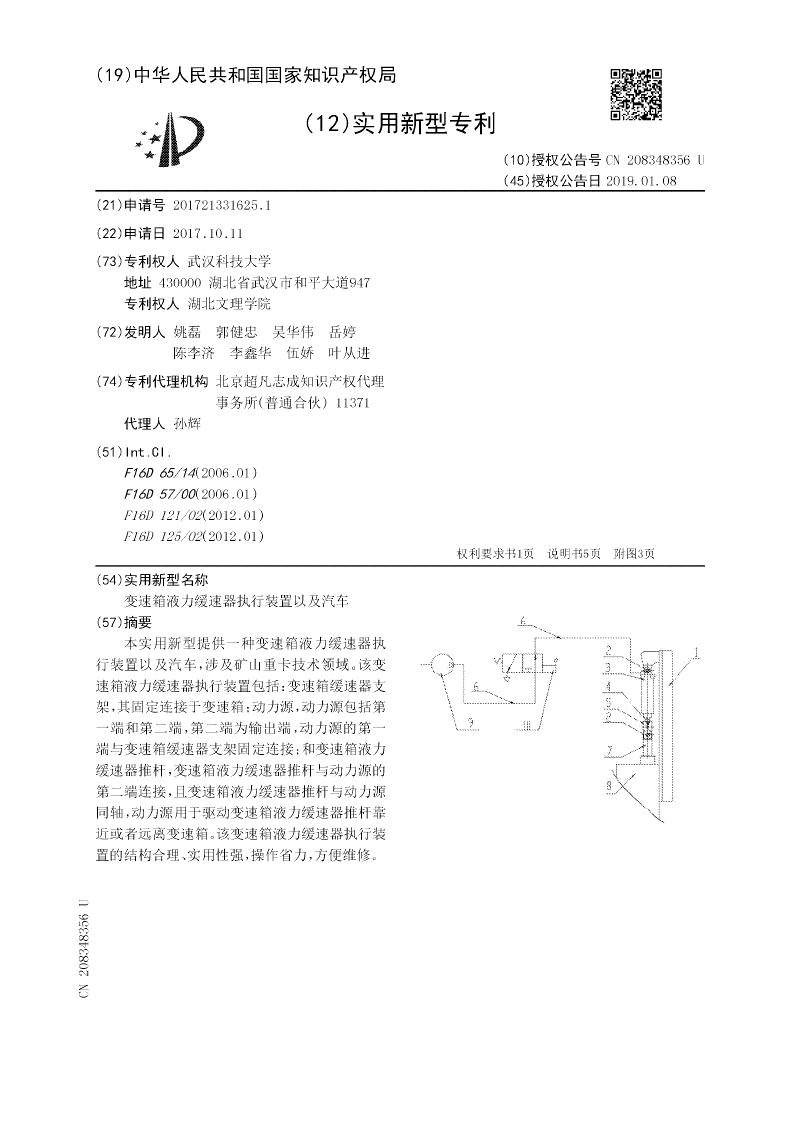
变速箱液力缓速器执行装置以及汽车
申请号:
201721331625.1
状态:
有权
申请日:
2017-10-11
申请人:
武汉科技大学、湖北文理学院
发明人:
姚磊、郭健忠、吴华伟、岳婷、陈李济、李鑫华、伍娇、叶从进
公开日:
2019-01-08
代理机构:
北京超凡志成知识产权代理事务所(普通合伙)11371
主分类号:
F16D65/14(2006.01)I
我要购买
摘要:
本实用新型提供一种变速箱液力缓速器执行装置以及汽车,涉及矿山重卡技术领域。该变速箱液力缓速器执行装置包括:变速箱缓速器支架,其固定连接于变速箱;动力源,动力源包括第一端和第二端,第二端为输出端,动力源的第一端与变速箱缓速器支架固定连接;和变速箱液力缓速器推杆,变速箱液力缓速器推杆与动力源的第二端连接,且变速箱液力缓速器推杆与动力源同轴,动力源用于驱动变速箱液力缓速器推杆靠近或者远离变速箱。该变速箱液力缓速器执行装置的结构合理、实用性强,操作省力,方便维修。
[发明]
基于BIM的塔吊防碰撞系统及安防系统
申请号:
201710941868.5
状态:
有权
申请日:
2017-10-11
申请人:
武汉科技大学
发明人:
张雄、唐红、张美霞、岳婵、张绪庆、朱典、欧阳健、杨玉婳
公开日:
2018-04-06
代理机构:
北京众达德权知识产权代理有限公司11570
主分类号:
B66C23/88(2006.01)I
我要购买
摘要:
本发明公开一种基于BIM的塔吊防碰撞系统,包括监控终端,设置在监控指挥中心;若干个全景摄像装置,与所述监控终端进行信息交互,且每一个所述全景摄像装置对应安装在目标建筑物附近的一个塔吊上,对所述目标建筑物的进行全景摄像;其中,所述塔吊的驾驶舱设置有至少如下单元:塔吊通信单元,与所述监控终端进行信息交互,用于将所述塔吊的运动位置信息、拍摄的照片和相应的身份识别信息传输至所述监控终端;信息标识单元,用于存储所述塔吊的型号参数信息;无线定位单元,用于获取所述塔吊的塔尖、横梁、以及吊钩的位置信息;警告提示单元,用于将所述塔吊通信单元接收到的报警提示信息播放给塔吊司机,警示塔吊司机人员采取相应的措施。
[发明]
一种基于BIM的火灾预防及安全疏散系统
申请号:
201710941384.0
状态:
审中-实审
申请日:
2017-10-11
申请人:
武汉科技大学
发明人:
张雄、唐红、张美霞、岳婵、张绪庆、朱典、欧阳健、杨玉婳
公开日:
2018-05-01
代理机构:
北京众达德权知识产权代理有限公司11570
主分类号:
G08B17/06(2006.01)I
我要购买
摘要:
本发明公开一种基于BIM的火灾预防及安全疏散系统,包括监控终端,设置在监控指挥中心;多个温度感应器,用于对所述目标建筑物中的材质的温度进行感应,当温度超过安全温度阈值时,发出温度警告信息;烟尘感应器,用于对烟尘浓度进行感应,当浓度超过安全浓度阈值时,发出烟尘警告信息;RFID定位装置,分别与所述温度感应器、所述烟尘感应器、监控指挥中心进行信息通讯,以将所述温度警告信息、所述烟尘警告信息以及所获取的火源位置同步到所述监控指挥中心,并通过BIM模型时显示所述火源的位置。通过本发明在事故发生后能够提供准确的危险源位置信息,积极快速进行预防和开展安全疏散营救,提高建筑物安全运行的管理水平。
[发明]
用于PC楼梯与楼梯平台的辅助连接方法、装置及楼梯设备
申请号:
201710941403.X
状态:
审中-实审
申请日:
2017-10-11
申请人:
武汉科技大学
发明人:
许鹏、万胜武、陈胜博、邢国伟
公开日:
2018-03-30
代理机构:
北京众达德权知识产权代理有限公司11570
主分类号:
E04F11/02(2006.01)I
我要购买
摘要:
本发明公开一种用于PC楼梯与楼梯平台的辅助连接方法、装置及楼梯设备,属于建筑工程领域,该方法包括:将目标楼梯进行预处理;对经过预处理后的所述目标楼梯喷涂胶黏剂聚苯;将PC楼梯在所述目标楼梯上进行吊装安放;在所述PC楼梯和所述目标楼梯的衔接部位处采用聚苯灌缝;在所述PC楼梯和所述目标楼梯的衔接部位处进行PE棒注胶封缝。本发明提供的方法能保证PC楼梯与楼梯平台的有效搭接长度,使两者连接更加可靠,稳定性和安全性得到显著提升。
[发明]
一种Fe掺杂BiCuSeO热电材料及其制备方法
申请号:
201710930222.7
状态:
审中-实审
申请日:
2017-10-09
申请人:
武汉科技大学
发明人:
樊希安、冯波、江程鹏、李光强、贺铸、李亚伟
公开日:
2018-01-30
代理机构:
武汉科皓知识产权代理事务所(特殊普通合伙)42222
主分类号:
H01L35/16(2006.01)I
我要购买
摘要:
本发明涉及一种Fe掺杂BiCuSeO热电材料及其制备方法。其技术方案是:按照氧化铋粉∶铜粉∶硒粉∶铋粉∶铁粉的物质的量之比为1∶3∶3∶(1‑3y)∶3y配料,0.01≤3y=x≤0.08,混匀,装入球磨罐中,在惰性气氛条件下球磨,制得单相FexBi1‑xCuSeO粉末,0.01≤x≤0.08。将所述单相FexBi1‑xCuSeO粉末装入模具,置于等离子体活化烧结炉内,同时匀速升温至500~700℃和匀速升压至30~100MPa,同时保温和保压,再同时匀速降温至常温和匀速降压至常压。取出烧结后的模具,脱模,即得Fe掺杂BiCuSeO热电材料。本发明工艺简单、生产周期短和生产效率高,所制备的制品纯度高、热导率低、电导率高、电传输性能好、功率因子高和无量纲热电优值ZT高。
[实用新型]
一种气液两相多级雾化喷嘴
申请号:
201721323171.3
状态:
无权-未缴年费
申请日:
2017-10-09
申请人:
武汉科技大学
发明人:
闫明远、高宗林
公开日:
2018-06-05
代理机构:
武汉开元知识产权代理有限公司42104
主分类号:
B05B7/04(2006.01)I
我要购买
摘要:
本实用新型属于雾化装置技术领域,具体指一种气液两相多级雾化喷嘴,包括设有内腔的喷嘴外壳,所述内腔呈圆柱形,所述喷嘴外壳的顶部和底部分别设有进气口和雾化喷口,其特殊之处在于,还包括同轴设置在内腔中的雾化芯和集气室。本实用新型所述气液两相多级雾化喷嘴含有三级雾化机制,且各级的雾化原理均不相同,可使液体的雾化更加充分;另外结构也较为简单,各组成部件的形状均较为规则,易于加工制造。
[实用新型]
一种改善圆管内环板焊接小车装置
申请号:
201721284709.4
状态:
有权
申请日:
2017-10-04
申请人:
武汉科技大学、中建钢构江苏有限公司
发明人:
李大壮、刘清泉、刘欢云、刘长永、高如国、殷健、范宇球
公开日:
2018-06-12
代理机构:
北京中济纬天专利代理有限公司11429
主分类号:
B23K37/00(2006.01)I
我要购买
摘要:
本实用新型涉及一种改善圆管内环板焊接小车装置,其特征在于,它包括主体框架(1),所述柱体框架(1)由宽度方向均匀布置的四根弯曲圆钢(1.1)和长度方向沿弯曲圆钢(1.1)均匀布置的五根直圆钢(1.2)组成,四根弯曲圆钢(1.1)和五根直圆钢(1.2)之间进行一圈角焊缝焊接,在最外侧的两根直圆钢(1.2)的四角部装设成品滚轮(2)。本实用新型即消除安全隐患,又实现了内环板环缝连续平焊,避免工人连续变换焊接姿态,保证焊接质量的同时,减少工人的劳动强大,大大的提高焊接效率,推广使用意义重大。
[实用新型]
一种塔式智能立体停车库主体模块化拼装连接结构
申请号:
201721284712.6
状态:
有权
申请日:
2017-10-04
申请人:
武汉科技大学、中建钢构江苏有限公司
发明人:
慈龙胜、刘清泉、罗琴丽、徐业明、张劲帆、张瑜、王康龙
公开日:
2018-06-26
代理机构:
北京中济纬天专利代理有限公司11429
主分类号:
E04B1/24(2006.01)I
我要购买
摘要:
本实用新型涉及一种塔式智能立体停车库主体模块化拼装连接结构,它主要由两片对称布置的框架构成,所述框架包括钢梁(1)、钢柱(2)、支撑(3)和导轨(4),所述钢梁(1)和钢柱(2)采用腹板与翼缘全螺栓链接,所述支撑(3)的两端通过连接板与钢梁(1)进行螺栓链接,所述导轨(4)通过焊接在钢梁(1)上的角钢采用螺栓链接,且竖直布置,两片框架通过钢梁(1)和支撑(3)进行连接,形成几何不变体系,同时在所述钢柱(2)的两端分别安装有与上下相邻主体模块拼接的节点(5)。本实用新型采用全螺栓连接,形成模块化的几何不变体系结构,施工效率高,安装速度快,质量可靠。
首页
上一页
191
192
193
194
195
196
197
198
199
200
下一页
尾页
当前共找到
8115
个专利记录
,当前显示页码
191/406