首页
专利查询
专利购买
专利转让
专利申请
15071489439
当前位置:
专利巴士
专利查询
专利名称
查询
高级查询
当前共找到
8115
个专利记录
,当前显示页码
21/406
专利名称
申请号
申请人
发明人
专利代办机构
[发明]
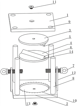
一种用于巴西劈裂试验的劈裂夹具装置及其使用方法
申请号:
202111051298.5
状态:
审中-实审
申请日:
2021-09-08
申请人:
武汉科技大学
发明人:
叶义成、黄洋、胡南燕、元宙昊
公开日:
代理机构:
主分类号:
G01N3/04(2006.01)
我要购买
摘要:
本发明公开了一种用于巴西劈裂试验的劈裂夹具装置及其使用方法,该劈裂夹具装置包括上承压板、下承压板、转盘、V形压条、紧固螺栓以及限位柱,其中,上承压板主要起承受传递荷载作用,紧固螺栓主要用于保证试验前试样的居中对齐,限位柱主要用于保证劈裂过程中上、下承压板的位置不发生相对错动,转盘和V形压条的组合可以实现沿任意角度对试样进行劈裂。本发明结构简单、操作方便、适用性广,能完成各向异性层状岩体的巴西劈裂试验的任意角度加载和沿着任意角度制作不同粗糙度岩石裂隙面。
[实用新型]
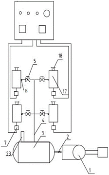
具有故障诊断功能的空气炮冷库除霜装置
申请号:
202122144662.4
状态:
有权
申请日:
2021-09-07
申请人:
武汉科技大学、百成机电工程技术(湖北)有限公司
发明人:
周传辉、何岩、胡学军、李兆青、刘锋、周广昌、马欢
公开日:
代理机构:
主分类号:
F25D21/06(2006.01)
我要购买
摘要:
本实用新型提供一种具有故障诊断功能的空气炮冷库除霜装置,包括空气炮本体;空气炮本体通过球阀连接充气泵;空气炮本体上设有压力感应器;空气炮本体通过连接管道和控制阀连接多个炮头的进气接口;炮头上设有喷吹管管口;炮头分别通过电磁阀和空气炮自动控制仪连接。本实用新型通过空气炮技术可以有效给冷库蒸发器除霜或防止蒸发器结霜,空气炮能够快速充气从而获得强有力的喷爆力达到除霜的优秀效果,后期维护保养十分简单无需润滑。
[发明]
一种低碳高强度耐海水腐蚀钢及其制造方法
申请号:
202111043571.X
状态:
审中-公开
申请日:
2021-09-07
申请人:
材谷金带(佛山)金属复合材料有限公司、武汉科技大学
发明人:
成林、周峰、吴开明
公开日:
代理机构:
主分类号:
C22C38/02(2006.01)
我要购买
摘要:
本发明提供一种低碳高强度耐海水腐蚀钢及其制造方法,由以下重量百分比的成分组成:C:0.02~0.05%,Si:0.10~0.30%,Mn:0.10~0.15%,Al:0.02~0.04%,Cr:1.00~1.50%,Ni:0.20~0.40%,Cu:0.30~0.50%,Zr+Ti:0.02~0.03%,Re:0.05~0.08%,P:≤0.015%,S:≤0.008%,其余为Fe及不可避免的杂质。采用TMCP工艺+正火的处理方式。本发明所制备的耐海水腐蚀低合金高强度钢的抗拉强度400~600MPa;断后伸长率≥30%;‑40℃低温韧性≥300,钢板力学综合性能优良,耐海水腐蚀性强。
[发明]
一种高碳铬轴承钢强磁场快速球化退火工艺
申请号:
202111042763.9
状态:
审中-实审
申请日:
2021-09-07
申请人:
材谷金带(佛山)金属复合材料有限公司、武汉科技大学
发明人:
张国宏、周峰、吴开明
公开日:
代理机构:
主分类号:
C21D1/32(2006.01)
我要购买
摘要:
本发明提供一种高碳铬轴承钢强磁场快速球化退火工艺,通过将高碳铬轴承钢置于强磁场热处理装置中,开始施加强度为8~12T的稳态强磁场,在该磁场下首先将高碳铬轴承钢加热到Ac1+(20~50)℃进行奥氏体化;然后冷却到Ar1‑(10~30)℃进行等温球化处理;等温处理后降磁场同时降温,磁场为零时出炉空冷。本发明所述强磁场快速球化退火工艺所耗时间为5~8h,只有传统球化退火工艺时间的50%以下,极大地缩短了球化退火时间,经处理后的组织基本消除了网状渗碳体,还可以减少先共析渗碳体的含量,避免晶界粗大的碳化物的形成,球化组织中碳化物的均匀性更好,球化组织更优,组织及力学性能均适合于后续的轴承零件加工成形。
[发明]
一种基于乌尔曼偶联反应制备吲唑并[3,2-b]喹唑-7(5H)-酮衍生物的方法
申请号:
202111043684.X
状态:
审中-实审
申请日:
2021-09-07
申请人:
武汉科技大学
发明人:
廖萌、蔡群、陈辉
公开日:
代理机构:
主分类号:
C07D487/04(2006.01)
我要购买
摘要:
本发明公开了一种基于乌尔曼偶联反应制备吲唑并[3,2‑b]喹唑‑7(5H)‑酮衍生物的方法,属于有机合成与药物技术领域。本发明以预制备的邻溴苯甲酰肼为底物原料,和邻溴苯甲酰胺在铜催化剂的作用下,加热发生乌尔曼偶联反应构建C‑N键,一锅法高效合成吲唑并[3,2‑b]喹唑‑7(5H)‑酮衍生物。本发明原料简单易得、反应体系操作简便、反应高效,为氮杂环化合物的制备提供了一种绿色环保,底物普适性广的合成新方法。
[发明]
一种耐高温磨损的高锰奥氏体钢板生产方法
申请号:
202111042824.1
状态:
审中-实审
申请日:
2021-09-07
申请人:
材谷金带(佛山)金属复合材料有限公司、武汉科技大学
发明人:
万响亮、周峰、吴开明
公开日:
代理机构:
主分类号:
C21D8/02(2006.01)
我要购买
摘要:
本发明提供一种耐高温磨损的高锰奥氏体钢板生产方法,包括以下步骤:S1)、对厚度为10mm的高锰钢热轧板在室温下进行冷轧,轧制道次不低于8道次,轧制至4.6~5.1mm厚度,1至4道次压下率控制在10~13%,5至8道次压下率控制在4~8%;S2)、进行高温退火,退火温度在559~641℃,并在此温度下保温29~35分钟,使形变马氏体组织通过逆转变为超细奥氏体结构;S3)、进行冷却,在冷却速度为3~24℃/s下冷却至室温;钢板的硬度在408~520HV0.5,屈服强度在747~1095MPa,抗拉强度在1028~1210MPa,延伸率在13~29%,且在100‑300℃条件下具有优异的耐磨性能。
[实用新型]
一种自动化生产线用物料传输装置
申请号:
202122155991.9
状态:
有权
申请日:
2021-09-07
申请人:
武汉科技大学
发明人:
欧晓锋
公开日:
代理机构:
主分类号:
B65G45/18(2006.01)
我要购买
摘要:
本实用新型公开了一种自动化生产线用物料传输装置,包括装置主体和支撑腿,所述装置主体的下方设置有八个支撑腿,且装置主体的两侧下方设置有安装块,并且安装块的一侧轴承连接有丝杆,所述丝杆的一端键连接电机,且丝杆的外围设置有移动块,并且移动块的上方设置有自动伸缩杆,所述装置主体的中间设置有固定杆,且固定杆的外围设置有电动滚轮,并且电动滚轮的外围设置有传送带,所述装置主体的中间设置有支撑块,且支撑块的中间穿过圆杆,并且圆杆的顶端安装有拨板。该自动化生产线用物料传输装置,在传输物品前后,工作人员调整自动伸缩杆的高度,当自动伸缩杆带动移动杆的下方贴合传输带时,传送带与毛刷互相接触完成清理工作。
[发明]
一种基于分子动力学的激光熔覆界面结合强度测量方法
申请号:
202111038579.7
状态:
审中-实审
申请日:
2021-09-06
申请人:
武汉科技大学、襄阳博亚精工装备股份有限公司
发明人:
王蕾、陈雅如、王瞳、刘玉波、刘翔、李文喜、夏绪辉、张欢、张泽琳、曹建华、严旭果、陈宝通
公开日:
代理机构:
主分类号:
G01N3/08(2006.01)
我要购买
摘要:
本发明属于激光熔覆评价技术领域,公开了一种基于分子动力学的激光熔覆界面结合强度测量方法及系统,基于分子动力学的激光熔覆界面结合强度测量方法包括:进行基体的选择与制备;并进行粉末的选择与制备;模拟激光熔覆过程;并沿x轴做单轴拉伸测试,即可得到熔覆体的结合强度。本发明以经典分子动力学理论为指导,以分子动力学仿真软件为平台,从微观上探究金属合金基体与合金粉末激光熔覆的力学性能,提出一种基于分子动力学的激光熔覆界面结合强度测量方法,用拉伸强度来衡量熔覆层与基体的结合强度,为激光熔覆实验研究提供了有力的理论支撑,为相关激光熔覆工艺优化和产业化开发提供科学依据。
[发明]
一种基于改性菠萝蜜壳的磁性吸附剂及其制备方法和应用
申请号:
202111038069.X
状态:
审中-实审
申请日:
2021-09-06
申请人:
武汉科技大学
发明人:
张惠灵、梁俊杰、伊博文、杨俊晖、胡泽康
公开日:
代理机构:
主分类号:
B01J20/20(2006.01)
我要购买
摘要:
本发明公开了一种基于改性菠萝蜜壳的磁性吸附剂及其制备方法和应用。本发明以菠萝蜜外壳为基体,将洗净烘干的菠萝蜜壳粉碎过筛后,以磷酸为活化剂,浸渍、烘干后置于管式炉中热解保温,冷却至室温,取出后将pH洗至中性,烘干后加入氯化铁和氯化锰的混合溶液中并调溶液pH,磁力搅拌,水热反应后取出烘干保存,获得基于改性菠萝蜜壳的磁性吸附剂。本发明使用菠萝蜜壳作为吸附剂的生产原料,实现废物资源化。本发明的制备方法提高了菠萝蜜壳内部的孔隙结构和表面官能团并且可以达到回收利用的目的,对重金属Pb具有良好的吸附效果。
[发明]
一种激光熔覆熔覆头防撞避障控制系统及方法
申请号:
202111038538.8
状态:
审中-实审
申请日:
2021-09-06
申请人:
武汉科技大学、襄阳博亚精工装备股份有限公司
发明人:
张泽琳、李标、张欢、曹建华、钟声、夏绪辉、李文喜、严旭果、刘翔、陈宝通、王瞳、王蕾
公开日:
代理机构:
主分类号:
G05B19/19(2006.01)
我要购买
摘要:
本发明属于激光熔覆控制技术领域,公开了一种激光熔覆熔覆头防撞避障装置和控制系统及方法,激光熔覆熔覆头防撞避障控制系统包括:超声测距模块、控制模块以及执行模块;超声测距模块利用可调整位置的超声测距传感器进行超声测距;控制模块包括碰撞检测单元、位置识别单元、位置判断单元、避障路径规划单元、运动控制单元;用于进行数据处理、分析、位置识别、避障路径规划并生产控制指令;执行模块,包括机械臂和夹具;用于接收并执行控制指令。本发明对熔覆头在行进方向上进行了饱和测量,提升了熔覆头的安全系数;实现了熔覆头的自动避障,提高了生产效率。
[发明]
一种榴莲壳壳聚糖磁性生物炭吸附剂及其制备方法和应用
申请号:
202111039267.8
状态:
审中-实审
申请日:
2021-09-06
申请人:
武汉科技大学
发明人:
杨俊晖、张惠灵、伊博文、梁俊杰、胡泽康
公开日:
代理机构:
主分类号:
B01J20/24(2006.01)
我要购买
摘要:
本发明公开了一种榴莲壳壳聚糖磁性生物炭吸附剂步骤为:将榴莲壳粉末加入氯化铁溶液中,超声处理,浸泡,将榴莲粉末溶液离心,烘干,得到榴莲壳生物质;将榴莲壳生物质放入管式炉中,升温加热,将壳聚糖溶于乙酸溶液,加入榴莲壳磁性生物炭,加入戊二醛水溶液,水浴加热,取出产物洗涤至中性,并干燥,得到榴莲壳壳聚糖磁性生物炭吸附剂。本发明制备的榴莲壳壳聚糖/磁性生物炭吸附剂进行吸附处理之后,可使用解析剂对吸附剂进行解析再生。本发明具备成本低、工艺简单、吸附性能好、易分离、重复利用性高、环境友好等优点。
[发明]
一种圆形倾斜薄壁件激光熔覆成形角度自适应调控装置及方法
申请号:
202111039970.9
状态:
审中-实审
申请日:
2021-09-06
申请人:
武汉科技大学、襄阳博亚精工装备股份有限公司
发明人:
夏绪辉、高玉鼎、陈宝通、李文喜、刘翔、李鑫、张欢、张泽琳、王瞳、刘玉波、曹建华、严旭果、王蕾
公开日:
代理机构:
主分类号:
C23C24/10(2006.01)
我要购买
摘要:
本发明属于增材制造技术领域,公开了一种圆形倾斜薄壁件激光熔覆成形角度自适应调控装置及方法,包括熔覆模块、图像旁轴采集模块、图像处理模块和反馈控制模块。本发明中的图像旁轴采集模块能够实现对圆形倾斜件激光熔覆成形时熔池的形貌以及熔覆件倾角的在线检测,实时监测单层熔覆层成形厚度以及下一层的熔覆层的水平偏移量,从而能够准确的检测出当前熔覆层倾斜角;本发明所提出的自适应调控方法,在熔覆过程中能够将单层熔覆时熔池成形高度与多层熔覆层倾角对比预先设定好的倾角阈值,实时的调整Z轴提升量和水平偏移量,实现了对圆形倾斜件倾斜角度的控制,具有动态即时调整,提高成型质量等优点。
[实用新型]
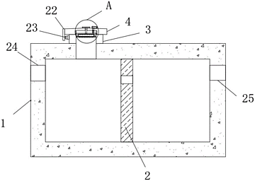
一种再生混凝土化粪池
申请号:
202122125132.5
状态:
有权
申请日:
2021-09-04
申请人:
武汉科技大学
发明人:
彭胜、何奕辉、韩云飞、许成祥、熊洲、王君煜
公开日:
代理机构:
主分类号:
C02F11/04(2006.01)
我要购买
摘要:
本实用新型公开了一种再生混凝土化粪池,涉及到化粪池领域,包括池体,所述池体的内壁固定连接有隔板,隔板的一侧表面顶端开设有溢流口,所述池体的顶端一侧固定连接有清理口,所述清理口与池体相连通。本实用新型通过设置有活动板,工作人员通过转盘带动螺纹杆转动,致使活动板延伸至清理口内部,活动板外壁的滑动密封圈与隔板的内壁贴合,提高了盖板和清理口连接处的密封性,避免异味飘出,同时池体内部的气体通过多个进气孔进入到过滤箱内部,通过活性炭对气体进行吸附净化,然后气体通过出气孔、排气管和固定盒排出,在避免池体内部气压过高的同时保证排出的气体没有异味,不会对环境造成污染,使本装置更加环保。
[发明]
一种基于CT图像的肺结节图像检测方法及系统
申请号:
202111030746.3
状态:
审中-公开
申请日:
2021-09-03
申请人:
武汉科技大学
发明人:
李波、徐麒皓
公开日:
代理机构:
主分类号:
G06T7/00(2017.01)
我要购买
摘要:
本发明公开了一种基于CT图像的肺结节图像检测方法及系统,检测方法包括:S1、图像序列化:将输入的肺部CT图像的切片重塑为一组patch序列来执行标记化;S2、利用patch嵌入,使用可训练线性映射将矢量化patch序列映射到潜在的二维嵌入空间;S3、建立CNN与Transformer的混合编码器:通过Transformer将来自CNN特征图的标记化图像块编码为用于提取全局上下文的输入序列;S4、级联解码器:首先通过解码器对步骤S3中得到的编码特征进行上采样,然后将上采样后的编码特征与高分辨率CNN特征图结合以实现精确定位,最后利用U‑Net通过恢复局部空间信息来增强更精准的细节检测信息。本发明可有效提升肺结节检测的准确率。
[发明]
基于纸张图像分析的古籍年份检验分析方法及相应模块
申请号:
202111022612.7
状态:
审中-公开
申请日:
2021-09-01
申请人:
公安部物证鉴定中心、武汉科技大学
发明人:
邹积鑫、陆琪、朱子奇、李志豪、光晓俐
公开日:
代理机构:
主分类号:
G06K9/46(2006.01)
我要购买
摘要:
本发明提供一种基于纸张图像分析的古籍年份检验分析方法及相应模块,使用神经网络对纸张图片提取纸张图像的全局特征,并在神经网络模型中加入多尺度注意力模块MAM,用于提取纸张显微图片的局部特征;然后,融合纸张图片的全局特征和局部特征,得到最终的纸张纹理特征;最后,融合后的纸张纹理特征作为递归神经网络的输入数据,组成纸张年份回归模型;围绕这个纸张年代回归模型,并使用优化的损失函数进行训练。最终实现了通过纸张显微图片特征推导纸张生产年份的目的;实现快速精准的推导古籍纸张的年份,达到古籍纸张鉴定的目的,具有较广泛的推广价值。
[发明]
木头基多孔活化碳/Ni0.2Mo0.8N电催化材料及其制备方法
申请号:
202111009155.8
状态:
审中-实审
申请日:
2021-08-31
申请人:
武汉科技大学
发明人:
赵雷、袁雨禾、陈辉、方伟、何漩、杜星、李薇馨、王大珩
公开日:
代理机构:
主分类号:
C25B11/031(2021.01)
我要购买
摘要:
本发明涉及一种木头基多孔活化碳/Ni0.2Mo0.8N电催化材料及其制备方法。其技术方案是:将预处理后的木块浸渍于15~30wt%的ZnCl2溶液中,于105~115℃条件下处理45~50小时,再于高纯氩气气氛和800~900℃条件下热处理2~4小时,洗涤,得到木头基多孔活化碳材料;将Na2MoO4·2H2O和NiCl2·6H2O加入到去离子水中,搅拌,搅拌后加入到水热反应釜中,然后加入所述木头基多孔活化碳材料,在150~170℃条件下热处理5~7小时,自然冷却,取出后洗涤和干燥,最后在氨气气氛和550~650℃条件下热处理10~30分钟,制得木头基多孔活化碳/Ni0.2Mo0.8N电催化材料。本发明工艺简单、成本低廉和环境友好,所制制品能在酸性和碱性条件下稳定电解水。
[发明]
一种适于低温催化氧化富氧燃烧烟气汞的催化剂及其制备方法
申请号:
202111009966.8
状态:
审中-实审
申请日:
2021-08-31
申请人:
武汉科技大学
发明人:
赵波、胡子沁、韩军、单威威、秦林波、陈旺生、田磊
公开日:
代理机构:
主分类号:
B01J27/22(2006.01)
我要购买
摘要:
一种适于低温催化氧化富氧燃烧烟气汞的催化剂,包括质量百分比为5%~10%的二氧化锰,质量百分比为5%~8%的三氧化钼,质量百分比为2%~10%的三氧化钨,其余成分为多壁碳纳米管。催化剂制备方法为:将多壁碳纳米管在硝酸溶液中酸解,增强其亲水性,再与柠檬酸溶液混合振荡;再将三氧化钼溶解于氨水、钨酸铵溶解于水,与硝酸锰溶液混合后一起添加至含多壁碳纳米管的悬浊液中,震荡、干燥得到固体;固体在惰性气氛中煅烧、研磨后得到本催化剂。本发明提供的适于低温催化氧化富氧燃烧烟气汞的催化剂,具备较强的抗硫特性,并且能够有效利用富氧燃烧烟气中的高浓度CO2增强催化剂的催化氧化活性,实验气氛中汞的最佳氧化效率达94%,最佳活性温度低至100℃。
[发明]
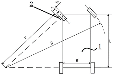
基于单目视觉的车辆最小转弯直径测量方法及系统
申请号:
202111001009.0
状态:
审中-公开
申请日:
2021-08-30
申请人:
武汉科技大学
发明人:
周兴林、张海峰、朱攀、关佳希
公开日:
代理机构:
主分类号:
G01M17/06(2006.01)
我要购买
摘要:
本发明公开了一种基于单目视觉的车辆最小转弯直径测量方法及系统,相机设置在被测车辆的内侧转弯前轮轮毂中心,车辆转弯形成的轨迹圆心设置特征标靶,车辆移动过程带动相机移动采集特征标靶图像,通过图像匹配和图像角点检测得到图像特征点世界三维坐标所对应的图像坐标,然后解算出相机的位置,根据三维坐标拟合求得相机运动轨迹圆,进而计算出车辆行驶圆轨迹的直径;两个转向分别测得车辆转弯直径,较大者即为被测车辆最小转弯直径。通过采集固定标靶图像特征点信息来测量相机实时位置进而求得车辆转弯直径,减少了测量时设备安装的难度、测量自动化程度高。测量方法操作难度小,可以满足测量精度要求,可广泛运用于车辆线下检测。
[发明]
基于视觉定位的冷轧厂轧辊的自动抓取方法
申请号:
202111000699.8
状态:
审中-公开
申请日:
2021-08-30
申请人:
武汉科技大学
发明人:
邓春华、张诗文、朱子奇、刘静
公开日:
代理机构:
主分类号:
G06T7/73(2017.01)
我要购买
摘要:
本发明公开了一种基于视觉定位的冷轧厂轧辊的自动抓取方法,包含如下步骤:训练数据驱动赋权的目标检测模型;对轧辊的图片进行目标检测与三维定位;与PLC控制系统建立通信控制关系。本发明能够利用PLC控制系统实现自动对轧辊进行识别定位与抓取,解决了现有技术高度依赖人工,且抓取轨迹无法溯源的缺陷,有效的改善模型的检测识别精度,摆脱了现有技术中NMS的局限性,降低了时间成本与人工成本,提高了工作效率。
[实用新型]
可渗透反应墙修复污染地下水模拟实验设备
申请号:
202122070294.3
状态:
有权
申请日:
2021-08-30
申请人:
武汉科技大学
发明人:
刘红、向金蓉、范先媛
公开日:
代理机构:
主分类号:
C02F1/00(2006.01)
我要购买
摘要:
本实用新型公开了可渗透反应墙修复污染地下水模拟实验设备,涉及地下水修复模拟教学,混合容器、过滤容器、净水蓄水池,且所述混合容器、过滤容器、净水蓄水池均采用透明的材质制成;所述混合容器一端固定连接有第一法兰;本实用新型通过净水管与污水管将相应的净水和污水在混合容器内进行混合,模拟出被污染后的地下水,混合后的净水和污水会通过过滤容器内的活性材料进行过滤,过滤后的水会进入净水蓄水池内,至此地下水修复模拟实验结束,整体结构简单,使用方便,购置成本较低,并且初学者可以全程观看整个地下水修复模拟实验过程,加深初学者对地下水修复原理的理解,有助于提高初学者的学习效率。
首页
上一页
21
22
23
24
25
26
27
28
29
30
下一页
尾页
当前共找到
8115
个专利记录
,当前显示页码
21/406