首页
专利查询
专利购买
专利转让
专利申请
15071489439
当前位置:
专利巴士
专利查询
专利名称
查询
高级查询
当前共找到
8115
个专利记录
,当前显示页码
208/406
专利名称
申请号
申请人
发明人
专利代办机构
[发明]
一种水流悬浮装置
申请号:
201710408013.6
状态:
审中-实审
申请日:
2017-06-02
申请人:
武汉科技大学
发明人:
孙伟、孔建益
公开日:
2017-11-17
代理机构:
武汉开元知识产权代理有限公司42104
主分类号:
B05B17/08(2006.01)I
我要购买
摘要:
一种水流悬浮装置,包括水箱、水泵、水管、扬声器、电路模块、至少一个喷头和至少一个LED灯光板;水箱、水泵、水管顺次连接;喷头与水管末端连通;其特征在于:各喷头紧邻的水管末段与扬声器固定在一起;扬声器的防尘网与水管固定连接,扬声器能够根据功率大小改变振幅,使得水流能够根据扬声器振幅改变而产生相应频率的振动。所述LED灯光板的灯光频率变化以及扬声器振动,带动喷头出水同步改变形状、流速和悬停切换;相对于现有单一的控制水流类展示模型或喷泉,本发明具有视觉上水流悬停,水流上升,水流下降等功能,并且能够随着输入的振动信号的变化进行变换以配合音乐节奏,可以运用到室内模型和室外喷泉领域中。
[发明]
一种氧代脂肪族‑芳香族聚酯及其制备方法
申请号:
201710409613.4
状态:
有权
申请日:
2017-06-02
申请人:
武汉科技大学
发明人:
王云、程正载、唐然、胡海、曾胜、刘盼盼
公开日:
2017-09-26
代理机构:
北京众达德权知识产权代理有限公司11570
主分类号:
C08G63/672(2006.01)I
我要购买
摘要:
本发明提供了一种氧代脂肪族‑芳香族聚酯及其制备方法,所述方法包括:将3,6‑二氧代‑1,8‑辛二酸、芳香族二元醇及二水合草酸锌催化剂作为反应体系,置于100℃~180℃及氮气保护下进行酯化反应,得到酯化中间产物;将所述酯化中间产物置于真空度为200Pa~300Pa及180℃~250℃的条件下,进行缩聚反应,合成得到聚酯。与传统合成方法相比,本发明具有反应过程绿色环保、聚酯收率高、聚酯材料热稳定性和降解性能好等特点。
[实用新型]
免焊接耳机修复插头
申请号:
201720627529.5
状态:
无权-未缴年费
申请日:
2017-06-01
申请人:
武汉科技大学
发明人:
陈梦琪、李佳、陈若兰、刘茜、周崇杰、高鹏丽、李志辉、黄举
公开日:
2017-12-26
代理机构:
武汉科皓知识产权代理事务所(特殊普通合伙)42222
主分类号:
H01R24/58(2011.01)I
我要购买
摘要:
本实用新型提供一种免焊接耳机修复插头,包括外壳和下接头,下接头由接头针芯和下胶壳一体成型,接头针芯的一端分开有三个或四个独立的金属爪,下胶壳上与每个金属爪对应的位置设有通道,下胶壳外表面设有螺纹,外壳设有通孔,外壳的内表面设有螺纹,外壳和下接头通过内外螺纹旋接固定。使用时将坏掉的耳机线穿过外壳的通孔,将导线连接到金属爪上,然后将外壳和下接头的螺纹拧到一起,即完成耳机的修复工作。采用该免焊接耳机修复插头,可免于焊接,同时不影响耳机的美观,延长了耳机的使用寿命,节约经济成本,同时还节约能源保护环境。本实用新型操作简单、使用方便、可回收利用、实用性强。
[发明]
一种引力搜索算法及基于该算法的污水处理控制方法
申请号:
201710402855.0
状态:
审中-实审
申请日:
2017-06-01
申请人:
武汉科技大学
发明人:
刘惠康、高维娜、杨旭升、柴琳、许玥
公开日:
2017-09-15
代理机构:
北京金智普华知识产权代理有限公司11401
主分类号:
G05B13/02(2006.01)I
我要购买
摘要:
本发明涉及一种差分自适应万有引力搜索算法和一种基于该算法的污水处理控制方法。一种差分自适应万有引力搜索算法,包括如下步骤:S1、初始化种群;S2、计算种群适应度值;S3、计算种群的惯性质量M及加速度a;S4、更新个体位置;S5、比对是否达到迭代次数,当达到迭代次数时,输出最优值;当未达到迭代次数时,重复所述步骤S2、S3和S4。本发明的有益效果是:在加快收敛速度,收敛速度的跟步长有关,现在最好的方法通过实时更新个体参数G0和加速度α,有效控制算法收敛速度,同时提高算法精度。
[发明]
一种多孔铝碳材料及其制备方法
申请号:
201710401732.5
状态:
审中-实审
申请日:
2017-05-31
申请人:
武汉科技大学
发明人:
魏耀武、董燕军、熊玮、李楠
公开日:
2017-10-13
代理机构:
武汉科皓知识产权代理事务所(特殊普通合伙)42222
主分类号:
C04B35/66(2006.01)I
我要购买
摘要:
本发明涉及一种多孔铝碳材料及其制备方法。其技术方案是:以70~90wt%的氢氧化铝粉、7~20wt%的石油焦粉和3~10wt%的铝粉为原料,外加所述原料2~7wt%的酚醛树脂,搅拌3~30分钟,压制成型。将成型后的坯体自然干燥20~28小时,再于200~300℃条件下热处理20~28小时,然后在还原气氛中于1300~1600℃条件下保温1~8小时,自然冷却,即得多孔铝碳材料。本发明工艺简单,制备的多孔铝碳材料质轻多孔、使用温度高、高温性能稳定和抗侵蚀能力强,能延缓材料在使用过程中氧化铝碳热还原反应发生的进程。可作为冶金、电力和化工工业用耐火材料或抗腐蚀材料。
[实用新型]
一种新型湿式搅拌筛分机
申请号:
201720621057.2
状态:
无权-未缴年费
申请日:
2017-05-31
申请人:
武汉科技大学
发明人:
彭文辉、刘伟、姚绍江
公开日:
2018-01-23
代理机构:
武汉科皓知识产权代理事务所(特殊普通合伙)42222
主分类号:
B07B1/28(2006.01)I
我要购买
摘要:
本实用新型提供一种新型湿式搅拌筛分机,包括下料机构、分级清洗筛分机构、机械搅拌机构和动力振动机构,所述下料机构为矿浆盛放容器,容器顶部通过板簧与墙体连接,容器底部连接设置有机架,所述分级清洗筛分机构和机械搅拌机构均设置在机架内,分级清洗筛分机构包括沿机架内部从上到下并排设置的若干筛网,所述机械搅拌机构包括搅拌轴,所述动力振动机构包括设置在机架底部的偏心轴、连接在偏心轴一端的皮带轮和连接在偏心轴两侧的偏重轮,本实用新型结构简单、使用方便、通过将筛分机构设计成从上到下的四级筛网结构,满足不同粒径的物料的筛分,提高筛分精度;通过设置机械搅拌机构和动力振动机构,大大提高了筛分效率。
[实用新型]
一种多功能笔筒
申请号:
201720608475.8
状态:
有权
申请日:
2017-05-27
申请人:
武汉科技大学
发明人:
杨浪、赵雪妍、张茂、谷庭龙、黄鑫、赵金博
公开日:
2018-05-22
代理机构:
武汉科皓知识产权代理事务所(特殊普通合伙)42222
主分类号:
B43M99/00(2010.01)I
我要购买
摘要:
本实用新型提供一种多功能笔筒,采用笔筒、手机支架和绕线器集于一体的方法实现办公用品的有效归置,解决办公桌杂乱不堪的问题。同时,笔筒底座直径大于筒体直径,解决笔筒易倒的问题,依托笔筒而成的绕线器既能归置数据线等还能解决传统绕线器曲率过大的问题。双层底座也形成双层的绕线器,可以同时缠绕多根线。本实用新型使用方便、功能多样、实用性强。
[发明]
一种高强弥散型透气砖及其制备方法
申请号:
201710393482.5
状态:
审中-实审
申请日:
2017-05-27
申请人:
武汉科技大学
发明人:
李远兵、王庆恒、李淑静、向若飞、徐娜娜、欧阳思
公开日:
2017-09-01
代理机构:
武汉科皓知识产权代理事务所(特殊普通合伙)42222
主分类号:
C04B35/101(2006.01)I
我要购买
摘要:
本发明涉及一种高强弥散型透气砖及其制备方法。其技术方案是:以30~75wt%的板状刚玉为骨料,以17~47wt%的板状刚玉细粉、5~15wt%的氧化铝微粉和3~8wt%的结合剂为基质料。先将所述基质料混匀,再将混匀的基质料和骨料置入搅拌机,外加骨料和基质料之和0.1~1.0wt%的减水剂和6~14wt%的水,搅拌,浇注到加有有机泡沫海绵的磨具中,静置;脱模,干燥,在1500~1650℃条件下保温3~6h,制得高强弥散型透气砖。所述高强弥散型透气砖的弥散型通道是通过有机泡沫海绵烧后形成,有机泡沫海绵的孔征范围为10~55ppi。本发明工艺简单、生产效率高和成本低,所制备的高强弥散型透气砖透气性好、除杂能力强、强度高和热震稳定性能优异。
[发明]
一种高透气性弥散型透气砖及其制备方法
申请号:
201710393811.6
状态:
审中-实审
申请日:
2017-05-27
申请人:
武汉科技大学
发明人:
李远兵、王庆恒、李淑静、徐娜娜、欧阳思、向若飞
公开日:
2017-09-22
代理机构:
武汉科皓知识产权代理事务所(特殊普通合伙)42222
主分类号:
C04B35/101(2006.01)I
我要购买
摘要:
本发明涉及一种高透气性弥散型透气砖及其制备方法。其技术方案是:将40~85份质量的板状刚玉颗粒、10~35份质量的氢氧化铝细粉、5~25份质量的氧化铝混合均匀,得混合料。将5~40份质量的丙烯酰胺、0.25~2份质量的亚甲基双丙烯酰胺和0.1~1.0份质量的分散剂加入到100份质量的水中,搅拌,得预混液。按混合料∶预混液的质量比为1∶(0.2~1.2)配料,搅拌,脱气,加入占预混液0.01~0.1wt%的过硫酸铵和0.04~0.12wt%的四甲基乙二胺,得分散体系。将分散体系固化,1500~1700℃条件下保温2~8h,即得高透气性弥散型透气砖;本发明工艺简单、生产效率高和成本低,制备的高透气性弥散型透气砖透气性好、对气体压力敏感、除杂能力强、热震稳定性优异。
[发明]
一种基于间谐波特征的变频调速系统故障诊断方法
申请号:
201710393239.3
状态:
审中-实审
申请日:
2017-05-27
申请人:
武汉科技大学
发明人:
刘惠康、闵浩、杨永立、柴琳、刘露
公开日:
2017-09-26
代理机构:
武汉科皓知识产权代理事务所(特殊普通合伙)42222
主分类号:
G01R31/34(2006.01)I
我要购买
摘要:
本发明公开了一种基于间谐波特征的变频调速系统故障诊断方法。首先对变频调速系统进行建模,模拟变频调速系统运行状态,当变频调速系统在不同工况下运行时,采集三相定子电流的数据,分别对采集到的三相定子电流进行经验模态分解和频谱分析,得到不同工况下的间谐波特征值。然后根据得到的间谐波特征值与判断基准进行对比,则可以诊断出变频调速系统存在的故障。本发明的故障诊断方法能够实现故障诊断的实时性,准确便捷的诊断出故障类型,从而能及时解决系统系统存在的隐患,从而提高系统系统的工作效率。
[发明]
一种基于结构相似性的非局部均值去噪优化方法
申请号:
201710392063.X
状态:
审中-实审
申请日:
2017-05-27
申请人:
武汉科技大学
发明人:
柴利、张璐、盛玉霞
公开日:
2017-10-03
代理机构:
武汉科皓知识产权代理事务所(特殊普通合伙)42222
主分类号:
G06T5/00(2006.01)I
我要购买
摘要:
本发明涉及一种基于结构相似性的非局部均值去噪优化方法。其技术方案是:获取一幅噪声污染图像X,计算所有像素点j对于像素点i之间的权重值w(i, j);采用加权核函数改进的非局部均值方法对噪声污染图像X进行一次去噪,得到一次去噪图像在一次去噪图像中,计算所有一次去噪图像相似框对于以像素点i为中心的d×d的一次去噪图像相似框的的权重值wSSIM(i, j);调整噪声污染图像X中所有的噪声图像相似框,对噪声污染图像X进行二次去噪,得到二次去噪图像本发明具有能保留图像细节、适用于不同噪声强度和视觉质量良好的特点。
[发明]
一种流化床分区反应器及其工艺方法
申请号:
201710391418.3
状态:
有权
申请日:
2017-05-27
申请人:
武汉科技大学
发明人:
王涵鼎、程正载、刘锋波、吴晓琴、强敏、颜家保、颜晓潮、王兴东、徐福军、马里奥·高斯尔
公开日:
2017-08-11
代理机构:
武汉科皓知识产权代理事务所(特殊普通合伙)42222
主分类号:
C08F10/00(2006.01)I
我要购买
摘要:
本发明提出了一种流化床分区反应器及其工艺方法,该流化床聚合反应器装置将流化床立式容器分为三个空间区域,即直筒段反应区、支腿段反应区A和支腿段反应区B,两支腿段反应区通过各自的循环气换热器和夹套换热器进行温度控制;两个支腿段反应区中的流化气体相应分为两个流股独立控制,反应体系可以独立调节;流化床反应器由气体进口、流化床层、扩大段、气体出口、出料口组成;反应物料先在二个支腿段反应区A和B分别流化且聚合反应,而后在直筒段反应区中混合且进行二次聚合反应,直筒反应区通过聚合单体冷凝液进行温度控制,最后得到最终聚合产物。本发明流化床聚合反应器装置具有可灵活生产双峰或宽峰聚烯烃产品的特点。
[发明]
一种弥散型透气砖及其制备方法
申请号:
201710393481.0
状态:
审中-实审
申请日:
2017-05-27
申请人:
武汉科技大学
发明人:
李远兵、王庆恒、李淑静、欧阳思、向若飞、徐娜娜
公开日:
2017-10-03
代理机构:
武汉科皓知识产权代理事务所(特殊普通合伙)42222
主分类号:
C04B35/101(2006.01)I
我要购买
摘要:
本发明涉及一种弥散型透气砖及其制备方法。其技术方案是:以50~70wt%的板状刚玉颗粒、20~30wt%的氢氧化铝细粉、10~20wt%的氧化铝微粉为原料,混匀,得到混合料。按所述混合料∶溶剂∶分散剂的质量比为1∶(0.1~1.8)∶(0.001~0.01),将所述混合料、溶剂和分散剂搅拌均匀,得到分散体系。将所述分散体系在0.01~0.02MPa条件下脱气,在‑60~‑10℃条件下固化,干燥机中干燥,然后在1500~1700℃条件下保温3~9h,即得弥散型透气砖。所述板状刚玉颗粒粒径为0.2~1.5mm。本发明具有工艺简单、劳动强度低、生产效率高、对环境无污染的优点,所制备的弥散型透气砖透气性好、除杂能力强、热震稳定性能优异。
[发明]
一种实验室用水力螺旋筛及水力螺旋筛系统
申请号:
201710393240.6
状态:
审中-实审
申请日:
2017-05-27
申请人:
武汉科技大学
发明人:
姜兴科、李茂林、崔瑞
公开日:
2017-07-28
代理机构:
武汉科皓知识产权代理事务所(特殊普通合伙)42222
主分类号:
B04C5/103(2006.01)I
我要购买
摘要:
本发明涉及一种实验室用水力螺旋筛,包括上端开口的中空筒体、与所述中空筒体配合的盖体、固定在所述筒体内的若干个圆柱面筛网、一个进料管及若干个出料管,所述筒体的侧面靠近其上端处开设有与所述进料管连通的进料口,所述若干个筛网同轴且不同直径,所述筛网按直径从小到大的顺序从内到外依次套装,以将所述筒体分割为若干个腔室,每个所述筛网上均开设有筛孔,各个所述筛网上的筛孔孔径从内至外依次增大,所述各个所述腔室的底端分别开设有与所述出料管连接的出料口。本发明结构简单,能连续作业,筛分效率高。
[实用新型]
一种实验室用水力螺旋筛及水力螺旋筛系统
申请号:
201720610833.9
状态:
无权-未缴年费
申请日:
2017-05-27
申请人:
武汉科技大学
发明人:
姜兴科、李茂林、崔瑞
公开日:
2017-12-08
代理机构:
武汉科皓知识产权代理事务所(特殊普通合伙)42222
主分类号:
B04C5/103(2006.01)I
我要购买
摘要:
本实用新型涉及一种实验室用水力螺旋筛,包括上端开口的中空筒体、与所述中空筒体配合的盖体、固定在所述筒体内的若干个圆柱面筛网、一个进料管及若干个出料管,所述筒体的侧面靠近其上端处开设有与所述进料管连通的进料口,所述若干个筛网同轴且不同直径,所述筛网按直径从小到大的顺序从内到外依次套装,以将所述筒体分割为若干个腔室,每个所述筛网上均开设有筛孔,各个所述筛网上的筛孔孔径从内至外依次增大,所述各个所述腔室的底端分别开设有与所述出料管连接的出料口。本实用新型结构简单,能连续作业,筛分效率高。
[实用新型]
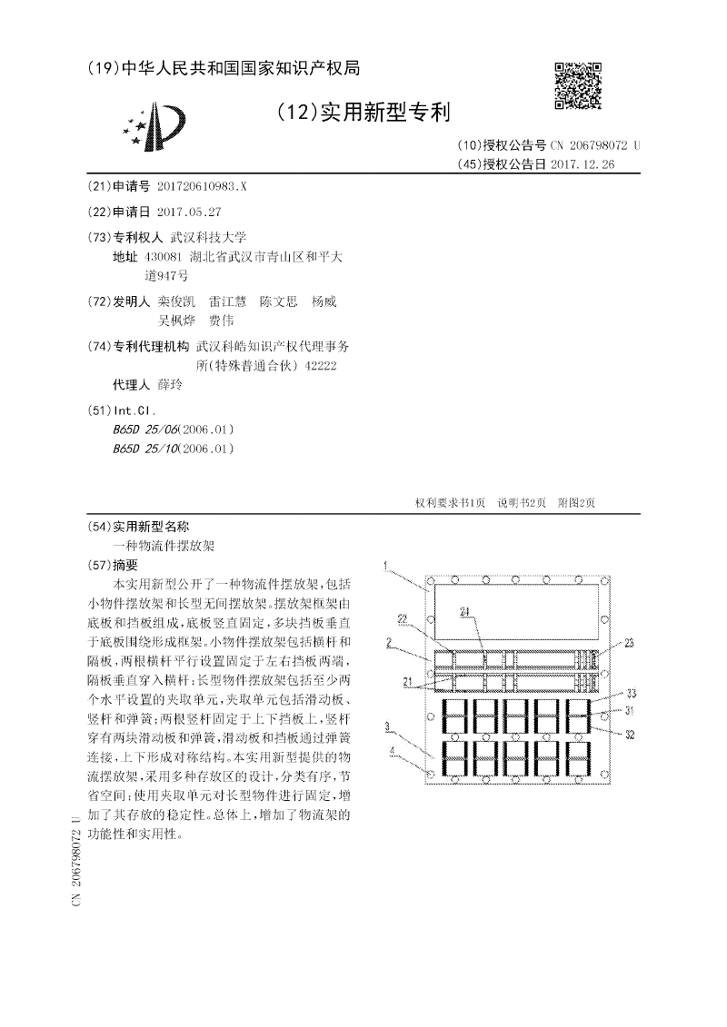
一种物流件摆放架
申请号:
201720610983.X
状态:
有权
申请日:
2017-05-27
申请人:
武汉科技大学
发明人:
栾俊凯、雷江慧、陈文思、杨威、吴枫烨、费伟
公开日:
2017-12-26
代理机构:
武汉科皓知识产权代理事务所(特殊普通合伙)42222
主分类号:
B65D25/06(2006.01)I
我要购买
摘要:
本实用新型公开了一种物流件摆放架,包括小物件摆放架和长型无间摆放架。摆放架框架由底板和挡板组成,底板竖直固定,多块挡板垂直于底板围绕形成框架。小物件摆放架包括横杆和隔板,两根横杆平行设置固定于左右挡板两端,隔板垂直穿入横杆;长型物件摆放架包括至少两个水平设置的夹取单元,夹取单元包括滑动板、竖杆和弹簧;两根竖杆固定于上下挡板上,竖杆穿有两块滑动板和弹簧,滑动板和挡板通过弹簧连接,上下形成对称结构。本实用新型提供的物流摆放架,采用多种存放区的设计,分类有序,节省空间;使用夹取单元对长型物件进行固定,增加了其存放的稳定性。总体上,增加了物流架的功能性和实用性。
[实用新型]
一种智能自助取药装置
申请号:
201720631977.2
状态:
无权-未缴年费
申请日:
2017-05-27
申请人:
武汉科技大学
发明人:
杨雁飞、丁仁杰、何勋、刘博
公开日:
2018-01-23
代理机构:
武汉科皓知识产权代理事务所(特殊普通合伙)42222
主分类号:
G05B19/042(2006.01)I
我要购买
摘要:
本实用新型提供一种智能自助取药装置,包括服务器;微信客户端;设置在药箱上的显示模块、单片机、语音提醒模块和以太网通信模块;以及控制药箱开关的电磁锁;所述微信客户端连接服务器,所述单片机通过以太网模块连接服务器,所述显示模块、电磁锁、语音提醒模块连接所述单片机。本实用新型人机交互性强、操作简单、使用方便、能准确反馈信息。
[发明]
石墨烯负载Pt‑Pd纳米催化剂、制备方法及其用途
申请号:
201710404020.9
状态:
审中-实审
申请日:
2017-05-26
申请人:
武汉科技大学
发明人:
鲁礼林、王顺、张海军、李发亮、张少伟
公开日:
2017-09-22
代理机构:
北京超凡志成知识产权代理事务所(普通合伙)11371
主分类号:
B01J23/44(2006.01)I
我要购买
摘要:
一种石墨烯负载Pt‑Pd纳米催化剂、制备方法及其用途,涉及制氢领域,制备石墨烯负载Pt‑Pd纳米催化剂时,将包含Pd、Pt的金属离子溶液与氧化石墨烯、乙醇混合,搅拌1~4h后,超声分散0.5~2h,于85~90℃搅拌冷凝回流4~8h,将反应液浓缩成粘稠状的粘稠液,将粘稠液于100~120℃干燥2~3.5h,该方法一步法合成可催化硼氢化物水解制氢的催化剂,合成方法简单;制得的石墨烯负载Pt‑Pd纳米催化剂,纳米粒径小、且金属组分可调,催化活性高、耐久性强;该石墨烯负载Pt‑Pd纳米催化剂的用途是催化硼氢化物水解制氢,可实现产业化。
[发明]
一种用于同时脱除烟气中氮氧化物和有机污染物的铁基复合催化剂及其制备方法
申请号:
201710385806.0
状态:
有权
申请日:
2017-05-26
申请人:
武汉科技大学
发明人:
秦林波、陈旺生、李泽、韩军、吴高明
公开日:
2017-07-28
代理机构:
北京华夏正合知识产权代理事务所(普通合伙)11017
主分类号:
B01J23/78(2006.01)I
我要购买
摘要:
本发明涉及一种用于同时脱除烟气中氮氧化物和有机污染物的铁基复合催化剂制备方法,先将铁矿A、熔剂B和负载物C研碎至0.2~0.6mm;将80~85wt%的铁矿粉A、5~10wt%的熔剂粉B和5~15wt%的负载物C混合制备混合物E;再将混合后的混合物E置入加热装置中,经800~1100℃的活化剂D活化20~30min,自然冷却至常温,研碎至0.2~0.6mm,制得用于同时脱除烟气中氮氧化物和有机污染物的铁基复合催化剂。本发明具有制备工艺简单和价格低廉的特点,所制备的用于同时脱除烟气中氮氧化物和有机污染物脱硝的铁基复合催化剂的氮氧化物、多环芳烃和二噁英脱除效果较好。
[实用新型]
伸缩式自行车后座
申请号:
201720594927.1
状态:
无权-未缴年费
申请日:
2017-05-25
申请人:
武汉科技大学
发明人:
代丽、胡乐、李峻、李文玲、李丹、查文静
公开日:
2018-01-19
代理机构:
武汉开元知识产权代理有限公司42104
主分类号:
B62J1/14(2006.01)I
我要购买
摘要:
本实用新型涉及自行车领域,公开了一种伸缩式自行车后座,包括后座本体,还包括四套分别设置在后座本体四个角上的支撑装置和四套分别设置在相邻两套支撑装置之间的阻拦装置,每套支撑装置均包括竖向固定在后座本体角上的下杆套、下端可插入下杆套内的上杆套、两端分别位于下杆套和上杆套内的中间撑杆、两个分别设置在中间撑杆两端的凸起开关,下杆套上端和上杆套下端均开有扣孔,凸起开关包括按扣和回位弹簧,按扣设置在中间撑杆的杆壁上且凸起部位于扣孔内,回位弹簧设置在中间撑杆的杆内且抵住按扣。本实用新型伸缩式自行车后座,在载物时增大载物空间并提高载物稳定性的同时使自行车载人时后座乘坐舒适。
首页
上一页
201
202
203
204
205
206
207
208
209
210
下一页
尾页
当前共找到
8115
个专利记录
,当前显示页码
208/406