首页
专利查询
专利购买
专利转让
专利申请
15071489439
当前位置:
专利巴士
专利查询
专利名称
查询
高级查询
当前共找到
8115
个专利记录
,当前显示页码
220/406
专利名称
申请号
申请人
发明人
专利代办机构
[实用新型]
分隔式泡茶装置
申请号:
201720300685.0
状态:
有权
申请日:
2017-03-24
申请人:
武汉科技大学
发明人:
周胜、叶昊、段文展、郭一豪
公开日:
2018-04-10
代理机构:
武汉开元知识产权代理有限公司42104
主分类号:
A47G19/16(2006.01)I
我要购买
摘要:
本实用新型涉及泡茶用具领域,尤其涉及一种分隔式泡茶装置。分隔式泡茶装置,包括设有茶叶入口的壳体和用于封闭茶叶入口的壳盖,所述壳体的侧壁上设有多个透水孔,所述壳体内设有多个由隔板分隔成的独立腔室,每个所述独立腔室内均设有浮动球,所述浮动球通过绳线与壳体底部连接。分隔式泡茶装置不仅能有效防止茶叶从分隔式泡茶装置飘出,而且能使得沉积在分隔式泡茶装置底部的茶叶得到充分的浸泡。
[实用新型]
透水护岸框架
申请号:
201720295801.4
状态:
有权
申请日:
2017-03-24
申请人:
武汉科技大学
发明人:
李鹏辉、熊华平、杨群
公开日:
2017-12-12
代理机构:
武汉开元知识产权代理有限公司42104
主分类号:
E02B3/12(2006.01)I
我要购买
摘要:
本实用新型涉及江河护岸装置,尤其涉及一种透水护岸框架。透水护岸框架包括正三棱柱框架单元,正三棱柱框架单元为由三条侧面棱边和两端各三条底面棱边组成的正三棱柱框架结构,三条侧面棱边一端均外延并设有限位孔,三条侧面棱边另一端均外延并设有与限位孔相配合的限位钩;若干个正三棱柱框架单元通过各限位孔与相邻限位钩的依次勾接组成透水护岸框架;每条侧面棱边的横截面和每条底面棱边的横截面均为三角形或正方形,每条侧面棱边的横截面的边长和每条底面棱边的横截面的边长均为0.1~0.12米,每条侧面棱边长度为其横截面边长的12~16倍,每条底面棱边长度为其横截面边长的12~16倍。该透水护岸框架对水流具有较好的减速效果。
[发明]
一种氮化硅镁粉体及其制备方法
申请号:
201710184755.5
状态:
有权
申请日:
2017-03-24
申请人:
武汉科技大学
发明人:
丁军、柴志南、邓承继、余超、祝洪喜
公开日:
2017-06-30
代理机构:
武汉科皓知识产权代理事务所(特殊普通合伙)42222
主分类号:
C01B21/082(2006.01)I
我要购买
摘要:
本发明涉及一种氮化硅镁粉体及其制备方法。其技术方案是:以10~15wt%的镁粉、15~25wt%的二氧化硅和65~75wt%的无机盐为原料,混合0.5~1h;然后在0.1~1MPa和氮气气氛条件下,以5~10℃/min的速率升温至中间温度;再以3~5℃/min的速率升温至烧成温度,保温1~7h,随炉冷却,洗涤,干燥,制得氮化硅镁粉体。其中:所述烧成温度为900~1300℃,中间温度与烧成温度的温度差为100~200℃。本发明具有生产工艺简单、生产周期短、原料资源丰富和生产成本低廉的特点;所制备的氮化硅镁粉体颗粒大小均匀和形貌单一。
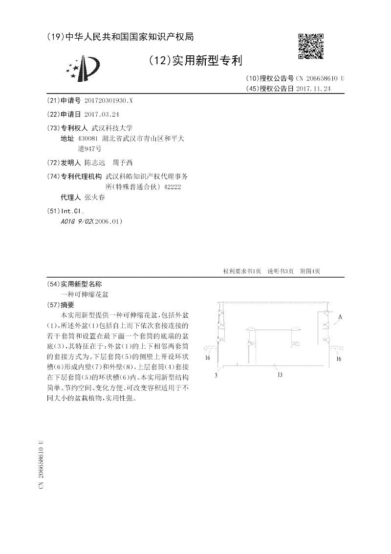
[实用新型]
一种可伸缩花盆
申请号:
201720301930.X
状态:
无权-未缴年费
申请日:
2017-03-24
申请人:
武汉科技大学
发明人:
陈志远、周予西
公开日:
2017-11-24
代理机构:
武汉科皓知识产权代理事务所(特殊普通合伙)42222
主分类号:
A01G9/02(2006.01)I
我要购买
摘要:
本实用新型提供一种可伸缩花盆,包括外盆(1),所述外盆(1)包括自上而下依次套接连接的若干套筒和设置在最下面一个套筒的底端的盆底(3),其特征在于:外盆(1)的上下相邻两套筒的套接方式为,下层套筒(5)的侧壁上开设环状槽(6)形成内壁(7)和外壁(8),上层套筒(4)套接在下层套筒(5)的环状槽(6)内。本实用新型结构简单、节约空间、变化方便、可改变容积适用于不同大小的盆栽植物,实用性强。
[实用新型]
一种数控机床的智能监控系统
申请号:
201720300682.7
状态:
有权
申请日:
2017-03-24
申请人:
武汉科技大学
发明人:
李行、罗会信
公开日:
2018-02-09
代理机构:
北京众达德权知识产权代理有限公司11570
主分类号:
G05B19/406(2006.01)I
我要购买
摘要:
本实用新型公开了一种数控机床的智能监控系统,所述智能监控系统包括传感器组件、紧急关闭装置、数据收发组件以及管理服务器;所述传感器组件与所述数据收发组件串联连接,用于检测数控机床的运行数据,并将所述运行数据发送至所述数据收发组件;所述数据收发组件与所述管理服务器连接,用于将接收的所述运行数据发送至所述管理服务器;所述数据收发组件与所述紧急关闭装置连接,用于所述管理服务器通过所述数据收发组件向所述紧急关闭装置发出紧急停机信号,所述紧急关闭装置根据接收到的所述紧急停机信号控制所述数控机床的电源。本实用新型解决了数控机床人工监控容易造成监控不及时而增大成本、影响加工效率。
[发明]
一种致密TiC材料及其制备方法
申请号:
201710184692.3
状态:
无权-撤回
申请日:
2017-03-24
申请人:
武汉科技大学
发明人:
张寒、赵惠忠、赵鹏达、李静捷、余俊
公开日:
2017-07-21
代理机构:
武汉科皓知识产权代理事务所(特殊普通合伙)42222
主分类号:
C04B35/56(2006.01)
我要购买
摘要:
本发明涉及一种致密TiC材料及其制备方法。其技术方案是:按钛铁渣︰棕刚玉的质量比为100︰(2~5)配料,球磨,得到钛铁渣粉末。按所述钛铁渣粉末︰焦炭粉的质量比为100︰(5~10)配料,混合,得到混合粉末。将所述混合粉末加入真空电弧炉中,在小于0.1Pa和1930~2005℃条件下,保温0.5~1小时;除去上层浮渣,随炉冷却,破碎,制得前驱体TiC材料。按所述前驱体TiC材料︰盐酸溶液的质量比为1︰(4~7),向所述前驱体TiC材料中加入所述盐酸溶液,搅拌,水洗和抽滤,干燥,即得致密TiC材料。本发明具有工艺简单和生产成本低的特点,用该方法制备的致密TiC材料纯度高、结晶好和致密化程度优良。
[发明]
以钛铁渣为主料的高铝隔热耐火原料及其制备方法
申请号:
201710184886.3
状态:
无权-撤回
申请日:
2017-03-24
申请人:
武汉科技大学
发明人:
张寒、赵惠忠、赵鹏达、李静捷、余俊
公开日:
2017-06-30
代理机构:
武汉科皓知识产权代理事务所(特殊普通合伙)42222
主分类号:
C04B35/66(2006.01)I
我要购买
摘要:
本发明涉及一种以钛铁渣为主料的高铝隔热耐火原料及其制备方法。其技术方案是:将破碎后的钛铁渣于90~95℃的水中浸泡1~2小时,过滤,干燥,筛分;向筛分后的钛铁渣颗粒中加入盐酸溶液,搅拌,水洗和抽滤,湿磨,得到湿磨后钛铁渣粉末。将所述湿磨后钛铁渣粉末和所述铝粉加入搅拌机中,混合,得到混合料。向所述混合料中加入磷酸溶液,混合均匀,振动成型,养护;最后置于马弗炉中,以3~5℃/min的速率升温至1355~1420℃,保温,随炉冷却至室温,破碎,制得以钛铁渣为主料的高铝隔热耐火原料。本发明具有工艺简单、生产成本低和对设备无特殊要求的特点,所制备的以钛铁渣为主料的高铝隔热耐火原料的导热系数小、筒压强度大和抗渣侵蚀性好。
[发明]
以铜渣为主料的铁橄榄石材料及其制备方法
申请号:
201710184874.0
状态:
有权
申请日:
2017-03-24
申请人:
武汉科技大学
发明人:
张寒、赵惠忠、赵鹏达、李静捷、余俊
公开日:
2017-06-30
代理机构:
武汉科皓知识产权代理事务所(特殊普通合伙)42222
主分类号:
C01B33/20(2006.01)I
我要购买
摘要:
本发明涉及一种以铜渣为主料的铁橄榄石材料及其制备方法。其技术方案是:将铜渣颗粒置入沸水中浸泡1~3小时,过滤,干燥,过筛;将过筛铜渣颗粒料置于马弗炉中,在700~850℃条件下煅烧1~3小时,得到煅烧铜渣颗粒。向煅烧铜渣颗粒中加入盐酸溶液,搅拌,水洗和抽滤,制得前驱体铜渣颗粒。将所述前驱体铜渣颗粒湿磨至粒度≤60μm,制得湿磨铜渣粉末。将所述湿磨铜渣粉末和焦炭粉加入练泥机中,真空挤泥成型,困料24~36小时;再置于电阻炉中升温至1100~1150℃,保温1~3小时,随炉冷却,制得以铜渣为主料的铁橄榄石材料。本发明工艺简单、能耗小、生产成本低和对设备无特殊要求;所制制品烧结性能好和铁橄榄石转化率高。
[实用新型]
一种背包伞
申请号:
201720289349.0
状态:
有权
申请日:
2017-03-23
申请人:
武汉科技大学
发明人:
朱丽安、李慧、陈望梅、罗圆圆、胡心怡、徐雪梅
公开日:
2018-04-03
代理机构:
北京众达德权知识产权代理有限公司11570
主分类号:
A45B11/02(2006.01)I
我要购买
摘要:
本实用新型涉及一种背包伞,包括:伞面、伞骨及伞柄;伞面盖设在伞骨上;伞柄的顶部固定连接在伞骨的中心;伞骨包括多根周向布置的骨条;所有骨条的连接位置位于伞骨的中心;该背包伞还包括:至少两根附加骨条;附加骨条通过多根紧固限位带设置在骨条上;附加骨条能相对骨条滑动;伞面的边沿向外延伸出附加伞面;附加伞面远离伞面的一侧边沿设置与附加骨条对应的限位槽。该背包伞能充分遮挡住使用者的后背空间,有效避免背包被淋湿。
[发明]
一种高导热高微孔电煅煤基炭砖及其制备方法
申请号:
201710179322.0
状态:
有权
申请日:
2017-03-23
申请人:
武汉科技大学
发明人:
桑绍柏、王同生、李亚伟、徐义彪、王庆虎
公开日:
2017-10-13
代理机构:
武汉科皓知识产权代理事务所(特殊普通合伙)42222
主分类号:
C04B35/66(2006.01)I
我要购买
摘要:
本发明公开一种高导热高微孔电煅煤基炭砖及其制备方法。其技术方案是:先后在气氛炉于还原性气氛预烧,分别得到活化电煅无烟煤颗粒和活化电煅无烟煤细粉;将六水合硝酸镍和无水乙醇混合,得到硝酸镍溶液。以10~20wt%的活化电煅无烟煤细粉、4~10wt%的α‑Al2O3微粉、4~10wt%的硅粉、2~6wt%的铝镁合金粉、1~2wt%的炭黑和0.5~1wt%的碳化硼粉为基质,以60~70wt%的活化电煅无烟煤颗粒为骨料;先将骨料和硝酸镍溶液置入混碾机,混合,再加入热固性酚醛树脂,混碾,然后加入基质共混后的基质细粉,混碾,成型,干燥;最后在氮气气氛和1080~1280℃条件下烧成,制得高导热高微孔电煅煤基炭砖。本发明所制制品具有导热系数高、微孔化率高和抗铁水侵蚀性好的特点。
[发明]
一种矿用深孔激光测量仪
申请号:
201710179725.5
状态:
审中-实审
申请日:
2017-03-23
申请人:
武汉科技大学
发明人:
李明杰、张红军、秦鹏渊、叶义成、高玉璞、王文杰、耿飞、柯丽华、刘彦章、李彬、王其虎、王嘉慧、王胜平、张炜、王云、李永华、王雪强、马国栋、丁科、张帅
公开日:
2017-06-13
代理机构:
武汉科皓知识产权代理事务所(特殊普通合伙)42222
主分类号:
G01S17/08(2006.01)
我要购买
摘要:
本发明公开了一种矿用深孔激光测量仪,包括测量仪、托盘、水平仪和伞形安装支架和,所述测量仪通过橡胶套固定在托盘内,所述测量仪用于测量爆破孔参数,所述水平仪设置有两个,镶嵌在托盘表面,两个水平仪中心线相互垂直;所述伞形安装支架连接在测量仪底部,能根据矿孔的大小,调节伞形支架的伸开尺寸,便捷、准确的固定在直径不同的炮孔内,并保证测量仪的信号发射器所发射的信号与炮孔轴心线重合,从而确保精确测量炮孔的深度,特别是测量孔径相同的爆区,一次调整套管定位阀,就可以实现多次、快速测量,大大提高了测量炮孔深度的效率。
[实用新型]
一种矿用深孔激光测量仪
申请号:
201720290064.9
状态:
有权
申请日:
2017-03-23
申请人:
武汉科技大学
发明人:
李明杰、张红军、秦鹏渊、叶义成、高玉璞、王文杰、耿飞、柯丽华、刘彦章、李彬、王其虎、王嘉慧、王胜平、张炜、王云、李永华、王雪强、马国栋、丁科、张帅
公开日:
2017-10-13
代理机构:
武汉科皓知识产权代理事务所(特殊普通合伙)42222
主分类号:
G01S17/08(2006.01)I
我要购买
摘要:
本实用新型公开了一种矿用深孔激光测量仪,包括测量仪、托盘、水平仪和伞形安装支架和,所述测量仪通过橡胶套固定在托盘内,所述测量仪用于测量爆破孔参数,所述水平仪设置有两个,镶嵌在托盘表面,两个水平仪中心线相互垂直;所述伞形安装支架连接在测量仪底部,能根据矿孔的大小,调节伞形支架的伸开尺寸,便捷、准确的固定在直径不同的炮孔内,并保证测量仪的信号发射器所发射的信号与炮孔轴心线重合,从而确保精确测量炮孔的深度,特别是测量孔径相同的爆区,一次调整套管定位阀,就可以实现多次、快速测量,大大提高了测量炮孔深度的效率。
[实用新型]
一种养生木地板
申请号:
201720289347.1
状态:
有权
申请日:
2017-03-23
申请人:
武汉科技大学
发明人:
罗刚、雷钰琛、李昭
公开日:
2018-10-23
代理机构:
北京众达德权知识产权代理有限公司11570
主分类号:
A61H39/04(2006.01)I
我要购买
摘要:
本实用新型属于保健养生器材技术领域,公开了一种养生木地板,包括:下安装板、上安装板、弹性垫以及夜明珠;所述下安装板上设置球面凹槽阵列;所述上安装板上,对应于所述球面凹槽阵列处,设置通孔;所述弹性垫覆盖在所述球面凹槽阵列上,设置在所述上安装板和所述下安装板之间;所述夜明珠置于所述弹性垫上,嵌于所述球面凹槽阵列与所述通孔之间;其中,所述通孔的孔径小于所述夜明珠的直径。本实用新型提供一种良好保健养生效果的养生木地板。
[发明]
一种油泵
申请号:
201710178346.4
状态:
审中-实审
申请日:
2017-03-23
申请人:
武汉科技大学
发明人:
程峰、郭健忠、钱能、谢斌、吴建立
公开日:
2017-07-07
代理机构:
北京众达德权知识产权代理有限公司11570
主分类号:
F04B51/00(2006.01)I
我要购买
摘要:
本发明属于汽车工程技术领域,公开了一种油泵,包括:油泵本体、液位传感器以及腔体;所述腔体底部通过通油孔与所述油泵本体的油腔连通,所述液位传感器设置在所述腔体内。本发明提供一种能够精确测量油量的油泵,具备良好的抗震荡能力。
[实用新型]
一种便携伸缩晾晒装置
申请号:
201720282965.3
状态:
有权
申请日:
2017-03-22
申请人:
武汉科技大学
发明人:
陈望梅、李慧、朱丽安、黄新明、肖宇
公开日:
2018-06-29
代理机构:
北京众达德权知识产权代理有限公司11570
主分类号:
A47G25/14(2006.01)I
我要购买
摘要:
本实用新型涉及一种便携伸缩晾晒装置,包括:挂件、三角接头、第一杆件、第二杆件、第三杆件及两个两角接头;挂件的一端为弯折形成的弧形端,另一端为直线端;三角接头设置有三个第一接口;挂件的直线端可拆卸连接三角接头中的一个第一接口;第一杆件的一端与三角接头的第二个第一接口可拆卸连接;第二杆件的一端与三角接头的第三个第一接口可拆卸连接;第一杆件、第二杆件及第三杆件都为伸缩杆;两角接头设置有两个第二接口。该便携伸缩晾晒装置所有部件可拆卸,携带时节省空间,可根据衣物的大小调节装置大小,提高装置的适应能力。
[实用新型]
一种复合履带
申请号:
201720280864.2
状态:
有权
申请日:
2017-03-22
申请人:
深圳市贝特尔机器人有限公司、武汉科技大学
发明人:
王琳峰、童彪、王彦、甘朝晖、梁新全、崔一、马建庄
公开日:
2018-01-30
代理机构:
深圳力拓知识产权代理有限公司44313
主分类号:
B62D55/26(2006.01)I
我要购买
摘要:
本实用新型公开了一种复合履带,包括多个相同的履带节并且履带节之间通过销轴连接,履带节包括钢铁履带、橡胶条和螺钉,钢铁履带的侧面设置有凹槽,橡胶条安装在凹槽中,凹槽上设置有小孔,橡胶条上设置有通孔,螺钉依次穿过橡胶条的通孔和凹槽的小孔并且固定在钢铁履带上。该产品结构简单,设计合理,该产品不容易打滑,上坡容易,工作噪音小,不会损毁路面并且减振效果好,该产品具有强度高、体积小、抗冲击、耐高温和使用寿命长的优点,具有广阔的应用前景。
[发明]
一种具有核壳结构的Fe@Ni复合粉体及其制备方法
申请号:
201710175312.X
状态:
有权
申请日:
2017-03-22
申请人:
武汉科技大学
发明人:
李享成、文泽宇、陈平安、朱伯铨
公开日:
2017-06-30
代理机构:
武汉科皓知识产权代理事务所(特殊普通合伙)42222
主分类号:
B22F1/02(2006.01)I
我要购买
摘要:
本发明涉及一种具有核壳结构的Fe@Ni复合粉体及其制备方法。其技术方案是:将铁粉放入氢氧化钠溶液中搅拌,洗涤,再放入稀硫酸溶液中,搅拌,洗涤,干燥,得到洗涤后的铁粉。将络合剂和镍盐在水浴条件下搅拌,得到鳌合液;再将还原剂加入鳌合液中,搅拌,得混合液,用氢氧化钠溶液调节pH值,得到镀镍液;再向所述镀镍液中加入稳定剂,搅拌,即得稳定的镀镍液。向稳定的镀镍液中加入所述洗涤后的铁粉,持续搅拌,得到包覆液;将所述包覆液洗涤,干燥,制得具有核壳结构的Fe@Ni复合粉体。本发明具有工艺简单、生产周期短、操作性强、成品率高、成本低的特点;所制制品无明显的团聚、成分均匀、化学性能稳定和抗氧化性优良。
[发明]
一种四爪式仿人爬管机器人
申请号:
201710175316.8
状态:
有权
申请日:
2017-03-22
申请人:
武汉科技大学
发明人:
侯宇、卢蒙、段宇、李诗雷、王志明
公开日:
2017-06-23
代理机构:
武汉科皓知识产权代理事务所(特殊普通合伙)42222
主分类号:
B62D57/024(2006.01)I
我要购买
摘要:
本发明公开了一种四爪式仿人爬管机器人,包括对称式设置的四肢和将四肢连接为一体的上部躯干和下部躯干;四肢均为末端带机械爪的活动机械臂,分别为左上肢、右上肢、左下肢和右下肢,左上肢和右上肢分别与上部躯干的左右两端相连,左下肢和右下肢分别与下部躯干的左右两端相连;四肢通过挤压滑块和挤压弹簧机构分别连接在上部躯干和下部躯干的两端,下部躯干与上部躯干之间通过腰部机构相连,腰部机构由上部驱动舵机、第一腰部连接架、中部驱动舵机、第二腰部连接架以及下部驱动舵机组成可多自由度运动的机构,在腰部机构 和四肢的运动作用下,本发明爬管机器人可模仿人的四肢实现各种不同类型的爬管需求。其工作稳定性好、地形适应能力强。
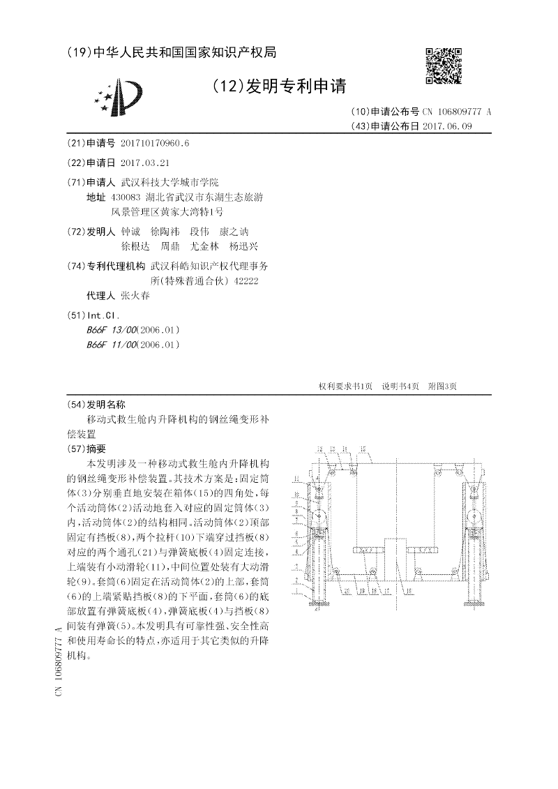
[发明]
移动式救生舱内升降机构的钢丝绳变形补偿装置
申请号:
201710170960.6
状态:
审中-实审
申请日:
2017-03-21
申请人:
武汉科技大学城市学院
发明人:
钟诚、徐陶祎、段伟、康之讷、徐根达、周鼎、尤金林、杨迅兴
公开日:
2017-06-09
代理机构:
武汉科皓知识产权代理事务所(特殊普通合伙)42222
主分类号:
B66F13/00(2006.01)I
我要购买
摘要:
本发明涉及一种移动式救生舱内升降机构的钢丝绳变形补偿装置。其技术方案是:固定筒体(3)分别垂直地安装在箱体(15)的四角处,每个活动筒体(2)活动地套入对应的固定筒体(3)内,活动筒体(2)的结构相同。活动筒体(2)顶部固定有挡板(8),两个拉杆(10)下端穿过挡板(8)对应的两个通孔(21)与弹簧底板(4)固定连接,上端装有小动滑轮(11),中间位置处装有大动滑轮(9)。套筒(6)固定在活动筒体(2)的上部,套筒(6)的上端紧贴挡板(8)的下平面,套筒(6)的底部放置有弹簧底板(4),弹簧底板(4)与挡板(8)间装有弹簧(5)。本发明具有可靠性强、安全性高和使用寿命长的特点,亦适用于其它类似的升降机构。
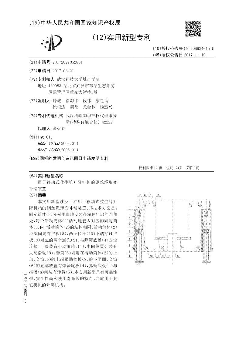
[实用新型]
用于移动式救生舱升降机构的钢丝绳形变补偿装置
申请号:
201720278528.4
状态:
有权
申请日:
2017-03-21
申请人:
武汉科技大学城市学院
发明人:
钟诚、徐陶祎、段伟、康之讷、徐根达、周鼎、尤金林、杨迅兴
公开日:
2017-11-10
代理机构:
武汉科皓知识产权代理事务所(特殊普通合伙)42222
主分类号:
B66F13/00(2006.01)I
我要购买
摘要:
本实用新型涉及一种用于移动式救生舱升降机构的钢丝绳形变补偿装置。其技术方案是:固定筒体(3)分别垂直地安装在箱体(15)的四角处,每个活动筒体(2)活动地套入对应的固定筒体(3)内,活动筒体(2)的结构相同。活动筒体(2)顶部固定有挡板(8),两个拉杆(10)下端穿过挡板(8)对应的两个通孔(21)与弹簧底板(4)固定连接,上端装有小动滑轮(11),中间位置处装有大动滑轮(9)。套筒(6)固定在活动筒体(2)的上部,套筒(6)的上端紧贴挡板(8)的下平面,套筒(6)的底部放置有弹簧底板(4),弹簧底板(4)与挡板(8)间装有弹簧(5)。本实用新型具有可靠性强、安全性高和使用寿命长的特点,亦适用于其它类似的升降机构。
首页
上一页
211
212
213
214
215
216
217
218
219
220
下一页
尾页
当前共找到
8115
个专利记录
,当前显示页码
220/406