首页
专利查询
专利购买
专利转让
专利申请
15071489439
当前位置:
专利巴士
专利查询
专利名称
查询
高级查询
当前共找到
8115
个专利记录
,当前显示页码
241/406
专利名称
申请号
申请人
发明人
专利代办机构
[实用新型]
一种爆炸罐封盖起爆连接模块
申请号:
201621186610.6
状态:
无权-未缴年费
申请日:
2016-11-04
申请人:
武汉科技大学
发明人:
段卫东、陈沛、唐玉成、蒋培、胡浩川、刘瑞、许祖熙、白杨、徐园园、金宇华
公开日:
2017-06-09
代理机构:
北京轻创知识产权代理有限公司11212
主分类号:
F42D1/04(2006.01)I
我要购买
摘要:
本实用新型属于深水爆炸罐顶部罐盖上起爆针与导爆管的连接装置技术领域,具体涉及一种爆炸罐封盖起爆连接模块,其包括连接模块主体、起爆针、塑料连接头、密封胶层、导爆管和一对接线柱。通过本实用新型所提供的爆炸罐封盖起爆连接模块可以简化深水爆炸实验后繁琐的拆卸起爆连接模块的步骤,减少拆卸时间,操作方便。
[发明]
灭瘟素的无义突变通读活性用途
申请号:
201610982477.3
状态:
审中-实审
申请日:
2016-11-03
申请人:
武汉科技大学
发明人:
江高峰、袁辉、杜柳涛
公开日:
2018-05-11
代理机构:
主分类号:
A61K31/513(2006.01)I
我要购买
摘要:
本发明公开了灭瘟素的无义突变通读功能。初步实验结果表明,灭瘟素在细胞模型中可部分恢复含有无义突变的荧光素酶的表达,而在细胞外蛋白质截短实验中可部分恢复含无义突变的ATM基因的表达,有望作为先导化合物,经结构改造和修饰开发出新药,治疗无义突变所致的各种疾病,具有潜在的医药用途。
[发明]
一种抗水化镁钙砂及其制备方法
申请号:
201610954863.1
状态:
有权
申请日:
2016-11-03
申请人:
武汉科技大学、浙江红鹰集团股份有限公司
发明人:
张美杰、顾华志、黄奥、罗志安、虞暢
公开日:
2017-03-15
代理机构:
武汉科皓知识产权代理事务所(特殊普通合伙)42222
主分类号:
C04B35/057(2006.01)I
我要购买
摘要:
本发明涉及一种抗水化镁钙砂及其制备方法。其技术方案是:当高温煅烧法烧结后的镁钙砂颗粒连续动态冷却至100~300℃温度时,保温1~5分钟;然后在相同温度条件下向镁钙砂颗粒表面连续喷洒有机硅树脂,喷洒完毕后以5~10℃/min的速度冷却至室温,即得抗水化镁钙砂。其中:每吨镁钙砂喷洒的有机硅树脂为1~5kg,单位时间的有机硅树脂喷洒量为0.05~1kg/s。所述镁钙砂颗粒粒径为1~20mm,所述镁钙砂颗粒的主要化学成分是:CaO为52~55wt%,MgO为42~46wt%,SiO2+Al2O3+Fe2O3≤3wt%。本发明生产成本低、制备工艺简单和能耗低;所制备的镁钙砂抗水化性能好、高温强度高、耐侵蚀和不污染钢液。
[实用新型]
一种余热利用污水处理装置
申请号:
201621178685.X
状态:
有权
申请日:
2016-11-03
申请人:
中国石油化工股份有限公司、武汉科技大学
发明人:
王黎、孙杨、夏正海、刘旭东、胡宁、张涧、王捷、张建文
公开日:
2017-07-18
代理机构:
北京众达德权知识产权代理有限公司11570
主分类号:
C02F1/72(2006.01)
我要购买
摘要:
本实用新型涉及一种余热利用污水处理装置,包括:碱渣废液池、催化反应器、第一预热器、氧气罐、分离器、第一换热器及排水池。催化反应器与碱渣废液池通过管道连接;第一预热器设置在碱渣废液池与催化反应器之间;氧气罐与催化反应器通过气管连接;分离器与催化反应器连接;第一换热器设置在催化反应器与分离器之间;排水池与分离器的液体出口连接。该余热利用污水处理装置工艺简单、操作方便、反应迅速、无二次污染、催化剂可回收再利用和热量资源循环利用。
[发明]
一种钢铁冶炼系统水模型实验用保护渣的制备方法
申请号:
201610943996.9
状态:
有权
申请日:
2016-11-02
申请人:
武汉科技大学
发明人:
张美杰、黎俊、顾华志、黄奥、罗志安
公开日:
2017-03-15
代理机构:
武汉科皓知识产权代理事务所(特殊普通合伙)42222
主分类号:
B22D11/111(2006.01)I
我要购买
摘要:
本发明涉及一种钢铁冶炼系统水模型实验用保护渣的制备方法。其技术方案是:先向钢铁冶炼系统水模型中加入泡沫粒子,再通过水口加入高粘度混合油,然后通过水口加入低粘度混合油,制得从上向下依次为泡沫粒子层、高粘度混合油层和低粘度混合油层构成的水模型实验用保护渣,以模拟钢铁冶炼系统保护渣中对应的粉渣层、烧结层和液渣层。所述高粘度混合油为植物油和融化的废弃动物油的混合油,所述低粘度混合油为植物油与煤油的混合油。本发明不仅成本低和工艺简单,制备的钢铁冶炼系统水模型实验用保护渣具有变粘度、变密度的特点,与实际钢铁冶炼过程中保护渣结构特点更加符合,能更真实形象地模拟钢铁冶炼系统中保护渣的运动及卷渣情况。
[发明]
基于高频感应炉的髙磷鲕状赤铁矿制备炼钢生铁的方法
申请号:
201610935563.9
状态:
无权-视为撤回
申请日:
2016-11-01
申请人:
武汉科技大学
发明人:
李光强、王恒辉、赵栋、马江华、曹羽鑫
公开日:
2017-03-29
代理机构:
武汉智盛唯佳知识产权代理事务所(普通合伙)42236
主分类号:
C21B13/14(2006.01)I
我要购买
摘要:
本发明涉及一种基于高频感应炉的髙磷鲕状赤铁矿制备炼钢生铁的方法,属于钢铁冶金及资源回收利用领域。本发明采用高纯H2对原矿粉进行气基还原,利于提升矿粉的金属化率和孔隙率,还原后的矿粉金属化率达到85%以上。通过配加预熔良好的CaO?SiO2二元碱度渣料和少量粉状添加剂CaF2和C2FeO4·2H2O,能实现渣铁快速除杂与分离。利用高频感应炉加热速度快,熔化效率高的优势,能在较短时间内实现渣铁分离,同时由于感应炉具有一定的电磁搅拌效果,使渣铁充分接触,提升体系脱磷脱硫效果。在此工艺条件下制备的炼钢生铁磷含量小于0.3%,硫含量小于0.02%,硅含量小于0.5%,铁的回收率大于85。
[实用新型]
一种锁定放大器
申请号:
201621164329.2
状态:
无权-未缴年费
申请日:
2016-11-01
申请人:
武汉科技大学
发明人:
麦贻捷
公开日:
2017-04-12
代理机构:
北京华夏正合知识产权代理事务所(普通合伙)11017
主分类号:
H03F3/20(2006.01)I
我要购买
摘要:
本实用新型公开了一种锁定放大器,包括第一电阻分压网络、第二电阻分压网络、加法器、带通滤波器、相敏检波器、低通滤波器、移相器和采样与显示电路,干扰信号通过第一电阻分压网络进入到锁定放大器内,参考信号输入后分成两路,一路通过第二电阻分压网络进入,另外一路进入所述移相器,所述移相器的输出端与所述相敏检波器相连。本实用新型的锁定放大器较好地实现了强噪声背景下微弱信号幅度的检测,主要针对微弱信号检测方法中的相敏检波技术进行了研究,对噪声源放大后与正弦干扰信号的叠加、衰减、滤波、检波,最后AD采样处理并显示,构成一套完整的锁定放大系统。
[实用新型]
一种自助式无人机物流收发系统
申请号:
201621160452.7
状态:
无权-未缴年费
申请日:
2016-11-01
申请人:
武汉科技大学
发明人:
冯浩
公开日:
2017-05-17
代理机构:
北京华夏正合知识产权代理事务所(普通合伙)11017
主分类号:
G06Q10/08(2012.01)I
我要购买
摘要:
本实用新型公开了一种自助式无人机物流收发系统,包括:信息终端,通过互联网与控制终端进行通信,寄存阵列和储物柜通过自组网的方式实现指令传输,信息交换,并通过控制服务器控制多个或一个储物柜的电子锁件,操控包裹的收、取和储物柜的寄存、转运;无人机连接部件,收、发和运输储物柜。本实用新型采用APP,利用微信、工业平板电脑等可以上网的终端或者扫描码即可进行快递包裹收发,通过无人机快递与自助式无人机物流收发系统的配合使用,最大程度的方便了物业的管理,降低了陌生人员的出入,降低了事故发生,同时对城市的机动车治理也提供了良好的解决方案。
[发明]
一种蜂窝状钛铝酸钙空心球及其制备方法
申请号:
201610931554.2
状态:
有权
申请日:
2016-10-31
申请人:
武汉科技大学
发明人:
张寒、赵惠忠、李静捷、余俊、梁永和、聂建华
公开日:
2017-03-15
代理机构:
武汉科皓知识产权代理事务所(特殊普通合伙)42222
主分类号:
C04B35/66(2006.01)I
我要购买
摘要:
本发明涉及一种蜂窝状钛铝酸钙空心球及其制备方法。其技术方案是:按钛铁矿∶金红石∶磁铁矿的质量比为100∶(3~13)∶(5~15),将钛铁矿、金红石和磁铁矿混合,再将混合后的混合粉体加入电磁感应炉中,升温至1300~1400℃,保温;然后按混合粉体∶铝粉的质量比为100∶(25~30),向电磁感应炉中加入铝粉,升温至1550~1600℃,保温;最后按混合粉体∶石灰石粉体的质量比为100∶(8~10),向电磁感应炉中加入石灰石粉体,升温至1950~2000℃,保温;从排渣口分离熔渣,用0.4~0.8MPa的压缩空气喷吹熔渣,冷却,即得蜂窝状钛铝酸钙空心球。本发明工艺简单、生产成本低和成球率高;所制备的蜂窝状钛铝酸钙空心球体积密度小、热导率低和冷态耐压强度大。
[实用新型]
一种杀菌式铲子钉耙组合农具
申请号:
201621235546.6
状态:
无权-未缴年费
申请日:
2016-10-31
申请人:
武汉科技大学
发明人:
阿卜杜许库热·麦麦提、李伟
公开日:
2017-07-04
代理机构:
主分类号:
A01B1/20(2006.01)I
我要购买
摘要:
本实用新型涉及农具用品领域,具体涉及一种杀菌式铲子钉耙组合农具,它包括手柄杆、紫外灯、电池槽、手动按钮开关、第一防滑纹、第二防滑纹、铲头、倒刺、齿块、钉耙齿、刀片;所述手柄杆呈水平圆柱长条状,手柄杆的外侧曲面壁上靠近手柄杆的左端和右端位置处分别沿手柄杆曲面壁圆周开设有第一防滑纹和第二防滑纹,手柄杆的曲面壁上位于第一防滑纹和第二防滑纹之间固定设有紫外灯、电池槽和手动按钮开关,电池槽内安装有可拆卸更换的供电电池,电池槽、手动按钮开关和紫外灯依次串联电性连接形成回路。本实用新型不仅能同时实现传统铲子和传统钉耙的功能,还能在起收农作物的过程中对农作物进行消毒杀菌,还能提高土壤翻松的效率。
[实用新型]
一种水平桩基单桩水平载荷试验装置
申请号:
201621157445.1
状态:
无权-未缴年费
申请日:
2016-10-31
申请人:
武汉科技大学
发明人:
蒙钟娴
公开日:
2017-05-24
代理机构:
北京轻创知识产权代理有限公司11212
主分类号:
E02D33/00(2006.01)I
我要购买
摘要:
本实用新型公开了一种水平桩基单桩水平载荷试验装置,包括加力装置、反力装置以及测量装置,加力装置包括电动液压千斤顶,电动液压千斤顶前端为加力杆,加力杆下部为钢板平台,加力杆和钢板平台之间设有滚柱,加力杆前端连接压力传感器,压力传感器前端为球形铰支座,测量装置包括两个基准桩,基准桩从上至下依次设有上部横梁和下部横梁,上部横梁上设有上部位移传感器,下部横梁上设有下部位移传感器,反力装置包括外方钢和内方钢,外方钢和内方钢上均设有两个方钢锚柱孔,方钢锚柱孔内插有锚柱,本实用新型结构简单,操作方便,运输便捷,所有部件均可再次利用,降低了测试费用,同时不用浇筑反力桩,也节省了工期。
[实用新型]
一种建筑施工防护网
申请号:
201621149688.0
状态:
无权-未缴年费
申请日:
2016-10-29
申请人:
武汉科技大学城市学院、王新
发明人:
于金凤
公开日:
2017-05-10
代理机构:
主分类号:
E04H17/00(2006.01)I
我要购买
摘要:
一种建筑施工防护网,其包括并排设置的两个防护栏1、设置在两个防护栏1之间的尼龙网2以及设置在两个防护栏1上端的圆弧型端盖3;防护栏1包括两个支撑柱11、设置在两个支撑柱11之间的防护钢网12;圆弧型端盖3为透光塑料材质;与圆弧型端盖3相邻的连接架13上并排设置有照明灯4;防护钢网12的网面上部向外弯折,形成圆弧型凸起网面121;本实用新型整体防护性能稳定,可有效的阻隔外来人员进入工地,并且整体规划性强。
[实用新型]
一种爆炸动态测试时防止测试设备受损的防护装置
申请号:
201621188416.1
状态:
无权-未缴年费
申请日:
2016-10-28
申请人:
武汉科技大学
发明人:
段卫东、陈沛、唐玉成、蒋培、胡浩川、刘瑞、许祖熙、白杨、徐园园、金宇华
公开日:
2017-07-07
代理机构:
北京轻创知识产权代理有限公司11212
主分类号:
F42D5/00(2006.01)I
我要购买
摘要:
本实用新型属于爆破领域,具体涉及一种爆炸动态测试时防止测试设备受损的防护装置。该装置包括上下两端均开口的防护直筒和用于将所述防护直筒罩设在待测试介质材料爆破区上方的支架组件,所述防护直筒上设置有供引爆导线伸入其内并与下方所述爆破区内爆炸物连接的通孔或固定槽。本实用新型的有益效果是:防护直筒通过支架组件罩设在待测介质材料爆破区上方,爆炸物爆炸时产生的冲击破和碎片由于防护直筒的遮挡不会对防护直筒外贴于介质材料表面的应变片及连接应变片和应变仪的屏蔽导线产生损伤,故增加了测试的准确率和成功率;该防护装置结构简单,加工制造方便,使用方便,可拆卸,易携带,使用方便,防护效果明显。
[发明]
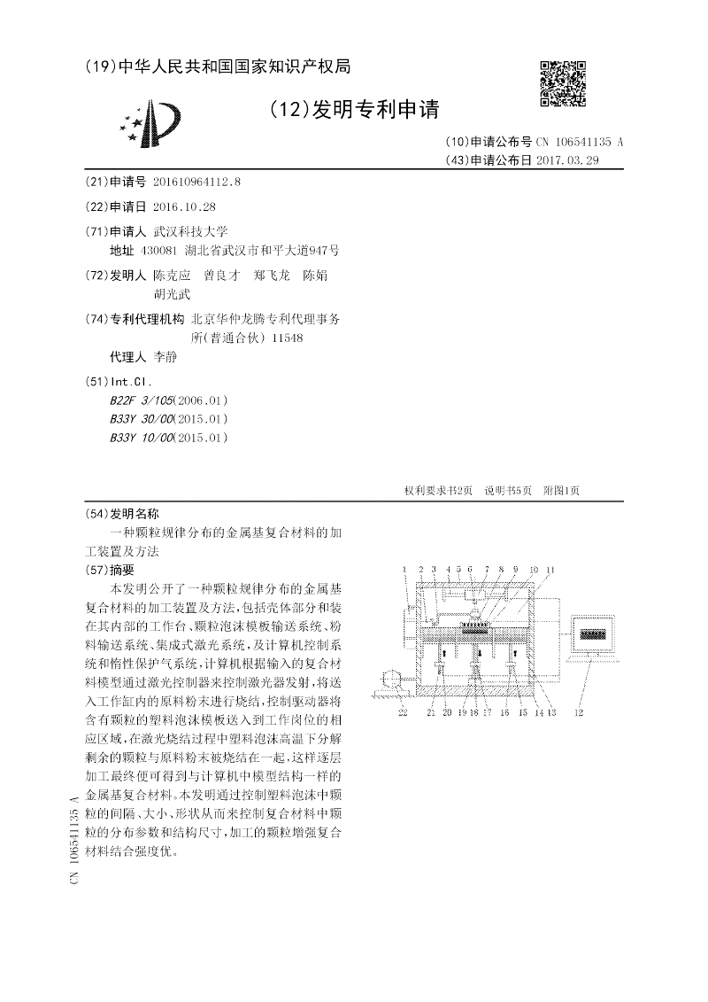
一种颗粒规律分布的金属基复合材料的加工装置及方法
申请号:
201610964112.8
状态:
有权
申请日:
2016-10-28
申请人:
武汉科技大学
发明人:
陈克应、曾良才、郑飞龙、陈娟、胡光武
公开日:
2017-03-29
代理机构:
北京华仲龙腾专利代理事务所(普通合伙)11548
主分类号:
B22F3/105(2006.01)I
我要购买
摘要:
本发明公开了一种颗粒规律分布的金属基复合材料的加工装置及方法,包括壳体部分和装在其内部的工作台、颗粒泡沫模板输送系统、粉料输送系统、集成式激光系统,及计算机控制系统和惰性保护气系统,计算机根据输入的复合材料模型通过激光控制器来控制激光器发射,将送入工作缸内的原料粉末进行烧结,控制驱动器将含有颗粒的塑料泡沫模板送入到工作岗位的相应区域,在激光烧结过程中塑料泡沫高温下分解剩余的颗粒与原料粉末被烧结在一起,这样逐层加工最终便可得到与计算机中模型结构一样的金属基复合材料。本发明通过控制塑料泡沫中颗粒的间隔、大小、形状从而来控制复合材料中颗粒的分布参数和结构尺寸,加工的颗粒增强复合材料结合强度优。
[实用新型]
一种湿式振筛机以及振筛装置
申请号:
201621199910.8
状态:
无权-未缴年费
申请日:
2016-10-28
申请人:
武汉科技大学
发明人:
邓小龙、李茂林、崔瑞
公开日:
2017-06-09
代理机构:
北京超凡志成知识产权代理事务所(普通合伙)11371
主分类号:
B07B1/28(2006.01)I
我要购买
摘要:
本实用新型公开一种湿式振筛机,涉及选矿领域。其包括机架、振动装置、振动基座、分样筛固定板、连接件、过滤水槽。分样筛固定板的壁面开设贯通分样筛固定板的壁面的固定孔,固定孔用于放置实验标准分样筛。分样筛固定板与振动基座通过连接件连接。机架限定振动空间。振动基座靠近第一端,设置与振动空间中,并与机架弹性连接,振动基座、分样筛固定板和过滤水槽沿第一端到第二端方向上依次设置于振动空间中。其能提高固体物料分级的效率、与分级的效果,满足使用者对筛分作业的需求。本实用新型还公开一种振筛装置,其具备上述湿式振筛机的特点,其能提高固体物料分级的效率、与分级的效果,满足使用者对筛分作业的需求。
[发明]
一种干熄焦系统循环气体低温余热利用方法
申请号:
201610956995.8
状态:
有权
申请日:
2016-10-27
申请人:
武汉科技大学
发明人:
王世杰、张琦、吴高明
公开日:
2017-05-10
代理机构:
武汉开元知识产权代理有限公司42104
主分类号:
C10B39/02(2006.01)I
我要购买
摘要:
本发明公开了一种干熄焦系统循环气体低温余热利用方法,包括将红焦送入干熄炉被循环惰性气体冷却后得到冷焦,其特征在于,出干熄炉的循环惰性气体经余热锅炉回收显热后送入球加热器对蓄热球进行加热,然后回送到干熄炉内对红焦进行冷却;将炼焦煤和来自球加热器加热后的蓄热球经球‑煤配料斗送入球‑煤回转窑内,通过蓄热球对炼焦煤进行干燥破碎,然后经煤‑球分离器分离出蓄热球和破碎后炼焦煤,蓄热球回送到球加热器再一次加热,破碎后炼焦煤经煤分级筛分离出粗煤料、细煤料和粉煤,所述细煤料送入焦炉炼焦。本发明工艺简单、能有效回收循环惰性气体余热、对炼焦煤有效干燥,延长设备使用寿命、大幅减少烟尘排放,对环境友好。
[发明]
一种干熄焦系统余热余能综合利用方法
申请号:
201610957404.9
状态:
有权
申请日:
2016-10-27
申请人:
武汉科技大学
发明人:
王世杰、张琦、吴高明
公开日:
2017-04-19
代理机构:
武汉开元知识产权代理有限公司42104
主分类号:
C10B53/04(2006.01)I
我要购买
摘要:
本发明公开了一种干熄焦系统余热余能综合利用方法,包括将红焦送入干熄炉被循环惰性气体冷却后得到冷焦,将冷焦和蓄热球一起经球‑焦配料斗送入球‑焦换热器,利用冷焦加热蓄热球,然后经球‑焦分离器分离出焦炭和加热后的蓄热球,所述加热后的蓄热球和炼焦煤一起经球‑煤配料斗送入球‑煤回转窑内,利用蓄热球对炼焦煤行干燥破碎,然后经煤‑球分离器分离出蓄热球和破碎后炼焦煤,蓄热球回送到球‑焦配料斗,破碎后炼焦煤再经流化床分离出粗煤料、细煤料和粉煤,所述细煤料送入焦炉炼焦后得到红焦。本发明工艺简单、能有效回收焦炭余热、对炼焦煤有效干燥,延长设备使用寿命、大幅减少烟尘排放,对环境友好。
[发明]
一种干熄焦循环气体及焦炉烟气余热偶合利用方法
申请号:
201610958132.4
状态:
审中-实审
申请日:
2016-10-27
申请人:
武汉科技大学
发明人:
王世杰、秦林波、张琦、吴高明
公开日:
2017-05-17
代理机构:
武汉开元知识产权代理有限公司42104
主分类号:
C10B53/04(2006.01)I
我要购买
摘要:
本发明公开了干熄焦循环气体及焦炉烟气余热偶合利用方法,包括将红焦送入干熄炉被循环惰性气体冷却后得到冷焦,出所述干熄炉的循环惰性气体经余热锅炉回收显热后送入球加热器对蓄热球进行加热,然后回送到干熄炉内对红焦进行冷却;加热后的蓄热球和炼焦煤经球‑煤配料斗送入球‑煤回转窑内,通过蓄热球对炼焦煤进行干燥破碎,然后经煤‑球分离筛分离出蓄热球和破碎后炼焦煤,蓄热球回送到球加热器,破碎后炼焦煤经流化床分离出粗煤料、细煤料和粉煤,所述细煤料送入焦炉炼焦后得到红焦。本发明工艺简单、能有效回收焦碳余热、对炼焦煤有效干燥,延长设备使用寿命、降低生产和投资成本、大幅减少烟气排放,对环境友好。
[发明]
一种干熄冷焦低温余热利用及粗破一体化工艺
申请号:
201610958123.5
状态:
有权
申请日:
2016-10-27
申请人:
武汉科技大学
发明人:
王世杰、秦林波、张琦、吴高明
公开日:
2017-05-10
代理机构:
武汉开元知识产权代理有限公司42104
主分类号:
C10B39/02(2006.01)I
我要购买
摘要:
本发明涉及一种干熄冷焦低温余热利用及粗破一体化工艺,包括将红焦送入干熄炉冷却后得到冷焦,将冷焦和蓄热球一起经球‑焦配料斗送入球‑焦换热器,利用冷焦直接加热蓄热球,然后经球‑焦分离器分离出焦炭和加热后蓄热球,所述加热后蓄热球和炼焦煤一起经球‑煤配料斗送入球‑煤回转窑,利用蓄热球对炼焦煤行干燥破碎,然后经煤‑球分离筛分离出蓄热球和破碎后炼焦煤,所述蓄热球回送到球‑焦配料斗,所述破碎后炼焦煤再经煤分级筛分离出粗煤粒和粉煤,所述粗煤粒送入焦炉炼焦。本发明工艺简单、能有效回收焦碳余热、对炼焦煤有效干燥,延长设备使用寿命、降低生产和投资成本、大幅减少烟尘排放,对环境友好。
[发明]
基于压缩跟踪算法的尺度自适应多姿态人脸跟踪方法
申请号:
201610947868.1
状态:
有权
申请日:
2016-10-26
申请人:
武汉科技大学
发明人:
吴怀宇、陈镜宇、钟锐、何云、程果
公开日:
2017-04-19
代理机构:
湖北武汉永嘉专利代理有限公司42102
主分类号:
G06K9/00(2006.01)I
我要购买
摘要:
本发明公开了一种基于压缩跟踪算法的尺度自适应多姿态人脸跟踪方法,利用压缩跟踪算法对目标人脸进行粗略定位,从而缩小了人脸检测算法的搜索范围,进而提高目标人脸检测算法准确性和实时性;利用人脸检测算法,实现目标人脸的准确定位,同时实现目标人脸的尺度自适应跟踪;利用目标人脸检测算法,解决目标人脸离开镜头再次进入时,跟踪失效的问题;利用目标人脸运动过程在时间上的连续性,实现目标人脸检测算法检测失败情况下的跟踪连续性问题。本发明通过以上方法能够保证摄像头对目标人脸进行准确有效的多姿态,尺度自适应跟踪,可广泛的应用于视频监控、人机交互、虚拟现实以及各种安防系统之中如:ATM机监控门禁系统等。
首页
上一页
241
242
243
244
245
246
247
248
249
250
下一页
尾页
当前共找到
8115
个专利记录
,当前显示页码
241/406