首页
专利查询
专利购买
专利转让
专利申请
15071489439
当前位置:
专利巴士
专利查询
专利名称
查询
高级查询
当前共找到
8115
个专利记录
,当前显示页码
248/406
专利名称
申请号
申请人
发明人
专利代办机构
[发明]
一种钢包用耐侵蚀浇注料及其使用方法
申请号:
201610823456.7
状态:
有权
申请日:
2016-09-14
申请人:
武汉科技大学
发明人:
黄奥、连朋飞、顾华志、邹永顺、张美杰、付绿平
公开日:
2017-02-15
代理机构:
武汉科皓知识产权代理事务所(特殊普通合伙)42222
主分类号:
C04B35/66(2006.01)I
我要购买
摘要:
一种钢包用耐侵蚀浇注料及其使用方法。其技术方案是:以45~65wt%的刚玉颗粒、10~25wt%的刚玉细粉、10~20wt%的铝镁尖晶石、3~5wt%的铝酸盐水泥和4~8wt%的活性氧化铝微粉为原料,外加原料0.1~0.3wt%的聚羧酸分散剂和0.1~5wt%的微米级磁性颗粒,混料,再外加原料4~5wt%的水,搅拌,浇注成型,脱模,烘烤,制得浇注料生坯。按微米级磁性颗粒∶叔丁醇的质量比为1∶(1~3)配料,搅拌均匀,得到磁性颗粒涂料。再将磁性颗粒涂料涂抹于所述浇注料生坯表面,所述磁性颗粒涂料的涂层厚度为0.1~1mm,然后在80~110℃条件下烘烤20~24小时,即得钢包用耐侵蚀浇注料。本发明所制制品具有能洁净钢水、抗渣性能好、耐侵蚀和寿命长的特点。
[发明]
一种钢包用耐侵蚀砖及其使用方法
申请号:
201610823450.X
状态:
有权
申请日:
2016-09-14
申请人:
武汉科技大学
发明人:
黄奥、邹永顺、顾华志、连朋飞、刘云、张思思、陈博文
公开日:
2017-02-15
代理机构:
武汉科皓知识产权代理事务所(特殊普通合伙)42222
主分类号:
C04B35/101(2006.01)I
我要购买
摘要:
本发明涉及一种钢包用耐侵蚀砖及其使用方法。其技术方案是:以41~62wt%的改性刚玉颗粒、25~35wt%的刚玉细粉和10~25wt%的铝镁尖晶石细粉为原料,混匀;外加原料3~5wt%的酚酚醛树脂,混碾,成型,在150~200℃条件下保温20~24小时,制得钢包用耐侵蚀砖。改性刚玉颗粒的制备方法是:按微米级磁性颗粒∶分散剂∶无水乙醇的质量比为1∶(1~2)∶(1~2);将微米级磁性颗粒与分散剂放入无水乙醇中分散,得到磁性颗粒分散液;再按刚玉颗粒∶磁性颗粒分散液的质量比为1∶(1~3),将刚玉颗粒在磁性颗粒分散液中浸渍1~3h,在80~200℃条件下烘烤12~24小时,即得表面改性的刚玉颗粒。本发明具有洁净钢水、抗渣性能好、抗侵蚀性能好和寿命长的特点。
[实用新型]
一种室内湿度及颗粒物含量监测报警装置
申请号:
201621055022.9
状态:
无权-未缴年费
申请日:
2016-09-14
申请人:
武汉科技大学
发明人:
马玉鹏、龚勇斌、李旭、方睿、吴昊、朱诗勰、毛帅、黎园、曹世玉
公开日:
2017-03-22
代理机构:
北京华仲龙腾专利代理事务所(普通合伙)11548
主分类号:
G08B19/00(2006.01)I
我要购买
摘要:
本实用新型涉公开了一种室内湿度及颗粒物含量监测报警装置,包括设置在室内的数据采集器、第一数据发射器、报警器和信息终端,数据采集器包括信号放大器、模数转换器、湿度传感器、颗粒物传感器和数据处理芯片,信息终端包括第一数据接收器、控制芯片、存储器、第二数据发射器和显示器,报警器包括蜂鸣器和第二数据接收器。本实用新型有益效果是:能快速反应室内环境变换,并通过警报提醒室内人员采取措施,能自动采集室内湿度数据及颗粒物含量数据,用户在此过程中无需付出任何劳动量,反应迅速,能够起到积极预警的作用,对于室内环境有良好的监测作用,并且所获得的数据精度高,更方便于用户调节,结构简单,具有很强的实用性。
[实用新型]
一种新型螺旋溜槽
申请号:
201621053992.5
状态:
无权-未缴年费
申请日:
2016-09-14
申请人:
武汉科技大学
发明人:
孙建军、黄自力、高斯、王福坤
公开日:
2017-04-12
代理机构:
武汉宇晨专利事务所42001
主分类号:
B03B5/62(2006.01)I
我要购买
摘要:
一种新型螺旋溜槽,包括:螺旋溜槽槽体3、螺旋溜槽支架4,所述螺旋溜槽槽体3安装在螺旋溜槽支架4上,螺旋溜槽槽体3通过焊接与螺旋溜槽支架4连接,在所述螺旋溜槽支架4上部设有给矿斗2,所述给矿斗2上设置固定架1;所述螺旋溜槽槽体3下端设有出矿口,所述出矿口连接软管,所述螺旋溜槽支架4下部为伸缩结构,所述伸缩结构包括伸缩内杆8、伸缩杆10,所述方形平台13下面设置脚踏式制动器11、万向轮12,所述脚踏式制动器11通过紧固螺栓9与方形平台13固定。本实用新型使螺旋溜槽使用更方便,易于调节支架高度,方便快捷的万向轮12移动,使螺旋溜槽操作更为便捷,提高了工作效率。
[实用新型]
一种纸袋分离撑袋装置
申请号:
201621057663.8
状态:
无权-未缴年费
申请日:
2016-09-14
申请人:
武汉科技大学
发明人:
吴美霞、代迎、段念念、高旭峰、张启炯、郭勇冠、郑华生、张晨、郦亚军
公开日:
2017-04-19
代理机构:
重庆百润洪知识产权代理有限公司50219
主分类号:
A01G13/02(2006.01)I
我要购买
摘要:
本实用新型涉及一种纸袋分离撑袋装置,包括箱体、分别设于所述箱体内部左右两侧的分离装置和撑袋装置、控制器及用于给整个装置供电的蓄电池;箱体在分离装置的一侧设有用于放入纸袋的开口一,箱体在所述撑袋装置的上端设有用于取出撑开的纸袋的开口二;本实用新型的有益效果是:通过分离装置和撑袋装置可直接将层叠放置的用于套苹果的纸袋分离并撑开,便于直接取用,使用方便,结构简单,体积小,重量轻,操作简易,便于推广;撑袋装置包括撑盘部分和曲柄滑块机构,设计合理,易于安装,通过简单的运动即可达到工作效果。
[发明]
一种致密颗粒镁钙材料及其制备方法
申请号:
201610823568.2
状态:
有权
申请日:
2016-09-14
申请人:
武汉科技大学
发明人:
魏耀武、张奇、李楠
公开日:
2017-02-22
代理机构:
武汉科皓知识产权代理事务所(特殊普通合伙)42222
主分类号:
C04B35/66(2006.01)I
我要购买
摘要:
本发明涉及一种致密颗粒镁钙材料及其制备方法。其技术方案是:将轻烧白云石水化,过滤,烘干,得到镁钙氢氧化物粉体。按镁钙氢氧化物粉体∶添加剂的质量比为1∶(0.002~0.05)配料,湿磨,过滤,烘干,粉磨。将粉磨得到的镁钙氢氧化物混合粉体置于造粒设备中,在1000~3000转/分钟的条件下加入占镁钙氢氧化物混合粉体8~30wt%的水,当有颗粒形成时,调至500~1000转/分钟,待全部造成镁钙氢氧化物颗粒颗粒止。将镁钙氢氧化物颗粒置于加热炉,在1400~1800℃保温1~5小时,以0.5~5升/分钟的流速通入氮气或氩气至35℃~70℃,即得致密颗粒镁钙材料。本发明工艺简单、成本低和能耗低;制备的致密颗粒镁钙材料使用温度高、高温性能稳定和抗水化性能好。
[发明]
旋翼式空地一体化两栖主动嗅觉机器人及其气味探测方法
申请号:
201610820722.0
状态:
审中-实审
申请日:
2016-09-13
申请人:
武汉科技大学
发明人:
程磊、尚闯、余秋月、陈泓宇、杨斌、吴怀宇、陈洋、彭锐、王欣
公开日:
2017-02-22
代理机构:
湖北武汉永嘉专利代理有限公司42102
主分类号:
G05D1/10(2006.01)I
我要购买
摘要:
本发明涉及一种旋翼式空地一体化两栖主动嗅觉机器人及其气味探测方法,旋翼电机和机桨安装在旋翼机架的端头,为机器人空中飞行提供动力;机架之间设置扩展杆,扩展杆上设置气体传感器和超声波传感器,各机架的另一端的顶端下方均设置一个驱动电机,驱动电机上安装主动轮,控制机器人地面运动;气体传感器检测三维空间的气体浓度,超声波传感器辅助机器人避开障碍物,并辅助机器人高度测量。利用空间趋激性气体跟踪算法和面向空地转换的嗅觉记忆算法进行寻源任务。本发明实现了三维空间全空域空地一体化的气味源搜索,提高了机器人的搜索效率,增强了机器人运行的安全性。
[实用新型]
一种磁选管刷子
申请号:
201621051332.3
状态:
无权-未缴年费
申请日:
2016-09-13
申请人:
武汉科技大学
发明人:
孙建军、黄自力、王福坤、高斯
公开日:
2017-05-10
代理机构:
武汉宇晨专利事务所42001
主分类号:
B08B9/087(2006.01)I
我要购买
摘要:
本实用新型涉及一种磁选管刷子。包括:挡盘3,所述挡盘3安置在所述磁选管10的进矿口;缩进杆6,所述缩进杆6上设有螺纹,所述缩进杆6通过螺纹与挡盘3纵向连接;刷头11,所述刷头11位于所述缩进杆6的下部,与缩进杆6连接;摇杆1,所述摇杆1安装在缩进杆6的上部,通过螺纹连接;限位块2,所述限位块2设置在挡盘3的上部,通过螺纹与所述缩进杆6连接。本实用新型缩进杆上的螺纹可以同时实现刷头的旋转和进退两个方向的运动,有助于清洗管内的污物,且结构简单,维修方便,清洗效果好。
[实用新型]
一种新型可远程控制的油压机
申请号:
201621050299.2
状态:
无权-未缴年费
申请日:
2016-09-13
申请人:
武汉科技大学
发明人:
谢天立、陈超雄、方炎满
公开日:
2017-07-07
代理机构:
北京华仲龙腾专利代理事务所(普通合伙)11548
主分类号:
B21J9/20(2006.01)I
我要购买
摘要:
本实用新型涉及油压领域,尤其是一种新型可远程控制的油压机,包括油压装置和远程控制终端,油压装置包括第一支撑框架、压缩机和控制箱,第一支撑框架的上顶面设置有液压缸装置,第一支撑框架的下部设置有第二支撑框架,第二支撑框架的上部设置有方形的支撑板,控制箱安装在支撑框架的右侧上部,压缩机放置在控制箱的上部,压缩机为液压缸装置提供动力源,控制箱内设置有控制电路板,控制电路板设置有线网络接口和无线网络模块,有线网络接口和无线网络模块均与远程控制终端连接。本实用新型设置有远程控制终端和油压装置,远程控制终端与油压装置之间可通过无线和有线进行远程传输,安全可靠,结构简单,操作简便,具有很强的实用性。
[发明]
轮廓检测测头、检测仪及检测方法
申请号:
201610817113.X
状态:
有权
申请日:
2016-09-12
申请人:
武汉科技大学
发明人:
段现银、邹煜、蒋国璋
公开日:
2016-12-14
代理机构:
深圳市创富知识产权代理有限公司44367
主分类号:
G01B11/24(2006.01)I
我要购买
摘要:
一种轮廓检测测头、检测仪及检测方法,其中,所述轮廓检测测头包括:连接杆,其顶端用于固定至检测仪机体上;探头位,其顶部设置在连接杆的底端,其底部用于提供探头安装位;第一探头,设置在探头位底部的第一探头安装位,用于以第一模式进行轮廓检测;第二探头,设置在探头位底部的第二探头安装位,用于以第二模式进行轮廓检测。从而能够使得不同模式检测的数据进行参考,便于不同模式之间检测参数的调整,继而能够提高检测效率的同时提高轮廓检测精度。
[实用新型]
轮廓检测测头和检测仪
申请号:
201621050012.6
状态:
无权-避重放弃
申请日:
2016-09-12
申请人:
武汉科技大学
发明人:
段现银、邹煜、蒋国璋
公开日:
2017-04-05
代理机构:
深圳市创富知识产权代理有限公司44367
主分类号:
G01B11/24(2006.01)I
我要购买
摘要:
一种轮廓检测测头和检测仪,其中,所述轮廓检测测头包括:连接杆,其顶端用于固定至检测仪机体上;探头位,其顶部设置在连接杆的底端,其底部用于提供探头安装位;第一探头,设置在探头位底部的第一探头安装位,用于以第一模式进行轮廓检测;第二探头,设置在探头位底部的第二探头安装位,用于以第二模式进行轮廓检测。从而能够使得不同模式检测的数据进行参考,便于不同模式之间检测参数的调整,继而能够提高检测效率的同时提高轮廓检测精度。
[发明]
一种多功能铁路隧道火灾实验平台
申请号:
201610814674.4
状态:
无权-视为撤回
申请日:
2016-09-12
申请人:
武汉科技大学
发明人:
姜学鹏、余璨、王成伟
公开日:
2016-11-23
代理机构:
主分类号:
G09B25/00(2006.01)I
我要购买
摘要:
本发明公开一种多功能铁路隧道火灾实验平台。模型弧形玻璃顶板和前后立面观察窗全部由透明耐火玻璃制作,以方便观测气流运动,隧道主体结构框架和底板由不锈钢材质制作。主隧道各节之间法兰连接,并采用透明的防火胶密封。带排烟口的顶隔板及弧形钢化玻璃顶板为可拆卸式,可根据实验需要选择不同隧道顶板及调整相关尺寸,弧形钢化玻璃顶板用于隧道纵向通风排烟实验,带有排烟口的顶隔板用于集中排烟隧道实验,排烟口上方可安装竖井用于竖井烟囱效应实验。隧道支撑基座为钢结构,平台可进行电动调坡,调坡角度满足0‑10°。该平台可模拟主隧道集中排烟实验、主隧道纵向通风排烟实验、竖井烟囱效应实验,从而获得合理的通风排烟控制方案。
[发明]
一种废塑料与石煤混合焙烧提高钒浸出率的方法
申请号:
201610816822.6
状态:
有权
申请日:
2016-09-12
申请人:
武汉科技大学
发明人:
陈铁军、冯杨、张一敏、万军营
公开日:
2017-02-01
代理机构:
武汉科皓知识产权代理事务所(特殊普通合伙)42222
主分类号:
C22B34/22(2006.01)I
我要购买
摘要:
本发明公开了一种废塑料与石煤混合焙烧提高钒浸出率的方法。其技术方案是:将破碎后的含钒石煤研磨至粒径小于74μm占70wt%以上,得到含钒石煤矿粉。按所述含钒石煤矿粉∶废塑料粉料的质量比为1∶(0.3~0.6)配料,混匀,得到混合料。将所述混合料置入气氛炉中,气氛炉的出口管道与装有氢氧化钙溶液的尾气瓶相通,在650~800℃条件下焙烧40~80min,得到焙砂;再打开进口管道通入空气或氧气30~80min,将生成的油类和碳质燃烧脱除;冷却,取出焙砂。将所述焙砂放入搅拌浸出槽中,按固液比为1∶(1.5~3)Kg/L,向搅拌浸出槽中加入体积浓度为8~20%的硫酸,在90~98℃浸出3~6h,固液分离,得到含钒浸出液。本发明具有成本低、能减少环境污染、浸出率高和废塑料资源化利用的特点。
[发明]
一种横通道及平导铁路隧道实验装置
申请号:
201610814723.4
状态:
无权-视为撤回
申请日:
2016-09-12
申请人:
武汉科技大学
发明人:
姜学鹏、余璨、王成伟
公开日:
2016-12-07
代理机构:
主分类号:
G05D27/02(2006.01)I
我要购买
摘要:
本发明公开一种横通道及平导铁路隧道实验装置。涉及主隧道、横通道及平行导坑等铁路隧道结构物。该实验装置由主隧道通过三段横通道与一条平行导坑相连。主隧道、横通道及平行导坑底板采用不锈钢材料制作,其他三个立面采用透明耐火材料制作,便于实验观察。横通道内设有防护门和射流风机。该装置用于研究该类隧道火灾烟气特性和火灾探测性能,探究火灾事故时平行导坑压入式应急通风技术和平行导坑防烟送风量;分析不同个数横通道开启时平行导坑端部加压送风时各个开启横通道口处的风速分布规律,优化设计平行导坑内防烟送风量。
[实用新型]
一种红外烘干装置
申请号:
201621048802.0
状态:
无权-未缴年费
申请日:
2016-09-12
申请人:
武汉科技大学
发明人:
刘超、谢剑刚、陈家柱、金攀、黄鹤
公开日:
2017-03-15
代理机构:
主分类号:
F26B3/28(2006.01)I
我要购买
摘要:
本实用新型公开了一种红外烘干装置,包括紧固件、管卡、红外辐射器、炉架、反射板;所述的反射板套在炉架上,点焊成圆筒;所述的紧固件焊接在反射板上;所述的管卡与挡板相连;所述的挡板固定在紧固件上;所述的红外辐射器通过管卡固定;所述的红外辐射器、管卡、挡板、紧固件各有四个,且作环状均布在烘干装置上;所述的炉架内部设有防护结构。本实用新型结构简单紧凑、升温快、烘干便捷、烘干效果好。
[实用新型]
一种缓冲式多功能细胞培养皿
申请号:
201621048825.1
状态:
无权-未缴年费
申请日:
2016-09-12
申请人:
武汉科技大学、武汉昊民联创装备科技有限公司
发明人:
袁白银、张瑞瑞、胡继盛、王琼、张同存、赵小龙、王华雷
公开日:
2017-03-15
代理机构:
南京苏创专利代理事务所(普通合伙)32273
主分类号:
C12M3/00(2006.01)I
我要购买
摘要:
本实用新型提供了一种缓冲式多功能细胞培养皿,包括操作区、缓冲区和培养区;所述培养皿自外而内依次设有培养皿侧壁、缓冲区外壁、缓冲区内壁;所述培养皿侧壁和缓冲区外壁之间为操作区,所述缓冲区外壁和缓冲区内壁之间为缓冲区,所述缓冲区内壁内为培养区;所述缓冲区外壁和缓冲区内壁下部分别缓冲区外壁凹槽和缓冲区内壁凹槽,缓冲区外壁凹槽和缓冲区内壁凹槽之间为错缝结构。该细胞培养皿构造简单、可操作性强、功能齐全,不仅能降低滴加和抽取液体对细胞培养区的冲击,而且还便于对细胞生长状态进行观察和对比,方便用于检测细胞迁移运动能力的“伤口愈合”实验中的划痕以及拍照区域的定位等操作。
[实用新型]
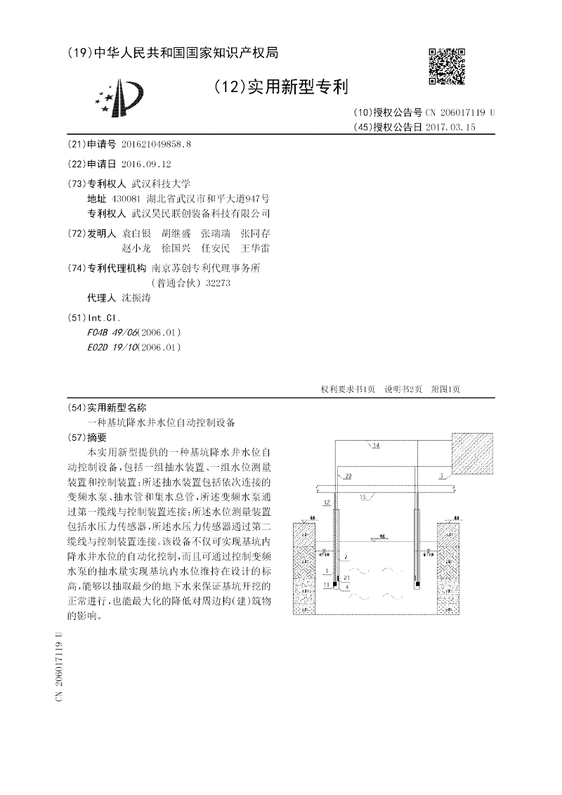
一种基坑降水井水位自动控制设备
申请号:
201621049858.8
状态:
无权-未缴年费
申请日:
2016-09-12
申请人:
武汉科技大学、武汉昊民联创装备科技有限公司
发明人:
袁白银、胡继盛、张瑞瑞、张同存、赵小龙、徐国兴、任安民、王华雷
公开日:
2017-03-15
代理机构:
南京苏创专利代理事务所(普通合伙)32273
主分类号:
F04B49/06(2006.01)I
我要购买
摘要:
本实用新型提供的一种基坑降水井水位自动控制设备,包括一组抽水装置、一组水位测量装置和控制装置;所述抽水装置包括依次连接的变频水泵、抽水管和集水总管,所述变频水泵通过第一缆线与控制装置连接;所述水位测量装置包括水压力传感器,所述水压力传感器通过第二缆线与控制装置连接。该设备不仅可实现基坑内降水井水位的自动化控制,而且可通过控制变频水泵的抽水量实现基坑内水位维持在设计的标高,能够以抽取最少的地下水来保证基坑开挖的正常进行,也能最大化的降低对周边构(建)筑物的影响。
[实用新型]
一种抗体孵育装置
申请号:
201621049119.9
状态:
无权-未缴年费
申请日:
2016-09-12
申请人:
武汉科技大学、武汉昊民联创装备科技有限公司
发明人:
袁白银、张瑞瑞、胡继盛、王琼、张同存、赵小龙、王华雷
公开日:
2017-03-15
代理机构:
南京苏创专利代理事务所(普通合伙)32273
主分类号:
G01N33/68(2006.01)I
我要购买
摘要:
本实用新型提供的一种抗体孵育装置,包括分别独立设置的抗体孵育袋、气泡消除装置和膜隔离层;所述抗体孵育袋包括袋体和设置在袋体上的转换接头,所述袋体边缘设有密封装置,其一侧边开口,袋体靠近开口处设有封口条,封口条和开口之间设有一组热熔指示带;所述气泡消除装置包括依次连接的抽真空设备、连接管和连接盖;所述膜隔离层包括编织体和分别设于编织体两侧的透膜。该抗体孵育装置可操作性强、功能齐全,能一次性孵育多张膜,并且能消除夹杂在抗体液内的气泡,大大提高了孵育效率,组成部分均可以多次使用,实用性强。
[实用新型]
一种永磁起重无漏磁吸盘
申请号:
201621049278.9
状态:
无权-未缴年费
申请日:
2016-09-12
申请人:
武汉科技大学
发明人:
陈家柱、谢剑刚、刘超、黄鹤、金攀
公开日:
2017-03-01
代理机构:
主分类号:
B66C1/04(2006.01)I
我要购买
摘要:
本实用新型涉及一种永磁起重无漏磁吸盘,其主要包括磁轭、隔磁体、永磁体、线圈;所述磁轭共两个,包括左磁轭、右磁轭,且呈左右对称分布;所述隔磁体共两个,包括上隔磁体、下隔磁体,且呈上下分布;所述磁轭内表面与隔磁体内表面形成圆形空腔;所述线圈嵌套在所述永磁体外表面,且随所述永磁体在圆形空腔90°范围内转动。本装置不仅能实现吸吊废钢安全可靠、卸载方便,而且能消除吸盘表面的漏磁。
[实用新型]
一种钻孔灌注桩桩头预处理装置
申请号:
201621049857.3
状态:
无权-未缴年费
申请日:
2016-09-12
申请人:
武汉科技大学、武汉昊民联创装备科技有限公司
发明人:
袁白银、胡继盛、张瑞瑞、张同存、赵小龙、徐国兴、任安民、王华雷
公开日:
2017-03-15
代理机构:
南京苏创专利代理事务所(普通合伙)32273
主分类号:
E02D5/34(2006.01)I
我要购买
摘要:
本实用新型提供的一种钻孔灌注桩桩头预处理装置,包括核心筒、气囊、支架、通气管;所述气囊环设于核心筒的外侧壁上;所述气囊膨胀后其沿连接杆的宽度大于连接杆的长度;所述支架包括一组连接杆,所述连接杆一端与核心筒底部连接,另一端与钻孔灌注桩的钢筋连接;所述通气管与气囊连通。该装置可操作性强、造价低,多余桩头去除容易,大大提高了破桩效率,减少了施工工期,降低了施工成本。
首页
上一页
241
242
243
244
245
246
247
248
249
250
下一页
尾页
当前共找到
8115
个专利记录
,当前显示页码
248/406