首页
专利查询
专利购买
专利转让
专利申请
15071489439
当前位置:
专利巴士
专利查询
专利名称
查询
高级查询
当前共找到
8115
个专利记录
,当前显示页码
249/406
专利名称
申请号
申请人
发明人
专利代办机构
[实用新型]
一种Au111表面调整装置
申请号:
201621066600.9
状态:
无权-未缴年费
申请日:
2016-09-10
申请人:
武汉科技大学
发明人:
常帅、梁峰、陈荣生、邓先功、余蕾、张明阳、黄明柱
公开日:
2017-04-26
代理机构:
主分类号:
G01N21/84(2006.01)I
我要购买
摘要:
本实用新型涉及单分子测量技术领域,具体涉及一种Au111表面调整装置,它包括样品台、支脚、样品放置槽、第一玻璃片、第二玻璃片、放置孔、螺杆;所述样品台呈扁平长方体状,样品台的外侧底面上靠近底面的四个转角处各竖直固定设有一圆柱状支脚,样品台的外侧顶面中心处向下开设有一样品放置槽,样品放置槽呈矩形凹槽状;所述第一玻璃片呈扁平长方体状,第一玻璃片水平放置于样品台的外侧顶面上,第一玻璃片将样品放置槽的顶端开口全部覆盖住,且第一玻璃片能从样品台上自由取下;所述第二玻璃片呈扁平长方体状。本实用新型在单分子测量实验中,能快速的供实验人员将金球的Au111表面调整至正面朝上的状态,缩短了测量实验的进行时间。
[实用新型]
一种基于视觉暂留原理的自动调光装置
申请号:
201621066141.4
状态:
无权-未缴年费
申请日:
2016-09-10
申请人:
武汉科技大学
发明人:
周皓、李伟、田若颖
公开日:
2017-03-22
代理机构:
主分类号:
H05B37/02(2006.01)I
我要购买
摘要:
本实用新型涉及一种电信控制领域的调节装置,具体涉及一种基于视觉暂留原理的自动调光装置,其特征在于它包括:主控电路,与主控电路连接的直流电源;光传感电路,其热敏电阻与第三电阻串联,第二光敏电阻与第四电阻串联,串联后的热敏电阻与第三电阻、串联后的第二光敏电阻与第四电阻以及第一光敏电阻三者并联,热敏电阻以及第二光敏电阻各自的一个引脚与直流电源的正极连接,第三电阻与第四电阻的一端接地连接;以及与主控电路彼此连接的AD转换电路。本实用新型可以根据环境的亮度来自动调整各种灯的亮度,从而智能化的调整灯的亮度,给人们生活带来方便,节省电能。
[实用新型]
一种汽车路面除尘装置
申请号:
201621066142.9
状态:
无权-未缴年费
申请日:
2016-09-10
申请人:
武汉科技大学
发明人:
程余、李伟、湛玉洁、赵阳、魏天
公开日:
2017-04-12
代理机构:
主分类号:
B01D46/10(2006.01)I
我要购买
摘要:
本实用新型涉及交通环保技术领域,具体涉及一种汽车路面除尘装置,其特征在于它包括风管、轴流风机、过滤网、出风口、灰斗、卸灰阀、进风管、进风口;所述的风管呈水平空心圆筒状,风管的左端开设有出风口,风管的右端封闭,风管内的空心区域中靠近其左端出风口位置处竖直固定设有一圆形过滤网,所述过滤网为由玻璃纤维材质制成的HEPA高效过滤网,过滤网的圆周侧壁与风管内的圆周侧壁固定对接相连,风管的底部靠近风管的右侧封闭端位置处竖向固定设有一进风管,进风管呈空心圆筒状,进风管的顶端与风管内的空心区域固定贯通相连。本实用新型在汽车行驶的过程中能有效捕集贴近路面空气中的粉尘,提高道路上方空气的质量,改善环境卫生。
[实用新型]
一种土体边坡抗滑桩
申请号:
201621066143.3
状态:
无权-未缴年费
申请日:
2016-09-10
申请人:
武汉科技大学
发明人:
闻国骄
公开日:
2017-03-15
代理机构:
主分类号:
E02D17/20(2006.01)I
我要购买
摘要:
本实用新型涉及滑坡地质灾害治理技术领域,具体涉及一种土体边坡抗滑桩,其特征在于它包括抗滑桩桩身、方形塑料排水板、钢丝排水管、滤水孔;所述抗滑桩桩身呈竖向圆柱状,抗滑桩桩身的外侧曲面壁上分布有若干个凸起,凸起的数量至少为三个,凸起呈竖向长方体状,每个凸起的顶端面和底端面均分别与抗滑桩桩身的顶端面和底端面平齐,若干个凸起沿抗滑桩桩身的外侧曲面壁呈水平圆周均匀分布,且任意相邻两个凸起间的夹角均相等,每个凸起的外侧端竖直平面上沿凸起的竖向长度方向开设有方形凹槽,方形凹槽的顶端面和底端面分别贯通至凸起的顶端面和底端面上。本实用新型可以有效提高土体边坡的抗滑能力和抗剪性能,增强土体边坡的安全稳定性。
[发明]
一种土体边坡排水抗滑桩
申请号:
201610832857.9
状态:
无权-视为撤回
申请日:
2016-09-10
申请人:
武汉科技大学
发明人:
翟明洋、盛建龙、杨明财、董舒
公开日:
2017-01-04
代理机构:
主分类号:
E02D17/20(2006.01)I
我要购买
摘要:
本发明涉及滑坡地质灾害治理技术领域,具体涉及一种土体边坡排水抗滑桩,其特征在于它包括抗滑桩桩身、方形塑料排水板、钢丝排水管、滤水孔;所述抗滑桩桩身呈竖向圆柱状,抗滑桩桩身的外侧曲面壁上分布有若干个凸起,凸起的数量至少为三个,凸起呈竖向长方体状,每个凸起的顶端面和底端面均分别与抗滑桩桩身的顶端面和底端面平齐,若干个凸起沿抗滑桩桩身的外侧曲面壁呈水平圆周均匀分布,且任意相邻两个凸起间的夹角均相等,每个凸起的外侧端竖直平面上沿凸起的竖向长度方向开设有方形凹槽,方形凹槽的顶端面和底端面分别贯通至凸起的顶端面和底端面上。本发明可以有效提高土体边坡的抗滑能力和抗剪性能,增强土体边坡的安全稳定性。
[实用新型]
一种带有可拆卸折叠伞套的雨伞
申请号:
201621046751.8
状态:
无权-未缴年费
申请日:
2016-09-09
申请人:
武汉科技大学
发明人:
余凡、黄铁垓
公开日:
2017-03-22
代理机构:
北京轻创知识产权代理有限公司11212
主分类号:
A45B25/24(2006.01)I
我要购买
摘要:
本实用新型涉及一种带有伞套的雨伞,具体涉及一种带有可拆卸折叠伞套的雨伞。其包括伞面、伞柄和折叠伞套,所述伞柄的上端为圆筒状,所述伞柄的下端螺纹连接有伞套盖,所以折叠伞套为可折叠伸缩的筒状且其上下两端均开口,所述折叠伞套的下端周向上固定连接有用于将其与所述伞柄的上端可拆卸连接的卡环,所述折叠伞套的上端周向上固定连接有由硬质材料制成的接环,所述伞面闭合收紧后,拉动所述接环带动所述折叠伞套向上伸展并将伞面装入所述折叠伞套内,所述伞套盖从所述伞柄下端旋下后可与所述接环螺纹连接以防止雨水从所述折叠伞套内流出。本实用新型的有益效果为,结构简单,使用方便,折叠伞套可灵活拆卸更换。
[发明]
一种多功能旋转式绘画笔具
申请号:
201610812669.X
状态:
无权-驳回
申请日:
2016-09-09
申请人:
武汉科技大学
发明人:
湛媛菲、胡文钢、蒋俊
公开日:
2016-11-16
代理机构:
武汉科皓知识产权代理事务所(特殊普通合伙)42222
主分类号:
B43K27/00(2006.01)I
我要购买
摘要:
本发明涉及一种多功能旋转式绘画笔具。其技术方案是:该多功能旋转式绘画笔具包括绘画笔(1)、两块夹板(2)、螺栓(4)、笔杆(5)、橡皮(6)和蝶形螺母(9)。笔杆(5)的上端嵌有橡皮(6),笔杆(5)的下端开有矩形口(7),在靠近矩形口(7)的端部处对称地开有螺栓孔。两块夹板(2)对称地设置在矩形口(7)内的中间位置处,两块夹板(2)的两侧对称地设有内垫圈(3),螺栓(4)穿过右螺栓孔、两块夹板(2)、两块夹板(2)两侧的两个内垫圈(3)、左螺栓孔和外垫圈(8)通过蝶形螺母(9)与笔杆(5)固定连接。两块夹板(2)呈圆板状,圆板的中心处均开有通孔,在圆板外边缘沿径向方向均匀地开有4~8个笔槽(10),绘画笔(1)装在笔槽(10)中。本发明具有结构简单、成本低廉、功能多样和便于携带的特点。
[实用新型]
一种干粉自动电磁选机的观测检修口装置
申请号:
201621046095.1
状态:
无权-未缴年费
申请日:
2016-09-09
申请人:
武汉科技大学
发明人:
钱功明、刘露露、刘威、张博
公开日:
2017-04-12
代理机构:
武汉宇晨专利事务所42001
主分类号:
B03C1/00(2006.01)I
我要购买
摘要:
本实用新型涉及一种干粉自动电磁选机的观测检修口装置。在所述干粉自动电磁选机外壳1正面开观测检修口2,所述观测检修口2上覆盖密封板3,所述密封板3的两边设有左滑槽4、右滑槽5,所述左滑槽4、右滑槽5的滑槽口内插入保护板6,所述保护板6覆盖于密封板3上。本装置使操作人员在磁选作业过程中能够观测干粉自动电磁选机内部情况,了解矿物在磁极上粘附的情况,从而减少矿物堵塞磁干粉自动电磁选机的选磁选空间;在发生矿物堵塞磁干粉自动电磁选机的选磁选空间等简单故障时,维修人员可以通过观测检修口直接进行维修工作,避免了拆卸整个干粉自动电磁选机外壳的繁琐,提高了选矿效率。
[实用新型]
一种圆筒型矿石微波预处理装置
申请号:
201621046111.7
状态:
有权
申请日:
2016-09-09
申请人:
武汉科技大学
发明人:
蔡爽、钱功明、刘威、蔡先炎
公开日:
2017-04-12
代理机构:
武汉宇晨专利事务所42001
主分类号:
H05B6/80(2006.01)I
我要购买
摘要:
本实用新型涉及一种圆筒型矿石微波预处理装置。包括微波发生器组2、微波透过层1、矿石处理腔体3,所述矿石处理腔体3是金属圆柱形圆筒,矿石处理腔体3外层包裹防护层4;所述防护层4里面是微波发生器组2,微波发生器组2通过固定连接方式,连接在微波透过层1上,微波透过层1嵌套在矿石处理腔体3上,矿石处理腔体3的前端为进矿口10,矿石处理腔体3末端的下方是冷却装置5,所述矿石处理腔体3安装在底座8上。本实用新型具有结构简单、使用安全方便、能够实现矿石的连续高效处理、便于生产实践的优点。
[发明]
一种圆筒型矿石微波预处理装置及其使用方法
申请号:
201610812750.8
状态:
审中-实审
申请日:
2016-09-09
申请人:
武汉科技大学
发明人:
钱功明、蔡爽、蔡先炎、刘威
公开日:
2017-01-04
代理机构:
武汉宇晨专利事务所42001
主分类号:
H05B6/80(2006.01)I
我要购买
摘要:
本发明涉及一种圆筒型矿石微波预处理装置及其使用方法。装置包括微波发生器组2、微波透过层1、矿石处理腔体3,所述矿石处理腔体3是金属圆柱形圆筒,矿石处理腔体3外层包裹防护层4;所述防护层4里面是微波发生器组2,微波发生器组2通过固定连接方式,连接在微波透过层1上,微波透过层1嵌套在矿石处理腔体3上,矿石处理腔体3的前端为进矿口10,矿石处理腔体3末端的下方是冷却装置5,所述矿石处理腔体3安装在底座8上。本发明具有结构简单、使用安全方便、能够实现矿石的连续高效处理、便于生产实践的优点。
[实用新型]
一种装有多支画笔的旋转式笔具
申请号:
201621045901.3
状态:
无权-未缴年费
申请日:
2016-09-09
申请人:
武汉科技大学
发明人:
湛媛菲、胡文钢、蒋俊
公开日:
2017-05-24
代理机构:
武汉科皓知识产权代理事务所(特殊普通合伙)42222
主分类号:
B43K27/00(2006.01)I
我要购买
摘要:
本实用新型涉及一种装有多支画笔的旋转式笔具。其技术方案是:所述旋转式笔具包括绘画笔(1)、两块夹板(2)、螺栓(4)、笔杆(5)、橡皮(6)和蝶形螺母(9)。笔杆(5)的上端嵌有橡皮(6),笔杆(5)的下端开有矩形口(7),在靠近矩形口(7)的端部处对称地开有螺栓孔。两块夹板(2)对称地设置在矩形口(7)内的中间位置处,两块夹板(2)的两侧对称地设有内垫圈(3),螺栓(4)穿过右螺栓孔、两块夹板(2)、两块夹板(2)两侧的两个内垫圈(3)、左螺栓孔和外垫圈(8)通过蝶形螺母(9)与笔杆(5)固定连接。两块夹板(2)呈圆板状,圆板的中心处均开有通孔,在圆板外边缘沿径向方向均匀地开有4~8个笔槽(10),绘画笔(1)装在笔槽(10)中。本实用新型具有结构简单、成本低廉、功能多样和便于携带的特点。
[发明]
以铝铬渣为主料的合成莫来石原料及其制备方法
申请号:
201610812898.1
状态:
有权
申请日:
2016-09-09
申请人:
武汉科技大学
发明人:
张寒、赵惠忠、赵鹏达、易萍、李璐萌、何晴、丁雄风、余俊
公开日:
2017-02-22
代理机构:
武汉科皓知识产权代理事务所(特殊普通合伙)42222
主分类号:
C04B35/185(2006.01)I
我要购买
摘要:
本发明涉及一种以铝铬渣为主料的合成莫来石原料及其制备方法。其技术方案是:将铝铬渣置于马弗炉中,在700~750℃条件下煅烧3~5小时,得到煅烧后的铝铬渣;按煅烧后的铝铬渣︰硅微粉︰铝粉的质量比为100︰(16.0~16.5)︰(2.0~4.5)配料,混合15~20分钟,得到混合料;将所述混合料置入电磁感应炉中,升温至1800~1840℃,保温2~3小时;再分离出上层浮渣层,随炉冷却至室温,破碎,即得以铝铬渣为主料的合成莫来石原料。所述铝铬渣的主要化学成分是:Al2O3含量为80~85wt%,Cr2O3含量为10~15wt%,Fe2O3含量≤1wt%。本发明工艺简单、生产成本低和对设备无特殊要求;制备的以铝铬渣为主料的合成莫来石原料的耐火度高、烧结性能优良和莫来石转化率高。
[发明]
基于特征状态与全局一致性的快速图像匹配方法及系统
申请号:
201610808943.6
状态:
有权
申请日:
2016-09-08
申请人:
武汉科技大学
发明人:
邢远秀、余艳、肖俊
公开日:
2017-01-25
代理机构:
武汉科皓知识产权代理事务所(特殊普通合伙)42222
主分类号:
G06T7/00(2017.01)I
我要购买
摘要:
本发明提供基于特征状态与全局一致性的快速图像匹配方法及系统,包括检测角点作为待匹配的特征点,使用状态模板识别特征点的特征邻域状态;以特征点为中心,计算描述子的主方向;将主方向旋转,对特征点的特征邻域进行描述,将二值纹理特性和统计特性结合,构建RBT‑OGMH特征描述子;进行匹配,包括针对于两类不同的描述子,采用不同的相似性度量;利用空间域一致特征,基于误差波动幅度最小聚类,快速确定变换矩阵,剔除错误匹配点对,获得最终的正确匹配点对。本发明技术方案具有旋转不变性和一定的尺度不变性,能有效解决图像模糊、光照变化、低对比度和图像变形问题,相比于现有技术,本发明具有更快的匹配速度和精度。
[发明]
一种耐火浇注料用亲水性石墨及其制备方法
申请号:
201610808547.3
状态:
有权
申请日:
2016-09-08
申请人:
武汉科技大学
发明人:
张海军、毕玉保、张少伟、王慧芳、段红娟
公开日:
2017-02-08
代理机构:
武汉科皓知识产权代理事务所(特殊普通合伙)42222
主分类号:
C01B32/21(2017.01)I
我要购买
摘要:
本发明涉及一种耐火浇注料用亲水性石墨及其制备方法。其技术方案是:先将0.5~10份质量的氧化石墨烯与500份质量的水混合,超声分散30~60min,得到氧化石墨烯水分散液;再将90~99.5份质量的鳞片石墨和0~0.1份质量的分散剂加入到所述氧化石墨烯水分散液中,超声分散30~60min,得到氧化石墨烯包裹石墨的混合液;然后将所述氧化石墨烯包裹石墨的混合液在105~110℃条件下烘干24~48h或在冷冻条件下干燥24~48h,制得耐火浇注料用亲水性石墨。本发明具有工艺简单、生产周期短、成本低廉和污染小的特点,所制备的耐火浇注料用亲水性石墨在耐火浇注料中分散性好和用水量小,能提高耐火浇注料的抗渣侵蚀性与热震稳定性。
[发明]
一种常压磷石膏预处理的反应结晶方法
申请号:
201610804473.6
状态:
审中-公开
申请日:
2016-09-07
申请人:
武汉科技大学
发明人:
张春桃、欧雪娇、李雪伟
公开日:
2018-03-13
代理机构:
主分类号:
C04B11/26(2006.01)I
我要购买
摘要:
本发明具体涉及一种常压磷石膏预处理的反应结晶方法。其技术方案是:先配置一定pH的反应结晶溶液,然后采用间歇的反应结晶方式,通过改变反应结晶体系的pH、反应时间、悬浮浆液的固液比和反应温度等参数,实现在反应结晶过程中对磷石膏可溶性杂质溶出速率和除杂效率的调控,得到基本不含可溶性杂质的清洁磷石膏。较之传统的水洗工艺,本发明具有二次污水量低少、除杂效率高、产品质量好的优点。
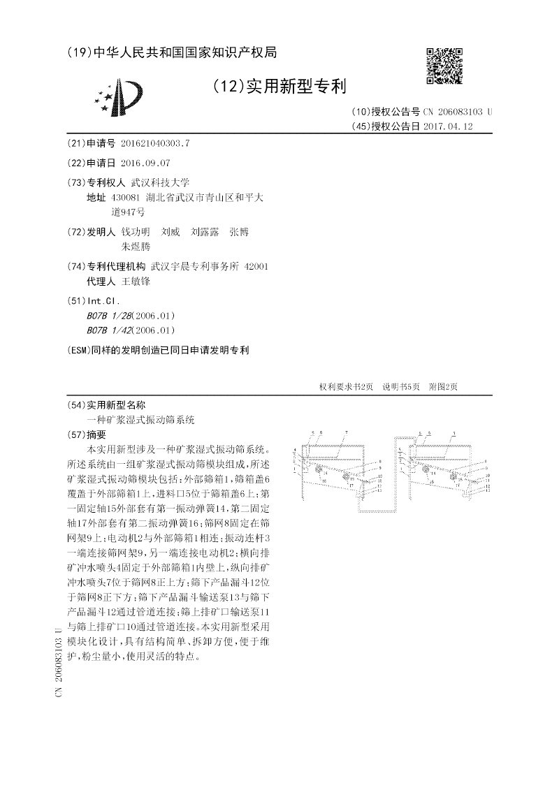
[实用新型]
一种矿浆湿式振动筛系统
申请号:
201621040303.7
状态:
有权
申请日:
2016-09-07
申请人:
武汉科技大学
发明人:
钱功明、刘威、刘露露、张博、朱煜腾
公开日:
2017-04-12
代理机构:
武汉宇晨专利事务所42001
主分类号:
B07B1/28(2006.01)I
我要购买
摘要:
本实用新型涉及一种矿浆湿式振动筛系统。所述系统由一组矿浆湿式振动筛模块组成,所述矿浆湿式振动筛模块包括:外部筛箱1,筛箱盖6覆盖于外部筛箱1上,进料口5位于筛箱盖6上;第一固定轴15外部套有第一振动弹簧14,第二固定轴17外部套有第二振动弹簧16;筛网8固定在筛网架9上;电动机2与外部筛箱1相连;振动连杆3一端连接筛网架9,另一端连接电动机2;横向排矿冲水喷头4固定于外部筛箱1内壁上,纵向排矿冲水喷头7位于筛网8正上方;筛下产品漏斗12位于筛网8正下方;筛下产品漏斗输送泵13与筛下产品漏斗12通过管道连接;筛上排矿口输送泵11与筛上排矿口10通过管道连接。本实用新型采用模块化设计,具有结构简单、拆卸方便,便于维护,粉尘量小,使用灵活的特点。
[发明]
一种矿浆湿式振动筛系统及其使用方法
申请号:
201610805717.2
状态:
有权
申请日:
2016-09-07
申请人:
武汉科技大学
发明人:
钱功明、刘威、刘露露
公开日:
2016-12-07
代理机构:
武汉宇晨专利事务所42001
主分类号:
B07B1/28(2006.01)I
我要购买
摘要:
本发明涉及一种矿浆湿式振动筛系统,以及该系统的使用方法。所述系统由一组矿浆湿式振动筛模块组成,所述矿浆湿式振动筛模块包括:外部筛箱1,筛箱盖6覆盖于外部筛箱1上,进料口5位于筛箱盖6上;第一固定轴15外部套有第一振动弹簧14,第二固定轴17外部套有第二振动弹簧16;筛网8固定在筛网架9上;电动机2与外部筛箱1相连;振动连杆3一端连接筛网架9,另一端连接电动机2;横向排矿冲水喷头4固定于外部筛箱1内壁上,纵向排矿冲水喷头7位于筛网8正上方;筛下产品漏斗12位于筛网8正下方;筛下产品漏斗输送泵13与筛下产品漏斗12通过管道连接;筛上排矿口输送泵11与筛上排矿口10通过管道连接。本发明采用模块化设计,具有结构简单、拆卸方便,便于维护,粉尘量小,使用灵活的特点。
[发明]
一种硬币清分打包装置
申请号:
201610805428.2
状态:
无权-视为撤回
申请日:
2016-09-07
申请人:
武汉科技大学
发明人:
朱学彪、陈伟强、邓江洪、卢云丹、李远慧、郑华生
公开日:
2017-02-22
代理机构:
主分类号:
G07D3/12(2006.01)I
我要购买
摘要:
本发明公开一种硬币清分打包机构,包括纸币分离机构、硬币分离机构和硬币包装机构;纸币分离机构包括入币漏斗,漏斗下方衔接U型导管直通硬币漏盘,硬币漏盘另一端设置一吸风机间歇工作使纸币分离,纸币收集于其下端抽屉;硬币分离机构设置于漏盘下方,利用硬币不同直径,使硬币通过倾斜向下的分离板分拣于各个收集管中;硬币包装机构由导纸通道、裁纸装置、卷纸装置、勾边装置和机械门组成。导纸由导纸通道输送进入外壳门通过勾边装置切割,其外壳门上接收集管下接机械门;本发明所述一种硬币清分打包机构层次清晰,操作简便,集纸币分离、硬币分离以及硬币打包于一体,又可单独分开使用。适用于超市、公交车及各种大中小型硬币分拣打包工作。
[发明]
一种高强度耐火浇注料及其制备方法
申请号:
201610804311.2
状态:
审中-实审
申请日:
2016-09-06
申请人:
武汉科技大学
发明人:
陈平安、王峰、李享成、朱伯铨
公开日:
2017-02-15
代理机构:
武汉科皓知识产权代理事务所(特殊普通合伙)42222
主分类号:
C04B35/66(2006.01)I
我要购买
摘要:
一种高强度耐火浇注料及其制备方法。其技术方案是:将α‑氧化铝微粉、铝酸盐水泥、减水剂和5种粒度级别的刚玉或矾土按各自含量配料,混合,再加入水和硅溶胶,搅拌,得到混合料;然后将所述混合料倒入模具,振动,养护,脱模,热处理,制得高强度耐火浇注料。所述5种粒度级别是:粒径小于8mm且大于等于5mm;粒径小于5mm且大于等于3mm;粒径小于3mm且大于等于1mm;粒径小于1mm且大于等于74μm;粒径小于74μm。本发明工艺简单和生产周期短;所制备的高强度耐火浇注料不仅流动性能好,且早期强度、中温强度和高温强度高。
[发明]
一种基于竹炭粉的高炉喷吹方法
申请号:
201610801618.7
状态:
无权-视为撤回
申请日:
2016-09-05
申请人:
武汉科技大学
发明人:
何选明、林红涛、易霜、郑辉、曾宪灿、程晓晗、张杜
公开日:
2016-12-07
代理机构:
武汉科皓知识产权代理事务所(特殊普通合伙)42222
主分类号:
C21B5/00(2006.01)I
我要购买
摘要:
本发明涉及一种基于竹炭粉的高炉喷吹方法。其技术方案是:将5~95wt%的竹炭粉与5~95wt%的无烟煤煤粉混合,得到混合粉;按输送速率为5~10m/s将混合粉通过浓相管道气力输送装置输送至喷吹罐中,浓相管道气力输送装置内的混合粉浓度为40~50kg/m3;再通过混合器将混合粉混匀,在压缩空气作用下将混匀的混合粉通过喷吹管喷入高炉风口,喷吹管内的输送速率为100~200m/s。竹炭粉的主要组分是:水分为5~10wt%,灰分为1~10wt%,挥发分为10~20wt%,固定碳为50~80wt%,硫为0.01~0.5wt%,发热量为20~50MJ/kg。本发明具有工艺简单、能耗低、成本低、污染小、能适用于现有高炉喷煤工艺,能缓解煤炭资源短缺和能提高生物质资源利用率的优点。
首页
上一页
241
242
243
244
245
246
247
248
249
250
下一页
尾页
当前共找到
8115
个专利记录
,当前显示页码
249/406