首页
专利查询
专利购买
专利转让
专利申请
15071489439
当前位置:
专利巴士
专利查询
专利名称
查询
高级查询
当前共找到
8115
个专利记录
,当前显示页码
253/406
专利名称
申请号
申请人
发明人
专利代办机构
[实用新型]
一种斗轮式堆取料机帘式喷雾降尘装置
申请号:
201620888002.3
状态:
无权-未缴年费
申请日:
2016-08-08
申请人:
武汉科技大学
发明人:
王润、周豆、黄志航、刘占壮
公开日:
2017-02-08
代理机构:
主分类号:
B65G69/18(2006.01)I
我要购买
摘要:
本实用新型涉及除尘技术领域,具体涉及一种斗轮式堆取料机帘式喷雾降尘装置,其特征在于它包括堆取料机支撑架(1)、皮带运输机(2)、连接构件(3)、水管(4)、雾化喷头(5)、遮尘帘(6);所述堆取料机支撑架(1)上固定安装有皮带运输机(2),堆取料机支撑架(1)位于皮带运输机(2)卸料端位置处通过连接构件(3)与水管(4)固定相连,水管(4)呈水平封闭的矩形环状,水管(4)其中一条边与皮带运输机(2)的运输方向平行,相邻的另一条边与皮带运输机(2)运输的方向垂直,水管(4)的顶端设有进水口,水管(4)的底端沿水管(4)安装有遮尘帘(6)。本实用新型用水量少,结构简单,运行成本低,降尘效果好。
[发明]
一种聚氨酯材料制备过程温度及动力学特性的光纤传感测量系统及方法
申请号:
201610642679.3
状态:
有权
申请日:
2016-08-08
申请人:
武汉科技大学
发明人:
刘鑫睿、童杏林
公开日:
2017-01-04
代理机构:
湖北武汉永嘉专利代理有限公司42102
主分类号:
G06F19/00(2011.01)I
我要购买
摘要:
本发明提供一种聚氨酯材料制备过程温度及动力学特性的光纤传感测量系统,包括反应容器,反应容器外壁设有保温层;反应容器内设有应力温度传感器;反应容器外壁设有温度传感器;应力温度传感器和温度传感器均为光纤光栅传感器;本系统还包括光纤光栅解调仪和数据处理单元,应力温度传感器和温度传感器的输出端通过光纤与光纤光栅解调仪连接,光纤光栅解调仪输出电信号与数据处理单元连接。本发明利用光纤光栅传感器灵敏度高、尺寸微小、几何形状具有多方面的适应性、多参数测量等优势,可同时探测反应容器内部应力温度信号和保温状态下容器外壁温度信号,从而实现对腐蚀有毒、空间狭小状态下高灵敏度的精确测量。
[发明]
一种确定直缝焊管焊接质量的方法
申请号:
201610643279.4
状态:
审中-实审
申请日:
2016-08-08
申请人:
武汉科技大学
发明人:
李立新、肖麟、雷浩、叶奔
公开日:
2017-01-04
代理机构:
武汉科皓知识产权代理事务所(特殊普通合伙)42222
主分类号:
G06T7/00(2006.01)I
我要购买
摘要:
一种确定直缝焊管焊接质量的方法。其技术方案是:采集不同焊接工艺的直缝焊管的焊缝表面图像,检测对应的焊缝性能,将焊接质量分为N级,对所有标记有焊接质量等级的焊缝表面图像逐一进行图像预处理和图像特征值的提取,再以直缝焊管的焊缝质量等级为模型输出,以所对应的预处理图像的图像特征值为模型输入,建立直缝焊管的焊缝质量等级与所对应的预处理图像的图像特征值间的BP神经网络模型。然后将提取的待确定焊接质量的直缝焊管的焊缝表面图像的图像特征值代入建立的所述BP神经网络模型,即得待确定的直缝焊管的焊缝质量等级。本发明准确可靠,能对直缝焊管的焊缝质量进行在线评价和监控。
[发明]
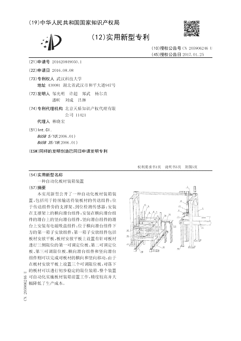
一种自动化板材装箱装置
申请号:
201610641389.7
状态:
审中-实审
申请日:
2016-08-08
申请人:
武汉科技大学
发明人:
邹光明、许超、郑武、杨尔直、潘昕、刘成、吕琳
公开日:
2016-11-09
代理机构:
北京天盾知识产权代理有限公司11421
主分类号:
B65B5/10(2006.01)I
我要购买
摘要:
本发明公开了一种自动化板材装箱装置,包括用于持续输送待装板材的传送组件;位于传送组件旁的支撑架、到位检测传感器;安装在支撑架上的横向滑台组件;安装在横向滑台组件的滑台上的竖向滑台组件,竖向滑台组件的滑台上安装有电磁吸盘组件;位于横向滑台组件下方的第一箱子安放组件;第一箱子安放组件包括板材安放平板,板材安放平板上设置有针对板材进行三侧限位的第一可调定位板、第二可调定位板、第三可调限位板。横向滑台组件和竖向滑台组件则可以完成对板材的横向和竖向移动,由于在板材安放平板上设置三个可调限位板,对落下的板材可以进行初步稳定的限位装箱,整个装置可自动化实施板材装箱前置工作,精度较高并大幅降低了生产成本。
[实用新型]
一种自动化板材装箱装置
申请号:
201620849050.1
状态:
有权
申请日:
2016-08-08
申请人:
武汉科技大学
发明人:
邹光明、许超、郑武、杨尔直、潘昕、刘成、吕琳
公开日:
2017-01-25
代理机构:
北京天盾知识产权代理有限公司11421
主分类号:
B65B5/10(2006.01)I
我要购买
摘要:
本实用新型公开了一种自动化板材装箱装置,包括用于持续输送待装板材的传送组件;位于传送组件旁的支撑架、到位检测传感器;安装在支撑架上的横向滑台组件;安装在横向滑台组件的滑台上的竖向滑台组件,竖向滑台组件的滑台上安装有电磁吸盘组件;位于横向滑台组件下方的第一箱子安放组件;第一箱子安放组件包括板材安放平板,板材安放平板上设置有针对板材进行三侧限位的第一可调定位板、第二可调定位板、第三可调限位板。横向滑台组件和竖向滑台组件则可以完成对板材的横向和竖向移动,由于在板材安放平板上设置三个可调限位板,对落下的板材可以进行初步稳定的限位装箱,整个装置可自动化实施板材装箱前置工作,精度较高并大幅降低了生产成本。
[发明]
一种pH敏感聚苯胺/聚吡咯复合薄膜及其制备方法
申请号:
201610636187.3
状态:
有权
申请日:
2016-08-05
申请人:
武汉科技大学、湖北美欧医疗科技发展有限公司
发明人:
强敏、张隆、何明逊、郑超、付伟谊、万文浩
公开日:
2017-01-04
代理机构:
武汉科皓知识产权代理事务所(特殊普通合伙)42222
主分类号:
G01N27/30(2006.01)I
我要购买
摘要:
本发明涉及一种pH敏感聚苯胺/聚吡咯复合薄膜及其制备方法。其技术方案是:将吡咯︰苯胺按体积比为1︰0.25~4溶解在浓度为1mol/L稀硫酸溶液中,混合均匀,通入氮气,制得电解液。采用三电极体系,在氮气气氛和20~25℃条件下在所述电解液中采用循环伏安法进行电化学扫描,电化学扫描的速率为5~20mv/s,电化学扫描的周期为10~40圈;获得沉积薄膜的工作电极。将沉积复合薄膜的工作电极取出,清洗,干燥。使用环氧树脂系胶结剂对干燥过的沉积复合薄膜的工作电极进行修饰,得到裸露的薄膜,即制得pH敏感聚苯胺/聚吡咯复合薄膜。本发明操作简单和成本较低,所制备的pH敏感聚苯胺/聚吡咯复合薄膜灵敏度高、响应时间快和稳定性好。
[实用新型]
一种多功能风扇式降温装置
申请号:
201620871442.8
状态:
无权-未缴年费
申请日:
2016-08-05
申请人:
武汉科技大学
发明人:
周疆豪、李苑、罗霄
公开日:
2016-12-28
代理机构:
主分类号:
F04D25/08(2006.01)I
我要购买
摘要:
本实用新型涉及日用品领域,具体涉及一种多功能风扇式降温装置,其特征在于它包括平台板、支脚、散热孔、电热丝槽、电热丝、电热丝开关、紫外灯开关、风扇开关、支撑杆、紫外灯、电动机、风扇叶片、电源线;所述平台板呈长方体薄板状,平台板的下表面上靠近下表面的四个转角处各固定设有一竖直的圆柱状支脚,平台板的上表面上开设有若干个呈矩阵排列的散热孔,散热孔呈圆柱形,且散热孔从平台板的上表面贯通至平台板的下表面,平台板的上表面上围绕矩阵排列的散热孔开始有一道矩形环状电热丝槽。本实用新型不仅起能用来短时间降温保存食物,还可以用来烘烤湿的衣物和鞋子,此外它设有的紫外灯还能在降温保存和烘烤的过程中起到消毒杀菌的作用。
[实用新型]
一种风铃充电宝
申请号:
201620874181.5
状态:
无权-未缴年费
申请日:
2016-08-05
申请人:
武汉科技大学
发明人:
刘轩、黄一洲、杨敏、段文杰
公开日:
2017-03-08
代理机构:
主分类号:
H02J7/00(2006.01)I
我要购买
摘要:
本实用新型涉及手机配件领域,具体涉及一种风铃充电宝,它包括充电宝本体、充电接口、放电接口、支脚、铃铛、手机座体、座槽;所述充电宝本体的外侧上表面中心位置处固定有一手机座体,手机座体呈长方体状,手机座体的顶面中心位置处沿充电宝本体的长边方向开设有一道座槽,座槽呈向下凹进的凹槽状,座槽上垂直于充电宝本体长边方向的两正对竖直侧面分别与手机座体上对应的两正对竖直侧面相贯通,充电宝本体的外侧底面上靠近其底面的四个边角处各固定设有一竖直的支脚,充电宝本体的外侧底面上还与若干根软绳的顶端固定连接,每根软绳的底端均固定连接有一个铃铛。本实用新型能同时实现手机座和风铃的作用,设计新颖。
[实用新型]
一种风铃式可充电手机支座
申请号:
201620871375.X
状态:
无权-未缴年费
申请日:
2016-08-05
申请人:
武汉科技大学
发明人:
舒亚辉
公开日:
2017-01-11
代理机构:
主分类号:
H04M1/04(2006.01)I
我要购买
摘要:
本实用新型涉及手机配件领域,具体涉及一种风铃式可充电手机支座,它包括第一斜板、第一挡柱、第一紫外灯带、第二斜板、第二挡柱、第二紫外灯带、第一阻尼转轴、铃铛、第二阻尼转轴、底板、卡柱、充电接口、电源线;所述底板呈长方体薄板状,底板水平放置,底板的上表面上位于其右侧短边边缘中心位置处固定设有若干个卡柱,若干个卡柱向左沿底板的水平长边方向呈等间距间隔分布状态,底板的长边侧面上设有一个或多个充电接口,充电接口为USB型接口,底板的长边侧面上引出电源线。本实用新型不仅能同时固定摆放两部手机,以供两人单独观看手机视频,还能给手机进行充电,此外它还能实现风铃的作用,也能给手机消毒杀菌,设计新颖,功能多样。
[实用新型]
一种减震杀菌式物流箱
申请号:
201620871373.0
状态:
无权-未缴年费
申请日:
2016-08-05
申请人:
武汉科技大学
发明人:
柳佳敏、智慧、王雪、罗璇、尹思敏、田博
公开日:
2017-01-04
代理机构:
主分类号:
B65D81/05(2006.01)I
我要购买
摘要:
本实用新型涉及物流运输领域,具体涉及一种减震杀菌式物流箱,其特征在于它包括箱体、充气气囊、充气管、紫外灯;所述箱体呈中空长方体状,箱体除其上端面能翻折打开外其它面均封闭,箱体采用硬质塑料材质制成,箱体的外侧顶面上位于顶面两端位置处分别开设有一道平行正对的定位槽,箱体的内侧四个竖直侧壁上位于其竖直中心位置处均各水平固定设有一安装部,箱体的其中一个侧壁上开设有贯通箱体内外空心区域的充气孔,箱体的其中一个外侧壁上设有一口袋,箱体内侧空心区域的顶面上固定布设有若干个LED紫外灯。本实用新型在运输物品的过程中对物品同时具有减震和消毒杀菌的作用,既能防止物品因受撞击而损坏,还能保证物品的干净卫生。
[实用新型]
一种降尘施工围挡
申请号:
201620871220.6
状态:
无权-未缴年费
申请日:
2016-08-05
申请人:
武汉科技大学
发明人:
安邦
公开日:
2017-01-18
代理机构:
主分类号:
E04H17/00(2006.01)I
我要购买
摘要:
本实用新型涉及施工降尘技术领域,具体涉及一种降尘施工围挡,它包括施工围挡、粉尘过滤网、供水管、雾化喷头、阀门、进水接口;所述施工围挡布设于施工现场的外围边缘,并将施工现场环绕包围起来;所述粉尘过滤网为HEPA高效过滤网,架设于施工围挡的顶端且位于远离施工现场的外侧边缘处,粉尘过滤网的底端与施工围挡的顶端无缝对接固定相连,且粉尘过滤网沿施工围挡呈环形状设置,并将施工现场环绕包围起来;所述供水管固定于施工围挡的顶端,沿施工围挡呈环形状设置。本实用新型不仅能有效捕集施工现场场内空气中漂浮的粉尘,提高场内的环境质量,还能有效阻隔施工现场场内的粉尘漂浮到场外,避免对场外的交通和环境造成不利的影响。
[实用新型]
一种具有照明杀菌功能的农药喷雾器
申请号:
201620871155.7
状态:
无权-未缴年费
申请日:
2016-08-05
申请人:
武汉科技大学
发明人:
陈思龙、邱垒、杜金洋、潘志强、李帅杰
公开日:
2017-02-15
代理机构:
主分类号:
A01M7/00(2006.01)I
我要购买
摘要:
本实用新型涉及农用器械领域,具体涉及一种具有照明杀菌功能的农药喷雾器,它包括装药箱本体、加水口、输药管、喷杆、手动按压器、紫外灯、照明灯、金属软管、底座、万向轮、电池槽、海绵层、紫外灯开关、照明灯开关;所述装药箱本体内中空,装药箱本体的外侧顶面中心位置处设有与装药箱本体内空心区域相贯通的加水口,装药箱本体的左侧设有手动按压器,装药箱本体的右侧固定设有一输药管,输药管与装药箱本体内的空心区域贯通,输药管的外侧端与喷杆一端固定贯通相连,喷杆另一端固定设有雾化喷头。本实用新型具有照明杀菌的功能,不仅能是人们在晚上也能照常进行农药喷雾作业,还能避免下次装入的农药被污染。
[发明]
一种莫来石碳化硅复相耐火材料及其制备方法
申请号:
201610637867.7
状态:
有权
申请日:
2016-08-05
申请人:
武汉科技大学
发明人:
桑绍柏、任博、李亚伟、徐义彪、王庆虎
公开日:
2016-11-30
代理机构:
武汉科皓知识产权代理事务所(特殊普通合伙)42222
主分类号:
C04B35/66(2006.01)I
我要购买
摘要:
本发明涉及一种莫来石碳化硅复相耐火材料及其制备方法。其技术方案是:以48~60wt%的涂层包覆莫来石轻质骨料、9~15wt%的涂层包覆碳化硅骨料、6~12wt%的特级矾土细粉、4~8wt%的红柱石细粉、3~5wt%的α?Al2O3微粉、4~8wt%的广西白泥、1~3wt%的SiO2微粉、4~6wt%的Si粉、0.5~2wt%的Al粉为原料;先将原料中的两种骨料混合,加入结合剂,然后与其余原料混炼,困料,压制成型,干燥,在1250℃~1400℃条件下烧成,制得莫来石碳化硅复相耐火材料。本发明所制备的莫来石碳化硅复相耐火材料具有导热系数低、抗侵蚀性能好和强度较高的优异特点。
[实用新型]
一种汽车尾气节能利用装置
申请号:
201620871518.7
状态:
无权-未缴年费
申请日:
2016-08-05
申请人:
武汉科技大学
发明人:
张良
公开日:
2017-02-15
代理机构:
主分类号:
F01N5/02(2006.01)I
我要购买
摘要:
本实用新型涉及汽车节能技术领域,具体涉及一种汽车尾气节能利用装置,它包括热交换箱、热交换管、涡轮、发电机、蓄电池、空气进管、轴流风机、空气出管;所述热交换箱呈封闭的中空长方体状,热交换箱的底部固定贯穿架设有一水平热交换管,热交换管呈左右两端均开口的中空圆管状,热交换管从热交换箱的左侧竖直侧面上水平贯穿整个热交换箱,且热交换管左右两端均对应延伸出热交换箱的左右两侧侧面之外,热交换管的左端开口为尾气进口,热交换管的右端开口为尾气出口,热交换管的右侧靠近其右端开口处固定设有一可旋转的涡轮。本实用新型不仅能将汽车尾气中含有的热量利用起来给汽车供暖,还可以用来发电以供人们进一步的利用,节约资源。
[实用新型]
一种施工现场用的防噪安全头盔
申请号:
201620871519.1
状态:
无权-未缴年费
申请日:
2016-08-05
申请人:
武汉科技大学
发明人:
张良、李苑、周疆豪
公开日:
2017-01-04
代理机构:
主分类号:
A42B3/04(2006.01)I
我要购买
摘要:
本实用新型涉及施工防护用品领域,具体涉及一种施工现场用的防噪安全头盔,它包括头盔壳体、反光膜、玻璃纤维布、凸起体;所述头盔壳体为半椭球状双层中空结构,头盔壳体双层之间的空心区域中填充满有玻璃纤维布,头盔壳体内侧的曲面壁上靠近其底端处正对固定设有两个与耳朵的耳甲腔形状适配的凸起体,凸起体内中空,凸起体内的空心区域中也填充满有玻璃纤维布,头盔壳体的外侧曲面壁上固定贴设有一层反光膜。本实用新型能有效降低施工作业人员在施工现场所能听到的噪声强度,有效避免施工作业人员因噪声而受到的听觉损伤,此外它还能在夜间起到警示提醒的作用,防止因为施工现场照明程度的受限而引发的安全事故。
[实用新型]
移动机器人位姿的测量装置
申请号:
201620846904.0
状态:
无权-未缴年费
申请日:
2016-08-05
申请人:
武汉科技大学
发明人:
雷斌、周亮、徐鹏成、易文、蒋林、赵慧
公开日:
2017-03-08
代理机构:
上海精晟知识产权代理有限公司31253
主分类号:
G01C21/00(2006.01)I
我要购买
摘要:
本实用新型提出了一种移动机器人位姿的测量装置,输出位姿数据测量误差只与棱镜以及ADNS5050传感器与地面间距离有关,移动机器人的其他机械参数不会影响该装置的测量精度,因此更加精准;采用两个ADNS5050传感器,通过对采集的数据进行求平均,更能减小测量误差,并且在一个ADNS5050传感器由于移动机器人行走面纹理不足,无法测量出数据时,可以通过另一个ADNS5050传感器来采集数据;对于移动机器人绕电路板基板中心轴旋转角度的求解只需对采集到的数据进行处理,并没有占用到其他设备资源,故其处理速度更快、结构也更简单;ADNS5050传感器为常用鼠标用IC,获取方便,价格也更低。
[发明]
裂缝宽度检测装置和方法
申请号:
201610630124.7
状态:
审中-实审
申请日:
2016-08-03
申请人:
武汉科技大学
发明人:
雷斌、徐鹏成、周亮、杜幸运、易文、赵慧、蒋林
公开日:
2016-12-14
代理机构:
上海精晟知识产权代理有限公司31253
主分类号:
G01B11/14(2006.01)I
我要购买
摘要:
本发明提出了一种裂缝宽度检测装置及其方法,该检测方法能够避免人为主观因素造成的干扰,更加实时、精准、客观、高效;本发明的装置可以搭载在无人机上对道路和桥梁的裂缝进行检测,具有检测效率高、应用范围广的特点;本发明的方法可以与现有的PC机以及ARM处理器便携式设备无缝对接,具有较好的移植性;裂缝检测装置,结构简单、成本低廉。
[发明]
基于广义可加模型的热轧变形抗力预报方法
申请号:
201610621464.3
状态:
有权
申请日:
2016-08-02
申请人:
武汉科技大学
发明人:
李伟刚、刘超、冯宁、鲁凌云
公开日:
代理机构:
主分类号:
G06F17/50(2006.01)I
我要购买
摘要:
本发明公开一种基于广义可加模型的热轧带钢变形抗力预报方法,具有以下步骤:步骤一,变量预分析,确定连接函数和模型的形式,确定模型因变量和自变量;步骤二,模型设定,确定模型的基本形式,根据因变量的分布来选择连接函数,确定每个自变量的函数形式;步骤三,模型估计,对连接函数和光滑函数进行估计,得到不同的模型,根据GCV值选取最优模型;步骤四,模型结果及评价,得到模型参数部分与非参数部分的估计值,并对光滑函数的拟合结果进行评价分析;步骤五,模型修正,结合统计分析方法与轧制理论,在不同角度下验证模型结果,需要时进行模型修正;本方法可对不同轧制工况下热轧带钢的变形抗力进行预测,为带钢轧制过程高精度的轧制力计算和厚度控制提供基础。
[发明]
太阳光热斯特林发电装置
申请号:
201610625826.6
状态:
审中-实审
申请日:
2016-08-02
申请人:
武汉科技大学、浙江陆特能源科技股份有限公司
发明人:
周传辉、唐国栋、夏惊涛、代伯清、石磊
公开日:
2016-11-09
代理机构:
浙江永鼎律师事务所33233
主分类号:
F03G6/06(2006.01)I
我要购买
摘要:
本发明涉及一种太阳光热斯特林发电装置。它解决了现有太阳光发电装置光电转化效率低等技术问题。包括中空的超导集热管,在超导集热管同一侧依次设有槽式反射集热机构,超导集热管一端与超导换热器一端相连通,超导集热管与超导换热器内部均充填有超导介质,超导换热器另一端连接有具有热膨胀活塞与冷却反馈活塞的热斯特林发电机,热膨胀活塞与冷却反馈活塞分别与热斯特林发电机的发电机构相连,且热膨胀活塞与超导换热器相连,冷却反馈活塞连接有冷却机构。优点在于:利用太阳能光热驱动斯特林发电机发电,减少化石能源消耗和环境污染,采用超导集热管和超导换热器,增大集热传输和换热效率,进而增大太阳能光电的转化效率。
[实用新型]
太阳光热斯特林发电装置
申请号:
201620827131.1
状态:
有权
申请日:
2016-08-02
申请人:
武汉科技大学、浙江陆特能源科技股份有限公司
发明人:
周传辉、唐国栋、夏惊涛、代伯清、石磊
公开日:
2017-02-22
代理机构:
浙江永鼎律师事务所33233
主分类号:
F03G6/06(2006.01)I
我要购买
摘要:
本实用新型涉及一种太阳光热斯特林发电装置。它解决了现有太阳光发电装置光电转化效率低等技术问题。包括中空的超导集热管,在超导集热管同一侧依次设有槽式反射集热机构,超导集热管一端与超导换热器一端相连通,超导集热管与超导换热器内部均充填有超导介质,超导换热器另一端连接有具有热膨胀活塞与冷却反馈活塞的热斯特林发电机,热膨胀活塞与冷却反馈活塞分别与热斯特林发电机的发电机构相连,且热膨胀活塞与超导换热器相连,冷却反馈活塞连接有冷却机构。优点在于:利用太阳能光热驱动斯特林发电机发电,减少化石能源消耗和环境污染,采用超导集热管和超导换热器,增大集热传输和换热效率,进而增大太阳能光电的转化效率。
首页
上一页
251
252
253
254
255
256
257
258
259
260
下一页
尾页
当前共找到
8115
个专利记录
,当前显示页码
253/406