首页
专利查询
专利购买
专利转让
专利申请
15071489439
当前位置:
专利巴士
专利查询
专利名称
查询
高级查询
当前共找到
8115
个专利记录
,当前显示页码
260/406
专利名称
申请号
申请人
发明人
专利代办机构
[发明]
一种自动控制滞后角的焊丝层绕机
申请号:
201610476481.2
状态:
有权
申请日:
2016-06-27
申请人:
武汉科技大学城市学院
发明人:
段伟、钟诚、童小琴、袁金娟、徐根达、尤金林、周鼎、杨远兴、朱正斌、蔡孟琳
公开日:
2016-10-26
代理机构:
武汉科皓知识产权代理事务所(特殊普通合伙)42222
主分类号:
B65H57/14(2006.01)I
我要购买
摘要:
本发明涉及一种自动控制滞后角的焊丝层绕机。其技术方案是:所述焊丝层绕机的收线机构与排线机构平行设置。收线机构的第一变频电机(1)与绕丝盘(12)轴连接。排线机构的两根导杆(6)穿过移动平台(7)对应的通孔,在一根导杆(6)的靠近两端处对应地装有左限位开关(2)和右限位开关(11);与移动平台(7)螺纹连接的丝杠(5)与第二变频电机(3)轴连接,移动平台(7)通过支撑轴(18)与摆动条形板(9)的后端固定连接,移动平台(7)上的角位移传感器(17)通过连接杆(16)与摆动条形板(9)固定连接,摆动条形板(9)的两端对称地装有导向器(8)。本发明具有误差积累小、适应焊丝直径范围宽、排线行程容易调整和滞后角控制精确的特点。
[发明]
一种测定土壤中漆酶酶活的方法
申请号:
201610528833.4
状态:
审中-实审
申请日:
2016-06-25
申请人:
武汉科技大学
发明人:
任大军、何小勇、张淑琴、郭舒悦、刘海、龚洁
公开日:
2016-12-21
代理机构:
主分类号:
G01N21/33(2006.01)I
我要购买
摘要:
本发明属于土壤学和环境科学领域,具体涉及一种测定土壤中漆酶酶活的方法,其特征在于它包括以下步骤:(1)土壤的预处理;(2)反胶束体系的制备;(3)求解ABTS自由基浓度和吸光度关系的线性方程;(4)ABTS比色法测定漆酶酶活。本发明采用反胶束提取土壤中的漆酶,反胶束适合生物大分子的提纯,且当漆酶与反胶束接触时漆酶会进入反胶束的“水池”内,能够有效的保证提取过程中漆酶的活性,本发明用醋酸‑醋酸钠缓冲液反萃取反胶束中的漆酶,缓冲溶液能够使漆酶保持在一个相对稳定的环境中且使漆酶的酶活达到最适宜的程度,此外本发明使用的漆酶酶活检测技术简便快速且使用的反胶束溶液能够重复使用,适合批量检测。
[实用新型]
一种可折叠的马牙槎测量尺
申请号:
201620666296.5
状态:
无权-未缴年费
申请日:
2016-06-25
申请人:
武汉科技大学
发明人:
徐代忠、刘静、朱研、王世威
公开日:
2017-02-08
代理机构:
主分类号:
G01B5/00(2006.01)I
我要购买
摘要:
本实用新型具体涉及一种可折叠的马牙槎测量尺,其特征在于它由带刻度凸尺1、紧固件2、带刻度凹尺3组成;所述的带刻度凸尺1有三个,每个带刻度凸尺1的横向刻度根据马牙槎的标准凹凸尺寸6cm来划分,纵向刻度根据马牙槎的标准高度尺寸30cm来划分;所述的带刻度凹尺3有两个,通过紧固件2和带刻度凸尺1交替相连,且带刻度凹尺3的30cm和0cm刻度分别和带刻度凸尺1的30cm和0cm重合;本实用新型构造简单,使用方便快捷和效率高,马牙槎测量尺折叠后,携带方便和易于存放保管。
[发明]
一种不烧粘土-硅溶胶结合硅酸铝砖及其制备方法
申请号:
201610467561.1
状态:
有权
申请日:
2016-06-24
申请人:
武汉科技大学
发明人:
顾华志、曹新、黄奥、张美杰、罗志安、余泽慧
公开日:
2016-11-16
代理机构:
武汉科皓知识产权代理事务所(特殊普通合伙)42222
主分类号:
C04B35/66(2006.01)I
我要购买
摘要:
本发明具体涉及一种不烧粘土‑硅溶胶结合硅酸铝砖及其制备方法。其技术方案是:将5~25份质量的硅溶胶与2~10份质量的软质粘土于行星球磨机中研磨4~6h,得到泥浆。将30~40份质量的熟料细粉与1~20份质量的软质粘土于振动磨中混磨2~3h,得到预混粉料。将50~55份质量的熟料粗颗粒和10~15份质量的熟料中颗粒于轮碾机中搅拌,加入所述泥浆和1~2份质量的硅溶胶搅拌,加入所述预混粉料搅拌,得到混合泥料。将所述混合泥料困料6~8h,机压成型,制得的生坯在110~120℃条件下干燥24~30h,即得不烧粘土‑硅溶胶结合硅酸铝砖。本发明制备的不烧粘土‑硅溶胶结合硅酸铝砖具有常温强度大、荷重软化温度高、耐火度高和体积收缩率低的特点。
[发明]
一种不烧粘土结合硅酸铝砖及其制备方法
申请号:
201610467690.0
状态:
有权
申请日:
2016-06-24
申请人:
武汉科技大学
发明人:
顾华志、曹新、黄奥、张美杰、罗志安、余泽慧
公开日:
2016-11-16
代理机构:
武汉科皓知识产权代理事务所(特殊普通合伙)42222
主分类号:
C04B35/66(2006.01)I
我要购买
摘要:
本发明涉及一种不烧粘土结合硅酸铝砖及其制备方法。其技术方案是:将5~25份质量的水与2~10份质量的软质粘土于行星球磨机中以600~1000r/min的转速研磨4~6h,得到泥浆。将30~40份质量的熟料细粉与1~20份质量的软质粘土于振动磨中混磨2~3h,得到预混粉料。将50~55份质量的熟料粗颗粒和10~15份质量的熟料中颗粒于轮碾机中搅拌,加入所述泥浆搅拌,加入所述预混粉料搅拌,得到混合泥料。将所述混合泥料困料6~8h,机压成型,制得的生坯在110~120℃条件下干燥24~30h,即得到不烧粘土结合硅酸铝砖。本发明制备的不烧粘土结合硅酸铝砖具有常温强度大、耐火度高、热震稳定性好、荷重软化温度高和体积收缩率低的特点。
[发明]
一种磁悬浮双转子结构的试验装置
申请号:
201610484891.1
状态:
审中-实审
申请日:
2016-06-24
申请人:
武汉科技大学
发明人:
王念先、王东雄、陈奎生
公开日:
2016-12-07
代理机构:
主分类号:
G01M13/00(2006.01)I
我要购买
摘要:
本发明公开了一种磁悬浮双转子结构的试验装置,属于机械技术领域。试验装置包括平台、两个磁悬浮轴承座、至少一套外转轴加载组件、至少一套内转轴加载组件、至少2个传感器组和处理器;两个磁悬浮轴承座分别固定在平台上,两个磁悬浮轴承的定子分别固定在两个磁悬浮轴承座上,外转轴加载组件用于对外转轴施加沿外转轴的径向方向的力,并对施加沿外转轴的径向方向的力进行测量;第一传感器组用于采集外转轴分别在x方向和y方向的径向位移;第二传感器组用于采集内转轴分别在x方向和y方向的径向位移;处理器用于接收传感器组采集的信号、接收外转轴加载组件测量的力信号、以及接收内转轴加载组件测量的力信号,并对接收的信号进行分析。
[发明]
一种具有防止瞬间破裂漏液的钢包
申请号:
201610472772.4
状态:
有权
申请日:
2016-06-24
申请人:
武汉科技大学
发明人:
李公法、李贝、刘泽、赵颢云、刘洪海、蒋国璋、孔建益、熊禾根、郭永兴、江都、常文俊、何洋、廖雅杰、胡文龙、杜峰、汤恒
公开日:
2016-08-24
代理机构:
北京华仲龙腾专利代理事务所(普通合伙)11548
主分类号:
B22D41/00(2006.01)I
我要购买
摘要:
本发明公开了一种具有防止瞬间破裂漏液的钢包,包括钢壳,所述钢壳由钢壳侧壁和钢壳底板构成,且钢壳侧壁和钢壳底板采用铸造的形式一体成型;所述钢壳底板的下方安装有多个连接柱,且所述连接柱的底部连接防漏底板的上表面,连接柱采用焊接的形式分别连接钢壳底板和防漏底板,本发明利用防漏侧围板和防漏底板形成斗状结构,这样当钢壳出现漏液时,防漏侧围板和防漏底板便可起到阻挡的作用,防止漏液出现四溅的情况,同时防漏侧围板与防漏底板形成的斗状结构还可以防止钢包坠落时发生瞬间倾覆的情况,降低了整体的危险性。
[发明]
一种具有纳米保温的钢包
申请号:
201610474318.2
状态:
无权-驳回
申请日:
2016-06-24
申请人:
武汉科技大学
发明人:
李公法、江都、苗卫、赵颢云、刘洪海、蒋国璋、孔建益、熊禾根、郭永兴、李贝、常文俊、何洋、廖雅杰、胡文龙、杜峰、汤恒、刘泽
公开日:
2016-08-24
代理机构:
北京华仲龙腾专利代理事务所(普通合伙)11548
主分类号:
B22D41/02(2006.01)I
我要购买
摘要:
本发明公开了一种具有纳米保温的钢包,包括钢壳,所述钢壳由钢壳侧壁和钢壳底板构成,且钢壳侧壁和钢壳底板采用铸造的形式一体成型,所述钢壳侧壁和钢壳底板的内壁上安装有内耐火材料层,内耐火材料层的内壁上安装有纳米保温层,纳米保温层的内壁上设有钢板保护层,钢板保护层起到对纳米保温层的保护,本发明通过添加纳米保温层,使得整体的保温性能大大提高,这样便可以有效减少烤包过程中的能源损耗,降低了使用成本,同时设置钢板保护层用于保护纳米保温层,防止纳米保温层受到工作层的剐蹭情况。
[发明]
一种双转子结构及涡轮发动机
申请号:
201610484892.6
状态:
审中-实审
申请日:
2016-06-24
申请人:
武汉科技大学
发明人:
王念先、王东雄、陈奎生
公开日:
2016-11-16
代理机构:
主分类号:
F01D5/02(2006.01)I
我要购买
摘要:
本发明公开了一种双转子结构及涡轮发动机,属于机械技术领域。双转子结构包括内转轴、外转轴、第一支承组件和第二支承组件,外转轴为空心轴,外转轴套设在内转轴上,内转轴的两端分别伸出外转轴的两端外,外转轴通过第一支承组件可转动地固定在涡轮发动机的机匣上,第一支承组件包括两套第一支承,两套第一支承分别分布于外转轴的两端,每套第一支承包括电磁轴承、中端盖和后端盖;中端盖和后端盖均为透盖、且中端盖和后端盖均套设在外转轴上,中端盖的外壁和后端盖的外壁均与机匣固定连接,同一套第一支承中电磁轴承的定子安装在中端盖和后端盖之间,电磁轴承的转子套设在外转轴上,同一电磁轴承的转子与定子相对,两套第一支承的后端盖相对。
[实用新型]
一种塑料瓶再包装机
申请号:
201620643865.4
状态:
无权-未缴年费
申请日:
2016-06-24
申请人:
武汉科技大学
发明人:
隋文升、赵爽、覃政、鲍伟杰、程普阳、郑少磊、高启龙、丁周阳、胡云
公开日:
2017-03-22
代理机构:
北京华仲龙腾专利代理事务所(普通合伙)11548
主分类号:
B65B65/00(2006.01)I
我要购买
摘要:
本实用新型涉及机械包装领域,尤其是一种塑料瓶再包装机,包括由左至右分布的第一输送装置、拆除装置、第二输送装置和再包装装置,再包装装置包括支撑架,支撑架上端前侧部设置有第二驱动电机,第二驱动电机的一端连接第八齿轮,支撑架的上端架设第四转杆,第四转杆的前端通过第九齿轮与第八齿轮啮合。本实用新型拆除装置处我们采用动力三爪机械手配和弹簧刀装置,对薄而坚韧包装纸进行拆除,可以很好地拆除原包装纸,再包装装置与倾斜式传送装置相配合使得拆除包装纸的塑料瓶能够迅速而准确的重新粘和包装纸完成再包装,实现节省人力物力财力和时间问题,结构简单,同时具有很强的实用性。
[发明]
分布式变形测量装置、方法与光纤光栅倾角传感器、结构
申请号:
201610472135.7
状态:
审中-实审
申请日:
2016-06-23
申请人:
武汉科技大学
发明人:
孔建益、付建军、郭永兴、王兴东、秦丽、李公法、李鹏
公开日:
2016-09-21
代理机构:
深圳市创富知识产权代理有限公司44367
主分类号:
G01B11/26(2006.01)I
我要购买
摘要:
一种分布式变形测量装置、方法与光纤光栅倾角传感器、结构,包括:外壳,外壳为底端开放的空心圆筒;一对等强度梁,分别设置在外壳内相对侧,一对等强度梁的内表面或者外表面上的相对侧设置有两个光纤光栅放置位;重物,设置在外壳的底部,重物的两端分别与一对等强度梁固定。由于光纤光栅放置位在相对侧,从而使得在变形时,光纤光栅放置位中一个受正应变作用,另一个受负应变作用,采用光纤光栅的波长漂移量的差值信息作为输出信号,因此,能够消除检测过程中的温度误差,继而,提高了光纤光栅倾角传感器的检测精度。
[实用新型]
分布式变形测量装置与光纤光栅倾角传感器、结构
申请号:
201620639760.1
状态:
无权-未缴年费
申请日:
2016-06-23
申请人:
武汉科技大学
发明人:
郭永兴、孔建益、付建军、王兴东、秦丽、李公法、李鹏
公开日:
2016-11-16
代理机构:
深圳市创富知识产权代理有限公司44367
主分类号:
G01B11/26(2006.01)I
我要购买
摘要:
一种分布式变形测量装置与光纤光栅倾角传感器、结构,包括:外壳,外壳为底端开放的空心圆筒;一对等强度梁,分别设置在外壳内相对侧,一对等强度梁的内表面或者外表面上的相对侧设置有两个光纤光栅放置位;重物,设置在外壳的底部,重物的两端分别与一对等强度梁固定。由于光纤光栅放置位在相对侧,从而使得在变形时,光纤光栅放置位中一个受正应变作用,另一个受负应变作用,采用光纤光栅的波长漂移量的差值信息作为输出信号,因此,能够消除检测过程中的温度误差,继而,提高了光纤光栅倾角传感器的检测精度。
[实用新型]
一种抗压钢包
申请号:
201620639793.6
状态:
无权-未缴年费
申请日:
2016-06-23
申请人:
武汉科技大学
发明人:
李公法、陈迪斯、李喆、赵颢云、刘洪海、蒋国璋、孔建益、熊禾根、郭永兴、李贝、常文俊、何洋、廖雅杰、胡文龙、杜峰、汤恒、刘泽、江都
公开日:
2016-11-30
代理机构:
北京华仲龙腾专利代理事务所(普通合伙)11548
主分类号:
B22D41/00(2006.01)I
我要购买
摘要:
本实用新型公开了一种抗压钢包,包括钢壳,所述钢壳由钢壳侧壁和钢壳底板构成,且钢壳侧壁和钢壳底板采用铸造的形式一体成型;所述钢壳侧壁的内壁上安装有包壁耐火材料层,钢壳底板的内表面上安装有包底耐火材料层,且所述钢壳底板的中心处还安装有透气砖,通过透气砖向钢壳内侧吹入稀有气体,从而达到搅拌钢液的目的;所述钢壳侧壁与钢壳底板的连接处外侧设有连接抗压环,本实用新型通过角钢制成的连接抗压环增强钢包钢壳底部的承压力,从而应对应力效果,而且整个连接抗压环也设置抗拉结构,从而间接的增强了钢包钢壳的抗压能力,从而使得整体的强度更高。
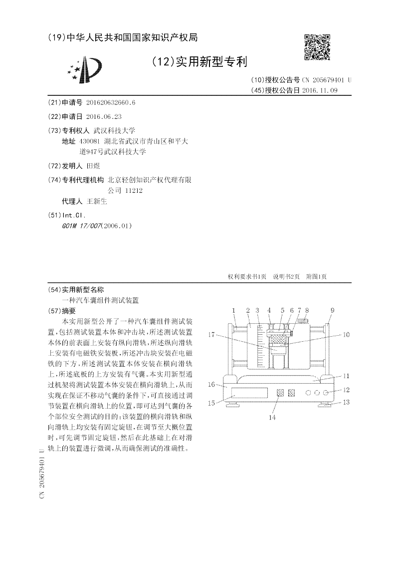
[实用新型]
一种汽车囊组件测试装置
申请号:
201620632660.6
状态:
无权-未缴年费
申请日:
2016-06-23
申请人:
武汉科技大学
发明人:
田煜
公开日:
2016-11-09
代理机构:
北京轻创知识产权代理有限公司11212
主分类号:
G01M17/007(2006.01)I
我要购买
摘要:
本实用新型公开了一种汽车囊组件测试装置,包括测试装置本体和冲击块,所述测试装置本体的前表面上安装有纵向滑轨,所述纵向滑轨上安装有电磁铁安装板,所述冲击块安装在电磁铁的下方,所述测试装置本体安装在横向滑轨上,所述底板的上方安装有气囊。本实用新型通过机架将测试装置本体安装在横向滑轨上,从而实现在保证不移动气囊的条件下,可直接通过调节装置在横向滑轨上的位置,即可达到气囊的各个部位安全测试的目的;该装置的横向滑轨和纵向滑轨上均安装有固定旋钮,在调节至大概位置时,可先调节固定旋钮,然后在此基础上在对滑轨上的装置进行微调,从而确保测试的准确性。
[实用新型]
一种增强型钢包
申请号:
201620640008.9
状态:
无权-未缴年费
申请日:
2016-06-23
申请人:
武汉科技大学
发明人:
李公法、丁威良、李贝、赵颢云、刘洪海、蒋国璋、孔建益、熊禾根、郭永兴、常文俊、何洋、廖雅杰、胡文龙、杜峰、汤恒、刘泽、江都
公开日:
2016-11-30
代理机构:
北京华仲龙腾专利代理事务所(普通合伙)11548
主分类号:
B22D41/00(2006.01)I
我要购买
摘要:
本实用新型公开了一种增强型钢包,包括钢壳,所述钢壳由钢壳侧壁和钢壳底板构成,且钢壳侧壁和钢壳底板采用铸造的形式一体成型;所述钢壳侧壁的内壁上安装有包壁耐火材料层,钢壳底板的内表面上安装有包底耐火材料层,且所述钢壳底板的中心处还安装有透气砖,通过透气砖向钢壳内侧吹入稀有气体,从而达到搅拌钢液的目的,本实用新型结构简单合理,使用方便,整体利用蜂窝加强罩有效的增强钢壳的抗应力能力,从而实现了有效的抗压,避免了钢壳出现形变破裂的情况。
[发明]
用于汽车车身防撞部件的高强塑积纳米结构贝氏体钢
申请号:
201610461170.9
状态:
审中-实审
申请日:
2016-06-23
申请人:
武汉科技大学
发明人:
吴开明、张聪、汪淼、张国宏、胡锋
公开日:
2016-11-16
代理机构:
武汉科皓知识产权代理事务所(特殊普通合伙)42222
主分类号:
C22C38/04(2006.01)I
我要购买
摘要:
本发明涉及一种用于汽车车身防撞部件的高强塑积纳米结构贝氏体钢。其技术方案是,铸坯的化学成分及其含量是:C为0.55~0.65wt%,Si为0.30~1.50wt%,Mn为0.50~2.00wt%,Ni为1.50~2.00wt%,Cr为0.50~1.20wt%,Cu为0.30~1.00wt%,Mo为0.10~0.50wt%,Nb、V和Ti均为0.00~0.10wt%,P<0.015wt%,S<0.010wt%,其余为Fe及不可避免的杂质。将所述铸坯在1100~1250℃均热3.0~5.0h,热轧成板材,随炉冷却;在850~1100℃奥氏体化0.5~4.0h,在250~400℃和盐浴条件下保温0.3~6.0h,在200~300℃和盐浴条件下保温4~35h,在150~250℃和盐浴条件下保温30~80h,空冷至室温。本发明具有成本低、工艺简单、节能减排和动态力学性能优良的特点。
[发明]
一种基于无线传感器网络与地磁地图的机器人定位方法
申请号:
201610458299.4
状态:
审中-实审
申请日:
2016-06-22
申请人:
武汉科技大学
发明人:
周明达、程磊、农潇琪、宋镖、戚静云、郑文磊、余秋月、吴怀宇、陈洋
公开日:
2016-11-16
代理机构:
湖北武汉永嘉专利代理有限公司42102
主分类号:
G01C21/08(2006.01)I
我要购买
摘要:
本发明涉及一种基于无线传感器网络与地磁地图的机器人定位方法,设定个无线传感器网络节点,机器人移动过程中,通过激活个无线传感器网络节点,利用RSSI得出无线传感器网络节点与机器人的观测模型;再借助PSO及多传感器信息融合来得到粒子似然度;同时得出粒子群优化方法中粒子的权重;之后进行粒子重采样及适应度函数判断,得到最优粒子的位置,获得局部地磁图,并利用地磁匹配方法实现精准定位,最后得到绝对位置。本发明数据关联容易,观测时不会出现错误的关联并且提高了网络的鲁棒性与精确性;同时获得更加真实的系统状态分布预测,使得机器人定位更加精确,减少了地磁匹配的运算量,增加了方法的实时性。
[实用新型]
一种盆栽废物箱
申请号:
201620665208.X
状态:
无权-未缴年费
申请日:
2016-06-22
申请人:
武汉科技大学
发明人:
楚准、彭晓峰、范森、梁栋、柯子杰、陈孟威
公开日:
2016-12-07
代理机构:
主分类号:
B65F1/14(2006.01)I
我要购买
摘要:
本实用新型涉及日用品领域,具体涉及一种盆栽废物箱,其特征在于它包括箱体、手柄、倾倒嘴、嘴盖、盆体、香料盒;所述箱体呈顶面开口其它面均封闭的空心圆筒状,箱体的底面向底面上一角落端点处向下倾斜,箱体的外侧曲面壁上对应箱体倾斜底面的最低点处固定设有一倾倒嘴,倾倒嘴呈两端圆面均开口的水平空心圆筒状,倾倒嘴一端的开口与箱体内的空心区域贯通,倾倒嘴的外侧曲面壁上靠近另一端的开口处开设有外螺纹;所述嘴盖呈空心圆筒状,嘴盖除一端圆面开口外其它面均封闭。本实用新型不仅能使人们倒垃圾时变得更加省力,而且还能去除废物箱产生的异味,净化废物箱周围的空气,提高废物箱周围的空气质量,使垃圾存放变更更加卫生和美观。
[实用新型]
一种省力杀菌式废物箱
申请号:
201620665206.0
状态:
无权-未缴年费
申请日:
2016-06-22
申请人:
武汉科技大学
发明人:
王克克、彭晓峰、蓝天星、魏戬、余振东、夏晨
公开日:
2016-12-07
代理机构:
主分类号:
B65F1/14(2006.01)I
我要购买
摘要:
本实用新型涉及日用品领域,具体涉及一种省力杀菌式废物箱,它包括箱体、紫外发光二极管凹槽、紫外发光二极管、手柄、阻尼转轴、开关、电池槽、支架;所述箱体呈顶面开口其它面均封闭的空心圆筒状,箱体的内侧曲面壁上靠近箱体的顶端处沿箱体曲面壁圆周水平开设有一道圆形紫外发光二极管凹槽,紫外发光二极管凹槽由箱体的内侧曲面壁向箱体的外侧曲面壁方向水平凹进,紫外发光二极管凹槽内内嵌铺设有一圆形紫外发光二极管,紫外发光二极管凹槽与箱体内侧曲面壁相交的水平环形圆周开口处设有一圆环形透光塑料带。本实用新型不仅能让人们在倾倒垃圾时更加省力,而且还能及时有效的清除废物箱内的细菌,更加有利于人们的健康和环境的卫生。
[实用新型]
一种新型鞋刷
申请号:
201620704002.3
状态:
无权-未缴年费
申请日:
2016-06-22
申请人:
武汉科技大学
发明人:
高旭、马翊、周登、谢鸿、罗大双、刘光鑫
公开日:
2017-04-26
代理机构:
主分类号:
A47L23/06(2006.01)I
我要购买
摘要:
本实用新型涉及日用品领域,具体涉及一种新型鞋刷,其特征在于它包括刷盖和刷体;所述刷盖包括刷盖本体、电池槽、开关、阻尼转轴、LED紫外灯、隔板、挡片,所述刷盖本体呈空心圆筒状,且刷盖本体的一端圆面开口另一端圆面封闭,刷盖本体上位于封闭端外侧圆面的表面上设有电池槽和开关,刷盖本体的侧壁曲面上固定设有一阻尼转轴,阻尼转轴另一端与挡片的一边边缘中心相连,挡片的外形呈中部向外侧凸起的弧状,且挡片通过阻尼转轴能上下旋转,刷盖本体内侧空心区域内的底面上固定设有一LED紫外灯。人们在使用本实用新型刷洗鞋子时,能有效避免水容易被刷毛带起溅到人们身上的现象的发生,此外它还具有杀菌的功能,而且携带方便,使用方便。
首页
上一页
251
252
253
254
255
256
257
258
259
260
下一页
尾页
当前共找到
8115
个专利记录
,当前显示页码
260/406