首页
专利查询
专利购买
专利转让
专利申请
15071489439
当前位置:
专利巴士
专利查询
专利名称
查询
高级查询
当前共找到
8115
个专利记录
,当前显示页码
271/406
专利名称
申请号
申请人
发明人
专利代办机构
[实用新型]
一种硬币分类清点装置
申请号:
201620358670.5
状态:
无权-未缴年费
申请日:
2016-04-26
申请人:
武汉科技大学、阮军、柯浩、刘家斌、李珞
发明人:
阮军、柯浩、刘家斌、李珞、孙传波、刘朋青、何志远、镇建军、袁昌安
公开日:
2016-11-23
代理机构:
上海精晟知识产权代理有限公司31253
主分类号:
G07D3/02(2006.01)I
我要购买
摘要:
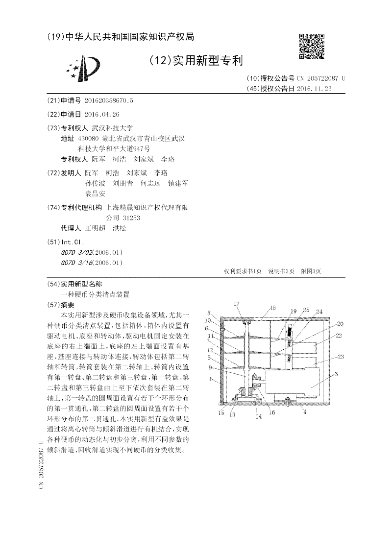
本实用新型涉及硬币收集设备领域,尤其一种硬币分类清点装置,包括箱体,箱体内设置有驱动电机、底座和转动体,驱动电机固定安装在底座的右上端面上,底座的左上端面设置有基座,基座连接与转动体连接,转动体包括第二转轴和转筒,转筒套装在第二转轴上,转筒内设置有第一转盘、第二转盘和第三转盘,第一转盘、第二转盘和第三转盘由上至下依次套装在第二转轴上,第一转盘的圆周面设置有若干个环形分布的第一贯通孔,第二转盘的圆周面设置有若干个环形分布的第二贯通孔。本实用新型有益效果是通过将离心转筒与倾斜滑道进行有机结合,实现各种硬币的动态化与初步分离,利用不同参数的倾斜滑道、回收滑道实现不同硬币的分类收集。
[实用新型]
一种硬币自动点数收集器
申请号:
201620357718.0
状态:
无权-未缴年费
申请日:
2016-04-26
申请人:
武汉科技大学
发明人:
袁昌安、邓攀攀、杨剑、胡俊壮、吴习文、余杰、成帅、杨志立、冯亚楠、阮军
公开日:
2016-11-23
代理机构:
上海精晟知识产权代理有限公司31253
主分类号:
G07D9/06(2006.01)I
我要购买
摘要:
本实用新型涉及硬币收集设备领域,尤其一种硬币自动点数收集器,包括方框架,方框架包括第一立梁、第二立梁、第三立梁、第四立梁、第一框架和第二框架,第一框架的四角边分别安装在第一立梁、第二立梁、第三立梁和第四立梁的上端,第二框架的四角边分别安装在第一立梁、第二立梁、第三立梁和第四立梁的下端,所述第一框架的内框架设在有漏斗,漏斗下部连接有圆筒,圆筒外圆周的侧壁上设置有传感器。本实用新型有益效果是:采用传感器、第一气缸装置和第二气缸装置实现自动清点装集,减轻劳动力,清点准备无误、速度快、省时、结构简单,便于大规模制作和使用,同时具有很强的实用性。
[发明]
车载激光雷达距离速度测量方法
申请号:
201610259484.0
状态:
无权-驳回
申请日:
2016-04-25
申请人:
武汉科技大学
发明人:
毛雪松、王瑞东
公开日:
2016-08-24
代理机构:
上海精晟知识产权代理有限公司31253
主分类号:
G01S17/32(2006.01)I
我要购买
摘要:
本发明提供的车载激光雷达距离速度测量方法,具有这样的特征,包括以下步骤:步骤一,由激光驱动电路驱动激光器产生幅度连续的窄线宽单频激光;步骤二,分光器将激光器输出的窄线宽单频激光中测量光输出到电光调制器,剩余的参考光通过生光调制器产生频率偏移,用于本地作为参考信号;步骤三,本地脉冲产生电路生成伪随机码,获得激光雷达的探测信号;步骤四,将探测信号通过掺铒光纤放大器使光信号峰值功率放大到100W量级以上形成放大光信号;步骤五,将放大光信号与参考信号混频输出外差信号;步骤六,计算外差信号与调制码的相关函数,进而获得目标的距离;以及步骤七,分析外差信号采样获得的非等间隔数据,从而获得运动目标的速度。
[发明]
一种β-硅酸二钙及其制备方法
申请号:
201610259381.4
状态:
无权-视为撤回
申请日:
2016-04-25
申请人:
武汉科技大学
发明人:
王玺堂、邹千、马妍、王周福、刘浩、许欢
公开日:
2016-06-29
代理机构:
武汉科皓知识产权代理事务所(特殊普通合伙)42222
主分类号:
C01B33/24(2006.01)I
我要购买
摘要:
本发明涉及一种β-硅酸二钙及其制备方法。其技术方案是:先按钙源∶硅源∶钡源的摩尔比为1∶(0.2~1)∶(0.02~0.05)配料,得到混合料;再向所述混合料中加入80~120wt%的蒸馏水,混合均匀;然后在70~110℃条件下干燥12~24小时,细磨,机压成型,在空气气氛和1200~1600℃条件下保温2~5小时,随炉冷却,制得β-硅酸二钙。上述技术方案中:所述钙源为氧化钙、氢氧化钙、碳酸钙和碳酸氢钙中的一种;所述硅源为二氧化硅或为偏硅酸;所述钡源为碳酸钡、氢氧化钡和硫酸钡中的一种。本发明具有工艺简单、成本低和容易操作的特点;所制备的β-硅酸二钙无粉化现象、纯度高和杂相少,为拓宽β-硅酸二钙在硅酸盐材料领域的应用奠定了基础。
[实用新型]
一种多功能桌面面板
申请号:
201620370906.7
状态:
无权-未缴年费
申请日:
2016-04-25
申请人:
武汉科技大学
发明人:
姚伦、谭蓉、杨康
公开日:
2016-10-12
代理机构:
主分类号:
A47B13/08(2006.01)I
我要购买
摘要:
本实用新型涉及日用品领域,具体的说涉及一种多功能桌面面板,其特征在于它包括面板本体、陶瓷发热片、电源线、盆栽槽、插笔槽、薄板;所述面板本体呈扁平长方体状,面板本体上表面一侧边缘沿侧边开设有一L型槽,L型槽中铺设有一层扁平长方体状的陶瓷发热片,陶瓷发热片外侧边缘与面板本体外侧边缘平齐,陶瓷发热片的上表面与面板本体的上表面在同一水平面上;所述电源线与陶瓷发热片电连接并从陶瓷发热片一短边侧面引出;所述盆栽槽设于面板本体上表面上正对陶瓷发热片的一侧边转角边缘处。本实用新型功能多样,不仅能供人们种植盆栽,还能供人们立着放置书本,插放笔,此外在寒冷的冬天它还可供人们取暖。
[发明]
一种碳化锆包覆石墨的复合粉体及其制备方法
申请号:
201610259338.8
状态:
无权-驳回
申请日:
2016-04-25
申请人:
武汉科技大学
发明人:
丁军、柴志南、邓承继、祝洪喜、李光强
公开日:
2016-09-21
代理机构:
武汉科皓知识产权代理事务所(特殊普通合伙)42222
主分类号:
C04B35/628(2006.01)I
我要购买
摘要:
一种碳化锆包覆石墨的复合粉体及其制备方法。其技术方案是:按锆粉∶石墨∶盐的质量比为1∶(0.1~0.5)∶(1.5~3.5)进行配料,置于混料机内混合1~1.5h,得到混合料。将装有混合料的刚玉坩埚置于真空气氛加热炉内,在氩气气氛条件下,以5~10℃/min的速率升温至700℃,再以1~4℃/min的速率升温至900~1200℃,保温1~7h,自然冷却,得到预合成的碳化锆包覆石墨的复合粉体。将所述预合成的碳化锆包覆石墨的复合粉体用洗盐液进行溶解和过滤,溶解和过滤的次数为2~5次,然后在80~110℃条件下干燥10~24h,即得碳化锆包覆改性石墨复合粉体。发明生产工艺简单和成本低廉,所制备的碳化锆包覆石墨的复合粉在碳含量降低的同时能使材料性能不变或提高。
[发明]
一种添加ZrC改性石墨铝碳滑板材料及其制备方法
申请号:
201610259340.5
状态:
有权
申请日:
2016-04-25
申请人:
武汉科技大学
发明人:
丁军、柴志南、邓承继、祝洪喜、李光强
公开日:
2016-08-10
代理机构:
武汉科皓知识产权代理事务所(特殊普通合伙)42222
主分类号:
C04B35/66(2006.01)I
我要购买
摘要:
一种添加ZrC改性石墨铝碳滑板材料及其制备方法。其技术方案是:先将70~89wt%的板状刚玉、5~10wt%的α?Al2O3粉、1~5wt%的ZrC改性石墨、4~10wt%的热固性酚醛树脂和1~5wt%的防氧化剂混合,压制成型,在1400~1600℃条件下保温3~7h,随炉冷却,得到添加ZrC改性石墨铝碳滑板材料。ZrC改性石墨的制备方法:按锆粉∶鳞片石墨∶氯化钠∶氟化钠的质量比为1∶(0.1~0.5)∶(1.4~3)∶(0.07~0.3)配料,混合后得混合料;将装有混合料的刚玉坩埚放入真空气氛加热炉内,在氩气气氛和900~1200℃条件下保温1~7h,随炉冷却,出炉后溶解和过滤,干燥,即得ZrC改性石墨。本发明工艺简单和成本低,所制制品具有良好的抗氧化性能、抗渣侵蚀性和高温力学性能。
[实用新型]
一种微型十字扑翼飞行器
申请号:
201620351495.7
状态:
无权-未缴年费
申请日:
2016-04-25
申请人:
武汉科技大学
发明人:
曹金秋、朱建阳、金晓宏
公开日:
2016-11-23
代理机构:
北京科亿知识产权代理事务所(普通合伙)11350
主分类号:
B64C33/02(2006.01)I
我要购买
摘要:
本实用新型公开了一种微型十字扑翼飞行器,包括机架(1)、空间连杆机构、驱动机构(19)、中央传动箱(21)、控制系统等,所述机架(1)包括十字形骨架,十字形骨架的末端设置有立柱,立柱顶部与空间连杆机构的顶端连接,空间连杆机构上设置有机翼(20);十字形骨架上方设置有驱动机构(19)、减速机构、中央传动箱(21)和控制系统。本实用新型采用了新型的十字对称布置的扑翼结构,该结构能增强飞行的稳定性和灵活的控制飞行姿态。实现俯仰横滚悬停的飞行方式,且翼尖轨迹为“O”型,能很好地模拟鸟类的飞行姿态,并具有急回特性。
[实用新型]
一种大蒜分选称重机
申请号:
201620367627.5
状态:
无权-未缴年费
申请日:
2016-04-23
申请人:
武汉科技大学
发明人:
李知存、范勤、程俊、王雄、聂明争
公开日:
2016-08-31
代理机构:
主分类号:
B07B1/28(2006.01)I
我要购买
摘要:
本实用新型提供一种大蒜分选称重机,包括框架、第一旋转梁组、第一输送装置、第一称重装置、第二旋转梁组、第二输送装置和第二称重装置,在所述第一旋转梁组上设有第一级筛选网,在所述第二旋转梁组上设有第二级筛选网,所述第一级筛选网和所述第二级筛选网分别把所述框架分为左腔室和右腔室。一种大蒜分选称重机,结构设计合理、简单,运行稳定,既有对大蒜分级筛选的功能,又有对分选出的大蒜称重装桶的功能,提高了农业生产效率,解放了劳动力,增加了种植大蒜带来的经济效益。
[实用新型]
一种多功能唤醒装置
申请号:
201620389540.8
状态:
无权-未缴年费
申请日:
2016-04-23
申请人:
武汉科技大学
发明人:
陈望梅、李伟
公开日:
2016-11-16
代理机构:
主分类号:
A47H5/02(2006.01)I
我要购买
摘要:
本实用新型涉及日用品领域,具体涉及一种多功能唤醒装置,其特征在于它包括传动装置、信息控制器、时间设定器、电源组件、PM2.5检测仪、温度传感器、湿度传感器、显示器、挂环、窗帘杆、窗帘;所述传动装置和时间设定器均与信息控制器电连接,信息控制器与电源组件电连接;所述PM2.5检测仪、温度传感器、湿度传感器均与电源组件电连接,PM2.5检测仪、温度传感器、湿度传感器均与显示器电连接,PM2.5检测仪、温度传感器、湿度传感器均设在室外,传动装置和显示器设在室内。本实用新型通过早上自动将窗帘拉开让阳光照射进室内的新方式来唤醒人们提醒人们起床,愉悦人们醒来的心情,提高人们生活的享受,此外它还能测定并显示室外的温度、湿度以及PM2.5的浓度。
[实用新型]
一种可循环环保快递盒
申请号:
201620389574.7
状态:
无权-未缴年费
申请日:
2016-04-23
申请人:
武汉科技大学
发明人:
朱天成、彭旷、秦勇、邵显康、谢博文、朱煜腾、李媚、张然、张雄、王琪
公开日:
2016-09-14
代理机构:
主分类号:
B65D81/03(2006.01)I
我要购买
摘要:
本实用新型涉及日用品领域,具体涉及一种可循环环保快递盒,其特征在于它包括盒体、隔离层、标签卡槽、手提带、棉麻布、拉链带、拉链头、气门嘴;所述盒体呈顶端开口底端封闭的空心圆筒状,盒体顶端开口处向顶面圆中心留有水平边沿,盒体顶端开口处的顶面圆内径小于盒体竖直中心处的水平截面圆内径,盒体由硬质塑料材质制成,盒体曲面外侧壁竖直中心处固定设有一标签卡槽,盒体曲面外侧壁上靠近顶端处正对设有两根手提带,盒体顶端开口处内侧壁沿圆周固定连接有一层用于闭合盒体顶端开口的圆形棉麻布。本实用新型可供人们用来包装网购物品,并且还可以供人们在平时购物时携带着放置物品,减少一次性快递包装盒的浪费量,节约资源,保护环境。
[实用新型]
一种新型淋浴莲蓬头
申请号:
201620389573.2
状态:
无权-未缴年费
申请日:
2016-04-23
申请人:
武汉科技大学
发明人:
王俊响、王雪冬
公开日:
2016-08-31
代理机构:
主分类号:
B05B1/18(2006.01)I
我要购买
摘要:
本实用新型涉及洗浴用品领域,具体的说涉及一种新型淋浴莲蓬头,其特征在于它包括底座、金属软管、手柄卡座、手柄、喷头、挡片、供水管;所述手柄卡座固定连接金属软管一端,金属软管另一端与底座固定相连,底座固定在竖直墙面上;所述手柄可卡放在手柄卡座上,手柄底端与供水管相连通,手柄顶端与喷头相连通,喷头呈半球状,喷头的曲面壁顶部位置也与一金属软管一端固定相连,金属软管另一端与扁平的长方体挡片固定相连;所述金属软管能向任意方向弯曲定型。本实用新型卡放在手柄卡座上时也能方便的供人们调整淋浴莲蓬喷淋的方向,同时带有的挡片能防止关闭后淋浴莲蓬头中的水掉落在人们身上,更加方便人们的使用。
[发明]
基于类Fenton作用的烟气氨法同步脱硫脱硝工艺
申请号:
201610255087.6
状态:
有权
申请日:
2016-04-22
申请人:
武汉钢铁股份有限公司、武汉科技大学
发明人:
吴高明、刘成、吴晓琴
公开日:
2016-07-20
代理机构:
武汉开元知识产权代理有限公司42104
主分类号:
B01D53/96(2006.01)I
我要购买
摘要:
本发明公开了基于类Fenton作用的烟气氨法同步脱硫脱硝工艺,包括烟气增压后送入浓缩塔与塔内浓缩液接触反应,出浓缩塔的烟气送入吸收塔与从塔上部喷淋层喷出的循环吸收液逆向接触反应后由吸收塔顶部排出;浓缩塔塔底引出部分反应后的浓缩液经除铁系统除铁后送入硫酸铵结晶系统,所述烟气由吸收塔中部的烟气入口进入吸收塔,依次经过塔上部设置的至少一层光化学反应层、填料层和喷淋层与循环吸收液逆向接触反应后由烟气出口排出;吸收塔底部的循环吸收液补入氨水、络合剂Fe(II)EDTA、草酸和硫酸亚铁后作为循环吸收液回送到吸收塔上部的喷淋层喷入塔内。本发明工艺简单、运行成本低、能耗低、控制简便、脱硝效果好、副产品质量好的。
[发明]
基于烟气氨法脱硫的草酸亚铁同步脱硝工艺
申请号:
201610255821.9
状态:
有权
申请日:
2016-04-22
申请人:
武汉科技大学
发明人:
吴晓琴、刘成、吴高明、张春桃
公开日:
2016-08-24
代理机构:
武汉开元知识产权代理有限公司42104
主分类号:
B01D53/60(2006.01)I
我要购买
摘要:
本发明公开了一种基于烟气氨法脱硫的草酸亚铁同步脱硝工艺,包括烟气进入浓缩塔与塔内浓缩液接触反应,出浓缩塔的烟气送入吸收塔中部向上经过吸收塔上部设置的填料层和喷淋层与循环吸收液逆向接触反应后由烟气出口排出;浓缩塔塔底引出部分浓缩液经除铁系统除铁后送入硫酸铵结晶系统,所述由吸收塔上部喷淋层喷出的循环吸收液依次经过塔上部的填料层与烟气逆向接触反应后进入吸收塔底部由循环泵送至光催化再生反应系统再生后进入再生浆液槽,再在再生浆液槽中补入氨水、草酸和硫酸亚铁后作为循环吸收液回送到吸收塔上部的喷淋层喷入塔内。本发明工艺简单、运行成本低、能耗低、控制简便、脱硝效果好、副产品质量好。
[发明]
一种光催化再生的烟气草酸亚铁脱硝工艺
申请号:
201610254534.6
状态:
有权
申请日:
2016-04-22
申请人:
武汉科技大学
发明人:
吴晓琴、叶智、吴高明
公开日:
2016-08-24
代理机构:
武汉开元知识产权代理有限公司42104
主分类号:
B01D53/60(2006.01)I
我要购买
摘要:
本发明公开了一种光催化再生的烟气草酸亚铁脱硝工艺,包括烟气增压后送入浓缩塔与塔内浓缩液接触反应,出浓缩塔的烟气送入吸收塔与从塔上部喷淋层喷出的循环吸收液逆向接触反应后由吸收塔顶部排出;所述烟气由吸收塔中部的烟气入口进入吸收塔,依次经过塔上部设置的至少一层光化学反应层、填料层和喷淋层与循环吸收液逆向接触反应后由烟气出口排出;吸收塔底部的循环吸收液由循环泵送至光催化再生反应系统再生后,再在再生浆液槽中补入氨水、草酸和硫酸亚铁后作为循环吸收液回送到吸收塔上部的喷淋层喷入塔内。本发明工艺简单、运行成本低、能耗低、控制简便、脱硝效果好、副产品质量好。
[发明]
一种基于烟气氨法脱硫的同步脱硝络合剂再生工艺
申请号:
201610255823.8
状态:
有权
申请日:
2016-04-22
申请人:
武汉钢铁股份有限公司、武汉科技大学
发明人:
吴高明、叶智、吴晓琴
公开日:
2016-08-10
代理机构:
武汉开元知识产权代理有限公司42104
主分类号:
B01D53/96(2006.01)I
我要购买
摘要:
本发明公开了一种基于烟气氨法脱硫的同步脱硝络合剂再生工艺,包括烟气增压后送入浓缩塔与塔内浓缩液接触反应,出浓缩塔的烟气送入吸收塔,所述烟气由吸收塔中部的烟气入口进入吸收塔,依次经过塔上部设置的至少一层光化学反应层、填料层和喷淋层与循环吸收液逆向接触反应后由烟气出口排出;所述由吸收塔上部喷淋层喷出的循环吸收液依次经过填料层、光化学反应层与烟气逆向接触反应后进入吸收塔底部,再由循环泵送至光催化再生反应系统再生后进入再生浆液槽,再在再生浆液槽中补入氨水、络合剂、草酸和硫酸亚铁作为循环吸收液回送到吸收塔上部的喷淋层喷入塔内。本发明工艺简单、运行成本低、能耗低、控制简便、脱硝效果好、副产品质量好。
[实用新型]
一种汽车防尘雨刷
申请号:
201620361268.2
状态:
无权-未缴年费
申请日:
2016-04-22
申请人:
武汉科技大学
发明人:
马磊、骆鑫
公开日:
2016-08-24
代理机构:
主分类号:
B60S1/04(2006.01)I
我要购买
摘要:
本实用新型公开了一种汽车防尘雨刷,包括电机和雨刷主体,电机的一端连接转轴,转轴的一端连接着大齿轮,大齿轮设置在基座上,且大齿轮的上部设置有凸出端,凸出端上套有活动杆,活动杆的一侧设置有固定端,且活动杆的底部设置在活动块上,活动块的上部设置有连杆固定圆柱,连杆固定圆柱的一侧连接连杆,连杆的一侧连接雨刷主体,雨刷主体的两端分别设有边缘保护盖,边缘保护盖一端设置有雨刷保护套,雨刷保护套由连接卡扣固定在一起,且雨刷保护套的一侧设置有橡胶雨刷。这种汽车防尘雨刷不仅可以除去汽车玻璃上的水渍和灰尘,且自身还可以很好的防尘,使用起来简便高效,且该设备具有操作简单,设计合理,使用方便,价格低廉等优点。
[发明]
一种烧结烟气同步脱硫脱硝工艺
申请号:
201610255064.5
状态:
有权
申请日:
2016-04-22
申请人:
武汉科技大学、武汉悟拓科技有限公司
发明人:
吴晓琴、刘成、吴高明、张春桃
公开日:
2016-08-17
代理机构:
武汉开元知识产权代理有限公司42104
主分类号:
B01D53/78(2006.01)I
我要购买
摘要:
本发明涉及一种烧结烟气同步脱硫脱硝工艺,包括将烟气送入吸收塔与从塔上部喷淋层喷出的循环吸收液逆向接触反应后由吸收塔顶部排出;所述烟气由吸收塔中部的烟气入口进入吸收塔,依次经过塔上部设置的至少一层光化学反应层、填料层和喷淋层与循环吸收液逆向接触反应后由吸收塔顶部的烟气出口排出;所述由吸收塔上部喷淋层喷出的循环吸收液依次经过填料层、至少一层光化学反应层与烟气逆向接触反应后,经过吸收塔下部的光化学反应层进行光化学反应再生,然后由吸收塔底部送至光催化再生反应系统再生,在再生浆液槽中补入氨水和草酸后回送到吸收塔上部的喷淋层喷入塔内。本发明工艺简单、运行成本低、能耗低、控制简便、脱硝效果好、副产品质量好。
[发明]
一种在线测量带钢镀层厚度的X射线荧光成像装置
申请号:
201610251680.3
状态:
有权
申请日:
2016-04-22
申请人:
武汉科技大学
发明人:
徐巍、孔建益、王兴东、刘钊、邹光明、刘源炯、刘宗赣
公开日:
2016-07-13
代理机构:
主分类号:
G01B15/02(2006.01)I
我要购买
摘要:
本发明涉及一种在线测量带钢镀层厚度的X射线荧光成像装置。其技术方案是:X光管(13)与高压电源(1)连接,发射X光;前束光器(12)设置在X光管(13)与带钢(8)间,将X光转换为薄扇形X光束(3);滤光片(11)设置在带钢(8)与后束光器(10)间,吸收铁荧光干扰;后束光器(10)设置在滤光片(11)与线阵探测器(4)间,减少来自非竖直方向散射线的干扰。前述装置封装在玻璃钢保护罩(2)内。线阵探测器(4)接收竖直方向锌荧光信号(9)并成像;图像处理计算机(5)与线阵探测器(4)连接,接收线阵探测器(4)采集的图像并进行数据处理与计算,获得镀锌层的测量结果。
[实用新型]
集装箱运输吊运装置
申请号:
201620355051.0
状态:
无权-未缴年费
申请日:
2016-04-21
申请人:
武汉科技大学
发明人:
余家祥、邓旭东、王凌翔
公开日:
2016-11-30
代理机构:
主分类号:
B66F19/00(2006.01)I
我要购买
摘要:
本实用新型涉及一种集装箱运输吊运装置,包括基座,基座左右两侧分别固定连接有左支撑柱和右支撑柱,左支撑柱和右支撑柱上部固定连接有顶板,基座上部设置有集装箱,集装箱上部左右两侧分别设置有左吊环和右吊环,左支撑柱左侧下部和右支撑柱右侧下部分别设置有左液压器和右液压器,左液压器右侧和右液压器左侧分别连接有左液压伸缩柱和右液压伸缩柱,左液压伸缩柱右侧和右液压伸缩柱左侧分别连接有左推板和右推板;左支撑柱左侧上部和右支撑柱右侧上部分别设置有左电机和右电机。该实用新型装置能够有效地针对集装箱进行吊运,更好地针对集装箱进行输送,方便根据需要使用。
首页
上一页
271
272
273
274
275
276
277
278
279
280
下一页
尾页
当前共找到
8115
个专利记录
,当前显示页码
271/406