首页
专利查询
专利购买
专利转让
专利申请
15071489439
当前位置:
专利巴士
专利查询
专利名称
查询
高级查询
当前共找到
8115
个专利记录
,当前显示页码
274/406
专利名称
申请号
申请人
发明人
专利代办机构
[实用新型]
一种非饱水状态下岩石试样含水率的测试装置
申请号:
201620299541.3
状态:
有权
申请日:
2016-04-11
申请人:
武汉科技大学
发明人:
刘艳章、朱典、潘世华、叶义成、唐红、柯丽华、王文杰、张红军、邹晓甜、陈小强、张奎、吴恩桥、刘永涛
公开日:
2016-09-14
代理机构:
武汉科皓知识产权代理事务所(特殊普通合伙)42222
主分类号:
G01N1/28(2006.01)I
我要购买
摘要:
本实用新型涉及一种非饱水状态下岩石试样含水率的测试装置。其技术方案是:支架(1)由矩形框架、顶板和底板组成,矩形框架的上部和下部对应地固定有顶板和底板。支架(1)的底板上设置有移动平台,移动平台由平板(7)、丝杆(8)和底座(9)组成,丝杆(8)的上端固定在平板(7)下平面的中心位置处,丝杆(8)的下端与底座(9)螺纹连接。顶板的中心位置处开有通孔,顶板上放置有精密天平(3),精密天平(3)的挂钩(2)位于所述通孔中心处,挂篮(4)挂在挂钩(2)上。烧杯(5)放置在移动平台上,挂篮(4)的底部位于烧杯(5)中;精密天平(3)的挂钩(2)、挂篮(4)的底部中心、烧杯(5)的中心线和移动平台的中心线位于同一铅垂线上。本实用新型结构简单、操作方便、实用性强和精度较高。
[发明]
一种自激振荡脉冲喷嘴的腔室壁面设计方法
申请号:
201610223099.0
状态:
审中-实审
申请日:
2016-04-11
申请人:
武汉科技大学
发明人:
汪朝晖、胡亚男、冯艳华、高全杰、余震、饶长健、潘正江、王旭、张立青、李勇刚
公开日:
2016-08-17
代理机构:
上海精晟知识产权代理有限公司31253
主分类号:
G06F17/50(2006.01)I
我要购买
摘要:
本发明公布了一种自激振荡脉冲喷嘴的腔室壁面设计方法,本方法基于对自激振荡脉冲腔室内空化汽囊的能量聚放特性的研究提出了自激振荡脉冲腔室内能量变化过程的物理模型,并由此得到针对喷嘴壁面结构的设计准则,以此准则为依据结合CFD软件分析了对自激振荡喷嘴射流出口能量影响较大的设计区域,该设计区域的确定包括找到关键参数h1、h2以及确定喷嘴腔室壁面形状曲线R1、R2。根据上述发明方法,最终使自激振荡喷嘴获得较大的出口射流能量。本发明所涉及方法可有效提高自激振荡喷嘴射流出口速度,进而提高喷嘴打击力和雾化能力。
[实用新型]
一种多功能水杯杯套
申请号:
201620332733.X
状态:
无权-未缴年费
申请日:
2016-04-09
申请人:
武汉科技大学
发明人:
蔡爽、滕桂平
公开日:
2016-10-12
代理机构:
主分类号:
A47G19/22(2006.01)I
我要购买
摘要:
本实用新型涉及日用品领域,具体涉及一种多功能水杯杯套,其特征在于它包括杯套体、分隔片、注水口、口塞、电加热片、电源线;所述杯套体呈封闭的圆柱环形体状,杯套体的环形区域内空心,杯套体的空心环形区域内设有两个分隔片,两个分隔片将杯套体的空心环形区域隔离分为注水区和加热区两个空心区域,杯套体的环形顶面上开设有一贯通至注水区的注水口,注水口旁设有口塞,加热区内盛装有水,加热区底部设有一电加热片,电加热片与电源线一端电连接,电源线另一端从杯套体外侧曲面壁引出,杯套体和分隔片均由软质防水材料制成。本实用新型不仅具有将水杯中的热水进行快速降温的功能,还具有暖手的功能,对于炎热的夏季和寒冷的冬季都适用。
[实用新型]
一种防瓶塞弹出新型热水瓶
申请号:
201620332731.0
状态:
无权-未缴年费
申请日:
2016-04-09
申请人:
武汉科技大学
发明人:
许志杰、梅方奇、李玉堂、李鑫
公开日:
2016-10-12
代理机构:
主分类号:
A47J41/02(2006.01)I
我要购买
摘要:
本实用新型涉及日用品领域,具体的说涉及一种防瓶塞弹出新型热水瓶,其特征在于它包括外壳、瓶胆、外壳挡片、瓶塞、瓶塞挡片;所述外壳内设有瓶胆,外壳顶部左右内侧位于瓶胆的瓶口上方处各水平正对固定连接一呈矩形片状的外壳挡片,两个外壳挡片位于同一水平面上;所述瓶塞呈圆台型,瓶塞的顶面圆直径大于底面圆直径,瓶塞的曲面侧壁两侧上各左右正对水平固定连接一呈矩形片状的瓶塞挡片,两个瓶塞挡片位于同一水平面上;所述瓶塞挡片的水平长边长度大于瓶塞置于瓶胆的瓶口上时瓶塞距外壳挡片内侧边缘的距离。本实用新型能有效防止瓶口塞上瓶塞后瓶塞发生弹出的现象,提高热水瓶的保温效果,更加方便人们的使用。
[发明]
共轭梯度与扩展卡尔曼滤波结合的四旋翼姿态解算方法
申请号:
201610216667.4
状态:
有权
申请日:
2016-04-08
申请人:
武汉科技大学
发明人:
陈洋、龙文、吴怀宇、程磊、王正熙
公开日:
2016-08-24
代理机构:
湖北武汉永嘉专利代理有限公司42102
主分类号:
G01C21/20(2006.01)I
我要购买
摘要:
本发明涉及共轭梯度与扩展卡尔曼滤波结合的四旋翼姿态解算方法,首先采集传感器信息获取四旋翼飞行状态,然后利用共轭梯度方法进行观测模型建模,进而进行过程模型建模,将共轭梯度方法得到的四元数作为扩展卡尔曼滤波的测量值;最后利用扩展卡尔曼滤波法得到最佳的四元数,解算出四旋翼的三个姿态角。相比单纯的梯度方法和互补滤波方法,本发明的扩展卡尔曼滤波法考虑到了系统误差和传感器的测量噪声,因此估计的四元数有更好的准确性。利用共轭梯度方法得到观测四元数运用到扩展卡尔曼滤波中,可以避免计算复杂的线性化观测模型。
[实用新型]
一种货物分拣装置
申请号:
201620288126.8
状态:
无权-未缴年费
申请日:
2016-04-08
申请人:
武汉科技大学
发明人:
何兴坤、鄢壮、刘孜、陈建华、管帅帅
公开日:
2016-10-19
代理机构:
武汉凌达知识产权事务所(特殊普通合伙)42221
主分类号:
B07C3/02(2006.01)I
我要购买
摘要:
本实用新型公开了一种货物分拣装置,包括圆盘、固定在圆盘上若干传送带、驱动传送带的传动机构、作为动力机构的气缸,控制器、识别器与收货箱;传送带设置有识别器用于扫描货物信息,传动机构由气缸驱动,控制器识别器为电连接。该货物分拣装置,利用识别器和控制器信息比对来决定启动传送带传送货物到对应的收货箱,实现了货物分拣的机械化操作,不仅节约了人力,而且极大提高了分拣效率,有利于加速物流业发展。
[实用新型]
一种阵列式同步抽屉
申请号:
201620288123.4
状态:
无权-未缴年费
申请日:
2016-04-08
申请人:
武汉科技大学
发明人:
管帅帅、鄢壮、陈建华、何兴坤、刘孜
公开日:
2016-10-19
代理机构:
武汉凌达知识产权事务所(特殊普通合伙)42221
主分类号:
A47B88/04(2006.01)I
我要购买
摘要:
本实用新型公开了一种阵列式同步抽屉,包括外支架、内支架、安装在外支架上的抽屉与安装到内支架上的传动装置,传动装置包括电机、涡轮蜗杆机构、齿轮组、链条、曲柄滑块机构,齿轮组包括若干个齿轮对,各个齿轮对由链条传动,曲柄滑块机构一端与第一齿轮转动连接,另一端转动连接到抽屉的底板上。该阵列式同步抽屉,由单个电机驱动若干组传动装置带动若干抽屉实现同步开关,有利于节约成本、提高工作效率。
[发明]
模块化机械臂的智能分拣方法
申请号:
201610212575.9
状态:
有权
申请日:
2016-04-07
申请人:
武汉科技大学
发明人:
闵华松、陈鸣宇、林云汉、康雅文、裴飞龙、吴凡、周昊天、熊志恒、丁礼健、黄铸栋、李潇、齐诗萌、周炳南
公开日:
2016-09-07
代理机构:
上海精晟知识产权代理有限公司31253
主分类号:
G06T7/00(2006.01)I
我要购买
摘要:
本发明提供的模块化机械臂的智能分拣方法,具有这样的特征,包括以下步骤:步骤一,通过体感传感器完成目标检测与识别,获取场景中各物体的准确空间位置信息,得到三维场景语义地图描述文件;步骤二,以人机对话的形式确定意图,推理得到分拣规则;以及步骤三,接收解决方案,通过自然语言编程将解决方案编程为机器人指令,解析编译执行指令,并控制机械臂进行智能分拣。本发明提出的方法实现了模块化机械臂的控制,同时将智能感知与识别,人机对话与交互融入了控制系统,成功的完成了智能分拣任务,提高了模块化机械臂的智能性。
[实用新型]
一种步进旋转式分层水样采集器
申请号:
201620281884.7
状态:
有权
申请日:
2016-04-07
申请人:
武汉科技大学
发明人:
袁白银、胡继盛、张瑞瑞、张晓宇、王琼、廖兴华、张同存
公开日:
2016-09-28
代理机构:
南京苏创专利代理事务所(普通合伙)32273
主分类号:
G01N1/18(2006.01)I
我要购买
摘要:
本实用新型提供的一种步进旋转式分层水样采集器,包括分层储水器、控制模块和步进电机;所述分层储水器包括外层套管和内层套管,所述外层套管和内层套管的管壁紧密连接且可相对转动;所述内层套管内通过隔板隔出一组独立的储水室,储水室侧壁上设有内层排气孔和内层进水孔;所述外层套管上设有与内层排气孔和内层进水孔相对应的小孔;所述控制模块和步进电机通过缆线连接;所述步进电机的定子固定于外层套管顶部,转子与内层套管顶部连接。该采集器构造简单、可操作性强、功能齐全,不仅能准确采集具体深度的水样,而且可以连续采集不同深度的水样并分层储存。
[实用新型]
一种定深不混合水样采集器
申请号:
201620279659.X
状态:
有权
申请日:
2016-04-07
申请人:
武汉科技大学
发明人:
袁白银、胡继盛、张瑞瑞、张晓宇、王琼、廖兴华、张同存
公开日:
2016-09-28
代理机构:
南京苏创专利代理事务所(普通合伙)32273
主分类号:
G01N1/10(2006.01)I
我要购买
摘要:
本实用新型提供的一种定深不混合水样采集器,包括采水控制装置、升降装置、储水装置和载重装置;采水控制装置包括无底的箱体、内嵌体、弹性垫片和控制单元;箱体的侧壁设有一组进水孔;内嵌体嵌固在箱体内侧;弹性垫片设于内嵌体顶部;内嵌体和弹性垫片中部均设有连接孔;控制单元包括依次连接的普通缆线、上连接杆、上坠板、下连接杆和下坠板,上连接杆穿过箱体顶部,上坠板上设有一组排水孔,下坠板上设有一组进水孔,下连接杆穿过连接孔,上坠板和下坠板分别设于内嵌体上下两侧;箱体穿过储水装置顶部,且进水孔位于储水装置外,箱体顶部与升降装置连接,载重装置设于储水装置底部。该采集器构造简单、可操作性强、功能完善。
[发明]
一种安装有斜面轨道的钢包加揭盖装置
申请号:
201610209171.4
状态:
有权
申请日:
2016-04-06
申请人:
武汉科技大学
发明人:
戴方钦、潘妮、熊禾根、许学成
公开日:
2016-06-22
代理机构:
武汉华旭知识产权事务所42214
主分类号:
B22D41/00(2006.01)I
我要购买
摘要:
本发明涉及一种安装有斜面轨道的钢包加揭盖装置,装置中的支撑框架为横跨钢包运输轨道的矩形顶框架结构,固定梁固定在支撑框架顶框两侧,固定梁上装有斜面轨道,水平支撑杆两端分别装在支撑框架和活动梁框架上;活动梁框架上安装有两对轮组,两对轮组各装有一根轮轴,连接梁连接两根轮轴;升降液压油缸两端分别连接支撑框架和连接梁,升降液压油缸的油缸杆伸缩带动活动梁框架上的轮组沿着斜面轨道运动;使吊钩随活动梁框架升降实现加盖和揭盖的操作。本装置结构简单,制造成本低,钢包加揭盖通过轮组沿斜面轨道行走的方式使钢包盖运动稳定可靠。本装置使用寿命长,适用于各类型的钢包。
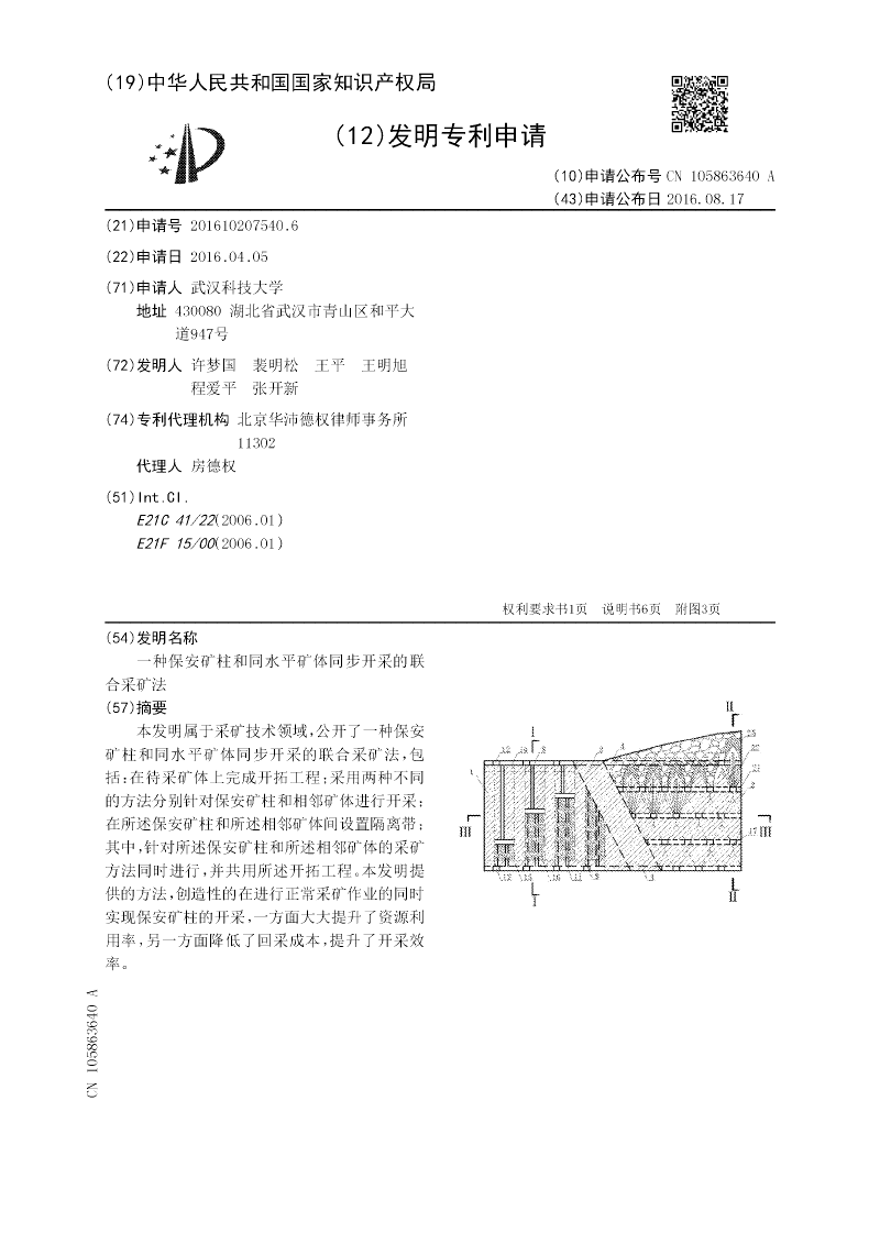
[发明]
一种保安矿柱和同水平矿体同步开采的联合采矿法
申请号:
201610207540.6
状态:
无权-驳回
申请日:
2016-04-05
申请人:
武汉科技大学
发明人:
许梦国、裴明松、王平、王明旭、程爱平、张开新
公开日:
2016-08-17
代理机构:
北京华沛德权律师事务所11302
主分类号:
E21C41/22(2006.01)I
我要购买
摘要:
本发明属于采矿技术领域,公开了一种保安矿柱和同水平矿体同步开采的联合采矿法,包括:在待采矿体上完成开拓工程;采用两种不同的方法分别针对保安矿柱和相邻矿体进行开采;在所述保安矿柱和所述相邻矿体间设置隔离带;其中,针对所述保安矿柱和所述相邻矿体的采矿方法同时进行,并共用所述开拓工程。本发明提供的方法,创造性的在进行正常采矿作业的同时实现保安矿柱的开采,一方面大大提升了资源利用率,另一方面降低了回采成本,提升了开采效率。
[实用新型]
多功能沙漏
申请号:
201620286772.0
状态:
无权-未缴年费
申请日:
2016-04-02
申请人:
武汉科技大学
发明人:
鲁明东、何先伟、丑建磊、赵帅、马浩淞、何惊涛
公开日:
2016-08-17
代理机构:
主分类号:
G04F1/06(2006.01)I
我要购买
摘要:
本实用新型涉及日用品领域,具体的说涉及一种多功能沙漏,其特征在于它包括第一漏斗、第二漏斗、笔槽、连通管、手柄;所述第一漏斗和第二漏斗均呈中空封闭的半球体状,第一漏斗的曲面中心底端与第二漏斗的曲面中心顶端通过连通管连通,第一漏斗和第二漏斗内装有沙子,且第一漏斗和第二漏斗关于连通管中心水平面对称,连通管呈空心圆柱状,第一漏斗和第二漏斗的曲面上开设有若干个呈圆柱状凹槽形的笔槽,第一漏斗上的笔槽圆柱中心轴指向第一漏斗顶面圆的圆心。本实用新型除了具有传统沙漏能漏沙计时的功能外,还具有能存放书写笔,以及能较快重置沙漏内正在漏沙的沙子的功能,功能多样,更加方便了人们的使用。
[实用新型]
一种多功能笔筒
申请号:
201620286830.X
状态:
无权-未缴年费
申请日:
2016-04-02
申请人:
武汉科技大学
发明人:
蒯忠进、谭礼坤、朱流陈、曾文斌、王思为
公开日:
2016-09-21
代理机构:
主分类号:
B43M99/00(2010.01)I
我要购买
摘要:
本实用新型涉及文具用品领域,具体的说涉及一种多功能笔筒,其特征在于它包括筒体、隔板、底盖;所述的筒体呈空心圆筒状,筒体顶端和底端均开口,且底端沿筒体曲面外侧壁边缘处设有外螺纹,筒体内水平设有一圆形隔板,使筒体内的空心区域被隔开为上下两部分,其中下部分空心区域的筒体曲面侧壁上开设有若干个呈水平圆周分布的椭圆形插笔孔,插笔孔贯通至筒体内的下部分空心区域,且每个插笔孔均由筒体外侧向筒体内侧空心区域向下倾斜。本实用新型不仅具有传统笔筒供人们放置笔的功能,还具有存放硬币和盆栽的特殊功能,丰富了传统笔筒的结构形式,增强了人们的审美享受。
[实用新型]
一种多功能新型梳
申请号:
201620286828.2
状态:
无权-未缴年费
申请日:
2016-04-02
申请人:
武汉科技大学
发明人:
潘玲、马艳、姚平
公开日:
2016-10-05
代理机构:
主分类号:
A45D24/10(2006.01)I
我要购买
摘要:
本实用新型涉及日用品领域,具体的说涉及一种多功能新型梳,其特征在于它包括收纳壳体、棉麻布、拉链带、拉链头、手指孔、垫片、梳子齿;所述收纳壳体呈空心圆柱状,其底端封闭顶端开口,收纳壳体采用木质材料制成,收纳壳体的顶端圆形开口边缘与一层呈圆形的棉麻布边缘固定连接,使收纳壳体内的空心区域形成封闭的区域,棉麻布上设有用于开闭的拉链带,拉链带上设有拉链头,收纳壳体的曲面侧壁上开设有若干个手指孔,每个手指孔内沿手指孔侧壁边缘设有一圈软质垫片,收纳壳体底端沿圆形底面边缘竖直设有一圈呈圆周分布的梳子齿,梳子齿由木质材料制成。本实用新型具有收纳一些小型物品的功能,此外它外观形式新颖,增强了人们的审美享受。
[实用新型]
一种抗剪抗拔岩土边坡加固装置
申请号:
201620289468.1
状态:
无权-未缴年费
申请日:
2016-04-02
申请人:
武汉科技大学
发明人:
杨明财、盛建龙、翟明洋、董舒
公开日:
2016-08-17
代理机构:
主分类号:
E02D17/20(2006.01)I
我要购买
摘要:
本实用新型涉及边坡加固技术领域,具体的说涉及一种抗剪抗拔岩土边坡加固装置,其特征在于它包括钢绞线、加固筋、倒刺;所述加固筋一段呈圆柱状,另一段呈圆锥状,加固筋圆柱状段上沿其曲面侧壁上固定焊接有若干个倒刺,加固筋和倒刺均为钢筋材质;所述钢绞线一端与加固筋圆柱状段一端固定相连;所述倒刺顶端向钢绞线一侧倾斜。本实用新型具有抗剪性能好,抗拔性能好的优点,适用于公路、铁路、基坑、露天矿施工作业时边坡的加固。
[实用新型]
一种新型晾晒架
申请号:
201620286840.3
状态:
无权-未缴年费
申请日:
2016-04-02
申请人:
武汉科技大学
发明人:
柳叶
公开日:
2016-10-12
代理机构:
主分类号:
A47G25/18(2006.01)I
我要购买
摘要:
本实用新型涉及及日用品领域,具体的说涉及一种新型晾晒架,其特征在于它包括主轴、收容套、限位块、挂钩、支撑杆连接套、支撑杆、定位套杆、晾衣杆、夹子、晾衣杆连接套;所述主轴顶端设有一挂钩,主轴顶部靠近挂钩处从上往下依次外套有限位块和收容套,其中限位块与主轴固定,收容套能沿主轴上下滑动,且收容套底面上开设有若干个小孔,主轴下部外套有一定位套杆,定位套杆能沿主轴上下滑动,定位套杆的底部上外套有一呈空心圆柱状的晾衣杆连接套,且晾衣杆连接套与定位套杆固定。本实用新型能方便人们的收合和携带,同时它也具有一定防止晾晒的衣物被雨淋湿的作用,更加方便人们的使用。
[发明]
一种岩土边坡加固装置
申请号:
201610217982.9
状态:
审中-实审
申请日:
2016-04-02
申请人:
武汉科技大学
发明人:
盛建龙、杨明财、翟明洋、董舒
公开日:
2016-07-13
代理机构:
主分类号:
E02D17/20(2006.01)I
我要购买
摘要:
本发明涉及边坡加固技术领域,具体的说涉及一种岩土边坡加固装置,其特征在于它包括钢绞线、加固筋、倒刺;所述加固筋一段呈圆柱状,另一段呈圆锥状,加固筋圆柱状段上沿其曲面侧壁上固定焊接有若干个倒刺,加固筋和倒刺均为钢筋材质;所述钢绞线一端与加固筋圆柱状段一端固定相连;所述倒刺顶端向钢绞线一侧倾斜。本发明具有抗剪性能好,抗拔性能好的优点,适用于公路、铁路、基坑、露天矿施工作业时边坡的加固。
[实用新型]
一种组合式桌面办公装置
申请号:
201620297019.1
状态:
无权-未缴年费
申请日:
2016-04-02
申请人:
武汉科技大学
发明人:
丑建磊、吴洁
公开日:
2016-08-17
代理机构:
主分类号:
F21S6/00(2006.01)I
我要购买
摘要:
本实用新型涉及办公用品领域,具体的说涉及一种组合式桌面办公装置,其特征在于它包括壳体、隔板、电源线、转轴、旋转门、摁扣、支撑柱、灯罩、灯泡、开关、摁扣孔;所述壳体呈空心圆筒状,顶端开口底端封闭,壳体内中心部位水平设有一呈圆形的隔开板,隔开板将壳体内的空心区域分为上下两部分,上部分空心区域中心竖直设有隔板,隔板又将上部分空心区域分隔为左右两部分空心区域,壳体对应下部分空心区域的壳体曲面壁上开设有一呈弧形的贯通槽,贯通槽右侧侧壁上开设有一摁扣孔。本实用新型将笔筒、台灯和盆栽三者组合起来设计,结构新颖,审美感强,且能清新桌面上的环境,更加便于人们的学习或者工作。
[实用新型]
一种钻孔扩孔器
申请号:
201620297380.4
状态:
无权-未缴年费
申请日:
2016-04-02
申请人:
武汉科技大学
发明人:
杨明财、盛建龙、董舒、翟明洋
公开日:
2016-08-17
代理机构:
主分类号:
E21B7/28(2006.01)I
我要购买
摘要:
本实用新型涉及钻孔扩孔技术领域,具体的说涉及一种钻孔扩孔器,其特征在于它包括驱动轴、第一扩孔环体、第二扩孔环体、牙轮钻头、扩孔齿、扩孔齿槽、键槽、存屑槽;所述牙轮钻头为单牙轮钻头、三牙轮钻头,牙轮钻头的左端面中心向内水平开设有呈圆柱形的凹槽;所述驱动轴呈圆柱状,驱动轴的右侧端嵌入牙轮钻头左端面的圆柱形凹槽中,且牙轮钻头中心竖向截面的顶端和底端边缘处各向内竖向开设有一道呈矩形的键槽,键槽深入驱动轴中。本实用新型同时具有钻孔和扩孔的功能,且能扩不同直径的孔,提高了扩孔效率,降低了施工成本,也节约了施工周期。
首页
上一页
271
272
273
274
275
276
277
278
279
280
下一页
尾页
当前共找到
8115
个专利记录
,当前显示页码
274/406