首页
专利查询
专利购买
专利转让
专利申请
15071489439
当前位置:
专利巴士
专利查询
专利名称
查询
高级查询
当前共找到
8115
个专利记录
,当前显示页码
280/406
专利名称
申请号
申请人
发明人
专利代办机构
[实用新型]
一种餐厅用机器人
申请号:
201620188342.5
状态:
无权-未缴年费
申请日:
2016-03-11
申请人:
武汉科技大学
发明人:
刘泽、李公法、刘洪海、赵颢云、蒋国璋、孔建益、熊禾根、孙瑛、郭永兴、秦丽、李贵、李喆、苗卫、何洋、杜峰、廖雅杰、胡文龙、汤恒、李贝、常文俊
公开日:
2016-07-27
代理机构:
重庆百润洪知识产权代理有限公司50219
主分类号:
B25J11/00(2006.01)I
我要购买
摘要:
本实用新型涉及一种餐厅用机器人,包括机器人本体、连接臂和托盘,托盘上设有压力传感器,机器人本体下方通过可旋转底座连接有行走机构,机器人本体上靠近托盘处设有人机交互装置、收费装置和会员卡识别装置,机器人本体内设有发票打印装置,机器人本体上相应位置设有发票打印输出口,机器人本体头部内置有语音对话装置,机器人本体头部设有摄像头,机器人本体内设有与人机交互装置相连接且通过无线网络联接于餐厅主机的无线通信装置。本实用新型的有益效果是:具备点餐、送餐、餐费支付、会员顾客会员卡识别、发票打印功能和图像采集功能,同时还能进行旋转,实现了机器人自动转身为顾客服务的目的。
[实用新型]
一种履带式消防机器人
申请号:
201620194486.1
状态:
无权-未缴年费
申请日:
2016-03-11
申请人:
武汉科技大学
发明人:
苗卫、李公法、刘洪海、赵颢云、蒋国璋、孔建益、熊禾根、孙瑛、郭永兴、秦丽、李贵、李喆、刘泽、何洋、杜峰、廖雅杰、胡文龙、汤恒、李贝、常文俊
公开日:
2016-08-24
代理机构:
重庆百润洪知识产权代理有限公司50219
主分类号:
A62C27/00(2006.01)I
我要购买
摘要:
本实用新型涉及一种履带式消防机器人,包括移动载体、安装支架和设置在移动载体两侧的履带装置,履带装置的前端、后端与地面之间的夹角分别为35°和11°,安装支架上设有消防液储液箱、主控制箱、视觉跟踪装置、气体检测装置和至少一个排烟机,排烟机的出风口通过排烟管与消防液储液箱下端相连接,安装支架上通过炮座连接有消防炮,消防液储液箱与消防炮之间的管道上设有搅拌室,搅拌室内设有搅拌装置,主控制箱内设有无线通信装置。本实用新型的有益效果是:能够进行一定高度的攀爬作业,具备排烟功能,能判断火灾现场气体内是否含有有毒气体,从而便于消防人员提前做好准备,具备远程操控功能,灭火效率高。
[实用新型]
一种农用机器人
申请号:
201620188316.2
状态:
无权-未缴年费
申请日:
2016-03-11
申请人:
武汉科技大学
发明人:
常文俊、李公法、刘洪海、赵颢云、蒋国璋、孔建益、熊禾根、孙瑛、郭永兴、秦丽、李贵、苗卫、刘泽、李喆、何洋、廖雅杰、胡文龙、李贝、杜峰、汤恒
公开日:
2016-08-24
代理机构:
重庆百润洪知识产权代理有限公司50219
主分类号:
A01M7/00(2006.01)I
我要购买
摘要:
本实用新型涉及一种农用机器人,包括履带式机器人本体、混合箱、药箱、循环泵和控制箱,混合箱上端面连接有喷射装置,药箱与混合箱之间连接有输药管,在输药管上设有计量电控阀,混合箱内设有压力传感器和最高水位传感器,循环泵的进液端和出液端分别与混合箱的下部和上部相连通,机器人本体上端前部设有至少两个摄像头;机器人本体下端前部设有杂草识别装置和激光除草装置;机器人本体下端后部设有耕作装置。本实用新型的有益效果是:能够精确的将药和水按一定的比例混配,并且操作方便,增设循环泵后使得药和水能够进行均匀的混合,施药均匀且效果好,同时本实用新型在使用时功能多样,能够满足农业生产的需求,降低了生产成本。
[实用新型]
一种农用机器人
申请号:
201620188305.4
状态:
无权-未缴年费
申请日:
2016-03-11
申请人:
武汉科技大学
发明人:
李喆、李公法、刘洪海、赵颢云、蒋国璋、孔建益、熊禾根、孙瑛、郭永兴、秦丽、李贵、苗卫、刘泽、何洋、杜峰、廖雅杰、胡文龙、汤恒、李贝、常文俊
公开日:
2016-07-27
代理机构:
重庆百润洪知识产权代理有限公司50219
主分类号:
A01M7/00(2006.01)I
我要购买
摘要:
本实用新型涉及一种农用机器人,包括履带式机器人本体、混合箱、药箱、循环泵和控制箱,混合箱上端面连接有喷射装置,药箱与混合箱之间连接有输药管,在输药管上设有计量电控阀,混合箱内设有压力传感器和最高水位传感器,循环泵的进液端和出液端分别与混合箱的下部和上部相连通,机器人本体上端前部设有至少两个摄像头;机器人本体下端前部设有杂草识别装置和激光除草装置;机器人本体下端后部设有耕作装置。本实用新型的有益效果是:能够精确的将药和水按一定的比例混配,并且操作方便,增设循环泵后使得药和水能够进行均匀的混合,施药均匀且效果好,同时本实用新型在使用时功能多样,能够满足农业生产的需求,降低了生产成本。
[实用新型]
一种喷漆机器人
申请号:
201620194390.5
状态:
无权-未缴年费
申请日:
2016-03-11
申请人:
武汉科技大学
发明人:
廖雅杰、李公法、刘洪海、赵颢云、蒋国璋、孔建益、熊禾根、孙瑛、郭永兴、秦丽、李贵、苗卫、刘泽、李喆、何洋、常文俊、胡文龙、李贝、杜峰、汤恒
公开日:
2016-08-03
代理机构:
重庆百润洪知识产权代理有限公司50219
主分类号:
B05B13/04(2006.01)I
我要购买
摘要:
本实用新型涉及一种喷漆机器人,包括移动载体,设置在移动载体上的主控制箱、漆桶以及供漆泵,移动载体上通过可旋转底盘连接有可进行360度转动的机械臂组件,机械臂组件上设有喷枪以及第一探测装置,移动载体的前后两端均设有第二探测装置;供漆泵上连接有第一漆管和第二漆管,第二漆管与喷枪相连接,漆桶下方的移动载体上设有压力感应器。本实用新型的有益效果是:有效的降低了劳动强度,避免了人们在长时间手工喷漆中所引起的各种疾病,提高了工作效率,同时喷漆厚度也得到保证,能实时的了解漆桶内剩余油漆量,便于人们及时添加,提高了喷漆的质量,能自动调整喷漆的距离,而且还能防止在运行过程中出现撞机的情况。
[发明]
一种片式氧传感器芯片的制造方法
申请号:
201610139188.7
状态:
有权
申请日:
2016-03-11
申请人:
武汉科技大学
发明人:
赵芃、谢光远、甘章华、罗志安
公开日:
2016-06-29
代理机构:
武汉开元知识产权代理有限公司42104
主分类号:
G01N27/409(2006.01)I
我要购买
摘要:
本发明涉及一种片式氧传感器芯片的制造方法,其结构为上层功能片、中间通道形成片和下层片,依次叠层热压制作成一整体,上片集成传感单元和加热电阻,加热电阻和外电极在上片平面上交错印刷在芯片头部区域,各自通过引线与引脚连接。本发明的方法消除了在中片和下片之间印刷上下绝缘层对芯片整体强度的影响,使得芯片最终强度提高;没有加热电阻的穿层导电孔,工艺简单,绝缘效果更好,整体制造成本进一步降低。
[实用新型]
一种搜救型机器人
申请号:
201620194388.8
状态:
无权-未缴年费
申请日:
2016-03-11
申请人:
武汉科技大学
发明人:
杜峰、李公法、刘洪海、赵颢云、蒋国璋、孔建益、熊禾根、孙瑛、郭永兴、秦丽、李贵、苗卫、刘泽、李喆、何洋、常文俊、廖雅杰、李贝、胡文龙、汤恒
公开日:
2016-09-07
代理机构:
重庆百润洪知识产权代理有限公司50219
主分类号:
A62B5/00(2006.01)I
我要购买
摘要:
本实用新型涉及一种搜救型机器人,包括行走机构和机体,机体上部后端和上部前端分别设有破拆装置和灭火装置,灭火装置与破拆装置之间的机体上设有水箱,水箱上设有装载箱,装载箱上方设有摄像头、风扇和生命探测仪,装载箱内设有抽气泵、供氧系统,装载箱的四侧面均设有超声波距离传感器和火焰传感器,机体的前部通过液压装置连接有铲板。本实用新型的有益效果是:通过破拆装置及铲板,能快速的进行破拆和清除路障,进而能用最短的时间救出被困人员,本实用新型在使用时能自动搜索被困人员,而且能够对具体位置进行判断,采用履带型行走机构增强了运行时的稳定性,将装载箱设置在水箱上,这样能增大装载箱的容纳空间。
[实用新型]
一种搜救型机器人
申请号:
201620188479.0
状态:
无权-未缴年费
申请日:
2016-03-11
申请人:
武汉科技大学
发明人:
胡文龙、李公法、刘洪海、赵颢云、蒋国璋、孔建益、熊禾根、孙瑛、郭永兴、秦丽、李贵、苗卫、刘泽、李喆、何洋、常文俊、廖雅杰、李贝、杜峰、汤恒
公开日:
2016-08-03
代理机构:
重庆百润洪知识产权代理有限公司50219
主分类号:
A62B5/00(2006.01)I
我要购买
摘要:
本实用新型涉及一种搜救型机器人,包括行走机构和机体,机体上部后端和上部前端分别设有破拆装置和灭火装置,灭火装置与破拆装置之间的机体上设有水箱,水箱上设有装载箱,装载箱上方设有摄像头、风扇和生命探测仪,装载箱内设有抽气泵、供氧系统,装载箱的四侧面均设有超声波距离传感器和火焰传感器,机体的前部通过液压装置连接有铲板。本实用新型的有益效果是:通过破拆装置及铲板,能快速的进行破拆和清除路障,进而能用最短的时间救出被困人员,本实用新型在使用时能自动搜索被困人员,而且能够对具体位置进行判断,采用履带型行走机构增强了运行时的稳定性,将装载箱设置在水箱上,这样能增大装载箱的容纳空间。
[实用新型]
一种新型餐厅用机器人
申请号:
201620188317.7
状态:
无权-未缴年费
申请日:
2016-03-11
申请人:
武汉科技大学
发明人:
何洋、李公法、刘洪海、赵颢云、蒋国璋、孔建益、熊禾根、孙瑛、郭永兴、秦丽、李贵、李喆、苗卫、刘泽、杜峰、廖雅杰、胡文龙、汤恒、李贝、常文俊
公开日:
2016-07-13
代理机构:
重庆百润洪知识产权代理有限公司50219
主分类号:
B25J11/00(2006.01)I
我要购买
摘要:
本实用新型涉及一种新型餐厅用机器人,包括机器人本体、连接臂和托盘,托盘上设有压力传感器,机器人本体下方通过可旋转底座连接有行走机构,机器人本体上靠近托盘处设有人机交互装置、收费装置和会员卡识别装置,机器人本体内设有发票打印装置,机器人本体上相应位置设有发票打印输出口,机器人本体头部内置有语音对话装置,机器人本体头部设有摄像头,机器人本体内设有与人机交互装置相连接且通过无线网络联接于餐厅主机的无线通信装置。本实用新型的有益效果是:具备点餐、送餐、餐费支付、会员顾客会员卡识别、发票打印功能和图像采集功能,同时还能进行旋转,实现了机器人自动转身为顾客服务的目的。
[实用新型]
一种新型履带式消防机器人
申请号:
201620188445.1
状态:
无权-未缴年费
申请日:
2016-03-11
申请人:
武汉科技大学
发明人:
李贝、李公法、刘洪海、赵颢云、蒋国璋、孔建益、熊禾根、孙瑛、郭永兴、秦丽、李贵、李喆、刘泽、苗卫、何洋、杜峰、廖雅杰、胡文龙、汤恒、常文俊
公开日:
2016-08-24
代理机构:
重庆百润洪知识产权代理有限公司50219
主分类号:
A62C27/00(2006.01)I
我要购买
摘要:
本实用新型涉及一种新型履带式消防机器人,包括移动载体、安装支架和设置在移动载体两侧的履带装置,履带装置的前端、后端与地面之间的夹角分别为45°和10°,安装支架上设有消防液储液箱、主控制箱、视觉跟踪装置、气体检测装置和至少一个排烟机,排烟机的出风口通过排烟管与消防液储液箱下端相连接,安装支架上通过炮座连接有消防炮,消防液储液箱与消防炮之间的管道上设有搅拌室,搅拌室内设有搅拌装置,主控制箱内设有无线通信装置。本实用新型的有益效果是:能够进行一定高度的攀爬作业,具备排烟功能,能判断火灾现场气体内是否含有有毒气体,从而便于消防人员提前做好准备,具备远程操控功能,灭火效率高。
[实用新型]
一种智能家庭消防机器人
申请号:
201620194205.2
状态:
无权-未缴年费
申请日:
2016-03-11
申请人:
武汉科技大学
发明人:
汤恒、李公法、刘洪海、赵颢云、蒋国璋、孔建益、熊禾根、孙瑛、郭永兴、秦丽、李贵、苗卫、刘泽、李喆、何洋、常文俊、廖雅杰、李贝、胡文龙、杜峰
公开日:
2016-08-24
代理机构:
重庆百润洪知识产权代理有限公司50219
主分类号:
A62C13/70(2006.01)I
我要购买
摘要:
本实用新型涉及一种智能家庭消防机器人,包括行走机构和机体,机体的上部中间位置通过旋转平台固定设有二氧化碳灭火装置,机体的上部后端和前端均设有防倾倒装置,机体上还设有控制箱,控制箱内设有WIFI通信装置;机体的上部设有与控制箱相配合的火焰检测传感器、烟雾检测传感器、超声波测距装置和视频监控装置;防倾倒装置包括伸缩装置,伸缩装置另一端连接有可抵接在地面上的防滑件。本实用新型的有益效果是:通过采用二氧化碳灭火装置能有效的减少由水灭火所造成的损坏,能避免机器人在进行灭火时出现倾倒的情况,稳定性好,具备实时监控的功能,能快速应对家中无人时出现的火灾,减少火灾造成的损害,能进行远程的操控。
[发明]
一种纳米棒状钛酸镧粉体及其制备方法
申请号:
201610134473.X
状态:
无权-驳回
申请日:
2016-03-09
申请人:
武汉科技大学
发明人:
张海军、黄仲、刘江昊、张少伟
公开日:
2016-06-08
代理机构:
武汉科皓知识产权代理事务所(特殊普通合伙)42222
主分类号:
C01G23/00(2006.01)I
我要购买
摘要:
一种纳米棒状钛酸镧粉体及其制备方法。其技术方案是:将9~33wt%的三氧化二镧、4~17wt%的二氧化钛和50~87wt%的氯化物粉体混合均匀,制得混合物;再将混合物置入马弗炉,以2~10℃/min的升温速率升温至600~1000℃,保温1~5小时,随炉冷却至室温;然后将所得产物用去离子水清洗,在80~100℃条件下干燥10~14小时,制得纳米棒状钛酸镧粉体。本发明具有反应温度低、成本低、合成工艺简单、形貌可控、产率高和适于产业化生产的特点,所制备的纳米棒状钛酸镧粉体的粒径小、纯度高、性能稳定和光催化活性高。
[实用新型]
用于沥青混合料半圆弯曲试件恒温开裂试验的加载装置
申请号:
201620174180.X
状态:
无权-未缴年费
申请日:
2016-03-08
申请人:
武汉科技大学
发明人:
曾国伟、张华杰、王传达、胡洋洋、吴涛
公开日:
2016-07-27
代理机构:
北京轻创知识产权代理有限公司11212
主分类号:
G01N3/08(2006.01)I
我要购买
摘要:
本实用新型涉及用于沥青混合料半圆弯曲试件恒温开裂试验的加载装置。包括结构、大小均相同的上夹持部和下夹持部;上夹持部包括上抓头和夹持结构,上抓头一端设有U型开口端;夹持结构包括水平并列设置的第一上夹持板和第二上夹持板,第一上夹持板和第二上夹持板同一端通过横轴与U型开口端活动连接,第一上夹持板和第二上夹持板均可以沿横轴水平移动;上夹持部还包括用于调节第一上夹持板和第二上夹持板之间距离的紧固结构,紧固结构套设在第一上夹持板和第二上夹持板外,且靠近上抓头设置。本实用新型上、下夹持部的两夹持板之间的距离可调,从而可以适应不同尺寸的试件在恒温箱内的拉伸加载,整个装置稳定性好,结构简单,成本低廉。
[发明]
一种冶金焦炭初始反应温度的测定方法及装置
申请号:
201610123940.9
状态:
无权-视为撤回
申请日:
2016-03-07
申请人:
武汉科技大学
发明人:
史世庄、汪恭二、罗永辉、毛彦高、郑齐
公开日:
2016-06-08
代理机构:
主分类号:
G01K7/02(2006.01)I
我要购买
摘要:
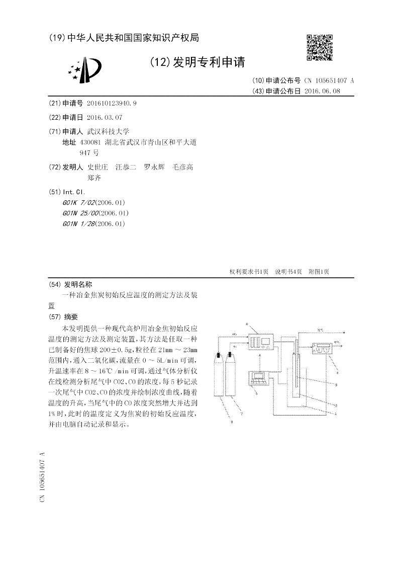
本发明提供一种现代高炉用冶金焦初始反应温度的测定方法及测定装置,其方法是任取一种已制备好的焦球200±0.5g,粒径在21mm~23mm范围内,通入二氧化碳,流量在0~5L/min可调,升温速率在8~16℃/min可调,通过气体分析仪在线检测分析尾气中CO2、CO的浓度,每5秒记录一次尾气中CO2、CO的浓度并绘制浓度曲线,随着温度的升高,当尾气中的CO浓度突然增大并达到1%时,此时的温度定义为焦炭的初始反应温度,并由电脑自动记录和显示。
[实用新型]
一种自冷型百叶冷凝器
申请号:
201620171868.2
状态:
无权-未缴年费
申请日:
2016-03-07
申请人:
武汉科技大学
发明人:
焦良珍、何帅、周传辉
公开日:
2016-08-03
代理机构:
北京轻创知识产权代理有限公司11212
主分类号:
F25B39/04(2006.01)I
我要购买
摘要:
本实用新型涉及一种自冷型百叶冷凝器,包括散热铜管、翅片和百叶;所述散热铜管进出口两端均设有螺纹接口,所述散热铜管和所述翅片焊接连接,所述翅片包括宽翅片和窄翅片,所述百叶与宽翅片的一侧通过焊接连为一体。使用时百叶朝外安装,散热铜管与压缩机以及节流装置等通过螺纹连接,形成制冷循环管路。本实用新型结构简单,散热功能强,具有更强的适应性、灵活性和独立性,改变了常规分体式空调室外机的结构,将百叶和空调组件冷凝器结合起来,如此减少了常规空调室外机冷凝器与建筑百叶之间的空间,有效解决了热量在此大量堆积的问题,减少建筑百叶对于分体式空调室外机散热的恶劣影响,更有利于空调安全运行及节能。
[发明]
用于超高强度厚钢板的CO2气体保护焊的焊接方法
申请号:
201610127782.4
状态:
有权
申请日:
2016-03-07
申请人:
武汉科技大学
发明人:
王红鸿、吴开明、李军辉、魏然、黄刚
公开日:
2016-06-08
代理机构:
武汉科皓知识产权代理事务所(特殊普通合伙)42222
主分类号:
B23K9/16(2006.01)I
我要购买
摘要:
本发明涉及一种用于超高强度厚钢板的CO2气体保护焊的焊接方法。其技术方案是:先对下料后的待焊接的超高强度厚钢板加工坡口,坡口为不对称X型,再采用CO2气体保护焊接方法依次进行打底层焊接和填充层焊接,然后对焊缝采用超声波进行无损检测和对焊接接头进行力学性能检测。所述打底层焊接采用500~600MPa级的焊丝焊接,打底层的厚度为2~8mm;所述填充层焊接采用与母材等强度的焊丝焊接。所述待焊接的超高强度厚钢板是强度为890MPa级以上和厚度为25~30mm的钢板。本发明具有工艺简单、人工强度小、焊接成本低和焊接效率高的特点,该焊接方法所形成的焊接接头获得了良好的综合力学性能,适合于890MPa及以上的超高强度大厚板结构钢。
[发明]
用于大规格超高强度钢板的CO2气体保护焊的焊接方法
申请号:
201610127873.8
状态:
有权
申请日:
2016-03-07
申请人:
武汉科技大学
发明人:
王红鸿、吴开明、覃展鹏、魏然、万响亮
公开日:
2016-05-11
代理机构:
武汉科皓知识产权代理事务所(特殊普通合伙)42222
主分类号:
B23K9/16(2006.01)I
我要购买
摘要:
本发明涉及一种用于大规格超高强度钢板的CO2气体保护焊的焊接方法。其技术方案是:先对下料后的待焊接的大规格超高强度钢板加工坡口,坡口为带钝边双U型,再采用CO2气体保护焊接方法进行焊接,然后对焊缝采用超声波进行无损检测和对焊接接头进行力学性能检测。所述焊接采用两种强度级别的焊丝,奇数层为420MPa~600MPa级的CO2气体保护焊丝,偶数层为与母材等强度的焊丝,依次逐层完成焊接。所述待焊接的大规格超高强度钢板是厚度为50~100mm和屈服强度为690~980MPa级的钢板。本发明具有工艺简单、人工强度小、焊接成本低和焊接效率高的特点,该焊接方法所形成的焊接接头获得了良好的综合力学性能,提高了焊缝金属的冲击韧性。
[实用新型]
一种阶梯形独立基础模板架空装置
申请号:
201620193313.8
状态:
无权-未缴年费
申请日:
2016-03-05
申请人:
武汉科技大学
发明人:
许志杰
公开日:
2016-08-03
代理机构:
主分类号:
E02D15/02(2006.01)I
我要购买
摘要:
本实用新型涉及一种阶梯形独立基础模板架空装置,其特征在于它包含支架本体、夹持体,所述支架本体呈L型,其水平下部设有平衡重块,竖直侧部内开设有竖向滑槽,滑槽旁沿滑槽设有刻度区,刻度区内设有刻度数;所述夹持体呈Y型,有两个,其左端均内嵌入支架本体内的滑槽中,且均能沿滑槽上下滑动,每个夹持体右端两个分叉头上均各固定相连一个呈半“口”字型夹头,每个夹持体的左侧底部均与一根一级套杆固定相连,一级套杆呈空心圆柱状,其下端内嵌有能上升和下降的二级套杆,一级套杆上设有旋钮,旋钮能固定内嵌的二级套杆。本实用新型实现了无需借用钢筋或者木条支护就能将上层阶梯形独立基础模板架空的功能,降低了施工成本,提高了施工效率。
[实用新型]
一种新型护岸框架
申请号:
201620189163.3
状态:
无权-未缴年费
申请日:
2016-03-05
申请人:
武汉科技大学
发明人:
殷萌、刘红、闵岚、田野、罗继平、王猛、陈芳、杨芬、权崇明、华运来
公开日:
2016-09-14
代理机构:
主分类号:
E02B3/12(2006.01)I
我要购买
摘要:
本实用新型涉及江河护岸装置领域,具体的说涉及一种新型护岸框架,其特征在于它由立杆、斜杆、横杆组成;所述的立杆有4根,均竖直平行放置,相邻两根立杆的对角端均分别与两根斜杆的两端交叉固定相连;所述的横杆有2根,每根横杆的两端分别与正对两根斜杆的交叉部位固定相连。本实用新型自身稳定性好,耐泥沙和水的冲击性能强,不易因冲刷而被肢解,提高护岸框架的护岸效果。
[实用新型]
一种新型火炉加热节能装置
申请号:
201620189162.9
状态:
无权-未缴年费
申请日:
2016-03-05
申请人:
武汉科技大学
发明人:
谭涛、宗雨、张阔、周栋
公开日:
2016-08-03
代理机构:
主分类号:
F24C13/00(2006.01)I
我要购买
摘要:
本实用新型具体涉及一种新型火炉加热节能装置,其特征在于它包括炉体、炉筒、水壶壳体、加水口、水龙头、电加热棒、温度传感器、温度显示器、电源线;所述炉体上竖直设有与之贯通相连的炉筒,炉筒外围被空心圆柱形水壶壳体包裹形成封闭的环形空腔,环形空腔内设有电加热棒和温度传感器,电加热棒与电源线电连接,水壶壳体的上表面开设有加水口,侧面下部与水龙头贯通相连,侧面与温度显示器固定连接,温度显示器通过导线与温度传感器电连接,温度传感器通过导线与电源线电连接。本实用新型能将炉筒壁损失的热量利用起来对水进行加热,还可以通过电加热棒继续对未烧开的水加热烧开,减少人们日常生活的耗能,节约能源,并能更加方便人们的生活。
首页
上一页
271
272
273
274
275
276
277
278
279
280
下一页
尾页
当前共找到
8115
个专利记录
,当前显示页码
280/406