首页
专利查询
专利购买
专利转让
专利申请
15071489439
当前位置:
专利巴士
专利查询
专利名称
查询
高级查询
当前共找到
8115
个专利记录
,当前显示页码
44/406
专利名称
申请号
申请人
发明人
专利代办机构
[发明]
一种氧化镁-碳化硅-碳多孔陶瓷过滤器及其制备方法
申请号:
202110025242.6
状态:
审中-实审
申请日:
2021-01-08
申请人:
武汉科技大学
发明人:
鄢文、彭望定、支瑾娜、陈哲、李光强、郑万
公开日:
代理机构:
主分类号:
C04B38/06(20060101)
我要购买
摘要:
本发明涉及一种氧化镁‑碳化硅‑碳多孔陶瓷过滤器及其制备方法。其技术方案是:以改性多孔镁质细粉、改性焦炭沥青粉、单质硅粉和羧甲基纤维素钠为原料,加入减水剂、消泡剂、铝溶胶和去离子水,搅拌,得到具有触变性的陶瓷浆体。将碳化硅预形体浸入具有触变性的陶瓷浆体中,取出后离心处理,养护,干燥,在埋碳气氛和1400~1600℃条件下保温2~6h,冷却,制得氧化镁‑碳化硅‑碳多孔陶瓷过滤器。本发明具有过滤效果优异、强度高和热震稳定性好的特点;既适用于钢液净化领域,又适用于镁熔体和镁合金熔体净化领域。
[实用新型]
一种模拟球团带式焙烧机的实验系统
申请号:
202120034511.0
状态:
有权
申请日:
2021-01-07
申请人:
福建三钢闽光股份有限公司、武汉科技大学
发明人:
陈昭尧、陈铁军、黄标彩、周仙霖、魏愈宋、罗艳红、方宇荣、万军营、刘真、周文波、朱丽娜
公开日:
代理机构:
主分类号:
C22B1/24(2006.01)
我要购买
摘要:
本实用新型公开一种模拟球团带式焙烧机的实验系统,包括:送风风机、流量控制装置、燃气罐、燃气流量控制装置、烧嘴、分流燃烧室、上密封罩Ⅰ、基准焙烧杯、基准焙烧杯支撑装置、下密封罩Ⅰ、冷却除尘装置Ⅰ、抽风风机Ⅰ、鼓风风机Ⅰ、冷却除尘装置Ⅱ、抽风风机Ⅱ、上密封罩Ⅱ、循环焙烧杯、循环焙烧杯支撑装置、下密封罩Ⅱ、冷却除尘装置Ⅲ、抽风风机Ⅱ、鼓风风机Ⅱ。本实用新型利用基准焙烧杯产生的高温烟气为循环焙烧杯的球团生产提供循环烟气,能更真实的模拟带式焙烧机实际生产过程,同时能够与未采用循环烟气的球团生产情况对比,系统功能多样,能源利用率高,实验结果更具实际指导意义。
[发明]
一种模拟球团带式焙烧机的实验系统及其使用方法
申请号:
202110019156.4
状态:
审中-公开
申请日:
2021-01-07
申请人:
福建三钢闽光股份有限公司、武汉科技大学
发明人:
陈昭尧、陈铁军、黄标彩、周仙霖、魏愈宋、罗艳红、方宇荣、万军营、刘真、周文波、王义惠、刘建丰、朱丽娜
公开日:
代理机构:
主分类号:
C22B1/24(20060101)
我要购买
摘要:
本发明公开一种模拟球团带式焙烧机的实验系统及其使用方法,实验系统包括:送风风机、流量控制装置、燃气罐、燃气流量控制装置、烧嘴、分流燃烧室、上密封罩Ⅰ、基准焙烧杯、基准焙烧杯支撑装置、下密封罩Ⅰ、冷却除尘装置Ⅰ、抽风风机Ⅰ、鼓风风机Ⅰ、冷却除尘装置Ⅱ、抽风风机Ⅱ、上密封罩Ⅱ、循环焙烧杯、循环焙烧杯支撑装置、下密封罩Ⅱ、冷却除尘装置Ⅲ、抽风风机Ⅱ、鼓风风机Ⅱ。本发明利用基准焙烧杯产生的高温烟气为循环焙烧杯的球团生产提供循环烟气,能更真实的模拟带式焙烧机实际生产过程,同时能够与未采用循环烟气的球团生产情况对比,系统功能多样,能源利用率高,实验结果更具实际指导意义。
[发明]
一种建筑用节能式太阳能热水器
申请号:
202110014909.2
状态:
审中-公开
申请日:
2021-01-06
申请人:
武汉科技大学
发明人:
李洁、袁晶
公开日:
代理机构:
主分类号:
F24S25/10(20180101)
我要购买
摘要:
本发明公开了一种建筑用节能式太阳能热水器,包括太阳能支撑框和太阳能集热器,其特征在于,所述太阳能支撑框上方焊接有导流箱体,所述太阳能支撑框内部下方成型有支撑槽,所述支撑槽内部与所述导流箱体之间卡设有所述太阳能集热器,所述太阳能集热器为U型结构,所述太阳能集热器与所述导流箱体之间卡压有密封皮圈,所述密封皮圈为耐高温橡胶制成。通过设置U型的太阳能集热器、导流箱体和隔水板,可以使得水源在导流箱体和太阳能集热器内部呈S型流通,可以在经过太阳能集热器后逐步升温,对水源进行加热,可以提高水源的流通率,进而提高热交换的效率,到达节能的目的。
[发明]
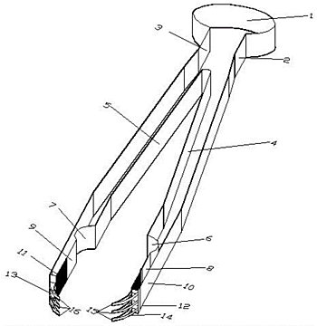
一种新型夹取装置
申请号:
202110011678.X
状态:
审中-公开
申请日:
2021-01-06
申请人:
武汉科技大学
发明人:
桂若铭、李好强
公开日:
代理机构:
主分类号:
B65G47/90(20060101)
我要购买
摘要:
本发明专利提供了一种新型夹取装置,包括:头部;连接腰部,腰部分为两大部分:上端偏转段和下端夹持段,所述头部与腰上部偏转段固定连接;及夹取尾部,所述腰部下端与夹取尾部胶接连接。所述尾部包括相互可完全紧密咬合的圆弧曲面体钩爪,在外力作用下两端的钩爪相向或背向运动。整个装置均设置为空心结构,大大减少了装置的重量,有效避免了弹力生硬、使用疲劳的现象。同时,装置尾部钩爪结构可有效的将一些微小、易脆、易断裂、形状不规则以及表面平滑的物体夹起来。这样的设计可最大程度的减少物体被夹起时所受的力,相比于直接将物体夹起的方式极大的减少了物体因受力太大而被损坏的可能性。
[发明]
一种能自动封堵燃气管道的装置
申请号:
202110006427.2
状态:
审中-实审
申请日:
2021-01-05
申请人:
武汉科技大学
发明人:
傅连东、李诏年、邓江洪、湛从昌、陈新元、涂福泉、曾良才
公开日:
代理机构:
主分类号:
F16L55/115(20060101)
我要购买
摘要:
本发明公开了一种能自动封堵燃气管道的装置,涉及燃气管道封堵技术领域,其包括所述封堵装置包括平台、移动板、第一齿条导向架、齿轮、第一齿条、第一液压缸支撑架、第一液压缸、第二液压缸支撑架、第一铰支座、横向固定杆、弧线槽架、挡板、夹紧推板、第二铰支座、第二液压缸、固定套、第三铰支座、第三液压缸、支撑杆、第一连接座、第四液压缸、第五液压缸、第二连接座、第二齿条导向架。该能自动封堵燃气管道的装置,通过设置的弧形槽架旋转一定角度,使弧形槽架的内测与管道完全接触,从而使挡板完全遮挡这管道内空,实现对管道的封堵,实现该燃气管道用封堵装置不但封堵效果好,便于移动,而且操作简单,不需要破坏管体。
[发明]
基于富钒液的Ca、Fe共掺杂钠钒青铜电极材料的合成方法
申请号:
202110002475.4
状态:
审中-实审
申请日:
2021-01-04
申请人:
武汉科技大学
发明人:
刘涛、潘东、张一敏、刘红
公开日:
代理机构:
主分类号:
C01G49/00(20060101)
我要购买
摘要:
本发明涉及一种基于富钒液的Ca、Fe共掺杂钠钒青铜电极材料的合成方法。其技术方案是:按草酸根离子与富钒液中钒离子的摩尔比为(0.25~1)∶1,将草酸二水合物加入富钒液中,搅拌,得到溶液I;按溶液I中钒离子与十二烷基苯磺酸钠的摩尔比为(50~800)∶1,将十二烷基苯磺酸钠加入溶液I中,搅拌,得到混合液II;将混合液II置于反应釜中,在160~200℃反应10~24小时,冷却至室温,固液分离,制得基于富钒液的Ca、Fe共掺杂钠钒青铜电极材料(以下简称电极材料)。本发明合成的电极材料应用于水系锌离子电池,在0.2A/g的电流密度下,首次充放电容量为318~330mAh/g。本发明合成成本低、工艺简单和合成周期短,合成的电极材料首次充放电容量较高。
[发明]
一种基于富钒液的水合钒酸钡的制备方法
申请号:
202110002262.1
状态:
审中-公开
申请日:
2021-01-04
申请人:
武汉科技大学
发明人:
刘涛、潘东、张一敏、刘红
公开日:
代理机构:
主分类号:
C01G31/00(20060101)
我要购买
摘要:
本发明涉及一种基于富钒液的水合钒酸钡的制备方法。其技术方案是:向富钒液加入pH调节剂,调节pH至9~10,得到富钒液调整液;按镁离子与富钒液调整液中总杂质离子的摩尔比为(2~4)∶1,将镁盐加入富钒液调整液中,搅拌,固液分离,得到溶液I;按铵根离子与溶液I中钒离子的摩尔比为(4~8)∶1,将氯化铵加入溶液I中,搅拌,固液分离,得到偏钒酸铵;将偏钒酸铵溶于去离子水中,在90~95℃条件下保温0.5~2小时,冷却至室温,得到溶液II;按钡离子与溶液II中钒离子的摩尔比为(0.5~1)∶1,将钡盐加入溶液II中,搅拌,固液分离,制得基于富钒液的水合钒酸钡。本发明制备成本低、制备温度低、制备时间短和易于工业化生产;所制制品纯度高和形貌均匀。
[发明]
一种压电智能骨料传感器封装结构
申请号:
202110004733.2
状态:
审中-公开
申请日:
2021-01-04
申请人:
武汉科技大学
发明人:
鄢樊
公开日:
代理机构:
主分类号:
G01N33/38(20060101)
我要购买
摘要:
本发明公开了一种压电智能骨料传感器封装结构,包括外保护壳和智能骨料传感器,所述外保护壳外围密布排列有密封焊片,所述外保护壳通过密封焊片连接复合板,所述复合板与外保护壳构成空腔凹槽,所述该空腔凹槽内填充有密封硅胶,且压电陶瓷片处于密封硅胶中心处,所述压电陶瓷片一端连接的屏蔽导线贯穿复合板后引入抗压机壳内,所述抗压机壳外侧设置有屏蔽接头端,所述外保护壳内部中部设置有施压端板和挤压端板,所述施压端板和挤压端板之间设置有压簧,所述压簧的上下端套于导块内,本发明能够改善压电材料的耐久性及易损性问题,有效避免传感器的损坏,延长使用寿命,为健康监测提供长期数据支持。
[实用新型]
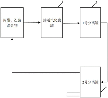
一种丙酮、乙腈连续分离提纯装置
申请号:
202023328263.5
状态:
有权
申请日:
2020-12-31
申请人:
南通醋酸化工股份有限公司、南通立洋化学有限公司、武汉科技大学
发明人:
庆九、俞新南、朱小刚、刘芳、周志辉
公开日:
代理机构:
主分类号:
C07C253/34(2006.01)
我要购买
摘要:
本实用新型公开了一种丙酮、乙腈连续分离提纯装置,包括渗透汽化膜罐,所述渗透汽化膜罐的输出端与1号分离罐连接,所述1号分离罐与2号分离罐连接;所述1号分离罐开有第一出口;所述2号分离罐开有第二出口和第三出口;所述2号分离罐的第二出口与渗透汽化膜罐的输入口连通。本实用新型结构简单,操作方便,通过渗透汽化膜罐、1号分离罐、2号分离罐将丙酮、乙腈进行分离,从而提纯出高纯度的乙腈,实用性强。
[发明]
一种极薄规格超高强度奥氏体不锈钢及生产方法
申请号:
202011619926.0
状态:
审中-公开
申请日:
2020-12-31
申请人:
武汉科技大学
发明人:
万响亮、甘晓龙、胡丞杨、李光强、吴雷
公开日:
代理机构:
主分类号:
C22C38/02(20060101)
我要购买
摘要:
一种极薄规格超高强度奥氏体不锈钢,其组分及wt%为:C:0.033~0.045%,Si:0.29~0.44%,Mn:1.0~1.38%,P:≤0.012%,S:≤0.005%,Cr:17.3~18.9%,Ni:7.74~8.52%,Nb:0.04~0.09%,Mo:0.05~0.50%,N:0.02~0.50%;生产方法:连铸成坯;对薄板坯加热;高压水除鳞;轧制;层流冷却;卷取;冷轧;高温退火;冷却至室温。本发明不仅金相组织为全奥氏体,且不锈钢板厚度在0.31~0.37mm,屈服强度为971~1049MPa,抗拉强度为1147~1203MPa,延伸率为15~23%。
[发明]
一种屈服强度≥700MPa奥氏体不锈钢的生产方法
申请号:
202011619935.X
状态:
审中-公开
申请日:
2020-12-31
申请人:
武汉科技大学
发明人:
万响亮、柯睿、胡丞杨、甘晓龙、吴开明、赵杰
公开日:
代理机构:
主分类号:
C21D8/02(20060101)
我要购买
摘要:
一种屈服强度≥700MPa奥氏体不锈钢的生产方法:对不锈钢热轧板在室温下冷轧,轧制道次不低于3道次;渗氮退火,渗氮温度在643~765℃;进行冷却,在冷却速度为3~24℃/s下冷却至室温。本发明不仅金相组织为全奥氏体,且不锈钢板厚度在0.93~1.09mm,屈服强度在700~973MPa,抗拉强度在995~1186MPa,延伸率在23.5~46.5%。
[发明]
一种屈服强度≥980MPa奥氏体不锈钢的生产方法
申请号:
202011624871.2
状态:
审中-公开
申请日:
2020-12-31
申请人:
武汉科技大学
发明人:
万响亮、柯睿、甘晓龙、胡丞杨、吴开明、赵杰
公开日:
代理机构:
主分类号:
C21D8/02(20060101)
我要购买
摘要:
一种屈服强度≥980MPa奥氏体不锈钢的生产方法:对厚度为3mm的不锈钢热轧板在室温下进行冷轧,轧制道次不低于4道次;进行渗氮,渗氮温度控制在456~628℃;进行高温退火:退火温度在989~1113℃;在冷却速度为3~24℃/s下冷却至室温。本发明不仅金相组织为全奥氏体,且不锈钢板厚度在0.39~0.6mm,屈服强度在980~1290MPa,抗拉强度在1112~1452MPa,延伸率在13.0~15.5%;冷轧是在室温下进行,在保持体心立方的马氏体结构情况下进行渗氮使氮含量提到最高;高温退火使马氏体组织切变为全奥氏体组织的同时仍然保持超细结构。
[发明]
一种天然气-二甲醚发动机主副燃烧室通道阀门的控制装置
申请号:
202011634480.9
状态:
审中-公开
申请日:
2020-12-31
申请人:
武汉科技大学
发明人:
张光德、张吴喆、李腾飞、周文韬、朱冬涛
公开日:
代理机构:
主分类号:
F02B19/10(20060101)
我要购买
摘要:
本发明涉及一种天然气‑二甲醚发动机主副燃烧室通道阀门的控制装置。本发明提供的控制装置中利用车载ECU根据发动机的实际工况对通道阀门的升程和正时进行精确控制,以此来降低机械损失,同时还可提高燃烧效率,从而减少污染物的排放;本发明提供的电液传动式控制装置减少了类似于凸轮传动、齿轮齿条传动等机械传动结构的运用,从而增加了空间利用率,更利于在狭窄发动机舱中布置,同时因更低的结构自重而带来更好的节能减排效果。
[实用新型]
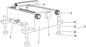
一种土木工程钻孔定位辅助装置
申请号:
202023322279.5
状态:
有权
申请日:
2020-12-31
申请人:
武汉科技大学城市学院
发明人:
吴晓杰、杨芸、章芳芳
公开日:
代理机构:
主分类号:
B23B39/00(2006.01)
我要购买
摘要:
本实用新型提供涉及一种土木工程钻孔定位辅助装置,包括夹具架,所述夹具架底端固定连接有支撑机构,所述夹具架两侧底部设有夹持机构,所述夹具架顶部两侧开设有第一十字滑槽,两个所述第一十字滑槽内设有定位辅助机构,所述第一十字滑槽一侧固定连接有第一刻度尺,所述夹具架前面顶部固定连接有控制面板。通过设有的定位辅助装置,可以通过启动第一驱动电机使第一螺杆转动调节第一十字滑块的位置,通过设有的第一刻度尺,可以很精确调节竖向的位置,通过设有的第二驱动电机、第二螺杆和第二十字滑块,第二滑块通过第二刻度尺很精确顶横向位置,很精确定位打孔位置。
[发明]
一种双硅烷前体二氧化硅复合膜、其制备方法及应用
申请号:
202011624279.2
状态:
审中-公开
申请日:
2020-12-30
申请人:
南通醋酸化工股份有限公司、南通立洋化学有限公司、武汉科技大学
发明人:
庆九、俞新南、朱小刚、刘芳、周志辉
公开日:
代理机构:
主分类号:
B01D71/02(20060101)
我要购买
摘要:
本发明提供一种以双硅烷作为前体物质的二氧化硅复合膜,以α‑氧化铝作为支撑体,依次在支撑体上涂敷底层和顶层。底层是将大、小氧化铝颗粒溶胶依次在支撑体表面反复涂敷、煅烧得到;顶层是由两种硅烷前体和酸性催化剂以1:(0.1~0.5)的比例混合后在冰浴条件下生成前驱体溶胶在支撑体上经反复涂敷、煅烧制得,该膜具有良好的水热稳定性。与单硅烷前体制备的二氧化硅复合膜相比,具有更高的渗透通量。
[实用新型]
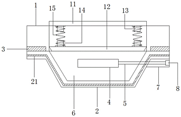
一种废热水热量回收装置
申请号:
202023249714.6
状态:
有权
申请日:
2020-12-29
申请人:
武汉科技大学
发明人:
焦良珍、刘磊、邵斌
公开日:
代理机构:
主分类号:
F28D20/02(20060101)
我要购买
摘要:
本实用新型公开一种废热水热量回收装置包括废热水管、储水箱和换热管道,所述废热水管的一端与所述储水箱内部连通,且所述废热水管的另一端用以收集废热水并输送至所述储水箱内,所述换热管道设置在室内,且所述换热管道的一端通过水泵与所述储水箱内部连通,其另一端与外部连通。本实用新型所述废热水通过废热水管回收至所述储水箱内,所述储水箱内的水在水泵输送的作用下流至室内的换热管道与室内空气换热,以加热室内的空气,有效回收利用废热水的剩余的热量,无需在室内启动空调加热室内空气,节省家庭用电,节省家庭开支。
[实用新型]
一种太阳能热水器
申请号:
202023249712.7
状态:
有权
申请日:
2020-12-29
申请人:
武汉科技大学
发明人:
焦良珍、刘志玥、邵斌
公开日:
代理机构:
主分类号:
F24S10/40(2018.01)
我要购买
摘要:
本实用新型公开一种太阳能热水器,包括清洁件、两个支架和太阳能热水器本体,太阳能热水器具有多根真空管,两个所述支架分别安装在太阳能热水器本体的左右两侧,所述清洁件呈条形且其水平设置在多根所述真空管的上方,且所述清洁件两端分别与两个所述支架滑动连接,在外力作用下,所述清洁件可在所述支架上沿真空管的长度移动,以清洁所述真空管。本实用新型通过设置在所述太阳能热水器本体左右两侧的支架以及安装在支架上的清洁件,使得清洁件可在外力作用下沿真空管的长度方向滑动并清洁真空管,能有效提高太阳能热水器的集热效率,保证所述清洁件对所述太阳能热水器真空管进行全面的清洗。
[发明]
一种钛处理降低低密度钢中氮化铝夹杂物的方法
申请号:
202011623492.1
状态:
审中-实审
申请日:
2020-12-29
申请人:
武汉科技大学
发明人:
朱航宇、王伟胜、宋明明、李建立、彭其春、薛正良
公开日:
代理机构:
主分类号:
C22C33/06(20060101)
我要购买
摘要:
本发明提供了一种钛处理降低低密度钢中氮化铝夹杂物的方法。通过将工业纯铁、石墨棒、钛源、含锰合金和铝源按照预设的低密度钢成分配料后,依次加入炉内进行冶炼;待冶炼完成后进行浇铸,得到氮化铝夹杂物含量低的低密度钢。通过上述方式,本发明在低密度钢的冶炼过程中加入的钛源能够夺取钢液中的氮元素,形成氮化钛夹杂物,不仅可有效降低低密度钢中氮化铝夹杂物的尺寸和数量,避免氮化铝夹杂物带来的问题,氮化钛夹杂物也可对钢锭晶粒细化有促进作用,为低密度钢中氮化铝夹杂物的控制提供了一种新的可行工艺,并有效提高低密度钢的性能。本发明提供的钛处理降低低密度钢中氮化铝夹杂物的方法操作简单,适用范围较广,具有较高的应用价值。
[发明]
一种在取向硅钢中获得沿晶断口的方法
申请号:
202011597301.9
状态:
审中-公开
申请日:
2020-12-29
申请人:
武汉科技大学
发明人:
鲍思前、雷小玲、徐帅、肖欢、徐耀文、杨庚蔚、叶传龙、甘晓龙
公开日:
代理机构:
主分类号:
G01N23/2202(20180101)
我要购买
摘要:
一种在取向硅钢中获得沿晶断口的方法:将取向硅钢样品加工成俄歇电子能谱仪标准试样;对标准试样进行表面清理;充氢:将标准试样所设定的预设断口处放入充氢装置的含硫脲溶液中,并使取向硅钢样品为阴极;将铂片置入并作为阳极;阴极充氢电流为1.25~1.35A,充氢电流密度在0.1~0.8A/m
2
,充氢时间在12~50h,充氢电压为36~39V;进行表面分析。本发明不仅工艺简单,便于操作,用时短,所用毒化剂是硫脲,从而避免了采用剧毒的三氧化二砷作为毒化剂,对人体健康有极大威胁的问题,且所获得的取向硅钢断口均为典型沿晶断口,适用于取向硅钢晶界偏聚行为以及晶界微区成分分析。
首页
上一页
41
42
43
44
45
46
47
48
49
50
下一页
尾页
当前共找到
8115
个专利记录
,当前显示页码
44/406