首页
专利查询
专利购买
专利转让
专利申请
15071489439
当前位置:
专利巴士
专利查询
专利名称
查询
高级查询
当前共找到
8115
个专利记录
,当前显示页码
82/406
专利名称
申请号
申请人
发明人
专利代办机构
[发明]
一种双向伸缩臂墙面喷涂机
申请号:
201911181725.4
状态:
审中-公开
申请日:
2019-11-27
申请人:
武汉科技大学、王昊
发明人:
谢良喜、王昊、胡腾
公开日:
代理机构:
主分类号:
E04F21/12(20060101)
我要购买
摘要:
本发明提供了一种双向伸缩臂墙面喷涂机,结构包括:(1)移动小车、(2)纵移模块和(3)横移模块,其特征有两点,一是纵移模块和横移模块都能灵活伸缩,既可进行大面积施工,又能在狭窄的场地开展施工;在未工作的情况下,纵移模块和横移模块完全收缩后,占用空间较少,方便通过较小的门框;二是横移模块采用双向伸缩移动滑轨,成倍扩展了横移模块的工作范围。与单向伸缩滑轨相比,只需一套双向滑轨即可达到两套单向滑轨的施工范围,节约了一套滑轨,降低了成本,减轻了重量。
[发明]
一种中药称量系统控制方法及中药称量系统
申请号:
201911181334.2
状态:
审中-公开
申请日:
2019-11-27
申请人:
武汉科技大学
发明人:
刘安逸、刘怀广
公开日:
代理机构:
主分类号:
G01G19/32(20060101)
我要购买
摘要:
本发明公开了一种中药称量系统控制方法及中药称量系统,所述中药称量系统包括:秤盘、摄像头及处理器,所述秤盘的上表面设有多个呈阵列设置的称重传感器,所述摄像头、多个所述称重传感器均与所述处理器电连接,其特征在于,所述控制方法包括如下步骤:获取所述摄像头采集的所述秤盘的中药放置照片;根据所述中药放置照片获取中药的类型及各类中药对应的位置信息;根据所述位置信息获取每种中药对应的重量信息;根据各所述位置信息和对应的重量信息输出称量提示信息。
[发明]
中药称量系统控制方法及中药称量系统
申请号:
201911182490.0
状态:
审中-公开
申请日:
2019-11-27
申请人:
武汉科技大学
发明人:
刘安逸、刘怀广
公开日:
代理机构:
主分类号:
G01G19/415(20060101)
我要购买
摘要:
本发明公开了中药称量系统控制方法及中药称量系统,所述系统包括:秤盘、摄像头及处理器,秤盘的上表面设有多个呈阵列设置的称重传感器,摄像头、多个所述称重传感器均与所述处理器电连接,所述控制方法包括如下步骤:获取摄像头采集的所述秤盘的中药放置图片;根据所述中药放置图片获取各味中药的类型信息及对应的位置信息;根据所述位置信息获取对应称重传感器采集的每种中药的重量信息;获取医生处方信息,根据所述处方信息核对中药的类别信息及种类信息,并得到核对结果;根据所述核对结果输出操作提示信息。能够一次称量多种中药,且称重后自动与处方信息进行比对,保证了药房抓药效率的同时,保证了抓药的准确性。
[实用新型]
一种采石场破碎系统用防堵料仓
申请号:
201922056875.4
状态:
有权
申请日:
2019-11-26
申请人:
武汉科技大学
发明人:
胡斌、王杰、李京、贾雅兰、魏二剑、马利遥、祝鑫、刘霁
公开日:
代理机构:
主分类号:
B65D88/66(20060101)
我要购买
摘要:
本实用新型提供了一种采石场破碎系统用防堵料仓,包括料仓底面板、料仓右侧面板、料仓正面板和料仓左侧面板,四个面板依次连接构成上口大下口小的四棱柱体,其上部进口为进料口,底部出口为卸料口,所述料仓底面板位于自卸汽车卸料平台一侧,料仓正面板上口与其上方的混凝土围墙相接,所述料仓底面板与料仓右侧面板、料仓左侧面板之间均设有过渡圆角;料仓正面板底部设有水平方向的转轴,防堵料板通过转轴与料仓正面板活动连接,防堵料板以转轴为轴心转动。本实用新型的防堵料仓可以从根本上防止料仓堵料,防堵料效果好,安全性高,维修方便。
[实用新型]
一种侧方停车装置
申请号:
201922063762.7
状态:
有权
申请日:
2019-11-26
申请人:
武汉科技大学
发明人:
成立夫、魏国前
公开日:
代理机构:
主分类号:
E04H6/36(20060101)
我要购买
摘要:
本实用新型涉及一种汽车侧方停车装置,包括:若干支撑盘;用于驱动各支撑盘上下移动的驱动装置,驱动装置位于各支撑盘下方;以及用于带动支撑盘和驱动装置在水平方向移动的移动组件,驱动装置设置于移动组件上。基于本实用新型的汽车侧方停车装置,简化了停车的难度,可实现快速停车。
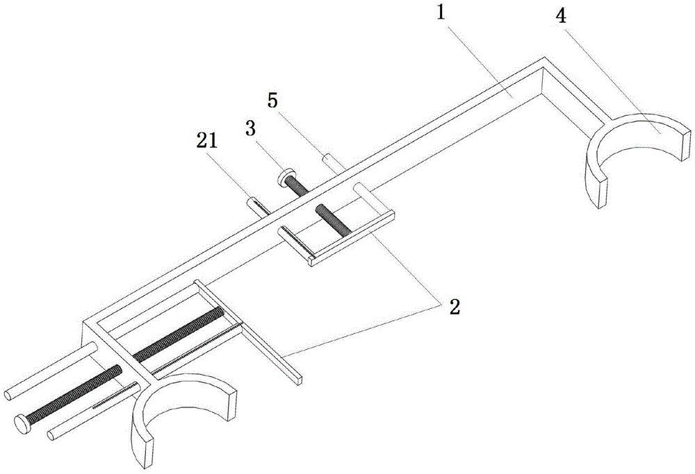
[实用新型]
一种钢箱梁匝道桥红外限高装置
申请号:
201922066550.4
状态:
有权
申请日:
2019-11-26
申请人:
武汉科技大学
发明人:
余意、姜天华、解文杰、吴志喜、黄亚北
公开日:
代理机构:
主分类号:
E01F13/00(20060101)
我要购买
摘要:
本实用新型提供一种钢箱梁匝道桥红外限高装置,包括箱体、伸缩杆、传感器、摄像头、报警器;所述箱体一面固定在钢箱梁上,另一面设有伸缩杆、摄像头、报警器;所述伸缩杆一端固定在所述箱体上,另一端设有传感器;所述伸缩杆包括第一伸缩杆、第二伸缩杆;所述箱体、第二伸缩杆、第一伸缩杆、传感器依次相连;所述传感器的端面开有红外线发射孔。本实用新型直接安装在钢箱梁匝道的钢箱梁上,不要限高架,安装简单,成本低廉,效果好;采用太阳能电池板作为后备电源,既环保,又可节约电能;结构简单、使用方便、实用性强。
[发明]
一种矿山破碎系统用料仓无堵放矿方法
申请号:
201911169613.7
状态:
审中-公开
申请日:
2019-11-26
申请人:
武汉科技大学
发明人:
胡斌、王杰、马利遥、崔凯、李京、魏二剑、常书祥、贾雅兰
公开日:
代理机构:
主分类号:
B02C23/02(20060101)
我要购买
摘要:
本发明提供了一种矿山破碎系统用料仓无堵放矿方法,包括以下步骤:S1、翻卸入料。S2、料仓传送:进入料仓进料口的矿石沿料仓底面板下滑,并经底面板斜面缓冲至料仓底部的卸料口处,矿石向下滑动至卸料口处对防堵料板产生冲击力作用,卸料口打开,矿石卸出。S3、防堵料板复位防堵:一定时间后,当没有矿石对防堵料板产生冲击作用力或冲击力减小时,防堵料板复位,对卸料口产生冲击力,矿石受到冲击力发生松动,打开卸料口,矿石由卸料口卸出。S4、重复步骤S3,直到料仓内矿石全部卸出,防堵料板复位后盖住卸料口。S5、振动给料机转运。本发明的无堵放矿方法可以从根本上防止料仓堵料,防堵料效果好,工人安全性高,大大提高了放矿的工作效率。
[实用新型]
一种疲劳试验机试件上夹具以及疲劳试验机
申请号:
201922063542.4
状态:
有权
申请日:
2019-11-26
申请人:
武汉科技大学
发明人:
成立夫、魏国前
公开日:
代理机构:
主分类号:
G01N3/32(20060101)
我要购买
摘要:
本实用新型涉及一种疲劳试验机试件上夹具以及疲劳试验机,包括:水平设置的第一导轨、位于第二导轨下方的水平设置的第二导轨、调节件以及可沿第二导轨滑动的试件夹头,调节件用于连接固定第一导轨和第二导轨、调节第一导轨与第二导轨的交叉角度以及调节第一导轨与第二导轨的连接位置。根据本实用新型的疲劳试验机试件上夹具以及疲劳试验机,可通过调节件调节试件夹头的水平位置以及调节试件夹的夹持角度,对于标准试件或不标准试件均可进行夹持。
[实用新型]
一种试件定位装置和疲劳试验机试验系统
申请号:
201922057790.8
状态:
有权
申请日:
2019-11-26
申请人:
武汉科技大学
发明人:
成立夫、魏国前
公开日:
代理机构:
主分类号:
G01N3/32(20060101)
我要购买
摘要:
本实用新型公开一种试件定位装置和疲劳试验机试验系统,试件定位装置包括U形槽、两个定位板和两个驱动件,U形槽的两端分别设有连接件,连接件用以将所述U形槽水平且通槽竖向分布的安装在疲劳试验机本体上,驱动件分别安装在所述U形槽内底壁及其一侧槽内壁上,且两个所述驱动件的驱动端均位于所述U形槽内,两个所述定位板分别安装在两个所述驱动件的驱动端上,且所述U形槽槽底壁上的所述驱动件用以驱动对应所述定位板在所述U形槽的内底壁和其槽口之间往复滑动,余下一个所述驱动件用以驱动对应所述定位板在所述U形槽的两侧内壁之间往复滑动。本实用新型一种试件定位装置和疲劳试验机试验系统可实现试件的准确定位,结构简单、使用方便。
[发明]
一种四轮轮毂驱动电动汽车的主动避障方法
申请号:
201911174788.7
状态:
审中-公开
申请日:
2019-11-26
申请人:
武汉科技大学
发明人:
许峻峰、严运兵、龚边、许小伟
公开日:
代理机构:
主分类号:
B60W30/09(20120101)
我要购买
摘要:
本发明公开了一种四轮轮毂驱动电动汽车的主动避障方法,包括以下步骤:预先设定汽车方向盘的扭矩T的正常范围;计算在当前车速下,汽车开始以最大的制动强度对车辆进行减速制动到汽车完全静止时,汽车移动的距离S
b
;获取本车车速和前车车速,以及汽车所在车道相邻车道的宽度,计算汽车换到相邻车道所需要的直线制动距离S
t
;计算在当前车速下,汽车利用附加横摆力矩转向避障的临界直线距离Sz;获取汽车与前方障碍物之间的距离S,并根据S
b
、S
t
、Sz和S的大小来确定汽车的避让方法。本发明提供一种结合驾驶员行为的四轮轮毂驱动电动汽车的多模式主动避障方法。
[发明]
一种SiC掺杂Ta
x
Hf
1-x
C陶瓷及其制备方法
申请号:
201911166167.4
状态:
审中-公开
申请日:
2019-11-25
申请人:
武汉科技大学
发明人:
董志军、成俊、李轩科、袁观明、丛野、朱辉、张江
公开日:
代理机构:
主分类号:
C04B35/56(20060101)
我要购买
摘要:
本发明涉及一种SiC掺杂Ta
x
Hf
1‑x
C陶瓷及其制备方法。其技术方案是:先将无水醇类、乙酰丙酮、钽盐、铪盐和碳源混合,搅拌,在180~240℃条件下保温,蒸馏,得到Ta
1‑x
Hf
x
C陶瓷前驱体,0.01≤x≤0.99。再将所述Ta
1‑x
Hf
x
C陶瓷前驱体与硅源混合均匀,得到溶胶。将所述乙醇和所述去离子水加入所述溶胶中,搅拌,干燥,得到Si‑Ta
x
Hf
1‑x
C陶瓷前驱体。然后将所述Si‑Ta
x
Hf
1‑x
C陶瓷前驱体放入石墨坩埚内并置于炭化炉中,在氩气气氛下升温至1600~1800℃,保温,冷却,得到SiC掺杂Ta
x
Hf
1‑x
C陶瓷。本发明具有工艺简单、成本低、生产周期短、能耗低和产率高特点,所制备的SiC掺杂Ta
x
Hf
1‑x
C陶瓷纯度高、均匀性好和高温抗氧化性能优异。
[发明]
一种基于光散射的晶圆表面颗粒缺陷的散射场计算方法
申请号:
201911165226.6
状态:
审中-公开
申请日:
2019-11-25
申请人:
武汉科技大学
发明人:
廖程、许爽、李公法、刘超、马如意、廖尚春
公开日:
代理机构:
主分类号:
G06F17/10(20060101)
我要购买
摘要:
本发明公开了一种基于光散射的晶圆表面颗粒缺陷的散射场计算方法,首先利用平行光照射,与晶圆片上颗粒直接作用的入射光记为A,与晶圆片上光滑表面作用的入射光记为B;A与颗粒作用产生散射光,一部分向下散射继续与超光滑表面作用的散射光记为D,一部分向上散射被探测器收集到的散射光记为C;B与光滑表面作用产生的散射光,通过窗函数筛选出继续与颗粒作用的散射光记为E,未被中筛选出的散射光被探测器收集记为F;最后叠加得到的六种散射场来获得颗粒缺陷下的散射场。本发明解决了纳米级颗粒缺陷无法识别的问题,并且通过得到的颗粒缺陷产生的散射场信息,如偏振,光强等,提高了颗粒缺陷检测的识别率和芯片的良率。
[实用新型]
一种燃料电池组和空调联合热管理系统
申请号:
201922054588.X
状态:
有权
申请日:
2019-11-25
申请人:
武汉科技大学
发明人:
王家欣、郭健忠、毛永、杜新宝
公开日:
代理机构:
主分类号:
B60L58/30(20190101)
我要购买
摘要:
本实用新型涉及一种燃料电池组和空调联合热管理系统,应用于电动汽车上,包括燃料电池子系统和空调子系统,燃料电池子系统包括燃料电池组、燃料电池控制组件和第一温度传感器,燃料电池组分别与第一温度传感器和燃料电池控制组件电连接,且燃料电池组通过管道与燃料电池控制组件连通;空调子系统包括空调控制组件和第二温度传感器,空调控制组件与第二温度传感器电连接,第二温度传感器和空调控制组件均分别与燃料电池组电连接,且空调控制组件通过管道与燃料电池控制组件连通。本实用新型将燃料电池组和空调子系统联结起来,能够对燃料电池组进行有效热管理,有效避免了燃料电池组短时高温的现象发生,大大提升了能量利用率与热管理效率。
[发明]
一种燃料电池组和空调联合热管理系统及其控制方法
申请号:
201911168673.7
状态:
审中-公开
申请日:
2019-11-25
申请人:
武汉科技大学
发明人:
王家欣、郭健忠、毛永、杜新宝
公开日:
代理机构:
主分类号:
B60L58/30(20190101)
我要购买
摘要:
本发明涉及一种燃料电池组和空调联合热管理系统及其控制方法,方法包括利用第一温度传感器获取燃料电池子系统中的燃料电池组的电池温度,利用第二温度传感器获取空调子系统所在的乘员舱的乘员舱温度;根据电池温度判断燃料电池组的第一响应需求,根据乘员舱温度判断乘员舱的第二响应需求,并查询预设的响应需求组合表,根据第一响应需求和第二响应需求选择匹配的热管理控制模式;燃料电池控制组件和空调控制组件分别按照匹配的热管理控制模式进行工作。本发明建立了燃料电池子系统和空调子系统的热管理互联的方案,能够对燃料电池组进行有效热管理,有效避免燃料电池组短时高温的现象发生,大大提升了能量利用率与热管理效率。
[实用新型]
一种食物垃圾箱以及多功能垃圾箱
申请号:
201922052418.8
状态:
有权
申请日:
2019-11-25
申请人:
武汉科技大学
发明人:
张栋、欧阳文慧、邬学斌、胡航、李冠男
公开日:
代理机构:
主分类号:
B65F1/00(20060101)
我要购买
摘要:
本实用新型涉及一种食物垃圾箱以及多功能垃圾箱,包括:用于容纳食物的箱体,箱体的壳体内填充有相变储能材料;盖板,盖板位于箱体上方,盖板上设置有菲涅尔透镜,用于将太阳光聚焦并照射到箱体内。基于本实用新型的食物垃圾箱,夏天可延长食物的储存时间,冬天可以防治食物温度过低,为流浪动物提供一个相对健康、方便的食用环境。
[发明]
一种停车场实时反向寻车系统及其方法
申请号:
201911167405.3
状态:
审中-公开
申请日:
2019-11-25
申请人:
武汉科技大学
发明人:
马宇康、柳祖鹏、赵慧茹、肖玉然、闻哲、高圣岚、吐尔洪江
公开日:
代理机构:
主分类号:
G08G1/14(20060101)
我要购买
摘要:
本发明涉及一种停车场实时反向寻车系统及其方法,系统包括后台服务器、移动终端、多个视频车位检测器、多个蓝牙检测器和多个可变信息指示牌;视频车位检测器布设在停车场内,用于检测对应的车位数据;可变信息指示牌布设在停车场的每个路口处,用于接收并展示寻车路径指示信息;蓝牙检测器布设在每相邻两个可变信息指示牌之间,用于检测寻车位置信息;移动终端用于获取车牌信息,还用于向附近的蓝牙检测器发送蓝牙信号;后台服务器根据车位数据和车牌信息获取停车位置信息,根据停车位置信息和寻车位置信息获取寻车路径指示信息,并将寻车路径指示信息发送至可变信息指示牌。本发明实时反向寻车方便、快捷、高效,操作简单,体验效果佳。
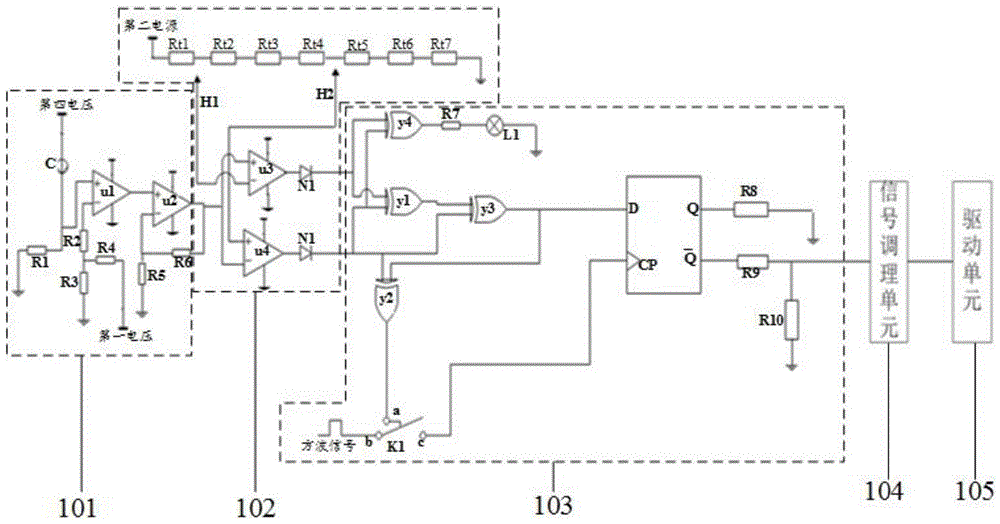
[发明]
一种温度区间控制电路及电子设备
申请号:
201911167474.4
状态:
审中-公开
申请日:
2019-11-25
申请人:
武汉科技大学
发明人:
许盛悦、王佳松、郭宇飞、江荣、程自强、罗建雄
公开日:
代理机构:
主分类号:
G05D23/24(20060101)
我要购买
摘要:
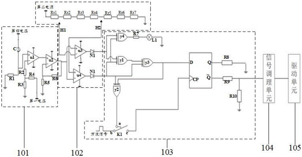
本发明涉及一种温度区间控制电路及电子设备,将第一电压输入第一运算放大器u1的反向输入端,使温度转换电路将温度传感器将所采集到的温度转化为电位,温度比较电路中通过第二电压和第三电压来分别模拟预设温度区间的上限和下限,对该电位与第二电压和第三电压分别进行比较后确定温度传感器将所采集到的温度是否处于预设的温度区间内,并以电压信号形式将比较结果输出至温度控制电路,温度控制电路对比较结果的电压信号进行逻辑判断后向电子设备的驱动单元输出电位信号,驱动单元根据温度控制电路输出的电位信号确定是否驱动电子设备的升降温装置进行升温或降温,由此实现一种不需要单片机且性能稳定的温度区间控制电路。
[实用新型]
一种温度区间控制电路及电子设备
申请号:
201922068772.X
状态:
有权
申请日:
2019-11-25
申请人:
武汉科技大学
发明人:
许盛悦、王佳松、郭宇飞、江荣、程自强、罗建雄
公开日:
代理机构:
主分类号:
G05D23/24(20060101)
我要购买
摘要:
本实用新型涉及一种温度区间控制电路及电子设备,将第一电压输入第一运算放大器u1的反向输入端,使温度转换电路将温度传感器将所采集到的温度转化为电位,温度比较电路中通过第二电压和第三电压来分别模拟预设温度区间的上限和下限,对该电位与第二电压和第三电压分别进行比较后确定温度传感器将所采集到的温度是否处于预设的温度区间内,并以电压信号形式将比较结果输出至温度控制电路,温度控制电路对比较结果的电压信号进行逻辑判断后向电子设备的驱动单元输出电位信号,驱动单元根据温度控制电路输出的电位信号确定是否驱动电子设备的升降温装置进行升温或降温,由此实现一种不需要单片机且性能稳定的温度区间控制电路。
[发明]
一种有机物发酵装置
申请号:
201911167894.2
状态:
审中-公开
申请日:
2019-11-25
申请人:
武汉科技大学
发明人:
蒋拓、涂福泉、龚正、雷达、刘辉、戚晏奇、李圣伟
公开日:
代理机构:
主分类号:
C12M1/02(20060101)
我要购买
摘要:
本发明公开一种有机物发酵装置,包括壳体、驱动机构和搅拌机构,所述壳体上端设有开口,所述开口处设有可启闭的舱门,所述壳体上还设有出料口,且所述出料口处设有可启闭的挡料板,所述壳体上还设有用以加热其内部的加热机构,所述搅拌机构安装在所述壳体上,且其搅拌端伸入所述壳体内,所述驱动机构设置在所述壳体外,且其驱动端与所述搅拌机构传动连接。所述发酵装置实现固态有机物的发酵。
[发明]
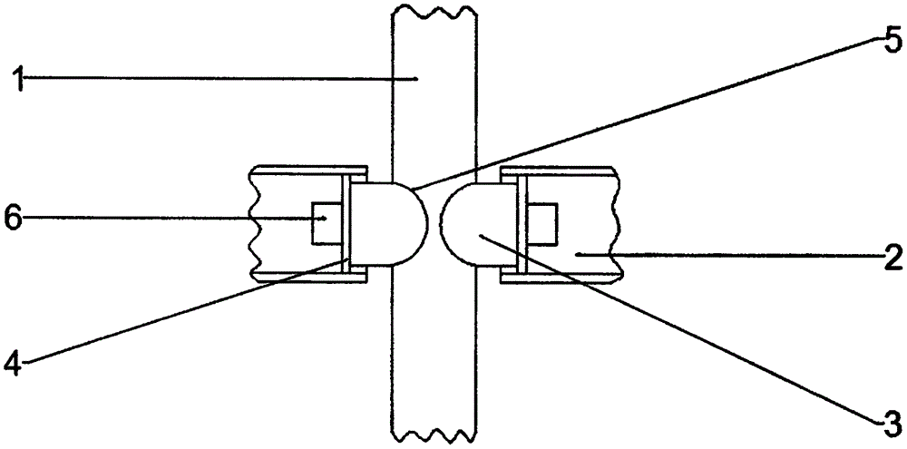
混凝土节点加固结构
申请号:
201911196290.0
状态:
审中-公开
申请日:
2019-11-22
申请人:
武汉科技大学
发明人:
周新
公开日:
代理机构:
主分类号:
E04G23/02(20060101)
我要购买
摘要:
本发明公开了一种混凝土节点加固结构,涉及建筑结构领域,该混凝土节点加固结构在施工时可以线将钢管柱固定好,在钢管柱内填充水泥混凝土。然后将钢管横梁的弧形凹槽贴合在钢管柱的合适位置,将钢管柱和钢管横梁焊接连接,再将端板焊接到钢管横梁的端部,最后将H型钢插入插槽内,再通过焊接将H型钢与钢管横梁、端板、贴板连接。该混凝土节点加固结构通过焊接连接钢管柱和H型钢,而且焊接的面积大,非常牢固,承重能力强,而且可以分段施工安装,操作起来比较简单。
首页
上一页
81
82
83
84
85
86
87
88
89
90
下一页
尾页
当前共找到
8115
个专利记录
,当前显示页码
82/406