首页
专利查询
专利购买
专利转让
专利申请
15071489439
当前位置:
专利巴士
专利查询
专利名称
查询
高级查询
当前共找到
8115
个专利记录
,当前显示页码
95/406
专利名称
申请号
申请人
发明人
专利代办机构
[发明]
一种高性能轻骨料混凝土及其制备方法
申请号:
201910813492.9
状态:
审中-公开
申请日:
2019-08-30
申请人:
武汉科技大学
发明人:
李雅涵、吴胜、朱红兵、徐文康、吕洪林
公开日:
2019-11-29
代理机构:
42222武汉科皓知识产权代理事务所(特殊普通合伙)
主分类号:
C04B28/04(20060101)
我要购买
摘要:
本发明涉及混凝土的技术领域,具体涉及一种高性能轻骨料混凝土及其制备方法。该高性能轻骨料混凝土,其特征在于:以每立方米轻骨料混凝土计,由如下物料组成:水泥540kg、陶粒554kg、水152kg、河砂730kg、聚丙烯纤维0.45kg、玄武岩纤维1.325kg、减水剂7.02kg。本发明的掺加聚丙烯、玄武岩混杂纤维的高性能轻骨料混凝土,具有良好的抗拉强度、抗裂性、和易性、耐久性。本发明的高性能轻骨料混凝土成品密度较小,符合轻骨料混凝土小于1950kg/m
3
的密度要求,经28天标准养护其抗压强度均在50MP以上,劈裂强度均在4.0MP以上,耐久性能良好。
[实用新型]
一种含油污泥油水分离装置
申请号:
201921429546.3
状态:
有权
申请日:
2019-08-30
申请人:
武汉科技大学、北京恩萨工程技术有限公司
发明人:
秦林波、韩军、赵波、陈旺生、廖华平、陈雄飞、张小三
公开日:
代理机构:
主分类号:
C02F11/13(20190101)
我要购买
摘要:
本实用新型公布了一种含油污泥油水分离装置,包括在给料器和排料装置之间通过输送管道串联一段回转窑、二段回转窑的物料形成物料输送通路,所述一段回转窑和二段回转窑均包括受驱动旋转的回转筒体,和分别与回转筒体两端转动衔接的进料排气装置、出料进气装置;所述二段回转窑外套装热风加热套,热风加热套的进气口连通至热风炉,该热风加热套还通过出气口依次串联冷却器、风机、出料进气装置的气路到所述一段回转窑的进料排气装置再连通至尾气处理管网;该二段回转窑的进料排气装置依次串联除尘器、油水分离器。热烟气间接加热二段回转窑产生含油蒸汽,然后经降温回收冷凝后废气通入一段回转窑对含油污泥进行预热蒸发水分。
[实用新型]
一种基于位移传感器的矿山巷道顶板离层监测装置
申请号:
201921432550.5
状态:
有权
申请日:
2019-08-30
申请人:
武汉科技大学
发明人:
王文杰、赵同、王昊、王岗风、李甲
公开日:
代理机构:
主分类号:
E21F17/18(20060101)
我要购买
摘要:
本实用新型涉及到一种基于位移传感器的矿山巷道顶板离层监测装置。其技术方案是:主分节锚杆(1)的下端和锚杆套筒(2)的上端螺纹连接,锚杆套筒(2)的下端与套筒底座(5)固定连接;主分节锚杆(1)的下端面装有位移传感器(3),中空金属杆(4)与位移传感器(3)螺钉固定连接,中空金属杆(4)的下端穿过套筒底座(5)与托盘(8)连接;副分节锚杆(7)穿过托盘(8)两侧的条形孔与托盘(8)连接。托盘(8)的下平面安装有数据处理终端(9)和声光报警器(10),位移传感器(3)的信号传输线穿过中空金属杆(4)与数据处理终端(9)连接,数据处理终端(9)与声光报警器(10)连接。本实用新型易于安装、维修方便、准确性高、可靠性强、监测量程大、能实时监测、实时数据传输和能够提前预警。
[发明]
一种矿山巷道顶板离层的实时监测和预警装置
申请号:
201910818253.2
状态:
审中-公开
申请日:
2019-08-30
申请人:
武汉科技大学
发明人:
王文杰、赵同、王昊、王岗风、李甲
公开日:
2019-11-15
代理机构:
42222武汉科皓知识产权代理事务所(特殊普通合伙)
主分类号:
E21F17/18(20060101)
我要购买
摘要:
本发明涉及到一种矿山巷道顶板离层的实时监测和预警装置。其技术方案是:主分节锚杆(1)的下端和锚杆套筒(2)的上端螺纹连接,锚杆套筒(2)的下端与套筒底座(5)固定连接;主分节锚杆(1)的下端面装有位移传感器(3),中空金属杆(4)与位移传感器(3)螺钉固定连接,中空金属杆(4)的下端穿过套筒底座(5)与托盘(8)连接;副分节锚杆(7)穿过托盘(8)两侧的条形孔与托盘(8)连接。托盘(8)的下平面安装有数据处理终端(9)和声光报警器(10),位移传感器(3)的信号传输线穿过中空金属杆(4)与数据处理终端(9)连接,数据处理终端(9)与声光报警器(10)连接。本发明易于安装、维修方便、准确性高、可靠性强、监测量程大、能实时监测、实时数据传输和能够提前预警。
[发明]
一种手势识别方法、控制装置及可读存储介质
申请号:
201910811953.9
状态:
审中-公开
申请日:
2019-08-30
申请人:
武汉科技大学
发明人:
李成程、李公法、李蔚、谌东海、蒋国璋、陶波、程文韬
公开日:
代理机构:
主分类号:
G06K9/00(20060101)
我要购买
摘要:
本发明涉及一种手势识别方法、控制装置及可读存储介质,手势识别方法包括:通过体感摄像头采集用户样本手势在采样时刻的彩色数据和深度数据,将彩色数据和深度数据进行数据对齐,并进行数据校准和过滤得到彩色平滑数据和深度平滑数据;运用卷积神经网络对彩色平滑数据和深度平滑数据的特征进行提取,得到独立特征和共有特征,并利用独立特征和共有特征形成与采样时刻对应的融合特征;根据不同采样时刻的先后顺序,利用各采样时刻对应的融合特征,获得用户样本手势的融合特征集;重复前三步骤,获得多种用户样本手势对应的融合特征集;利用多种用户样本手势对应的融合特征集建立手势分类模型,并利用手势分类模型对待检测的用户样本手势进行分类。
[发明]
一种用于岸电箱插头的辅助插拔装置
申请号:
201910820673.4
状态:
审中-公开
申请日:
2019-08-30
申请人:
武汉科技大学、江苏健龙电器有限公司
发明人:
刘源泂、杨运政、黄益斌、蒋国忠、庄敏
公开日:
2019-11-29
代理机构:
主分类号:
H01R13/629(20060101)
我要购买
摘要:
本发明公开了一种用于岸电箱插头的辅助插拔装置。它包括底座、轨道限位块、导轨座、强脱控制块、弹簧、插头支撑座、功能座、手柄、支架,所述导轨座安装于底座和支架上;所述功能座可纵向滑动地连接于导轨座上,强脱槽的横向槽横向两端设有弹簧孔、调节螺钉,弹簧置于弹簧孔和强脱槽的横向槽内并顶紧强脱控制块,所述功能座两边有纵向的限位槽,所述插头支撑座两边的限位凸起置于限位槽内可纵向移动。本发明解决了现有的高压插座岸电插座箱在插头插入时,因为插头及后面电缆过重,不方便插入的问题,并解决了在紧急情况下,插头与插座不能够进行强制分离的问题。
[实用新型]
一种用于岸电箱插头的辅助插拔装置
申请号:
201921424973.2
状态:
有权
申请日:
2019-08-30
申请人:
武汉科技大学、江苏健龙电器有限公司
发明人:
刘源泂、杨运政、黄益斌、蒋国忠、庄敏
公开日:
代理机构:
主分类号:
H01R13/629(20060101)
我要购买
摘要:
本实用新型公开了一种用于岸电箱插头的辅助插拔装置。它包括底座、轨道限位块、导轨座、强脱控制块、弹簧、插头支撑座、功能座、手柄、支架,所述导轨座安装于底座和支架上;所述功能座可纵向滑动地连接于导轨座上,强脱槽的横向槽横向两端设有弹簧孔、调节螺钉,弹簧置于弹簧孔和强脱槽的横向槽内并顶紧强脱控制块,所述功能座两边有纵向的限位槽,所述插头支撑座两边的限位凸起置于限位槽内可纵向移动。本实用新型解决了现有的高压插座岸电插座箱在插头插入时,因为插头及后面电缆过重,不方便插入的问题,并解决了在紧急情况下,插头与插座不能够进行强制分离的问题。
[实用新型]
一种室内制冷装置
申请号:
201921419412.3
状态:
有权
申请日:
2019-08-29
申请人:
武汉科技大学
发明人:
徐小丰、周源东、陈康楷、吴棒
公开日:
代理机构:
主分类号:
F24F5/00(20060101)
我要购买
摘要:
本实用新型涉及一种室内制冷装置,包括:夹层窗,所述夹层窗包括玻璃窗体以及位于所述玻璃窗体内的制冷水腔,所述玻璃窗体上设置有与所述制冷水腔连通的窗体进水口和窗体出水口;水泵,所述水泵出水口连通所述窗体进水口;位于水井井水中的换热器,所述换热器设置有进水口和出水口,所述换热器的进水口连通所述窗体出水口,所述换热器的出水口连通所述水泵的进水口。根据本实用新型的装置,利用偏远落后农村现有的水井,简易节能,可有效降低室内温度,满足村民的室内制冷需求。
[实用新型]
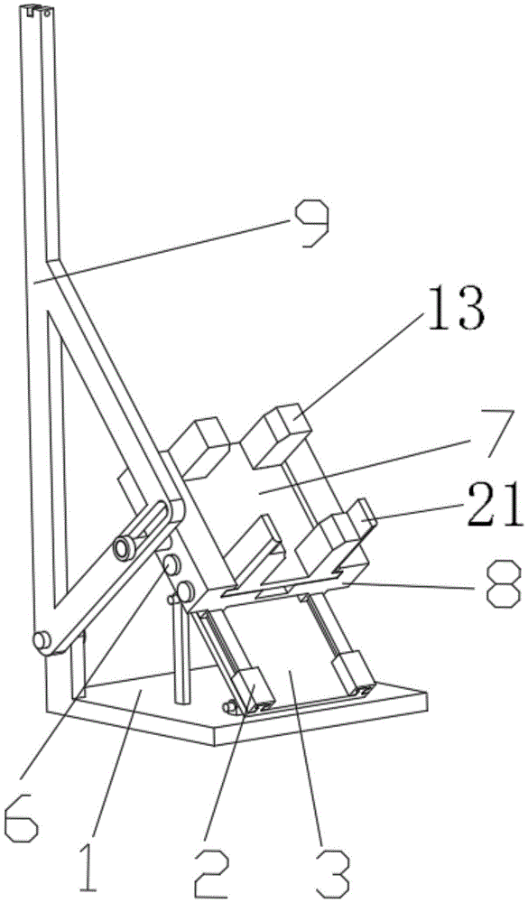
一种用于采摘菠萝的机械手
申请号:
201921421516.8
状态:
有权
申请日:
2019-08-29
申请人:
武汉科技大学城市学院
发明人:
周丽红、胡碧康、樊杰、黄长林、朱焜、袁峥、张凯祥、陈鹏
公开日:
代理机构:
主分类号:
A01D45/00(20180101)
我要购买
摘要:
本实用新型一种用于采摘菠萝的机械手,包括固定手柄、操作手柄、传动线、线套、卡槽、采摘连接部、弹簧、传动装置、传动杆、菠萝箍、菠萝箍连接部、弯杆、转动销、紧固螺钉、活动刀刃、固定刀刃、转轴,其中固定手柄设于弯杆的上端,操作手柄设于固定手柄的下方且通过转动销与弯杆相连,操作手柄的末端设有传动线,菠萝箍通过菠萝箍连接部固定于弯杆的中下部,传动装置通过转动销与采摘连接部相连,采摘连接部和传动装置之间竖直设有被压缩的弹簧,传动装置的一端通过紧固螺钉与固定不动的固定刀刃相连,另一端通过传动杆与活动刀刃相连接;活动刀刃和固定刀刃的中部通过转轴相连。本实用新型操作简单,便于携带,减少了二次操作,提高了采摘效率。
[实用新型]
一种用于宿舍床的隔音隔光装置及宿舍床
申请号:
201921420691.5
状态:
有权
申请日:
2019-08-29
申请人:
武汉科技大学
发明人:
邱霖、曹贝、刘根、王雪娇、朱奕菲、张智奇
公开日:
代理机构:
主分类号:
A47C19/22(20060101)
我要购买
摘要:
本实用新型涉及一种用于宿舍床的隔音隔光装置及宿舍床,包括:竖直设置的隔音板与隔音门,隔音板和隔音门在墙角处与相互垂直的两面竖立的墙壁合围出长方体空间,隔音板侧端面设置有用于固定连接墙壁与隔音板的连接件,和/或隔音板上端面设置有用于固定连接墙角处的顶壁与隔音板的连接件,隔音门侧端面设置有用于铰接墙壁与隔音门的铰接件,和/或隔音门上端面设置有用于铰接顶壁与隔音门的铰接件。根据本实用新型的用于宿舍床的隔音隔光装置,不仅能隔音隔光,为用户提供舒适隔音隔光环境,且还可提供必要的照明、通风、降温效果。
[发明]
基于深度学习的钢铁材料微观组织自动识别方法
申请号:
201910802572.4
状态:
审中-公开
申请日:
2019-08-28
申请人:
武汉科技大学
发明人:
谌竟成、李维刚、赵云涛
公开日:
代理机构:
主分类号:
G06K9/62(20060101)
我要购买
摘要:
本发明公开了一种基于深度学习的钢铁材料微观组织自动识别方法。一、确定要识别的钢材微观组织种类及微观组织放大倍数,搜集在该放大倍数下电子扫描显微镜获得的相同规格大小的历史钢铁材料微观组织图片,以得到数据集,为数据集中的每张图片确定一个类别标签;二、对步骤一中搜集到的所有图片进行相同的预处理;三、构建卷积神经网络CNN‑ICAM模型;四、预先设置迭代次数,采用交叉熵作为损失函数,应用随机梯度下降法对神经网络CNN‑ICAM模型进行训练;五、对需要识别的钢铁材料微观组织图片,先按步骤二的方法进行预处理,然后,再用步骤四训练好的卷积神经网络模型进行自动识别。该方法不仅能提高识别精度又能提高识别速度。
[发明]
基于误差补偿的支持向量机锂电池剩余寿命预测方法
申请号:
201910802577.7
状态:
审中-公开
申请日:
2019-08-28
申请人:
武汉科技大学
发明人:
张永、陈廖格豪、谢林柏、郑英、袁烨
公开日:
代理机构:
主分类号:
G01R31/367(20190101)
我要购买
摘要:
本发明提供一种基于误差补偿的支持向量机锂电池剩余寿命预测方法。该方法的具体流程为:首先,在电池容量的基础上提取了等时间间隔放电电压差健康指标形成混合健康指标。在锂离子电池指标测量的过程中往往包含各种噪声,为减少噪声的影响,使用EEMD算法对锂离子电池数据集进行降噪处理;然后在训练SVR模型的过程中使用PSR算法得出训练集的时延和嵌入维数;最后,误差纠正模型用来减少SVR预测误差,提升RUL的预测精度。通过NASA锂离子电池数据集证明了该方法在RUL预测方面的优越性。
[发明]
基于相空间重构和粒子滤波的锂电池剩余寿命预测方法
申请号:
201910802571.X
状态:
审中-公开
申请日:
2019-08-28
申请人:
武汉科技大学
发明人:
张永、陈廖格豪、李曦、付晓薇
公开日:
代理机构:
主分类号:
G01R31/367(20190101)
我要购买
摘要:
本发明公开了基于相空间重构和粒子滤波的锂电池剩余寿命预测方法,包括如下步骤:首先,在电池容量的基础上提取了等时间间隔放电电压差健康指标,对该指标使用BCT加强与电容的线性相关性;然后在训练SVR模型的过程中使用PSR算法得出训练集的时延和嵌入维数;最后,把SVR的预测值代入系统状态空间模型用PF对状态进行更新。通过NASA锂离子电池数据集证明了该方法在RUL预测方面的优越性。
[发明]
一种基于GRU神经网络的滚动轴承剩余寿命预测方法
申请号:
201910803500.1
状态:
审中-公开
申请日:
2019-08-28
申请人:
武汉科技大学
发明人:
刘振兴、肖丽、张永、袁烨、郑英
公开日:
代理机构:
主分类号:
G06F17/50(20060101)
我要购买
摘要:
本发明提供一种基于GRU神经网络的滚动轴承剩余寿命预测方法,该方法按照如下步骤进行:步骤1:提取样本滚动轴承的多个退化特征组成退化特征集;步骤2:利用CEEMDAN算法对退化特征集进行分解,将分解后的残差项作为趋势特征;步骤3:利用单调性和相关性的线性组合对趋势特征筛选,形成最优特征集;步骤4:归一化处理最优特征集;步骤5:将归一化处理后的最优特征集作为GRU神经网络的输入、剩余寿命百分比作为输出训练GRU神经网络;步骤6:获取待测滚动轴承的归一化处理的最优特征集并输入训练后的GRU神经网络中,利用输出的剩余寿命百分比预测出该待测滚动轴承的剩余寿命。本发明方法能更加准确地预测轴承的剩余寿命。
[发明]
一种校园图书数据管理方法、装置及计算机存储介质
申请号:
201910803548.2
状态:
审中-公开
申请日:
2019-08-28
申请人:
武汉科技大学
发明人:
张秦玮、周敏、陈传雨、雷成名、文喆皓、姚星辰
公开日:
代理机构:
主分类号:
G06F16/24(20190101)
我要购买
摘要:
本发明提供一种校园图书数据管理方法、装置及计算机存储介质,方法包括:根据图书借阅请求的图书编号从图书数据库中查找对应的图书信息,根据用户的基本信息从用户信息数据库中查找用户的用户积分,根据图书信息和用户积分确认用户是否满足借阅条件;根据图书归还请求的图书编号从图书数据库中查找对应的图书信息,判断归还图书是否超时,若超时,从用户积分值中扣除与图书信息对应的借阅积分值。本发明建立相应的数据库管理各个校园图书信息和各个学生的用户信息,每个学生用户具有用户积分值,每本图书也具有借阅积分值,根据积分值管理归还图书的情况,而能够较好的约束学生借阅图书,并培养学生信誉度。
[发明]
基于区块链和私有云的汽车零部件再制造共享系统
申请号:
201910796238.2
状态:
审中-公开
申请日:
2019-08-27
申请人:
武汉科技大学
发明人:
张华、李胜强、鄢威、江志刚、史梦成、王正、瞿华、戴超凡
公开日:
代理机构:
主分类号:
G06F16/21(20190101)
我要购买
摘要:
本发明公开了一种基于区块链和私有云的汽车零部件再制造共享系统,包含支撑层、知识资源层、区块链网络层、知识应用层和服务实现层;知识资源层部署在私有云上,包括多个工艺知识数据端;区块链网络层用利用区块链技术对上链后的再制造工艺案例知识区块和交易信息区块进行监管和安全审计;知识应用层包括再制造工艺案例知识检索模块和成员企业再制造工艺知识管理模块;服务实现层以交互式操作界面的系统管理模块形式展现给各共享参与企业,用于显示数据和接收用户输入的数据。用户可以将获取来的汽车零部件再制造工艺知识存储在知识资源层中的云空间中并安全进行交易和调用服务于设计,不仅可以知识安全风险,更能降低了运营成本。
[发明]
狭缝节流式主动气浮支承装置
申请号:
201910795841.9
状态:
审中-公开
申请日:
2019-08-27
申请人:
武汉科技大学
发明人:
胡江山、秦丽、李双、李光辉
公开日:
2019-11-29
代理机构:
42222武汉科皓知识产权代理事务所(特殊普通合伙)
主分类号:
F16C32/06(20060101)
我要购买
摘要:
一种狭缝节流式主动气浮支承装置,包括:气浮支承本体,包括相连通的进气口和腔室,该腔室位于所述气浮支承本体的上端部分和中段部分,所述气浮支承本体下端部分具有狭缝式阻尼腔,所述中段部分的底部具有延伸到所述狭缝式阻尼腔内的延伸部,所述腔室通过所述延伸部内的节流孔与所述狭缝式阻尼腔连通,所述延伸部包括调节所述节流孔的出气口相对于其下方基座之间距离的压电陶瓷作动器;位移传感器,用于检测所述气浮支承本体相对于气浮支承方向的位置变化值;控制单元,连接所述位移传感器、所述检测单元和所述压电陶瓷作动器。本公开利用压电控制系统驱动压电陶瓷,改变气浮支承的节流高度,显著提高了气浮支承的承载能力和静刚度。
[发明]
一种CT影像数据处理方法、装置及存储介质
申请号:
201910795986.9
状态:
审中-公开
申请日:
2019-08-27
申请人:
武汉科技大学
发明人:
王勤玉、邓春华、张诗文、周宏程、杨念、刘翠翠
公开日:
代理机构:
主分类号:
G16H30/20(20180101)
我要购买
摘要:
本发明提供一种CT影像数据处理方法、装置及存储介质,方法包括:获取的每个CT影像包括人体部位的一组层面图像,从CT影像的层面图像中以位置间隔方式选取预设数量的层面图像,将选取的层面图像作为CT影像的训练图像,并合成图像;将合成图像分别输入预先建立的多个网络模型中进行训练;将训练后的各网络模型进行融合,得到融合网络模型;对融合网络模型进行训练;将目标CT影像输入训练后的融合网络模型中,输出对目标CT影像的病理预测结果。从各个CT影像中的不同位置选取多张训练图像,并合成得到合成图像,通过合成图像来训练各基本网络模型,提高网络训练的准确性,并将训练后的各个网络模型融合为一体,得到融合网络模型,以此提高鲁棒性和预测精度。
[发明]
一种多功能高炉有害元素吸附实验方法及其装置
申请号:
201910800212.0
状态:
审中-公开
申请日:
2019-08-27
申请人:
武汉科技大学
发明人:
王炜、王鑫杰、徐润生、周进东、杨代伟、昝日安、陈绪亨、李静轩、汤沉桀
公开日:
代理机构:
主分类号:
G01N25/22(20060101)
我要购买
摘要:
本发明公开了一种多功能高炉有害元素吸附实验方法及其装置,属于高炉炼铁技术领域;本发明吸附实验装置包括两段式加热炉、有害元素蒸气发生装置以及有害元素吸附装置,在实验时根据炉料吸附反应所需温度通入对应的气体以仿真高炉气氛,并按照设定的升温方式达到设定温度后以产生高炉有害元素蒸气进行吸附实验,反应结束后降温至400℃时通入N
2
,待冷却至常温时取出炉料,进行分析。本发明高炉有害元素吸附实验方法及装置可用于模拟炉料在高炉内不同温度环境及还原气氛下,对不同的高炉有害元素的吸附能力,从而为了解并掌握高炉有害元素在高炉炉料中的富集分布情况及对炉料的影响提供重要的指导作用,以提高高炉生产经济效益。
[实用新型]
一种恒温混水阀
申请号:
201921402751.0
状态:
有权
申请日:
2019-08-27
申请人:
武汉科技大学
发明人:
李燕玲、张金伟
公开日:
代理机构:
主分类号:
F16K11/074(20060101)
我要购买
摘要:
本实用新型公开一种恒温混水阀,包括混水阀体和调压阀组件,混水阀体内部中空,其内部设有空心的安装管,安装管的两端分别与混水阀体的内壁连接固定,混水阀体的同一侧设有分别与安装管内部贯通的热水接口、冷水接口和混水接口,热水接口和冷水结构分别用以连接热水管和冷水管,混水接口用以输出冷热混合水,调压阀组件具有热水入口、冷水入口以及混水出口,调压阀组件设置在安装管内,其中,热水入口与热水接口贯通,冷水入口与冷水接口贯通,混水出口与混水接口贯通,调压阀组件用以将流入其内部的热水和冷水按一定比例混合后输出至混水接口。本实用新型流入调压阀组件内的冷水和热水在按一定比例混合后流出,保证输出水温的稳定性。
首页
上一页
91
92
93
94
95
96
97
98
99
100
下一页
尾页
当前共找到
8115
个专利记录
,当前显示页码
95/406