首页
专利查询
专利购买
专利转让
专利申请
15071489439
当前位置:
专利巴士
专利查询
专利名称
查询
高级查询
当前共找到
8115
个专利记录
,当前显示页码
96/406
专利名称
申请号
申请人
发明人
专利代办机构
[发明]
一种回收产品重用的产品配置方法
申请号:
201910796004.8
状态:
审中-公开
申请日:
2019-08-27
申请人:
武汉科技大学
发明人:
雷成名、周敏、张秦玮、关梦雪、陈传雨、王曙凭
公开日:
代理机构:
主分类号:
G06Q10/00(20120101)
我要购买
摘要:
本发明涉及一种回收产品重用的产品配置方法,根据约束条件和优化目标,利用gamultiobj函数的遗传算法计算出各组件采用不同形式的改进组件时的占比的最优解集合,一方面,可通过设置多个优化目标,满足在产品多个目标上的优化配置,然后通过设置相应的约束条件,计算出各组件采用不同形式的改进组件时的占比的最优解集合,即重复考虑到不同形式的改进组件对配置方案的影响,然后利用模糊集理论的Pareto优选机制,从最优解集合中提取帕累托最优解作为最优配置方案,可见,本申请在多个目标进行优化的同时还对不同形式的改进组件的进行产品配置优化,也考虑改进组件对配置方案的影响,由此实现了一种更为准确的回收产品重用的产品配置方法。
[实用新型]
一种轮毂电机驱动汽车用馈能式液压悬架
申请号:
201921408883.4
状态:
有权
申请日:
2019-08-27
申请人:
武汉科技大学
发明人:
钱慈航、龚边、严运兵、杨建青、周国忠、乔雪
公开日:
代理机构:
主分类号:
B60G17/08(20060101)
我要购买
摘要:
本实用新型公开一种轮毂电机驱动汽车用馈能式液压悬架,包括液压缸、液压整流桥、液压马达和发电机,液压缸内部中空,其内中部设有活塞,且活塞将液压缸内部分隔为相互独立的上腔室和下腔室,下腔室内设有竖向分布的活塞杆,活塞杆的上端与活塞连接固定,其下端延伸至液压缸的下方并于液压缸滑动连接,液压缸固定安装在车身上,活塞杆的下端与车桥连接固定,上腔室和下腔室均通过液压整流桥与液压马达连通,液压马达与发电机传动连接,液压整流桥用于将上腔室和下腔室流出的液压油转换成单向液流。本申请所述液压悬架将汽车簧载质量和非簧载质量产生相对运动转换为液压马达的旋转运动,实现了电动汽车在振动能量的回收,减少能耗。
[实用新型]
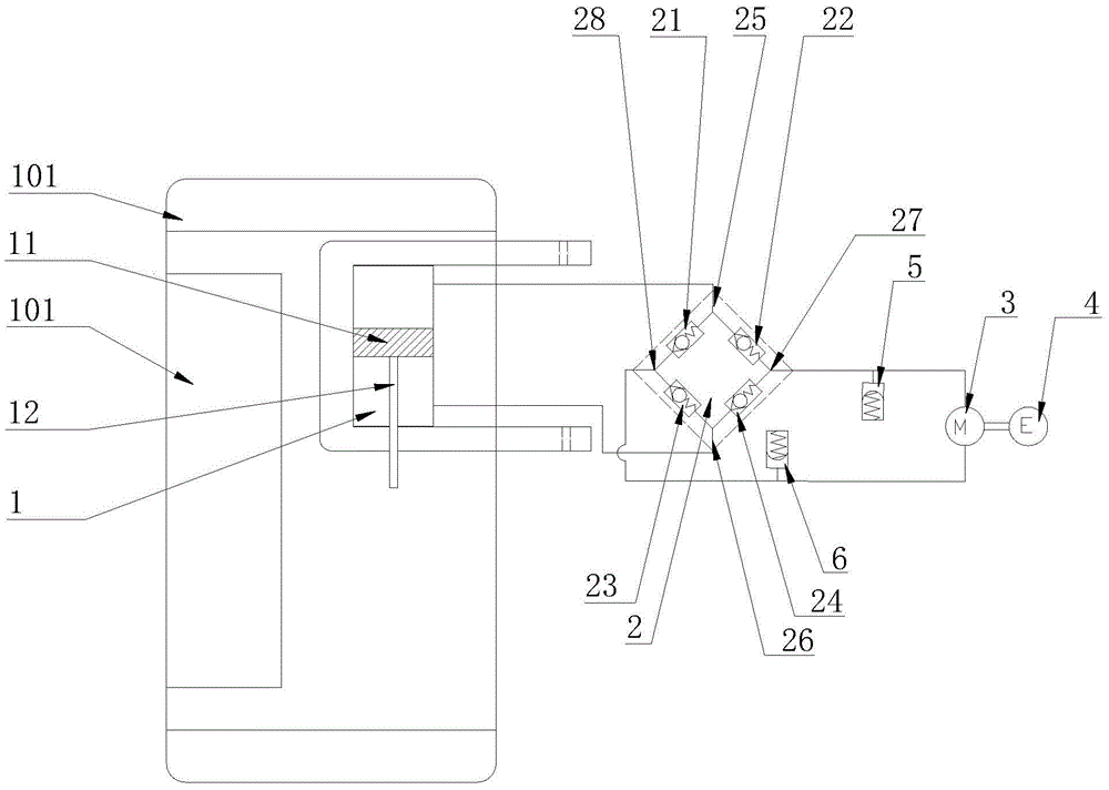
一种模型尺寸可调和双向加载可控的相似试验装置
申请号:
201921402690.8
状态:
有权
申请日:
2019-08-27
申请人:
武汉科技大学
发明人:
叶义成、王为琪、刘洋、刘晓云、姚囝、陈虎、陈常钊、江慧敏
公开日:
代理机构:
主分类号:
G01N3/12(20060101)
我要购买
摘要:
本实用新型涉及一种模型尺寸可调和双向加载可控的相似试验装置。其底座(1)的上平板固定的千斤顶安装架(2)是由左支撑架(9)和右支撑架(18)的上端与上固定架(12)固定而成;加载系统(3)的结构是右加载板(30)通过竖向连接板(32)与上加载板(27)连接,左挡板(22)的上端通过水平连接板(25)与上加载板(27)连接;右支撑架(18)的水平液压千斤顶(20)的工作端与右加载板(30)连接,上固定架(12)的竖直液压千斤顶(14)与千斤顶安装板(11)固定连接,千斤顶安装板(11)下平面固定的条形滑块(10)活动地装在水平导轨(29)上。该相似模型浇筑空间尺寸可调节和荷载施加可控。
[发明]
一种模型尺寸可调节的相似模拟试验加载装置
申请号:
201910798308.8
状态:
审中-公开
申请日:
2019-08-27
申请人:
武汉科技大学
发明人:
叶义成、王为琪、刘洋、刘晓云、姚囝、陈虎、陈常钊、江慧敏
公开日:
2019-11-15
代理机构:
42222武汉科皓知识产权代理事务所(特殊普通合伙)
主分类号:
G01N3/12(20060101)
我要购买
摘要:
本发明涉及一种模型尺寸可调节的相似模拟试验加载装置。其技术方案是:底座(1)的上平板固定的千斤顶安装架(2)是由左支撑架(9)和右支撑架(18)的上端与上固定架(12)固定而成;加载系统(3)的结构是右加载板(30)通过竖向连接板(32)与上加载板(27)连接,左挡板(22)的上端通过水平连接板(25)与上加载板(27)连接;右支撑架(18)的水平液压千斤顶(20)的工作端与右加载板(30)连接,上固定架(12)的竖直液压千斤顶(14)与千斤顶安装板(11)固定连接,千斤顶安装板(11)下平面固定的条形滑块(10)活动地装在水平导轨(29)上,左挡板(22)活动地安装在左支撑架(9)的两根立柱的导槽内。本发明的相似模型浇筑空间尺寸可调节和荷载施加可控。
[发明]
一种向高压气体轴承供气的暂冲气源系统及其设计方法
申请号:
201910797589.5
状态:
审中-公开
申请日:
2019-08-27
申请人:
武汉科技大学
发明人:
郭良斌、余振东、陈珊秀
公开日:
代理机构:
主分类号:
G01M13/04(20190101)
我要购买
摘要:
本发明公开了一种向高压气体轴承供气的暂冲气源系统及其设计方法,其系统包括高压气体发生段、气流稳定段、调压段和气流输出段,高压气体发生段、气流稳定段、调压段和气流输出段依次连接。本发明解决了现有的暂冲气源系统因供气流量过大,无法适用于高压气体轴承实验台的问题;具有经济可靠,输出气流压力稳定性好,设定压力可调,操作方便等特点;两级串联自力式压力调节阀的调压方法,克服了目前常用的单级环状缝隙调压阀,因尺寸过大而不能应用于高压气体轴承暂冲气源系统中的困难;也克服了仅采用一级自力式压力调节阀调压时,由于储气罐中压力不断下降造成阀口位置快速变化导致稳压精度不高的缺点。
[发明]
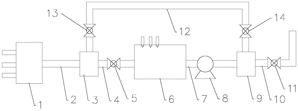
一种用于氮氧化物传感器标定的配气系统及方法
申请号:
201910794242.5
状态:
审中-公开
申请日:
2019-08-27
申请人:
武汉科技大学
发明人:
孙宏伟、谢光远、王俊杰、张宇明、王晓宁
公开日:
2019-11-19
代理机构:
42251武汉谦源知识产权代理事务所(普通合伙)
主分类号:
G01N33/00(20060101)
我要购买
摘要:
本发明涉及一种用于氮氧化物传感器标定的配气系统及方法,该系统包括混气仪,混气仪的出口通过管道一与三通一的进口连通,三通一的出口一通过管道二与检测室进口连通且管道二上设有阀门一,检测室的出口通过管道三与三通二的进口连通且管道三上设有气泵,三通二的出口一与排空管道连通且排空管道上设有阀门二,三通一的出口二与三通二的出口二通过循环管道连通,循环管道上靠近三通一及三通二的端部分别设有阀门三和阀门四,检测室上设有供标准传感器插入的标样槽及供待测传感器插入的检测槽。优点为,相对于单向流动的标定气体,本发明循环流动的标定气体在检测室内更易保证稳定,标定的准确度高且大大节省了用气量,特别适合规模生产使用。
[发明]
低成本非真空金属层状复合材料制备方法
申请号:
201910791099.4
状态:
审中-公开
申请日:
2019-08-26
申请人:
武汉科技大学
发明人:
丁文红、臧之祺
公开日:
代理机构:
主分类号:
B32B15/01(20060101)
我要购买
摘要:
本发明公开了一种低成本非真空金属层状复合材料制备方法,通过控制界面氧化物的形貌及分布,提高界面结合强度、降低制坯成本,组坯前,将待复合的基层材料和覆层材料进行表面处理,通过控制表面粗糙度,在待复合表面形成一层均匀、弥散的游离态金属,使加热过程中形成的金属氧化物均匀、弥散;将基层材料和覆层材料组坯,四周封焊,并在坯料的末端留下排气口;将坯料加热、保温,然后进行热轧复合,使复合轧制过程的压缩比不小于最小临界压缩比,借助复合界面的延展,降低单位面积上的金属间夹杂物的数量。该方法成本低,复合效果好,质量稳定。
[发明]
降低残余应力的回火方法
申请号:
201910792183.8
状态:
审中-公开
申请日:
2019-08-26
申请人:
武汉科技大学
发明人:
丁文红、王新东、齐建军、孙力、刘天武、吴挺、潘进、臧之祺
公开日:
2019-12-03
代理机构:
42102湖北武汉永嘉专利代理有限公司
主分类号:
C21D1/18(20060101)
我要购买
摘要:
本发明公开了一种降低残余应力的回火方法,依次进行升温、保温和冷却,升温包括两个阶段,第一个阶段为高速升温阶段,将待回火材料或零件由室温快速加热至温度T1,材料或零件的尺寸越大温度T1越高,第二个阶段为低速升温阶段,将待回火材料或零件由温度T1缓慢加热至设定的回火温度进行保温。本方法增强了回火对残余应力的调控效果,抑制了回火过程新生残余应力的形成,同时有助于提高材料的强韧性。
[发明]
降低残余应力的热轧高强度带钢制备方法
申请号:
201910791084.8
状态:
审中-公开
申请日:
2019-08-26
申请人:
武汉科技大学
发明人:
丁文红、王新东、齐建军、孙力、刘天武、庞博文、潘进、臧之祺
公开日:
2019-12-03
代理机构:
42102湖北武汉永嘉专利代理有限公司
主分类号:
C21D8/02(20060101)
我要购买
摘要:
本发明公开了一种降低残余应力的热轧高强度带钢制备方法,通过控制热轧机组的轧后快速冷却实现残余应力的在线调控,将高强度带钢的连续冷却区间依次划分为递增冷却段、恒速冷却段和精调冷却段,在递增冷却段采用递增的冷却速率进行冷却,即冷却速度随高强度带钢的温度的逐步降低而逐渐增高,在恒速冷却段采用恒定的冷却速率进行冷却。可以在保证材料强韧性的条件下,实现快速冷却过程中残余应力的在线调控,成本低。
[发明]
热轧高强度带钢的低温残余应力调控方法
申请号:
201910791082.9
状态:
审中-公开
申请日:
2019-08-26
申请人:
武汉科技大学
发明人:
丁文红、王新东、齐建军、孙力、刘天武、袁飞、潘进、臧之祺
公开日:
2019-12-03
代理机构:
42102湖北武汉永嘉专利代理有限公司
主分类号:
C21D8/02(20060101)
我要购买
摘要:
本发明公开了一种热轧高强度带钢的低温残余应力调控方法,将热轧高强度带钢在室温下采用轧制方式进行预压缩处理,利用轧制过程中晶粒间的不协调变形,促进位错在晶界处塞积,提升晶界处空位及碳原子复合体的浓度,为晶粒内微区碳浓度的改变提供驱动力;将经过轧制变形处理的高强度带钢送入加热炉中,在100℃‑450℃温度下进行回火处理,使位错、空位及碳原子复合体由晶界向晶粒内扩散,改变晶粒内微区碳浓度,促进碳化物的低温析出,实现残余应力低温调控;将热处理后的高强度带钢冷却至室温后卷取。该方法降低了回火温度,实现了低温残余应力调控,处理后高强钢内的残余应力可降低70%以上。
[实用新型]
一种溜井口所在巷道封堵装置
申请号:
201921392200.0
状态:
有权
申请日:
2019-08-26
申请人:
武汉科技大学
发明人:
李甲、王文杰、黄广明、赵同、王岗风
公开日:
代理机构:
主分类号:
E21F13/04(20060101)
我要购买
摘要:
本实用新型公开了一种溜井口所在巷道封堵装置,包括提升装置,提升装置固定在巷道上方,提升装置包括电动卷轴、拉绳,电动卷轴由电机驱动,电动卷轴中部设有凹槽,拉绳缠绕在电动卷轴的凹槽内;弹簧卷轴,反光网卷在弹簧卷轴上,弹簧卷轴外部设有壳体,反光网的另一端固定在拉杆上,拉杆上设有铁环,拉绳的端部固定连接铁环,壳体与拉杆左右两侧均设有孔口;两侧固定装置,两侧固定装置固定在巷道的两侧,两侧固定装置与弹簧卷轴壳体和拉杆的孔口通过插销连接。本实用新型目的在于提供一种操作简单、成本低、实用性好,能够有效的防止人员进入溜井区域,加强对溜井口的监测与管理的溜井口所在巷道封堵。
[发明]
一种电容式螺栓预紧力的测量监测装置
申请号:
201910781608.5
状态:
审中-公开
申请日:
2019-08-23
申请人:
武汉科技大学
发明人:
王涛、刘奔、鲁光涛、谭波海、杨丹、王志刚、余震、肖涵
公开日:
2019-11-29
代理机构:
42102湖北武汉永嘉专利代理有限公司
主分类号:
G01L5/24(20060101)
我要购买
摘要:
本发明涉及螺栓联接状态测量技术领域,特指一种电容式螺栓预紧力的测量监测装置,包括上极板、支撑结构与下极板,上极板通过螺钉一联接和固定于支撑结构上部,下极板通过螺钉二联接和固定于支撑结构下部,上极板上固定有环形PCB板一,下极板上固定有环形PCB板二,环形PCB板一与环形PCB板二对应设置,支撑结构中间设有用于安装所监测螺栓的螺栓通孔。通过电容传感元件将螺栓预紧力作用下支撑结构的压缩变形导致电容器极间距发生改变,进而引起电容变化,通过测量电路转换成电信号,再由电信号数值经相关公式计算螺栓预紧力大小,可准确的测量出螺栓预紧力,或通过事先标定获得传感器所受螺栓预紧力与电信号之间的关系,实现螺栓预紧力的测量与监测。
[发明]
一种攀爬机器人
申请号:
201910781623.X
状态:
审中-实审
申请日:
2019-08-23
申请人:
武汉科技大学
发明人:
王昆、侯宇、高颖、侯月阳、石维
公开日:
代理机构:
主分类号:
B62D57/024(20060101)
我要购买
摘要:
本发明公开了一种攀爬机器人,包括上躯体、下躯体、电动上肢和下肢,上躯体和下躯体上下间隔设置,且二者之间通过连接件转动连接,上躯体的下端中部与连接件的上端连接固定,连接件的下端与下躯体的上端转动连接,下躯体上安装有第一驱动装置,第一驱动装置的驱动端与连接件传动连接,第一驱动装置用以驱动上躯体沿其与下躯体转动连接处前后摆转,电动上肢设有两个,且两个电动上肢分别设置在上躯体的两侧,下肢沿前后方向设置在下躯体的前侧,其后端与下躯体转动连接,且下躯体上安装有第二驱动装置,第二驱动装置的驱动端与下肢传动连接,第二驱动装置用以驱动下肢上下摆转。其结构简单。
[发明]
一种MES生物阴极催化还原CO
2
合成有机物的方法
申请号:
201910776095.9
状态:
审中-公开
申请日:
2019-08-22
申请人:
武汉科技大学
发明人:
柳焜、王黎、鲁逸飞、吴少奇
公开日:
2019-11-22
代理机构:
11740北京棘龙知识产权代理有限公司
主分类号:
C25B3/04(20060101)
我要购买
摘要:
本发明提供一种MES生物阴极催化还原CO
2
合成有机物的方法。在微生物电合成系统中制备生物阴极,在阴极室中通入CO
2
循环曝气,设定极化电势范围为‑0.6V—‑1.0V(vs.Ag/AgCl)。阴极上的驯化培养的微生物Acetobacterium、Candida sp.S、Geobacter可以直接从电极或电极产生的氢气获得电子进行CO
2
的还原,并合成有机物。本发明还原CO
2
合成有机物的速率较快,对于CO
2
固定转化并合成有机化学品具有重要的应用价值。
[实用新型]
一种多功能桌
申请号:
201921371447.4
状态:
有权
申请日:
2019-08-22
申请人:
武汉科技大学
发明人:
刘启浪、汤勃、陈亚琦、成明、时朵、孙欢、石维、吴健
公开日:
代理机构:
主分类号:
A47B83/04(20060101)
我要购买
摘要:
本实用新型公开了一种多功能桌,包括桌腿和桌盒,所述桌盒水平设置,所述桌腿设置在所述桌盒的下端,所述桌盒内安装有电动升降机构,所述电动升降机构的升降端朝上并与所述桌盒上端的桌面板的下端固定连接,所述电动升降机构用以驱动所述桌面板向上移动或向下移动至复位。设置电动升降机构,使得桌面板的高度可调,同时可将桌盒从上端打开,便于取拿物件。
[实用新型]
一种手动式滚筒式洗衣机
申请号:
201921371434.7
状态:
有权
申请日:
2019-08-22
申请人:
武汉科技大学
发明人:
张海亮、黄家浩、李德华、姚炎炎、董文辉、樊昌
公开日:
代理机构:
主分类号:
D06F23/02(20060101)
我要购买
摘要:
本实用新型公开了一种手动式滚筒式洗衣机,机壳前侧设有开口,外筒前侧敞口并置于机壳内,外筒前侧与机壳前侧连接固定,且机壳前侧开口与外筒内部贯通,外筒后侧与机壳后侧之间具有间隙,观察门转动安装在机壳前侧开口处,其可转动至将开口打开或关闭,且机壳上靠近开口处设有用以将观察门锁紧的锁具,机壳上还分别设有与外筒内连通的进水管和出水管,且进水管处设有第一阀门,出水管处设有第二阀门,滚筒置于外筒内,且滚筒后侧同轴设有一个第一转轴,第一转轴的后端向后延伸至穿出至外筒外,并与外筒密封转动连接,手动式驱动组件安装在机壳内上,其驱动端与第一转轴传动连接。其适用性强。
[发明]
一种新型的污泥消化反应器
申请号:
201910776117.1
状态:
审中-公开
申请日:
2019-08-22
申请人:
武汉科技大学
发明人:
王黎、吴少奇、柳焜、鲁逸飞、张春雨
公开日:
2019-10-25
代理机构:
11740北京棘龙知识产权代理有限公司
主分类号:
C02F11/04(20060101)
我要购买
摘要:
本发明属于污泥消化处理技术领域,公开了一种新型的污泥消化反应器,包括:污泥消化罐盖机构和污泥消化罐体机构;所述罐盖机构包括:搅拌电机、污泥消化罐盖、污泥搅拌机构以及污泥超声破解器;所述污泥消化罐体机构包括:进泥口、排泄口以及取样口;所述污泥搅拌机构包括搅拌杆固定器、搅拌杆、打泡叶片以及搅拌叶片;污泥超声破解器包括超声换能器以及长条形扁平超声探头。本发明提供的污泥消化反应器能够有效地提高污泥消化速率,缩短污泥消化周期。
[实用新型]
一种IC卡多合一收纳器
申请号:
201921362112.6
状态:
有权
申请日:
2019-08-21
申请人:
武汉科技大学
发明人:
刘安逸、刘怀广
公开日:
代理机构:
主分类号:
A45C11/00(20060101)
我要购买
摘要:
本实用新型涉及一种IC卡多合一收纳器,包括:壳体,壳体上设置有固定若干IC卡芯片的若干卡件、至少一个控制开关以及感应线圈,各卡件上分别设置有与一个IC卡芯片的正极引脚和负极引脚电性连接的第一触点和第二触点,控制开关可控制各卡件的第一触点和第二触点所在的线路与感应线圈接通或断开。根据本实用新型的IC卡多合一收纳器可以将多种IC卡集成于一体且不影响各卡片的使用,方便人们的携带和使用。
[发明]
一种防水岸电插座插头
申请号:
201910770486.X
状态:
审中-公开
申请日:
2019-08-20
申请人:
武汉科技大学、江苏健龙电器有限公司
发明人:
刘源泂、杨运政、蒋国忠、张腾飞、黄益斌
公开日:
代理机构:
主分类号:
H01R13/52(20060101)
我要购买
摘要:
本发明公开了一种防水岸电插座插头。它包括插座本体、插头,所述插座本体包括中部的主腔室以及功能臂,功能臂的空腔内设有限位槽、压杆及限位槽顶部的导向压块,所述限位槽内设有斜滑块、横向弹簧、顶紧弹簧、径向限位柱、限位螺母,限位槽的近端有一通向主腔室的连通孔,所述斜滑块的头部与径向限位柱尾部相抵,径向限位柱前部可活动地穿过连通孔,所述插头上设有与径向限位柱头部相应的卡槽;所述压杆下部从导向压块的导向孔中向下伸入限位槽内并与斜滑块相抵。本发明的插头插座具有良好的密封防水防尘效果,加工和使用方便、定位准确。
[实用新型]
一种防水岸电插座插头
申请号:
201921360702.5
状态:
有权
申请日:
2019-08-20
申请人:
武汉科技大学、江苏健龙电器有限公司
发明人:
刘源泂、杨运政、蒋国忠、张腾飞、黄益斌
公开日:
代理机构:
主分类号:
H01R13/52(20060101)
我要购买
摘要:
本实用新型公开了一种防水岸电插座插头。它包括插座本体、插头,所述插座本体包括中部的主腔室以及功能臂,功能臂的空腔内设有限位槽、压杆及限位槽顶部的导向压块,所述限位槽内设有斜滑块、横向弹簧、顶紧弹簧、径向限位柱、限位螺母,限位槽的近端有一通向主腔室的连通孔,所述斜滑块的头部与径向限位柱尾部相抵,径向限位柱前部可活动地穿过连通孔,所述插头上设有与径向限位柱头部相应的卡槽;所述压杆下部从导向压块的导向孔中向下伸入限位槽内并与斜滑块相抵。本实用新型的插头插座具有良好的密封防水防尘效果,加工和使用方便、定位准确。
首页
上一页
91
92
93
94
95
96
97
98
99
100
下一页
尾页
当前共找到
8115
个专利记录
,当前显示页码
96/406